园区次干道及支路四期道路工程(二期)海绵城市施工图设计说明.docx

上传人:p** 文档编号:518391 上传时间:2023-10-11 格式:DOCX 页数:23 大小:69.03KB
下载 相关 举报
园区次干道及支路四期道路工程(二期)海绵城市施工图设计说明.docx_第1页
第1页 / 共23页
园区次干道及支路四期道路工程(二期)海绵城市施工图设计说明.docx_第2页
第2页 / 共23页
园区次干道及支路四期道路工程(二期)海绵城市施工图设计说明.docx_第3页
第3页 / 共23页
园区次干道及支路四期道路工程(二期)海绵城市施工图设计说明.docx_第4页
第4页 / 共23页
园区次干道及支路四期道路工程(二期)海绵城市施工图设计说明.docx_第5页
第5页 / 共23页
园区次干道及支路四期道路工程(二期)海绵城市施工图设计说明.docx_第6页
第6页 / 共23页
园区次干道及支路四期道路工程(二期)海绵城市施工图设计说明.docx_第7页
第7页 / 共23页
园区次干道及支路四期道路工程(二期)海绵城市施工图设计说明.docx_第8页
第8页 / 共23页
园区次干道及支路四期道路工程(二期)海绵城市施工图设计说明.docx_第9页
第9页 / 共23页
园区次干道及支路四期道路工程(二期)海绵城市施工图设计说明.docx_第10页
第10页 / 共23页
亲,该文档总共23页,到这儿已超出免费预览范围,如果喜欢就下载吧!
资源描述

《园区次干道及支路四期道路工程(二期)海绵城市施工图设计说明.docx》由会员分享,可在线阅读,更多相关《园区次干道及支路四期道路工程(二期)海绵城市施工图设计说明.docx(23页珍藏版)》请在第壹文秘上搜索。

1、园区次干道及支路四期道路工程(二期)海绵城市施工图设计说明1 .工程范围及内容本次设计为园区次干道及支路四期道路工程二期工程,含2条道路,范围为Zl路北延伸段K0+794.448K1+419.443段、莱宝西路K0+496.376K0+737.044段,道路总长865.7m。本次设计范围为上述两条道路的低影响开发相关设计。2 .设计规范、标准(1)海绵城市建设技术指南一低影响开发雨水系统构建(2014年10月)(2)重庆市海绵城市规划与设计导则(重庆市城乡建设委员会,重庆市规划局,2016.11)(3)重庆市海绵城市建设工程设计文件编制深度规定一低影响开发雨水系统(试行)(重庆市城乡建设委员会

2、,2016.11)(4)室外排水设计标准(GB50014-2021)(5)城市工程管线综合规划规范(GB50289-2016)(6)城市防洪工程设计规范(GB/T50805-2012)(7)给水排水工程构筑物结构设计规范(GB50069-2002)(8)给水排水工程管道结构设计规范(GB50332-2002)(9)山地城市室外排水管渠设计标准(DBJ50/T-296-2018)(10)建筑与小区雨水控制及利用工程技术规范(GB50400-2016)3上位规划要求根据两江新区海绵城市近建区修建性详细规划,本次设计道路所在区域未在规划近建区范围内。故本次设计参照主城区海绵城市专项规划,根据该规划,

3、本次设计道路位于竹溪河北二分区,该分区年径流总量控制率为68%,年径流污染去除率为50%。4现状情况分析本次设计范围内均为现状地形,暂无相关海绵城市实施内容。5设计内容5.1 总体设计5.1.1 设计原则(1)满足海绵城市建设道路设计目标。(2)道路LID设施的选择应与规划用地性质相协调,因地制宜、经济有效、方便易行,充分结合道路红线内外绿化带进行设计。(3)道路LID设施的选择应充分考虑设计道路及周边的土壤、地质特征。(4)车行道路面上的降雨通过雨水口排入市政雨水系统,人行道透水病铺装负责收集透水砖铺装面积上的降雨,地块内部的雨水通过地块内部的LID设施进行综合利用,且地块内部外排雨水通过雨

4、水管直接汇入市政雨水系统:(2)城市面源污染控制:雨水径流污染物削减率(以悬浮物TSS计)250%(面源污染的削减通过污染物年径流总量控制率来实现)。根据主城区海绵城市专项规划,本次设计道路总控制率为68%,年径流污染去除率为50机5.1.4设计参数本工程年径流控制率指标为68%。不同年径流总量对应的设计降雨量(mm60%70%75%80%85%12.718.121.926.833.45.1.5LID设施方案(1)本次LID设施方案为针对市政道路的配套工程,经分析,生物滞留沟为较为合适的LID设施。(2)功能设施比选道路工程LID系统包括雨水花园、生物滞留沟、渗透塘等。低影响开发设施往往具有补

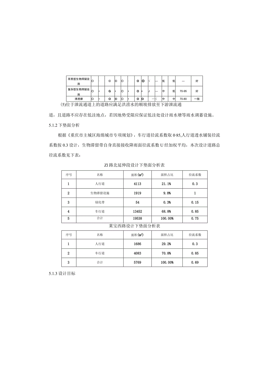
5、充地下水、集蓄利用、削减峰值流量及净化雨水等多个功能。低影响开发设施比选一览表幽项设诙功能控制目标K式处方经济性污染物去除率(以SSit.*)现果景效桑蓄利用限水削减峰也流量转输径流总量径流峥值径流污染分敢相对集中建造用透水砖铺装OO低低80-90透水水泥混凝土OOO0中80-90透水沥青混凝土0O&O中80-90绿色屋顶0OO而中70-80好下沉式媒地OO低低.般简易型生物滞留设施OOO低低好复杂型生物滞留设施OGOOJ中低70-95好清透塘OOOOO中中70-80一般(5)位于泄流通道上的道路应满足洪涝水的顺坡排放至下游泄流通道,且道路不应存在低洼地点,若因地势受限应保证低洼处设计雨水塘等

6、雨水调蓄设施。5.1.2下垫面分析根据重庆市主城区海绵城市专项规划,车行道径流系数取085,人行道透水铺装径流系数按0.3设计,生物滞留带自身直接接收降雨面径流系数U经加权平均,本次设计道路总径流系数见下表:Zl路北延伸段设计下垫面分析表序号名称面积(m2)面积占比径流系数1人行道411321.1%0.32生物滞留设施19199.8%13绿化带540.3%0.154车行道1345268.8%0.855合计19538100.00%0.75莱宝西路设计下垫面分析表序号名称面积(m2)面积占比径流系数1人行道168629.2%0.32车行道408370.8%0.853合计5769100.00%0.6

7、95.1.3设计目标(1)年径流总量控制率(通过下垫面自然下渗以及LID设施的处理流程,包括回用处理和污染控制的雨水量占降雨量的比例),要求区域内达到268%,对应设计降雨量为18.Immo技术类型(按主要功能)单项设施用地类型建筑与小区城市道路绿地与广场城市水系淮管/集O截污净化技术植被缓冲带初期雨水弃流设施O人工上填海泄O本次设计ZI路北延伸段道路人行道宽度为5.5m,本次道路LID设计考虑采用生物滞留沟和人行道透水铺装作为海绵城市设施。莱宝西路人行道宽度为3.5m,考虑在人行道采用透水铺装作为海绵城市设施。(3)总体控制指标计算本次设计选用生物滞留设施和人行道透水砖铺装这两种LlD设施,

8、经计算,可控车行道及生物滞留设施的年径流控制率为70%,人行道的年径流控制率为70%:生物滞留沟单项污染物去除率为70%95%,本次设计取70%:透水砖铺装单项污染物去除率为80%90%,本次设计取85%。道路范围内指标计算如下表:Zl路北延伸段下垫面及LID设施控制面积(H?)年径流总量控制率污染物去除率生物滞留设施191985%70%车行道可控部分653785%70%人行道透水砖铺装411370%85%不可控部分691500绿化带5485%50%合计1953851.8%38.4%莱宝西路下垫面及LID设施控制面积(m?)年径流总量控制率污染物去除率人行道透水能铺装168670%85%车行道

9、408300单项设诙功能控制目标处置方式经济性污染物去除率(以SS计,%)景观效果朱所利用用水削减*三tt流量净化水转输径流峰值径流染分敢相对第中维护费用清井OOOOJ低低一湿墉OOO高中50-80好雨水JS地OOJ高中50-80好水池OOQO&中80-90雨水班OQOOJ低低80-90调节塘OOOOO高中调节池OOOOOO高中转输型梢草沟OOOO低低35-90一般干式植草沟OOOOJ低低35-90好泡式植草沟OOOOO中低一好$方管/梁OOOOJ中中35-70植被援冲带OOOOO低低50-75一股初期南水奔流设施OOOOO低中40-60人工土壤注泄OOOOJ高中75-95好注:1强O较强。弱

10、或很小:2SS去除率数据来自美国液域保护中心(CenterForWatershedProtection,CHP)的研究数据,各类用地中低影响开发设施选用一览表技术类型按主要功能)单项设施用地类型逑筑与小区城市道路绿地与广场城市水系涛透技术透水砖铺装透水水诟混凝土OOO透水沥青混凝土OGOG绿色屋顶*OOO下沉式媒地简劫型生物滞帝设施*G复杂型生物滞刚设施*港透塘O0淮井O储存技术湿堵*雨水湿地落水池OOOO雨水播*OOO调门技术调节塘O调节池OOO转输技术付输型桢草沟*O干式植草沟*湿式植草沟O生物滞留带。5.2.3 纵断面布置M2%且V6%时,设置挡水堰,挡水堰的间距设定为5m。5.2.4 竖向布置生物滞留设施带最小深度:h=h1+h2+h3+h,+h5式中:Hi一为了满足灌木生长需求,最小种植土厚度取50cm;也一设计持水区深度,取20cm;七一砂滤层厚度,取IoCm;H砾石层厚度,取30cm:上一超高,车行道边缘与最高持水区之间的高差,10cm。合计576920.5%17.4%经计算,Zl路北延伸段年径流总量控制率为51.8%,污染物去除率为38.4%;莱宝西路年径流总量控制率为20.5%,污染物去除率为17.4%;均无法满足年径流总量控制率和污染物去除率的要求。建议增强片区公共海绵设施建设

展开阅读全文
相关资源
猜你喜欢
相关搜索

当前位置:首页 > 建筑/环境 > 环保行业

copyright@ 2008-2023 1wenmi网站版权所有

经营许可证编号:宁ICP备2022001189号-1

本站为文档C2C交易模式,即用户上传的文档直接被用户下载,本站只是中间服务平台,本站所有文档下载所得的收益归上传人(含作者)所有。第壹文秘仅提供信息存储空间,仅对用户上传内容的表现方式做保护处理,对上载内容本身不做任何修改或编辑。若文档所含内容侵犯了您的版权或隐私,请立即通知第壹文秘网,我们立即给予删除!