迎宾东路边坡治理工程施工图设计说明.docx

上传人:p** 文档编号:520308 上传时间:2023-10-11 格式:DOCX 页数:13 大小:72.14KB
下载 相关 举报
迎宾东路边坡治理工程施工图设计说明.docx_第1页
第1页 / 共13页
迎宾东路边坡治理工程施工图设计说明.docx_第2页
第2页 / 共13页
迎宾东路边坡治理工程施工图设计说明.docx_第3页
第3页 / 共13页
迎宾东路边坡治理工程施工图设计说明.docx_第4页
第4页 / 共13页
迎宾东路边坡治理工程施工图设计说明.docx_第5页
第5页 / 共13页
迎宾东路边坡治理工程施工图设计说明.docx_第6页
第6页 / 共13页
迎宾东路边坡治理工程施工图设计说明.docx_第7页
第7页 / 共13页
迎宾东路边坡治理工程施工图设计说明.docx_第8页
第8页 / 共13页
迎宾东路边坡治理工程施工图设计说明.docx_第9页
第9页 / 共13页
迎宾东路边坡治理工程施工图设计说明.docx_第10页
第10页 / 共13页
亲,该文档总共13页,到这儿已超出免费预览范围,如果喜欢就下载吧!
资源描述

《迎宾东路边坡治理工程施工图设计说明.docx》由会员分享,可在线阅读,更多相关《迎宾东路边坡治理工程施工图设计说明.docx(13页珍藏版)》请在第壹文秘上搜索。

1、迎宾东路边坡治理工程施工图设计说明1工程概况1 .峻迎宾东路边坡治理工程位于重庆市铜梁区迎宾路东侧,连接迎宾路与龙腾大道,进城方向主要道路,道路两侧陡峭岩石边坡,该处边坡易发生垮塌事故,此次设计目的为对该处边坡进行挖填方,此次边坡高度为4-20m,现状边坡坡度接近70:因为岩石边坡,容易发生风化脱落,道路总长度2360m,施工总面积约70000平方米。1.2防洪标准本次设计范围无河道。1.3设计依据1. 3.1业主提供平场区域的1:500地形图;1.2.2 甲方及相关职能部门关于平场工程的会议纪要;甲方提供的设计任务书与业主签订的设计合同。1.4采用技术标准、规范(1)公路工程技术标准JTGB

2、ol-2014:(2)公路勘测规范JTGCK)-2007:(3)公路路线设计规范JTGD20-2017:(4)公端健设计规范JTGD30-2015;(5)公路水泥路面设计规范JTG010-2011;(6)公路路基施工技术规范JTGF10-2019:(7)公路路面基层施工技术规范JTGTTF20-2015;(8)公路混凝土路面施工技术细则JTG/TF30-2014(9)公路工勘察规范JTCC20-2011;(10)公路工程抗宸设计规范JTGB02-2013:(11)公路交通安全设施设计规范JTGD81-2017;(12)公路交通安全设施设计邹则TG/TD81-2017;(13)公路工程水妞螂谢规

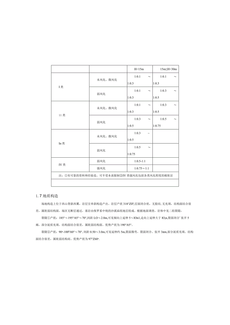
3、范JTGC30-2015;(14)重庆市农村公路建设管理办法(渝文审201125号);(15)中华人民共和国工程建设强制性条文一公路工程部分。1.5工程规模及土石方平衡本次地块施工面积约70000平方米,存在挖方与填方,若部分挖方须外运,弃土场由甲方自行指定,并请建设单位对弃土场做专项设计,避免发生类似深圳弃土场滑坡事故。1.6技术标准根据公路工程技术标准(JTGB01-2014)及公路工程地质勘察规范.ITGC2O-2O11的要求,对该处边坡采用挖方卸载方式进行作业,挖方边坡坡比根据岩土性质确定,具体数值见下表:土质边坡坡比表3T土的类别边坡坡率粘土、粉质粘土、塑性指数大于3的粉土1:1中密

4、以上的中砂、粗砂、砾砂1:1.5卵石土、碎石土、圆砾土、角砾土胶结和密实1:0.75中密1:1注:黄土、红粘土、高液限土、膨胀土等特殊土质挖方边坡形式及坡度应按照JTGD302015第7章有关规定确定。岩质边坡坡比表3-2边赌上类型风化酸坡率1.8 地层岩性根据地表调查及钻孔揭露,场区钻探深度范围内地岩土层主要为第四系全新统土层(04)及侏罗系中统沙溪庙组基岩(J2s)对场区内各种岩土类描述如下1.8.1 第四系全新统土层(04)粉质粘土(如el+dl):灰褐色。可塑状。稍有光泽,韧性中等,无摇旗反应。干强度中等,手可搓成条,切面较光滑,厚度变化较大。1.8.2侏罗系中统沙溪庙组(J2s)基岩

5、砂岩(J2s-Ms):浅灰色,主要由长石、石英、云母等矿物等组成,中细粒结构,中厚层状构造,钙泥质胶结。强风化段岩芯较破碎,呈碎块状,完整性较差;中等风化段岩芯多呈柱状,完整性较好。本次勘察揭穿该层。泥岩:紫红色。以粘土矿物为主。泥质结构,薄-中层状构造。本次勘察在整个场地内广泛分布,本次勘察未揭穿。1.9 水文地质条件拟建场地地层结构由粉质粘土和下伏砂、泥岩组成。粉质粘土为隔水层;砂岩为含水层,泥岩为粘土岩属隔水层。基岩裂隙水径流排泄方式因含水层类型而异,基岩浅部风化带裂隙水在岩层露头部分为补给区,接受大气降水的补给,具有就近补给就近排泄的特点。中风化基岩裂隙水主要接受上部风化带裂隙水的补给

6、和沟水补给,在重力作用下,沿岩层裂隙向下径流,在相对低洼地段排泄至沟中。在勘察工作进行期间,提干偌孔循环水24小时后观测水位表明,钻孔水位不恢第或恢复缓慢,场地在整平高程以上范围不存在地下水。工程2.1 设计原则2.1.1 在确保地块与相邻道路衔接的前提下,合理调整竖向设计标高,减少土石方量。2.1.2 平场设计标高,主要保证地与主要道陶ef良好的交通联系及场地土石方挖填方平衡。2.2 设计主要内容2.2.1根据总体规划竖向设计,采集基础数据,初步确定各地块平场标高,计算各地块挖填方量。H15m15mH4米)的路堑挖方,为保持边坡岩体原有的稔定性和坡面控制,应采用机械开挖的方式,不得采用爆破施

7、工。3 .4稳定性分析及评价工程地质概况:该区域属构造岩石边坡,垂直于G319线位方向地形较陡,地形坡角60、90,为裸露中风化砂岩,厚317m=该段岩层产状318Zllo,裂隙:1851950/6570,裂隙:90100/6070。该区域自然斜坡无变形迹象,处于稳定状态。变形破坏模式:边坡变形破坏模式为在开挖过程中发生掉块。稳定状况:经分析计算,本工点现状稳定,开挖后也基本稳定。防护措施:(1)植被防护(3)挖高填(氐或开山填沟的土料和石料,应符合设计要求;(4)不得使用淤泥、耕土、冻土、膨胀性土以及有和颜含量大于55的土。3.3 施工要求(1)平场工程填方区先进行场地清理,淤泥、植被、树木

8、、杂物等应清除,地表清理可参照道路相关规范执行。清理后的弃土至业主指定弃土场。(2)施工前,必须调查清楚场地内各种管线的分布情况,施工时采取必要的可靠措施,以确保安全。(3)道路与地块间边坡即将开挖到位时,应采取人工开挖、清面或光面爆破,保证边坡的完整性。3.4 施工安全(1)机械施工、人工爆破施工时需特别注意保护现有高压线、民房及现场施工人员的安全,上方施工时应采取详细安全控制措施,保证施工安全。(2) 土方施工前,应对施工区域内存在的影响施工的各种障碍物均应拆除、清理或迁移,并在施工前妥善处理,确保施工安全。(3) 土方施工前要认真研究整个施工区域和施工坳也内的工程J也质和水文资料、邻近建

9、筑物或构筑物的质量和分布状况、挖土和弃土要求、施工环境及气候条件等,编制专项施工组织设计(方案),制定有针对性的安全技术措施,严禁盲目施工。(4) 土方施工应事先了解场地地形地貌、地质构造、地层岩性、水文3也质等,如因土石方施工可能产生滑坡时,应采取可靠的安全技术措施。在陡峻山坡脚下施工,应事先检查山坡坡面情况,如有危岩、孤石、崩塌体、古滑坡体等不稳定迹象时,应妥善处理后,才能施工。(5)夜间施工时,应合理安排施工项目,防止挖方超挖或铺填超厚。施工现场根据需要安设照明设施,在危险地段应设置红灯警示。(6)挖上方前对周围环境要认真检查,不能在危险岩石或建筑物下面进行作业。(7)人工开挖时,两人操

10、作间距应保持23m,并应自上而下挖掘,严禁采用掏洞的挖掘操作方法。(8)用挖土机施工时,挖土机的工作范围内,不得有人进行其他工作,多台机械开挖,挖土机间距大于IOe,挖土要自上而下,逐层进行,严禁先挖坡脚的危险作业。(9)机械挖土,多台阶同时开挖土方时,应验算边坡的稔定,根据规定和验算确定挖土机离边坡的安离。2.6土石方调配根据地块及道路土石方量,本次土石方调配可根据实际进行调整。施工过程中应避免超挖或多填,造成工程浪费。3边坡施工要求3.1压实度标准地块范围压实度不得小于95%,填上压实施工过程中,应符合下列规定:1)铺填料前,应清除或处理场地内填I层底面以下的耕上和软弱土层:2)分层填料的厚度、分层压实的遍数,应根据所选用的压实设备,并通过试验确定:3)在雨季、冬季进行压实填士三工时,应采用防雨、防冻措施,防止填料(粉质粘土、粉土)受雨水淋湿或冻结,并应采取措施防止出现“橡皮”土;4)压实填土施工缝各层应错开搭接,在施工缝的搭接处,应适当增加压实遍数;5)压实填士施工结束后,宜及时进行基础施工。3.2场地平整度、界限及填料要求3.2.1 平整度要求标高允许偏差范围(+10OnInI,-300三),长度宽度允许偏差范围(+40OnlibToOnil1)。3.2.2 场地平整

展开阅读全文
相关资源
猜你喜欢
相关搜索

当前位置:首页 > 建筑/环境 > 设计及方案

copyright@ 2008-2023 1wenmi网站版权所有

经营许可证编号:宁ICP备2022001189号-1

本站为文档C2C交易模式,即用户上传的文档直接被用户下载,本站只是中间服务平台,本站所有文档下载所得的收益归上传人(含作者)所有。第壹文秘仅提供信息存储空间,仅对用户上传内容的表现方式做保护处理,对上载内容本身不做任何修改或编辑。若文档所含内容侵犯了您的版权或隐私,请立即通知第壹文秘网,我们立即给予删除!