XX电器股份有限公司X型箱式变电站出厂(例行)检验报告(2023年).docx

上传人:p** 文档编号:523127 上传时间:2023-10-14 格式:DOCX 页数:2 大小:24.80KB
下载 相关 举报
XX电器股份有限公司X型箱式变电站出厂(例行)检验报告(2023年).docx_第1页
第1页 / 共2页
XX电器股份有限公司X型箱式变电站出厂(例行)检验报告(2023年).docx_第2页
第2页 / 共2页
亲,该文档总共2页,全部预览完了,如果喜欢就下载吧!
资源描述

《XX电器股份有限公司X型箱式变电站出厂(例行)检验报告(2023年).docx》由会员分享,可在线阅读,更多相关《XX电器股份有限公司X型箱式变电站出厂(例行)检验报告(2023年).docx(2页珍藏版)》请在第壹文秘上搜索。

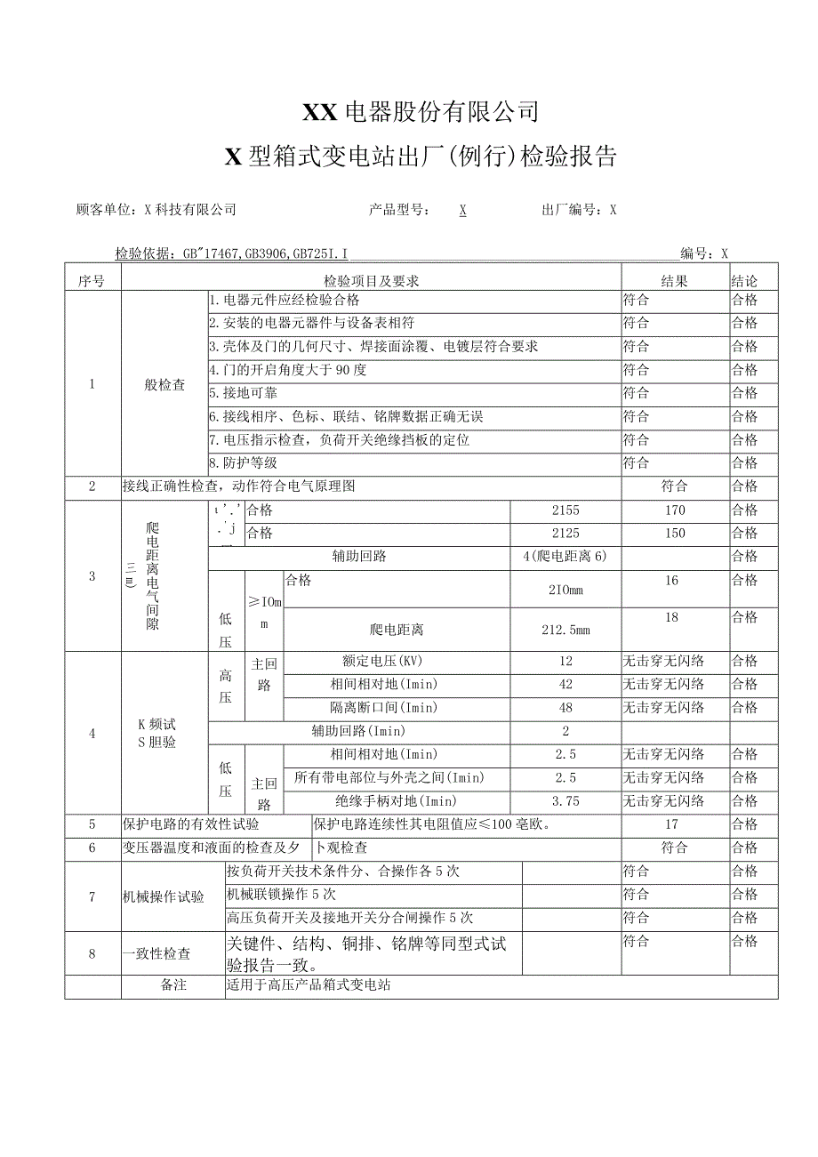
1、XX电器股份有限公司X型箱式变电站出厂(例行)检验报告顾客单位:X科技有限公司产品型号:X出厂编号:X检验依据:GB17467,GB3906,GB725I.I编号:X序号检验项目及要求结果结论1般检查1.电器元件应经检验合格符合合格2.安装的电器元器件与设备表相符符合合格3.壳体及门的几何尺寸、焊接面涂覆、电镀层符合要求符合合格4.门的开启角度大于90度符合合格5.接地可靠符合合格6.接线相序、色标、联结、铭牌数据正确无误符合合格7.电压指示检查,负荷开关绝缘挡板的定位符合合格8.防护等级符合合格2接线正确性检查,动作符合电气原理图符合合格3爬电距离电气间隙三m).j压合格2155170合格合

2、格2125150合格辅助回路4(爬电距离6)合格低压IOmm合格2IOmm16合格爬电距离212.5mm18合格4K频试S胆验高压主回路额定电压(KV)12无击穿无闪络合格相间相对地(Imin)42无击穿无闪络合格隔离断口间(Imin)48无击穿无闪络合格辅助回路(Imin)2低压主回路相间相对地(Imin)2.5无击穿无闪络合格所有带电部位与外壳之间(Imin)2.5无击穿无闪络合格绝缘手柄对地(Imin)3.75无击穿无闪络合格5保护电路的有效性试验保护电路连续性其电阻值应100亳欧。17合格6变压器温度和液面的检查及夕卜观检查符合合格7机械操作试验按负荷开关技术条件分、合操作各5次符合合

3、格机械联锁操作5次符合合格高压负荷开关及接地开关分合闸操作5次符合合格8一致性检查关键件、结构、铜排、铭牌等同型式试验报告一致。符合合格备注适用于高压产品箱式变电站XX电器股份有限公司X型型箱式变电站确认检验报告顾客单位:X科技有限公司产品型号:x出厂编号:X检险依据:GBT17467,GB3906,GB725I.I编号:JL4H)-05序号检验项目及要求结果结论1般检查1.电器元件应经检验合格符合合格2.安装的电器元器件与设备表相符符合合格3.壳体及门的几何尺寸、焊接面涂覆、电镀层符合要求符合合格4.门的开启角度大于90度符合合格5.接地可靠符合合格6.接线相序、色标、联结、铭牌数据正确无误

4、符合合格7.电压指示检查,负荷开关绝缘挡板的定位符合合格8.防护等级符合合格2接线正确性检查,动作符合电气原理图符合合格3爬电距离电气间隙(I)高压合格2155170合格合格125150合格辅助回路4(爬电距离6)合格低压2IOmm合格10mm16合格爬电距离12.5mm18合格4试验工频耐压(KV)高压主回路额定电压(KV)12无击穿无闪络合格相间相对地(Imin)42无击穿无闪络合格隔离断口间(Imin)48无击穿无闪络合格辅助回路(Imin)2低压主回路相间相对地(Imin)2.5无击穿无闪络合格所有带电部位与外壳之间(Imin)2.5无击穿无闪络合格绝缘手柄对地(Imin)3.75无击穿无闪络合格5保护电路的有效性试验保护电路连续性其电阻值应Wloo毫欧。17合格6变压器温度和液面的检查及夕卜观检查符合合格7机械操作试验按负荷开关技术条件分、合操作各5次符合合格机械联锁操作5次符合合格高压负荷开关及接地开关分合闸操作5次符合合格8一致性检查关键件、结构、铜排、铭牌等同型式试验报告一致。符合合格备注适用于高压产品箱式变电站

展开阅读全文
相关资源
猜你喜欢
相关搜索

当前位置:首页 > 管理/人力资源 > 咨询培训

copyright@ 2008-2023 1wenmi网站版权所有

经营许可证编号:宁ICP备2022001189号-1

本站为文档C2C交易模式,即用户上传的文档直接被用户下载,本站只是中间服务平台,本站所有文档下载所得的收益归上传人(含作者)所有。第壹文秘仅提供信息存储空间,仅对用户上传内容的表现方式做保护处理,对上载内容本身不做任何修改或编辑。若文档所含内容侵犯了您的版权或隐私,请立即通知第壹文秘网,我们立即给予删除!