工程建设公司QC小组地铁盾构施工管片衬砌背后注浆质量控制成果汇报书.docx

上传人:p** 文档编号:527786 上传时间:2023-10-15 格式:DOCX 页数:12 大小:320.22KB
下载 相关 举报
工程建设公司QC小组地铁盾构施工管片衬砌背后注浆质量控制成果汇报书.docx_第1页
第1页 / 共12页
工程建设公司QC小组地铁盾构施工管片衬砌背后注浆质量控制成果汇报书.docx_第2页
第2页 / 共12页
工程建设公司QC小组地铁盾构施工管片衬砌背后注浆质量控制成果汇报书.docx_第3页
第3页 / 共12页
工程建设公司QC小组地铁盾构施工管片衬砌背后注浆质量控制成果汇报书.docx_第4页
第4页 / 共12页
工程建设公司QC小组地铁盾构施工管片衬砌背后注浆质量控制成果汇报书.docx_第5页
第5页 / 共12页
工程建设公司QC小组地铁盾构施工管片衬砌背后注浆质量控制成果汇报书.docx_第6页
第6页 / 共12页
工程建设公司QC小组地铁盾构施工管片衬砌背后注浆质量控制成果汇报书.docx_第7页
第7页 / 共12页
工程建设公司QC小组地铁盾构施工管片衬砌背后注浆质量控制成果汇报书.docx_第8页
第8页 / 共12页
工程建设公司QC小组地铁盾构施工管片衬砌背后注浆质量控制成果汇报书.docx_第9页
第9页 / 共12页
工程建设公司QC小组地铁盾构施工管片衬砌背后注浆质量控制成果汇报书.docx_第10页
第10页 / 共12页
亲,该文档总共12页,到这儿已超出免费预览范围,如果喜欢就下载吧!
资源描述

《工程建设公司QC小组地铁盾构施工管片衬砌背后注浆质量控制成果汇报书.docx》由会员分享,可在线阅读,更多相关《工程建设公司QC小组地铁盾构施工管片衬砌背后注浆质量控制成果汇报书.docx(12页珍藏版)》请在第壹文秘上搜索。

1、地铁盾构施工管片衬砌背后注浆质量控制天津公司北京地铁十号线QC小组一、工程概况北京市地铁10号线是北京市2011年重点工程,区间采用盾构法施工。我单位承建的05标段,包括:石榴庄站大红门站角门东站两个盾构区间,石大区间:单线隧道长度1085m,覆土厚度8Um,区间线间距14m。大角区间:单线隧道长度880m,覆土厚度7.814.8m,区间线间距15m。施工范围内地层主要由砂质粉土、粘质粉土、粉质粘土构成;地层较软弱,自稳能力差。区间沿线下穿凉水河及凉水河桥,北京市主干道南苑路、多座居民住宅和市政管线,风险源较多,为确保地表建筑物的安全,不允许地表沉降出现超警戒值的情况发生。二、小组简介QC小组

2、概况表2-1小组名称中煤矿山建设(集团)天津有限公司北京地铁十号线QC小组课题名称地铁盾构施工管片衬砌背后注浆质量控制注册时间2011年1月2日注册号ZMKJ-TJGS-2010-01活动日期2011.1.2-2011.11.23课题类型攻关型编号姓名性别学历职称小组职务小组分工TQC教育1男本科高级工程师组长全面负责人均48小时以上2男博士高级工程师顾问技术咨询3男本科高级工程师顾问技术咨询4男本科助理工程师副组长现场管理5男本科助理工程师组员质量检查6男专科技术员组员现场实施资料收集7男本科助理工程师组员监控量测8男本科技术员组员资料收集9男本科助理工程师组员质量检查三、选题理由一)背后注

3、浆工序的重要性:1及时填充盾尾建筑空隙,有效地控制地表沉降;2凝结的浆液将作为盾构施工隧道的第道防水屏障,增强隧道的防水能力;3为管片提供早期的稳定并使管片与周围土体体化,确保盾构隧道的最终稳定。因此:注浆工序施工质量的优良与否,直接关系到地表沉降的大小和地表建(构)筑的安全。二)规范要求北京市轨道交通隧道工程施工质量验收标准(QGD-007-2005)要求,标准断面区间隧道施工引起的地表沉降控制值为-30+10三三)质量失稳后果严重性若注浆质量控制失稳,地表沉降值超限,将会造成路面开裂,建筑物墙体开裂等质量事故,影响房屋的继续使用,同时给公司带来巨大的抢险经济损失。因此,我小组的选题为:提高

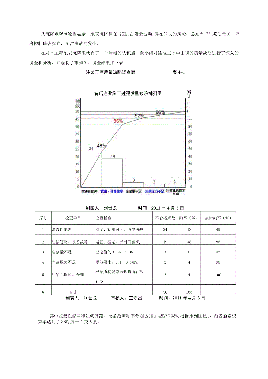
4、背后注浆质量,四、现状调查我小组对本工程百环试验段的地表沉降现状进行了调查分析:百环地表沉降示意图百环沉降值隆起警戒值沉降警戒值-35随机沉降点位制图人:审核人:王守昌从沉降点观测数据显示,地表沉降值在-25Innl附近波动,存在较大的风险,必须严把注浆质量关,严格控制地表沉降,预防事故的发生。在对本工程地表沉降现状有了一个清晰的认识后,我小组对注浆工序中出现的质量缺陷进行了深入的调查和分析,并绘制了排列图。调查结果如下表注浆工序质量缺陷调查表表4-1累计频率Ioo90背后注浆施工过程质量缺陷排列图制图人:刘世龙时间: 2011年4月3日序号检查项目检查指数不合格点数频率()累计频率()1浆液

5、性能差稠度、初凝时间、固结强度2448482注浆管路、设备故障堵管、漏浆、长时间停机1938863注浆量不足理论值的130%180%36924注浆压力不足规范要求:0.10.3MPa24965注浆孔选择不合理根据盾构姿态合理选择注浆孔位241006合计50100制表人:刘世龙审核人:王守昌时间:2011年4月3日其中浆液性能差和注浆管路、设备故障频率分别达到了48%和38%,根据排列图显示,两者的累积频率达到了86%,属于A类因素。五、确定目标质量目标制定为:地表沉降值控制在-20+1OmnU目标依据:城市轨道交通工程测量规范盾构法隧道施工与验收规范北京市轨道交通隧道工程施工质量验收标准六、原

6、因分析小组针对“浆液性能差”和“管路、设备故障”两个主要质量问题进行原因分析,绘制关联图。关联图郴锹格、要求制图人:时间:2011年4月22日七、要因确认根据关联图找出5条末端因素,逐一进行了确认。要因确认一:水泥试验报告粉煤灰实验报告末端因素确认方法情况确认标准负责人完成日期1材料规格、性能不满足要求现场调查查阅资料原材进场规格是否有误,三证是否齐全,二次复试是否合格。表观质量合格,三证齐全,二次亚试合格率100%,刘世龙2011.4.27验证情况:现场检查和查阅材料进场验收记录、试验资料核实,水泥、粉煤灰等原材料产品三证齐全,严格报验,二次复试合格率100%。结论:材料规格性能不满足要求为

7、非要因班前会交底要因确认二:末端因素确认方法情况确认标准负责人完成日期2配合比不满足施工需求现场调查现场试验按配合比拌制的浆液各项物理指标是否符合规范和施工要求。初凝时间、稠度、稳定性应符合规范和施工要求。邹海涛2011.4.25验证情况:现场试验实测浆液稠度为150-16Omm,同时通过现场调查发现,部分管片出现了渗浆,盾尾出现了大量漏浆,浆液稠度过大,不满足工程的施工要求。管片接缝渗浆结论:配合比不满足施工要求为要因。要因确认三:末端因素确认方法情况确认标准负责人完成日期3缺少有效岗前培训教育现场调查是否进行了岗前教育培训,培训效果怎么样。施工人员100%熟悉和掌握浆液拌制和运输施工工艺。

8、李永涛2011.4.25验证情况:我QC小组针对施工人员的施工知识进行了现场调查并随机查阅了人员培训表,班前技术交底记录。项目部对班组全体工人开工前均进行了岗前培训和技术交底,考试合格率100%。结论:缺少岗前教育培训为非要因。要因确认四:末端因素确认方法情况确认标准负责人完成日期4缺少有效技术交底现场调查交底是否针对工序施工要求有效的进行。交底内容按照施工和工艺要求开展进行,符合规范规定及工程实际邹海涛2011.4.25验证情况:技术交底作为质量控制重要的一环,项目部针对工程难点、特点及复杂情况要求QC小组负责人员编制了专项施工技术交底,在技术交底中对浆液拌制,注浆工序等施工过程提出了要求和

9、专项实施方法,具有较强的针对性。结论:缺少岗前教育培训为非要因。要因确认五:末端因素确认方法情况确认标准负责人完成日期5设备维修保养不及时现场调查查看记录注浆管路是否及时清洗,堵管现象是否存在;流量计是否缺少有效的周期检测校核交接班和长时间停机时要及时清洗管道防止堵管,流量计等计量设备要按时检测校准。张国栋2011.4.25验证情况:我QC小组针对现场制浆设备、注浆设备、注浆管路、现场计量设备进行了现场调查,实地察看了设备的完整性并随机查阅了设备运行记录和设备1呆养记录。序号设备名称运行状态运行记录检修保养记录1浆液罐车良好完整按时保养2搅拌站良好完整按时保养3注浆罐良好完整按时保养4注浆泵良

10、好完整按时保养5注浆管路较好完整堵管检修频次较高6流量计较好不完整保养频次不足堵管将造成注浆不能及时进行,增加建筑空隙的暴露时间,增加地表沉降的风险;流量计无日常保养直接影响到拌制浆液的配合比稳定性和浆液工程性能。结论:设备维修保养不及时为要因。八、制定对策针对两条主要要因,我QC小组根据5W1H的原则,进一步研究对策,采取措施,并明确专人负责,具体对策如下表。序号要因对策目标措施地点完成时间责任人1配合比不满足施工要求通过实验优化配合比1、胶凝时间:初凝56h,2、固结体强度:24h达到0.3MPa,3、稠度:9Ilcm1、根据工程需要选定合理的浆液初凝时间、稠度。2、通过实验来确定最优配合

11、比。现场2011.5.102设备维修保养不及时加强设备的管理运维现场设备运行状态的良好率达到95%以上。1、制定现场设备的维修保养计划。2、严格执行机电员日常巡视制度。现场2011.5.10制表人:邹海涛审核人:王守昌时间:2011年5月10日九、对策实施实施一:优化和选定浆液的初凝时间、稠度,改善同步浆液配比。1、根据地质情况和不同状态浆液的填充机理来确定稠度按照浆液的稠度大小我们将浆液状态分为流体状态和可塑状态两大类。图例:第一批进入的浆液第二批注入的浆液第三批注入的浆液没有充填到的部位流体状态浆液填充机理示意图(稠度14Omm)处于流体状态的浆液,由于浆液稠度大,流动性好,第一批注入的浆

12、液平缓的流动充填到前方,第二批注入的浆液流动、同时推压第一批注入的的浆液,逐渐充填到前方的形态。优点:可均匀的填充地层缺点:初凝时间较长由于初凝时间长,所以适用地质:地质较硬,有自稳能力的岩层图例:第一批进入的浆液第二批注入的浆液第三批注入的浆液没有充填到的部位可塑态浆液填充机理示意图(90Inm稠度14Omnl)处于可塑状态的浆液由于浆液稠度小,流动性较小,第批注入的浆液在局部充分有效的填充地层,第二批注入的浆液压送第一批注入的浆液向前移动填充,形成前注浆液被后注浆液压送到前方,从后面压入,逐渐向前移动直到完全填充。优点:可及时的加固地层缺点:稠度小,易堵管由于可以及时的加固地层,因此适用于

13、:地质较软弱,自稳能力较差的岩层。两者比较我们得出结论一:选择稠度小的配比,使浆液处于可塑形态,更有利于及时的加固地层,减小地表沉降的风险。2、根据地质情况确定初凝时间浆液最佳才刃凝时间、最佳稠度分析表49-1序号地质注浆第一需求最佳初凝时间最佳稠度1较坚硬,有一定自稳能力的岩层均匀的填充地层12-30h140-160mm2较软弱,自稳能力较差的岩层及时的加固地层,增强地层的稳定性5-7h90-140m制表人;审核人:王守昌时间:2011年5月15日本工程施工范围内的地层属于软弱性,综上所述,我们得到结论二:选择初凝时间短的配比,提升浆液的早起强度,更有利于及时的加固地层,减小地表沉降的风险。结合以上论证,我们最终选定,浆液初凝时间控制在5-7h,稠度控制在90140mm。3、改善同步浆液配比1、将同步浆液等级优化为M2.5,原材料矿渣水泥更换为普通硅酸盐水泥P.o42.5,选用一级粉煤灰和含泥量小的中粗砂。2、提高水泥用量,降低初凝时间,提高早期强度。3、通过实验确定最优配合比。材料水泥砂水粉煤灰膨润土外加剂单位(Kg)160750520340100按需要根

展开阅读全文
相关资源
猜你喜欢
相关搜索

当前位置:首页 > 论文 > 期刊/会议论文

copyright@ 2008-2023 1wenmi网站版权所有

经营许可证编号:宁ICP备2022001189号-1

本站为文档C2C交易模式,即用户上传的文档直接被用户下载,本站只是中间服务平台,本站所有文档下载所得的收益归上传人(含作者)所有。第壹文秘仅提供信息存储空间,仅对用户上传内容的表现方式做保护处理,对上载内容本身不做任何修改或编辑。若文档所含内容侵犯了您的版权或隐私,请立即通知第壹文秘网,我们立即给予删除!