5.联络通道施工安全技术交底√√.docx

上传人:p** 文档编号:530911 上传时间:2023-10-16 格式:DOCX 页数:13 大小:94.54KB
下载 相关 举报
5.联络通道施工安全技术交底√√.docx_第1页
第1页 / 共13页
5.联络通道施工安全技术交底√√.docx_第2页
第2页 / 共13页
5.联络通道施工安全技术交底√√.docx_第3页
第3页 / 共13页
5.联络通道施工安全技术交底√√.docx_第4页
第4页 / 共13页
5.联络通道施工安全技术交底√√.docx_第5页
第5页 / 共13页
5.联络通道施工安全技术交底√√.docx_第6页
第6页 / 共13页
5.联络通道施工安全技术交底√√.docx_第7页
第7页 / 共13页
5.联络通道施工安全技术交底√√.docx_第8页
第8页 / 共13页
5.联络通道施工安全技术交底√√.docx_第9页
第9页 / 共13页
5.联络通道施工安全技术交底√√.docx_第10页
第10页 / 共13页
亲,该文档总共13页,到这儿已超出免费预览范围,如果喜欢就下载吧!
资源描述

《5.联络通道施工安全技术交底√√.docx》由会员分享,可在线阅读,更多相关《5.联络通道施工安全技术交底√√.docx(13页珍藏版)》请在第壹文秘上搜索。

1、附件2安全技术交底交底等级三级交底交底编号III-OOl单位工程XX区间工程分部工程联络通道兼泵房交底名称冻结法联络通道施工交底日期年月日交底人分部分项工程主管工程师(签字)审核人工程部长(签字)批准人总工程师(签字)被交底人班组长及全部作业人员(签字,可附签字表)交底内容:1.施工任务惠民家园站新城区客运站区间,出惠民家园站后沿利民路向东敷设,穿惠民家园三期与迎宾大道至新城区客运站,区间在左DK24+009.485(右DK24+013.833)位置处设置一座1#联络通道兼泵房;1#联络通道兼泵房采用冻结法加固,处理后的岩体渗透系数须WLOXl()7cms,并备用2口降水井。结构为复合式衬砌,

2、拱顶埋深22.4m,采用台阶法开挖。横通道开挖尺寸:宽X高为4.3mX4.9m,净长度为4.99m;泵房开挖尺寸:宽X高为4.3mX3.7m,净长度为5.1m;拱部为弧形,直边墙衬砌,初期支护拱部、边墙、底板厚度250m,二次衬砌拱部、边墙、泵房底板厚度400mm。横通道正中间设置2扇防火门,防火门尺寸:宽X高为L05mX2.Irn,直边墙衬砌。联络通道所处地层主要为(5)3a-4c含砂姜黏土层。1#联络通道兼泵房布置冻结孔总数91个(左线32个,右线59个),测温孔8个,泄压孔4个,冻结管总长度637.936m,冻结排管长度153.6m,冻结孔允许偏斜150mm,冻结孔成孔控制间距L2m,积

3、极冻结时间不少于42天,冻结帷幕交圈时间2023天,冻结帷幕设计厚度2.3m。2.工艺流程施工前准备工作一冻结系统安装一钻机定位、钻孔一冻结管测斜、打压一冻结器安装一冻结系统调试、积极冻结一钢管片焊接、隧道预应力支架、防护门安装一开管片、试挖一维护冻结一通道开挖、初期支护一通道防水施工一通道结构施工一泵房开挖、初期支护一泵房防水施工一泵房结构施工一融沉注浆竣工验收。3.作业要点3.1施工准备(1)技术准备图纸会审及设计交底。在正式施工前必须做好充分的准备工作,从施工人员、设备、材料、技术等方面进行全面的准备、组织,施工队伍先进行自检,合格后报项目部审查,然后报监理单位审批,通过后方可正式开工。

4、及时统计材料、构配件数量、规格、型号,提出材料设备的需用计划。根据设计要求及施工工艺,委托实验室进行各种强度等级险配合比的设计、试验和优化,以满足施工要求。(2)现场准备现场供、排水系统:从施工现场的施工用水接驳口接一路供水路至联络通道位置,供钻孔和冻结施工用,水管规格2寸,供水能力不小于IOm/ho现场排水经沉淀后排出到指定的地方,严禁将泥浆排放在排水系统内。临时供电系统:冻结法联络通道施工总体用电功率约300KW。沿隧道敷设的电缆采用绝缘挂钩固定。电缆穿过施工道路时,采用埋地或架空铺设,在隧道内沿管片架高布置。3.2冻结孔施工先施工透孔,根据穿透孔的偏差,进一步调整有关的钻进参数。然后根据

5、联络通道兼泵房施工的孔位,采用由下向上的顺序进行施工,这样可防止因下层冻结孔的施工引起上部地层扰动,减小钻孔施工时的事故发生率。冻结孔的定位:依据施工基准点,按冻结孔施工图进行冻结孔孔位放线,孔位布置首先要依据管片配筋图和钢管片加强筋的位置,在避开主筋、管缝、螺栓及钢管片肋板的前提下可适当调整,不大于150mm.硅管片上:首先注意砂管片内受力钢筋干涉时,调整孔位。选用J-200型金刚石钻机,配中13Omm金刚石取芯钻头按设计角度开孔,当开到深度30Omnl时停止钻进(管片要留50mm以上的保护层),用钢楔楔断岩心,取出后安装孔口管。孔口管用中130X5mm无缝钢管加工,长度350Innb头部加

6、工20Onlm长的鱼鳞扣。孔口管的安装方法:首先将孔口处凿平,安好四个膨胀螺丝,而后在孔口管的鱼鳞扣上缠好麻丝或棉丝等密封物,将孔管夯入,用膨胀螺丝上紧,上紧后,再去掉螺母,装上DN125球阀,再将球阀打开,用Ilomm金刚石钻头从闸阀内开孔,一直将碎管片开穿,如地层内的水砂流量大,就及时关好闸门。钢管片上:在钢管片焊好孔口管,将钢管片格仓用混凝土充填密实,再用IOmm厚月牙钢板将孔口管包住焊接封闭,在孔口管上接好球阀,用钻机接上金刚石钻头,从球阀内切割钢管片钻进。冻结孔开孔及孔口密封装置:用螺丝将孔口装置装在闸阀上,注意加好密封垫片。当第一个孔开通后,没有涌水涌砂可继续钻进,但以后钻孔仍要装

7、孔口装置,以防突发涌水涌砂现象出现;若涌水涌砂较厉害,还需注水泥浆(或双液浆)止水。钻孔质量技术要求:(1)首先施工透孔以复核对侧隧道预留口位置的偏差及钻孔施工质量,如大于IoOmm按保证冻结壁设计的厚度的原则对冻结孔布置进行调整。(2)冻结孔钻进深度不小于设计深度。钻头碰到隧道管片的冻结孔除外。(3)钻孔的偏斜控制在15OnInl以内。(4)冻结孔超出最大允许间距的,进行补孔或作延长冻结时间进行处理。(5)冻结管长度和偏斜合格后再进行打压试漏,压力控制在0.81.0MPa,前15分钟压力损失小于0.05MPa,后30分钟压力稳定无变化者为试压合格。试压不合格的,拔出冻结管进行重新钻孔,或下套

8、管进行处置。(6)施工冻结孔时的土体流失量不得大于冻结孔体积,否则进行及时注浆控制地层沉降。33冻结施工(1)积极冻结设备安装完毕后进行调试和试运转。在试运转时,要随时调节压力、温度等各状态参数,使机组在有关工艺规程和设备要求的技术参数条件下运行。在冻结过程中,每天检测盐水温度、盐水流量和冻土壁扩展情况,必要时调整冻结系统运行参数。冻结系统运转正常后进入积极冻结。要求7天盐水温度降至-20以下,积极冻结15天盐水温度降至-24C以下,去回路温差不大于2C;开挖前盐水温度降至-28C以下。每天检测测温孔温度,并根据测温数据,分析冻结壁的扩展速度和厚度,预计冻结壁达到设计厚度时间。(2)维护冻结在

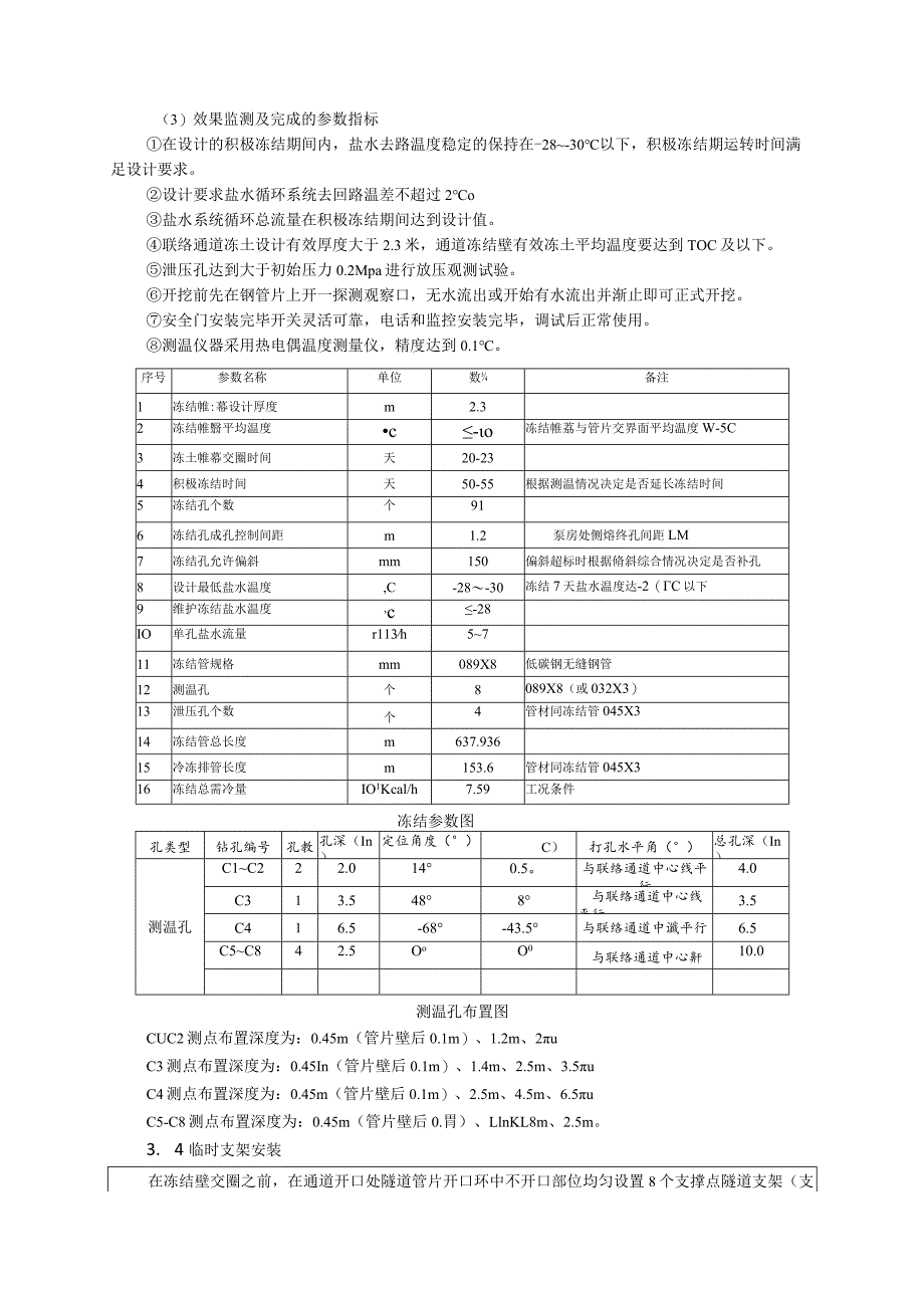
9、积极冻结过程中,要根据实测温度资料判断冻结帷幕是否交圈和达到设计厚度,同时要监测冻结帷幕与隧道的胶结情况,测温判断冻结帷幕交圈并达到设计厚度且与隧道完全胶结后,可进入维护冻结阶段。维护冻结期温度为不低于-28,冻结时间贯穿联络通道及泵房开挖和主体结构施工始终。(3)效果监测及完成的参数指标在设计的积极冻结期间内,盐水去路温度稳定的保持在-28-30以下,积极冻结期运转时间满足设计要求。设计要求盐水循环系统去回路温差不超过2o盐水系统循环总流量在积极冻结期间达到设计值。联络通道冻土设计有效厚度大于2.3米,通道冻结壁有效冻土平均温度要达到TOC及以下。泄压孔达到大于初始压力0.2Mpa进行放压观

10、测试验。开挖前先在钢管片上开一探测观察口,无水流出或开始有水流出并渐止即可正式开挖。安全门安装完毕开关灵活可靠,电话和监控安装完毕,调试后正常使用。测温仪器采用热电偶温度测量仪,精度达到0.1。序号参数名称单位数备注1冻结帷:幕设计厚度m2.32冻结帷翳平均温度c-o冻结帷荔与管片交界面平均温度W-5C3冻土帷幕交圈时间天20-234积极冻结时间天50-55根据测温情况决定是否延长冻结时间5冻结孔个数个916冻结孔成孔控制间距m1.2泵房处侧熔终孔间距LM7冻结孔允许偏斜mm150偏斜超标时根据脩斜综合情况决定是否补孔8设计最低盐水温度,C-28-30冻结7天盐水温度达-2(C以下9维护冻结盐

11、水温度,c-28IO单孔盐水流量r113h5711冻结管规格mm089X8低碳钢无缝钢管12测温孔个8089X8(或032X3)13泄压孔个数个4管材同冻结管045X314冻结管总长度m637.93615冷冻排管长度m153.6管材同冻结管045X316冻结总需冷量IO1Kcal/h7.59工况条件冻结参数图孔类型钻孔编号孔教孔深(In)定位角度()C)打孔水平角()总孔深(In)测温孔C1C222.0140.5。与联络通道中心线平行4.0C313.5488与联络通道中心线平行3.5C416.5-68-43.5与联络通道中谶平行6.5C5C842.5OoO0与联络通道中心鼾行10.0测温孔布置

12、图CUC2测点布置深度为:0.45m(管片壁后0.1m)、1.2m、2uC3测点布置深度为:0.45In(管片壁后0.1m)、1.4m、2.5m、3.5uC4测点布置深度为:0.45m(管片壁后0.1m)、2.5m、4.5m、6.5uC5-C8测点布置深度为:0.45m(管片壁后0.胃)、LlnKL8m、2.5m。3. 4临时支架安装在冻结壁交圈之前,在通道开口处隧道管片开口环中不开口部位均匀设置8个支撑点隧道支架(支撑点的支撑能力不小于500KN/点),以减轻联络通道开挖构筑施工对隧道产生不利的影响。安装方法:在区间隧道上、右线联络通道开口两侧各架两幅,共四榴,并在联络通道两端沿隧道方向对称

13、布置,每幅支架有8个支点,由5个50t螺旋式千斤顶提供预应力,施加预应力时每个千斤顶要同时慢慢平稳加压,每个千斤顶以压实支撑点为宜。安全应急门是安装在开挖侧隧道预留洞口上,门四周与钢管片满焊密封,并配备风量不小于6m3min的空压机为防护门供气。安全门在开管片前安装,安装后进行耐压密封实验,先向防护门内注满水,再用空压机加压,在不停止空压机时,压力能保持在设计试验值为合格。安全应急门是防止开挖过程中发生位移变形超值,或冒泥、涌水,其它措施抢救无效的情况下,为确保隧道安全而使用的。根据结构施工图要求,设计安全应急门。3.5 开挖施工(1)开挖方式联络通道及泵站开挖构筑施工占用一侧隧道,在联络通道

14、开口处搭设工作平台,利用隧道作为排渣及材料运输通道。经冻结加固分析冻结壁达到设计要求,探孔试挖确认可以进行正式开挖后,打开钢管片,进行矿山法施工。开挖构筑施工工序为:施工准备一开挖侧开洞门一通道开挖和初期支护一喇叭口开挖(刷大)和初期支护一对面隧道侧开洞门f防水层施工f钢筋绑扎、预埋件安设f立模一混凝土浇筑一(泵房开挖和初期支护f泵房防水层施工一泵房钢筋绑扎、预埋件安设一混凝土浇筑一养护。)开挖掘进采用人工风镐挖掘,短掘短砌技术,开挖步距控制在0.5m,在掘进施工中根据揭露土体的加固效果,以及监控监测信息,及时调整开挖步距和支护强度,确保安全施工。土方开挖按照前面提到施工顺序进行。由于土体采用冻结法加固,冻土强度较高,冻结帷幕承载能力大,因而开挖时可以采用全断面一次开挖。(2)支护方式采用两次支护方式。第一次支护(临时支护)采用16#工字钢加钢筋网片,再喷射碎。第二次支护(永久支护)采用现浇钢筋混凝土。永久支护为结构设计中的钢筋砂结构,为减少碎施工接缝,联络通道开挖及临时支护完成后,一次连续进行分部浇筑。临时支护中喷射碎是很关键的一个工序,为减少回弹量,提高喷射碎质量,拟采用湿喷工艺。3.6 防水施工(1)遇水膨胀橡胶条及注浆管施工钢管片与支护层和结构层的接缝处设置兜绕成环的遇水膨胀橡胶条和预埋注浆管。喇叭口部位全部刷扩至设计尺寸,临时支护完成后,即可进行橡胶条施工。

展开阅读全文
相关资源
猜你喜欢
相关搜索

当前位置:首页 > 建筑/环境 > 设计及方案

copyright@ 2008-2023 1wenmi网站版权所有

经营许可证编号:宁ICP备2022001189号-1

本站为文档C2C交易模式,即用户上传的文档直接被用户下载,本站只是中间服务平台,本站所有文档下载所得的收益归上传人(含作者)所有。第壹文秘仅提供信息存储空间,仅对用户上传内容的表现方式做保护处理,对上载内容本身不做任何修改或编辑。若文档所含内容侵犯了您的版权或隐私,请立即通知第壹文秘网,我们立即给予删除!