桂花园进口喷射砼技术交底017.docx

上传人:p** 文档编号:532856 上传时间:2023-10-17 格式:DOCX 页数:7 大小:58.91KB
下载 相关 举报
桂花园进口喷射砼技术交底017.docx_第1页
第1页 / 共7页
桂花园进口喷射砼技术交底017.docx_第2页
第2页 / 共7页
桂花园进口喷射砼技术交底017.docx_第3页
第3页 / 共7页
桂花园进口喷射砼技术交底017.docx_第4页
第4页 / 共7页
桂花园进口喷射砼技术交底017.docx_第5页
第5页 / 共7页
桂花园进口喷射砼技术交底017.docx_第6页
第6页 / 共7页
桂花园进口喷射砼技术交底017.docx_第7页
第7页 / 共7页
亲,该文档总共7页,全部预览完了,如果喜欢就下载吧!
资源描述

《桂花园进口喷射砼技术交底017.docx》由会员分享,可在线阅读,更多相关《桂花园进口喷射砼技术交底017.docx(7页珍藏版)》请在第壹文秘上搜索。

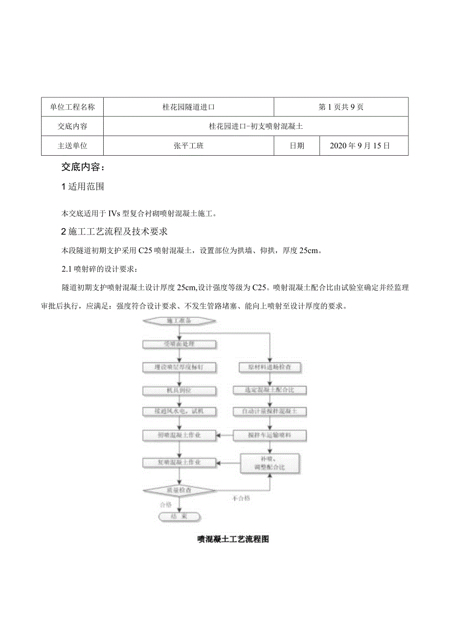
1、单位工程名称桂花园隧道进口第1页共9页交底内容桂花园进口-初支喷射混凝土主送单位张平工班日期2020年9月15日交底内容:1适用范围本交底适用于IVs型复合衬砌喷射混凝土施工。2施工工艺流程及技术要求本段隧道初期支护采用C25喷射混凝土,设置部位为拱墙、仰拱,厚度25cm。2.1喷射碎的设计要求:隧道初期支护喷射混凝土设计厚度25cm,设计强度等级为C25。喷射混凝土配合比由试验室确定并经监理审批后执行,应满足:强度符合设计要求、不发生管路堵塞、能向上喷射至设计厚度的要求。单位工程名称桂花园隧道进口第1页共9页交底内容桂花园进口-初支喷射混凝土主送单位张平工班日期2020年9月15日交底内容:

2、2.2喷射碎的施工:隧道初期支护喷射混凝土采用湿喷工艺。喷射混凝土在1#拌合站拌和,由混凝土搅拌运输车运至洞内,采用湿喷机喷射作业。在隧道开挖完成后,先喷射4cm厚混凝土封闭岩面,然后架立钢架、挂钢筋网,对初喷岩面进行清理后复喷至设计厚度。喷射前准备:(1)喷射前应对受喷岩面进行处理。岩面用高压水冲洗受喷岩面的浮尘、岩屑,当岩面遇水容易潮解、泥化时,采用高压风吹净岩面。(2)设置控制喷射混凝土厚度的标志,采用埋设钢筋头做标志,在每个工作循环选一个断面,从拱顶起,每隔2m布设一个标志点,作为施工控制用。(3)检查机具设备和风、水、电等管线路,湿喷机就位,调试湿喷机试运转。选用的空压机应满足喷射机

3、工作风压和耗风量的要求;压风进入喷射机前必须进行油水分离;输料管应能承受O.8MPa以上的压力,并应有良好的耐磨性能;保证作业区内具有良好通风和照明条件;喷射作业的环境温度不得低于5。(4)若遇受喷面有涌水、渗水或潮湿的岩面,喷射前进行处理:大股涌水采用注浆堵水后再喷射混凝土;小股水或裂隙渗漏水采用岩面注浆或导管引排后再喷射混凝土;大面积潮湿的岩面采用粘结性强的混凝土,如添加外加剂、掺合料以改善混凝土的性能。2.3混凝土搅拌、运输湿喷碎搅拌采取全自动计量强制式搅拌机,施工配料严格按配合比进行操作,速凝剂在喷射机喂料时加入。运输采用碎运输罐车,随运随拌。在运输过程中,要防止混凝土离析、水泥浆流失

4、、坍落度变化以及产生初凝等现象。单位工程名称桂花园隧道进口第1页共9页交底内容桂花园进口-初支喷射混凝土主送单位张平工班日期2020年9月15日交底内容:2.4喷射碎作业:(1)喷射操作程序为:打开速凝剂辅助风一缓慢打开主风阀一启动速凝剂计量泵、主电机、振动器一向料斗加混凝土(掺入速凝剂,速凝剂掺量为22.25kg113)(2)喷射混凝土作业应采用分段、分片、分层依次进行,喷射顺序应自下而上,分段长度不宜大于6m。分层喷射时,后一层喷射应在前一层混凝土终凝后进行,若终凝Ih后再进行喷射时,应先用风水清洗喷层表面。边墙一次喷射混凝土厚度不得超过15cm,拱部不得超过IOCnb并保持喷层厚度均匀。

5、喷射时先将低洼处大致喷平,再自下而上顺序分层、往复喷射。(3)喷射速度要适当,以利于混凝土的压实。风压过大,喷射速度增大,回弹增加;风压过小,喷射速度过小,压实力小,影响喷混凝土强度。因此在开机后要注意观察风压,起始风压达到0.5MPa后,才能开始操作,并据喷嘴出料情况调整风压。一般工作风压:边墙0.30.5MPa,拱部0.4-0.65MPao(4)喷射时使喷嘴与受喷面间保持适当距离,喷射角度尽可能接近90,以使获得最大压实和最小回弹。喷嘴与受喷面间距宜为1.5-1.8m;喷嘴应连续、缓慢作横向环行移动,单位工程名称桂花园隧道进口第1页共9页交底内容桂花园进口-初支喷射混凝土主送单位张平工班日

6、期2020年9月15日交底内容:一圈压半圈,喷射手所画的环形圈,横向4060cm,高1520cm;若受喷面被钢架、钢筋网覆盖时,可将喷嘴稍加偏斜,但不宜小于70,如果喷嘴与受喷面的角度大小,会形成混凝土物料在受喷面上的滚动,产生出凹凸不平的波形喷面,增加回弹量,影响喷混凝土的质量。2.5喷射碎的养护:喷射混凝土终凝2小时后,应进行养护。养护时间不小于14d。当气温低于+5C时,不得洒水养护。3施工控制要点3.1 喷射混凝土原材料先检验合格后才能使用,速凝剂应妥善保管,防止受潮变质。严格控制拌合物的水灰比,经常检查速凝剂注入环的工作状况。喷射混凝土的坍落度宜控制在IOonUn14Omm。喷射过程

7、中应及时检查混凝土的回弹率和实际配合比。喷射混凝土的回弹率:侧壁不应大于15%,拱部不应大于25%o3.2 喷射混凝土拌合物的停放时间不得大于30min3.3 喷射碎的回弹料严禁重复使用。3.4 必须在隧道开挖后及时进行施作。喷射混凝土严禁选用具有潜在碱活性骨料。喷混凝土厚度应预埋厚度控制标志,严格控制喷射碎的厚度。3.5 喷射前应仔细检查喷射面,如有松动土块应及时处理。喷射机应布置在安全地带,并尽量靠近喷射部位,便于掌机人员与喷射手联系,随时调整工作风压。3.6 喷射完成后应检查喷射混凝土与岩面粘结情况,可用锤敲击检查。同时测量其平整度和断面,并将此断面与开挖断面对比,确认喷射碎厚度是否满足

8、设计和规范要求。当有空鼓、脱壳时,应及时凿除,冲洗干净进行重喷,或采用压浆法充填。单位工程名称桂花园隧道进口第1页共9页交底内容桂花园进口-初支喷射混凝土主送单位张平工班日期2020年9月15日交底内容:3.7 在喷射侧壁下部时,需将上半断面喷射时的回弹物清理干净,防止将回弹物卷入下部喷层中形成“蜂窝”而降低支护强度。3.8 经常检查喷射机出料弯头、输料管和管路接头,发现问题及时处理。管路堵塞时,必须先关闭主机,然后才能进行处理。3.9 喷射完成后应先关主机,再依次关闭计量泵、震动棒和风阀,然后用清水将机内、输送管路内残留物清除干净。4质量控制要求4.1喷射混凝土应采用硅酸盐水泥或普通硅酸盐水

9、泥。4.2喷射混凝土采用强制式搅拌机搅拌,搅拌时间不小于1.5分钟。4.3喷射混凝土回弹料严禁重复使用。4.4隧道开挖后及时初喷混凝土,混凝土终凝到下一循环爆破作业间隔大于3ho4.5喷射混凝土所用细骨料细度模数应大于2.5,含泥量应不大于3%,泥块含量应不大于0.5%o4.6喷混凝土所用粗骨料最大粒径不宜大于16mmo4.7喷射混凝土拌和用水采用饮用水。4.8C25喷射混凝土24小时强度应不小于IOMPao4.9喷射混凝土终凝2h后进行养护,养护时间不少于14天。4.10喷射混凝土应与围岩、钢架、钢筋网结合紧密,背后无空洞、无杂物。4.11喷射混凝土表面应密实、平整,无裂缝、脱落、漏喷、漏筋

10、、空鼓。5安全要求5.1喷射混凝土时,所有操作工人必须带安全帽,防尘口罩,防尘工作服,雨靴,橡胶手套。单位工程名称桂花园隧道进口第1页共9页交底内容桂花园进口-初支喷射混凝土主送单位张平工班日期2020年9月15日交底内容:5.2喷射混凝土作业前应清除工作面松动的岩石,确认作业区无塌方、落石等危险源存在。5.3非施工人员不得进入正在进行喷射混凝土的作业区,施工中喷嘴前严禁站人。5. 4喷射手,控制好风压、喷射距离,避免回弹骨料伤人。5.5 喷射混凝土施工中应经常检查输料管、接头的使用情况,当有磨损、击穿或松脱时应及时处理。5.6 安全员应随时观察地质变化,发现有松动滑块现象,应立即撤离工作面。

11、5.7 喷浆结束后,应清洗喷射机及管路,避免堵管炸裂伤人。6环水保要求6.1喷射作业时必须佩戴防护用品(防尘口罩,防尘工作服,雨靴,橡胶手套等)。6.2喷射碎施工完成后现场废弃料收集到一起,运弃至指定位置。6.3施工中产生的废水集中排放至洞口沉淀池,避免造成环境污染。编制:复核:签收:年月日三级技术交底记录工程名称桂花园进口交底编号YQ7BYGQ-GHYS-O17交底部位及范围桂花园进口-喷射混凝土交底时间2020年9月15日交底地点桂花园进口交底主要内容及事项桂花园隧道进口,喷射混凝土工艺,质量要求交底组织人交底人接受交底人员单位、部门或工种签名单位、部门或工种签名结果1 .对交底内容理解程度。完全理解基本理解口没有理解2 .交底文件签收。口交底书口施组口专项方案口其它接受交底单位或部门负责人(代表)签字:注:1.交底书等应与此表一起签字、留存。2.签收人员均视为理解交底内容。若超过一半的人员没有理解时需填写“没有理解”,需重新组织交底;没有“完全理解”但是有超过一半人员理解时需填写“基本理解”,由接受交底单位负责人向未能理解的人员进行二次交底,并将重新交底的签收记录交项目部留存。

展开阅读全文
相关资源
猜你喜欢
相关搜索

当前位置:首页 > 办公文档 > 工作总结

copyright@ 2008-2023 1wenmi网站版权所有

经营许可证编号:宁ICP备2022001189号-1

本站为文档C2C交易模式,即用户上传的文档直接被用户下载,本站只是中间服务平台,本站所有文档下载所得的收益归上传人(含作者)所有。第壹文秘仅提供信息存储空间,仅对用户上传内容的表现方式做保护处理,对上载内容本身不做任何修改或编辑。若文档所含内容侵犯了您的版权或隐私,请立即通知第壹文秘网,我们立即给予删除!