(吊车司机)三级技术(安全技术)交底.docx

上传人:p** 文档编号:534323 上传时间:2023-10-17 格式:DOCX 页数:23 大小:359.41KB
下载 相关 举报
(吊车司机)三级技术(安全技术)交底.docx_第1页
第1页 / 共23页
(吊车司机)三级技术(安全技术)交底.docx_第2页
第2页 / 共23页
(吊车司机)三级技术(安全技术)交底.docx_第3页
第3页 / 共23页
(吊车司机)三级技术(安全技术)交底.docx_第4页
第4页 / 共23页
(吊车司机)三级技术(安全技术)交底.docx_第5页
第5页 / 共23页
(吊车司机)三级技术(安全技术)交底.docx_第6页
第6页 / 共23页
(吊车司机)三级技术(安全技术)交底.docx_第7页
第7页 / 共23页
(吊车司机)三级技术(安全技术)交底.docx_第8页
第8页 / 共23页
(吊车司机)三级技术(安全技术)交底.docx_第9页
第9页 / 共23页
(吊车司机)三级技术(安全技术)交底.docx_第10页
第10页 / 共23页
亲,该文档总共23页,到这儿已超出免费预览范围,如果喜欢就下载吧!
资源描述

《(吊车司机)三级技术(安全技术)交底.docx》由会员分享,可在线阅读,更多相关《(吊车司机)三级技术(安全技术)交底.docx(23页珍藏版)》请在第壹文秘上搜索。

1、技术交底记录工程名称天津地铁8号线一期工程湘江道站土城站区间明挖停车线交底单位中国铁建大桥工程局集团有限公司施组总设计交底口单位工程施组交底施工方案交底口专项施工方案交底回施工作业交底口其他交底部位主体基坑开挖过程中钢支撑安拆接受交底范围吊车司机交底内容:1、分部分项工程概况及施工任务1.1工程概况湘江道站土城站区间明挖停车线位于解放南路与湘江道交口处南侧,停车线主体沿解放南路设置,为地下两层结构,设计起讫里程为ZDK26+726.146ZDK27+08L925,YDK26+726.146YDK27+078.106,左线中心线长355.779m,右线中心线长351.960m。停车线东侧设置一处

2、区间风亭。停车线线路平面两端为直线,中间为曲线,主体结构直线标准段宽度2L8m,曲线段结构宽度23.05mo结构竖向沿线路左线中心线由小里程向大里程2%。降坡。基坑开挖范围周长约为770m,面积约为8059m。停车线主体结构采用明挖法施工,小里程端接顶管隧道,为双线顶管始发井;大里程端区间隧道采用盾构法施工,为双线盾构接收井。停车线标准段顶板覆土约4.46m。主体基坑标准段开挖深度约20.38m,小里程顶管井基坑开挖深度约21.734m,大里程盾构井基坑开挖深度约22.246m。明挖停车线平面图主体围护结构采用地下连续墙及基坑内支撑的形式作为支护,内支撑形式为:竖向设置5道支撑(1道混凝土撑+

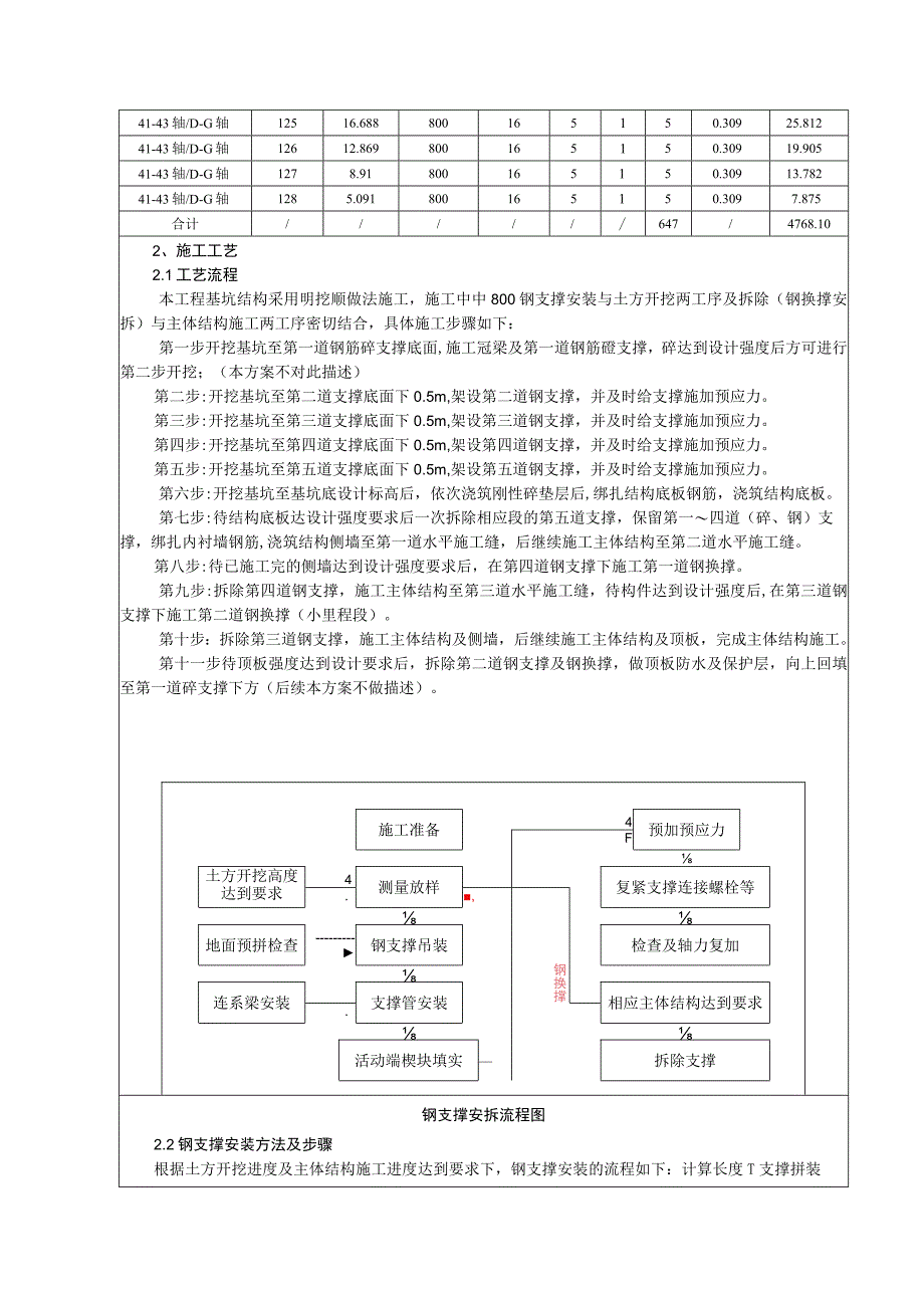
3、4道钢支撑)+1道换撑(小里程AC轴部分为2道换撑),本方案中的起重吊装及安拆主要为内支撑中的钢支撑及换撑。基坑标准段及小里程段断面图所用钢支撑采用800(t=16mmt=20mm)钢支撑,钢支撑标准节长6m。拟采用1台25吨汽车吊地面吊运短节钢支撑拼装,整体拼装到设计尺寸(含活络头与固定端)后由1台Ioot汽车吊整体吊装就位。标准段及端头加宽段钢支撑长度计参数见下节所示。1.2施工任务根据主体基坑图纸及变更图纸,主要钢支撑的量如下;支撑位置编号支撑长度(mm)直径(mm)壁厚(mm)支撑道数每道根数总根数每延米重量总篁*(D13轴/D-G轴14.808800165150.3097.4371-

4、3轴/D-G轴28.485800165150.30913.1241-3轴/D-G轴312.162800166160.30922.5741-3轴/D-G轴414.849800166160.30927.5621-3轴/D-G轴517.253800166160.30932.0241-3轴/A-D轴65.657800166160.30910.5001-3轴/A-D轴79.899800166160.30918.3741-3轴/A-D轴813.718800166160.30925.4621-3轴/A-D轴916.971800166160.30931.5003/3轴10-3421.8800165251250

5、.309842.98913/7轴35-4522.615800205Il550.385478.52417轴/8轴4622.605800205150.38543.48317轴-18轴4722.615800205150.38543.50217轴-18轴4822.641800205150.38543.55217轴“8轴4922.683800205150.38543.63317轴“8轴5022.741800205150.38543.74517轴-18轴5122.815800205150.38543.88717轴-18轴5222.892800205150.38544.03518-31轴5322.99680

6、0205150.38544.23518-31轴54-8223.058800205291450.3851286.27531-32轴8323.058800205150.38544.35431-32轴8422.996800205150.38544.2353132轴8522.892800205150.38544.0353L32轴8622.815800205150.38543.8873132轴8722.741800205150.38543.74531-32轴8822.683800205150.38543.63331-32轴8922.641800205150.38543.55231-32轴9022.615

7、800205150.38543.50231-32轴9122.605800205150.38543.48332-33轴92-10222.60580020511550.38547831233-41轴103-11921.80580016517850.309573.36441-43轴12026.4800165150.30940.83541-43轴/A-D轴12116.68880016515030925.81241-43轴/A-D轴12212.869800165150.30919.90541-43轴/A-D轴1238.91800165150.30913.78241-43轴/A-D轴1245.091800

8、165150.3097.87541-43轴/D-G轴12516.688800165150.30925.81241-43轴/D-G轴12612.869800165150.30919.90541-43轴/D-G轴1278.91800165150.30913.78241-43轴/D-G轴1285.091800165150.3097.875合计/647/4768.102、施工工艺2.1工艺流程本工程基坑结构采用明挖顺做法施工,施工中中800钢支撑安装与土方开挖两工序及拆除(钢换撑安拆)与主体结构施工两工序密切结合,具体施工步骤如下:第一步开挖基坑至第一道钢筋碎支撑底面,施工冠梁及第一道钢筋磴支撑,碎达

9、到设计强度后方可进行第二步开挖;(本方案不对此描述)第二步:开挖基坑至第二道支撑底面下0.5m,架设第二道钢支撑,并及时给支撑施加预应力。第三步:开挖基坑至第三道支撑底面下0.5m,架设第三道钢支撑,并及时给支撑施加预应力。第四步:开挖基坑至第四道支撑底面下0.5m,架设第四道钢支撑,并及时给支撑施加预应力。第五步:开挖基坑至第五道支撑底面下0.5m,架设第五道钢支撑,并及时给支撑施加预应力。第六步:开挖基坑至基坑底设计标高后,依次浇筑刚性碎垫层后,绑扎结构底板钢筋,浇筑结构底板。第七步:待结构底板达设计强度要求后一次拆除相应段的第五道支撑,保留第一四道(碎、钢)支撑,绑扎内衬墙钢筋,浇筑结构

10、侧墙至第一道水平施工缝,后继续施工主体结构至第二道水平施工缝。第八步:待已施工完的侧墙达到设计强度要求后,在第四道钢支撑下施工第一道钢换撑。第九步:拆除第四道钢支撑,施工主体结构至第三道水平施工缝,待构件达到设计强度后,在第三道钢支撑下施工第二道钢换撑(小里程段)。第十步:拆除第三道钢支撑,施工主体结构及侧墙,后继续施工主体结构及顶板,完成主体结构施工。第十一步待顶板强度达到设计要求后,拆除第二道钢支撑及钢换撑,做顶板防水及保护层,向上回填至第一道碎支撑下方(后续本方案不做描述)。施工准备4预加预应力F土方开挖高度达到要求4测量放样复紧支撑连接螺栓等.,钢换撑地面预拼检查钢支撑吊装检查及轴力复

11、加连系梁安装支撑管安装相应主体结构达到要求.活动端楔块填实拆除支撑钢支撑安拆流程图2.2钢支撑安装方法及步骤根据土方开挖进度及主体结构施工进度达到要求下,钢支撑安装的流程如下:计算长度T支撑拼装T支撑点安装固定件T焊接支点一安装支撑前检查T吊装T支撑就位一支撑安装T施加预应力T端头填充一定期检查。1)钢支撑拼装根据图纸设计钢支撑长度及现场实测尺寸进行钢支撑配料。现场配备6m、5m、4m、2m、2.5m、1.5m、Im、0.3m、02m等多种型号的标准节。活动端长度为1.35m。可以满足基坑内支撑的拼接组装。钢支撑拼装场地位于基坑东侧。卸车和钢支撑拼装采用汽车吊进行吊运。2)配套附属的安装土方开

12、挖至钢支撑设计标高下50Omm及时组织测量人员施放钢支撑的点位,在支撑钢板位置,钢支撑直接作用在后置钢板上。为了防止钢支撑下滑,在钢支撑上部设置拉结吊筋(直径28mm,三级钢),起到悬吊保护作用。具体作法为:使用钢筋吊环(直径28mm,三级钢,与钢支撑间断焊)箍住钢支撑,拉结吊筋一端钩住钢筋吊环,另一端钩住角钢(L80*12,采用M20膨胀螺栓固定于地连墙);同时下部设置托板(IOmm厚),两侧设置挡板(IOmm厚),托板与挡板均与后置钢板满焊。对撑后置钢板及斜撑后置钢板均采用四边与地连墙纵筋及水平筋满焊的方式安装,钢板厚度为20mm。具体布置图详见下图。斜撑端头安装示意图对撑端头安装示意图托架挂件ML80X12托架及挂件大样图在大、小端头井处围护结构的支撑设计为斜向支撑。为保证支撑钢管的端头为直角形式,在支撑端头处设斜撑支座,按图纸要求进行制作。保证后置钢板的位置准确,后置钢板与主筋之间的空隙必须填焊密实。具体形式如下图所示。3)钢支撑调运及安装(1)支撑安装前先在地面进行预拼接完成后,检查支撑的平直度,其两端中心连线的偏差度控制在20mm以内,经检查合格的支撑按部位进行编号以免错用。各部份的支撑采用整体一

展开阅读全文
相关资源
猜你喜欢
相关搜索

当前位置:首页 > 汽车/机械/制造 > 制造加工工艺

copyright@ 2008-2023 1wenmi网站版权所有

经营许可证编号:宁ICP备2022001189号-1

本站为文档C2C交易模式,即用户上传的文档直接被用户下载,本站只是中间服务平台,本站所有文档下载所得的收益归上传人(含作者)所有。第壹文秘仅提供信息存储空间,仅对用户上传内容的表现方式做保护处理,对上载内容本身不做任何修改或编辑。若文档所含内容侵犯了您的版权或隐私,请立即通知第壹文秘网,我们立即给予删除!