基层、水稳层铺设模板.docx

上传人:p** 文档编号:538075 上传时间:2023-10-19 格式:DOCX 页数:11 大小:54.02KB
下载 相关 举报
基层、水稳层铺设模板.docx_第1页
第1页 / 共11页
基层、水稳层铺设模板.docx_第2页
第2页 / 共11页
基层、水稳层铺设模板.docx_第3页
第3页 / 共11页
基层、水稳层铺设模板.docx_第4页
第4页 / 共11页
基层、水稳层铺设模板.docx_第5页
第5页 / 共11页
基层、水稳层铺设模板.docx_第6页
第6页 / 共11页
基层、水稳层铺设模板.docx_第7页
第7页 / 共11页
基层、水稳层铺设模板.docx_第8页
第8页 / 共11页
基层、水稳层铺设模板.docx_第9页
第9页 / 共11页
基层、水稳层铺设模板.docx_第10页
第10页 / 共11页
亲,该文档总共11页,到这儿已超出免费预览范围,如果喜欢就下载吧!
资源描述

《基层、水稳层铺设模板.docx》由会员分享,可在线阅读,更多相关《基层、水稳层铺设模板.docx(11页珍藏版)》请在第壹文秘上搜索。

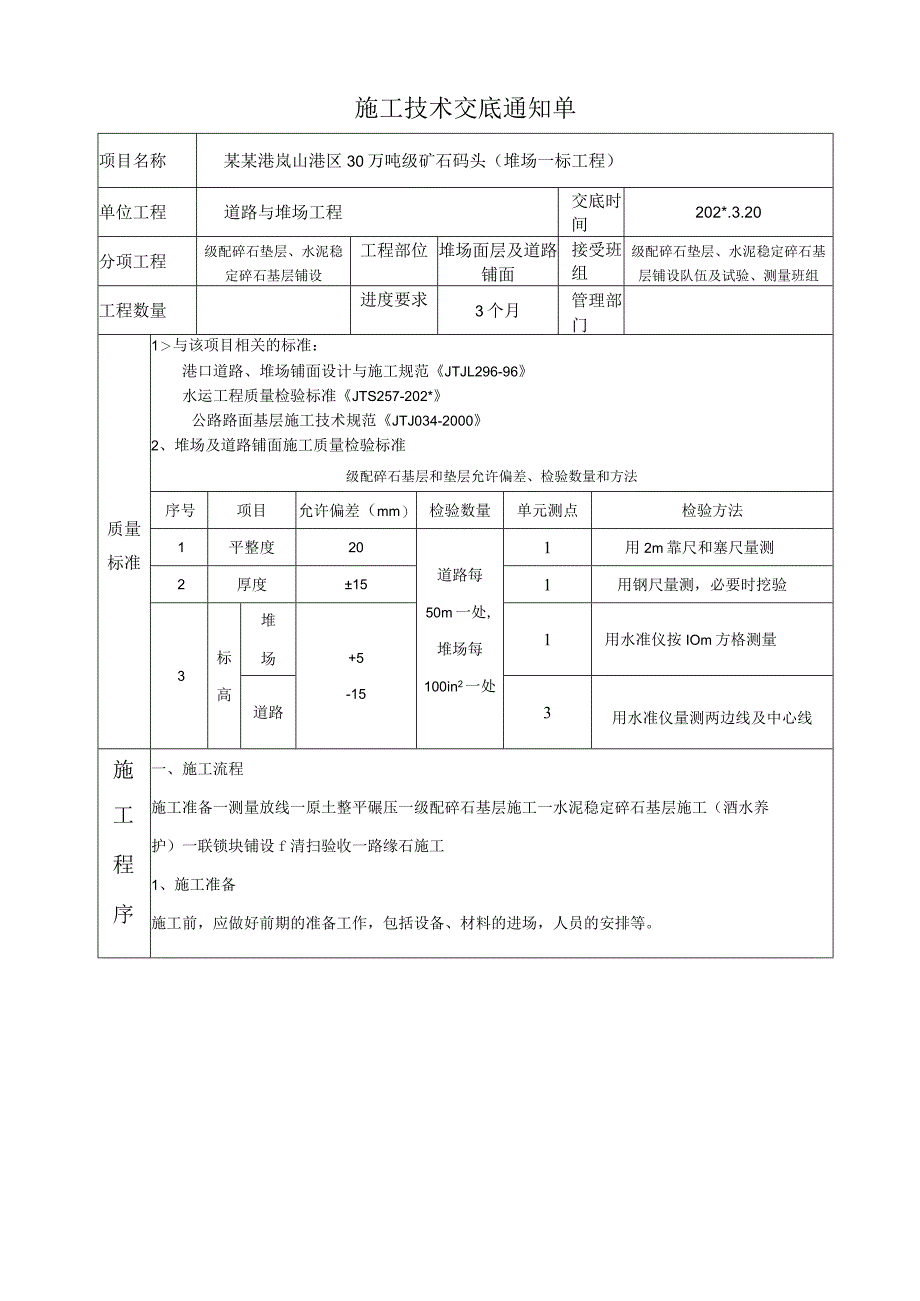
1、施工技术交底通知单项目名称某某港岚山港区30万吨级矿石码头(堆场一标工程)单位工程道路与堆场工程交底时间202*.3.20分项工程级配碎石垫层、水泥稳定碎石基层铺设工程部位堆场面层及道路铺面接受班组级配碎石垫层、水泥稳定碎石基层铺设队伍及试验、测量班组工程数量进度要求3个月管理部门质量标准1与该项目相关的标准:港口道路、堆场铺面设计与施工规范JTJL296-96水运工程质量检验标准JTS257-202*公路路面基层施工技术规范JTJ034-20002、堆场及道路铺面施工质量检验标准级配碎石基层和垫层允许偏差、检验数量和方法序号项目允许偏差(mm)检验数量单元测点检验方法1平整度20道路每50m

2、一处,堆场每100in2一处1用2m靠尺和塞尺量测2厚度151用钢尺量测,必要时挖验3标高堆场+5-151用水准仪按IOm方格测量道路3用水准仪量测两边线及中心线施工程序一、施工流程施工准备一测量放线一原土整平碾压一级配碎石基层施工一水泥稳定碎石基层施工(酒水养护)一联锁块铺设f清扫验收一路缘石施工1、施工准备施工前,应做好前期的准备工作,包括设备、材料的进场,人员的安排等。2、测量放线进行施工测量定位后,根据图纸要求的堆场标高及坡度要求,沿堆场长度方向测设10XlOm标高控制,用石灰做好高程标识,为施工机械提供施工标准。3、原土整平碾压堆场内的土基整平压实工作采用机械大面积整平、碾压,在碾压

3、过程中如发现土质较干,应马上洒水湿润,使土质含水量达到最佳含水率的2%,然后进行碾压密实,取样检测。待地基整平碾压完成,并经检测达到设计要求的密实度时,方可进行下道工序施工。及操作要若出现橡皮土,必须将土挖开换填或晾晒。4、级配碎石基层施工4.1摊铺:石料采用推土机摊铺、初平,用平地机细平,人工配合找平、整型,摊铺以100米为一个控制段,每个作业段的级配碎石基层(底基层)依序分层施工完成后,方可进行下一作业段的施工。每个作业面得两侧设立标高标识,摊铺操作应随机根据标识拉线检查摊铺质量,并及时告知操作人员,以提高生产效率且确保混合料表面平整,高程正确;采用重型振动压路机,每层摊铺压实厚度不超过2

4、0cm,松铺系数约为L251.35,根据第一段试验段确定实际松铺系数。摊铺施工图4.2碾压:摊铺一段、碾压密实段。先用压路机稳压1-2遍,然后采用振动压路机碾压密实。压路机稳压后,及时检查高程,若有高低不平之处,高处铲除,低处填平补齐,然后采用振动压路机压实;碾压时,后轮应重叠一半轮宽,后轮必须超过两段的接缝处,后轮压完路面全宽是即为一遍,碾压一直进行到要求的密实度为止,一般需碾压68遍,应使表面无明显轮迹,压路机的碾压速度,头两遍以采用L5L7Kmh,以后用2.02.5Kmh5、水泥稳定碎石基层施工水泥稳定碎石基层,在大面积施工之前,先进行不少于20Om长度的试验路段。当试验路段合格后才能进

5、行后续施工。后续施工包括摊铺、碾压、纵横向接缝处理及养护。摊铺前按照平地机及运料车的性能对场地进行分区分段进行,形成流水作业;摊铺厚度按照试验段的数据进行确定,摊铺应厚度均匀,压实后的的厚度不大于20cm,并采用1820t振动碾压机进行,并设一个35人的小组,携带辆装车有新拌合混合料的小车,跟着平地机后面,及时铲除粗集料“窝”和粗集料“带”,补以新拌合的均匀混合料,或补散拌匀的细混合料,并与粗集料拌合均匀;人工将末端含水量合适的混合料弄整齐,紧靠混合料放两根木方,方木的高度应与混合料的压实厚度相同,整平紧靠方木的混合料;方木另侧用砂砾或碎石回填约3m长,其高度应高出方木几厘米。6、联锁块铺设联

6、锁块采用专业生产厂家生产的联锁块,进场检验合格后进行采购。按规定进行码放,在基层上铺设50mm厚的砂垫层,在其顶面上铺设5X5m面顶标高控制桩,之后进行摊铺、施振、刮砂,然后进行灌缝及碾压。7、清扫验收在施振碾压时扫砂、灌缝交替进行,施振完成后保证块体平整挤密镶嵌完好,然后采用18t压路机碾压,碾压的行车方向可据现场实际情况确定,以垂直于铺设方向碾压行车,施工区自由边1米范围内不碾压,待下一区段衔接好后,施振碾压。在灌缝扫砂施振碾压过程中,及时进行修补调整,并清扫验收。8、路缘石施工检查缘石的质量,满足要求后方可采用。按设计边线引出缘石边桩,直线部分桩距为IOm-15m,曲线部分为5mIOm,

7、路口转弯弧为Im5m,在边桩测放缘石的高程。安砌缘石时,卧底混凝土的虚铺厚度及质量应满足设计要求。缘石铺筑前先挂线,在稳定层上座上砂浆后铺上侧石。经校核边线及高程无误后施工侧后座,固定侧石,然后向前铺砌。二、施工注意事项1、施工过程中,必须要按照交底内容执行,未尽事宜按照规范进行施工。2、施工过程中,必须做好测量工作,保证堆场土基的标高及坡度满足设计要求;3、材质的性能要满足设计要求才能使用;4、若有高低不平之处,高处铲除,低处填平补齐,填补处要翻松洒水再加混合料,然后采用振动压路机压实,禁止贴薄层找平。职业健康安全环保技术措施一、安全保证措施1、设立专职安全员,及时纠正和消除施工中出现的不安

8、全苗头。2、对施工人员定期进行安全教育和安全知识的考核。3、工地设立明显的安全警示牌和安全注意事项宣传栏。4、各类机械设备操作人员必须持证上岗,无证人员或非本机人员不得上机操作。5、场内的电路布置要规范化,电器开关设在防雨防晒的电器箱柜内,距离地面不小于L5m。二、环境保护措施在施工过程中,除应严格遵守部颁技术规范、料场管理和设计说明环境保护规定条文外,还实行以下具体施工措施:1、对废油、废水、废渣按指定地点排放,以避免污染空气和水源。2、施工便道注意经常维护,防止雨水破坏道路。3、下班后各种施工机械车辆按指定的停车场地停放整齐。4、实行环保目标责任制,以加强检查和监控,制定有效措施防止各种污

9、染,改善施工现场环境。主要附件设计图纸施工图施工方案项目负责人技术负责人安全员质检员交底人班组签认序号姓名工种序号姓名工种119220321422523624725826927102811291230133114321533163417351836分项工程职业健康安全/环保技术交底通知单单位工程道路与堆场交底时间202*.3.20分项工程级配碎石垫层、水泥稳定碎石基层工程部位堆场面层及道路铺面接受班组级配碎石垫层、水泥稳定碎石基层铺设队伍及试验测量班工程数量进度要求3个月管部一、主要危险因素堆场及道路面层的主要危险因素在于现场作业的施工机械噪音过大,影响人的听觉感官,如果不加留意容易造成机械伤

10、人,此外施工现场周围还有很多电缆和配电箱,如果操作不当,容易造成触电事故。二、主要环境因素1、噪音污染:推土机和装载机作业噪音过大,影响施工人员和周边人员。2、粉尘污染:水稳站拌合水泥稳定碎石时一小部分水泥会被风吹起,同时在摊铺级配碎石时,级配里的石粉也会被扬起造成粉尘污染。三、安全预防措施和注意事项1、进入现场必须服从现场管理人员的工作安排。2、所有进入现场施工人员必须经过安全教育并配备必要的劳动防护用品。3、工作前严禁喝酒,工作期间严禁进行防碍工作安全的活动。4、进入施工现场必须戴安全帽。5、工作时间不准喝酒;不准穿拖鞋;不准无证驾驶和无证操作;不准脱离岗位;不准擅自离开施工场地。6、特殊

11、工种必须持证上岗,未经允许不得擅自操作,严禁在施工现场从事与本工作无关的劳动。工作人员必须严格按操作规程进行施工,不得擅自改变作业程序,以防伤及他人。7、严禁非作业人员进入施工现场。施工现场悬有警示标识。8、高空安装、电气焊接等施工区域采取防坠落、防坠物、防火等防护措施,派专人看护采取标准化作业。9、现场施工用电执行一箱、一机、一闸、一漏电保护的保护措施。其电箱设门、锁、编号、注明责任人。10、电箱内所配置的电闸、漏电、熔丝荷载必须与设备额定电流相等。不使用偏大或偏小额定电流的电熔丝,严禁使用金属丝代替电熔丝。11、机械设备必须执行工作接地和重复接地的保护措施。12、夜间施工现场要有足够的照明

12、灯光,要遵照有关规定设置灯光信号。13、每天收工前对施工区域的材料、工具、垃圾进行清理做到工完场清并派专人负责。14、电气防火装置在电气装置和线路周围不堆放易燃、易爆和强腐蚀物质。在电气装置相对集中场所配置绝缘灭火器材。加强电气防火知识宣传,对防火重点场所加强管制,并设置禁止烟火标志。15、焊接工程电焊机外壳必须接地良好,其电源的装拆要由电工进行。电焊机要设单独开关并放置在防雨电箱内。多台电焊机一起集中施焊时接平台或焊件必须接地并有隔光、防火板。工作结束后要切断电源并检查操作地点,确认无火灾隐患后方可离开。16施工机械应避免油污洒落地面,污染现场。17、施工过程中要保持施工现场的整洁,施工设备

13、、材料应妥善存放,废料、垃圾等应及时清除运至指定位置做无害处理。18、注意天气预报,做好防风、防雨工作。下雨由于有雷电的危险时况必须要停工。作业时如有雷击,要迅速转移到安全地区,并切断所有电源。19、保持施工现场清洁和环境卫生,不污染周边环境。20、施工产生的弃土和残余混凝土需运往指定区域,不得随意丢弃。四、环境保护措施和注意事项1、加强对施工人员环境保护的教育,遵守环境保护法的相关要求。2、配备洒水车,当摊铺水稳和级配碎石时,及时进行洒水除灰。五、事故现场处理措施作业过程中发生生产事故时,目击者要立即通知现场负责人,拨打120急救,同时实施现场救援。1、机械伤人现场处置措施1.1、发现有人受

14、伤后,必须立即停止机械作业,向周围人员呼救,同时通知现场急救中心,以及拨打“120”等社会急救电话。报警时,应注意说明受伤者的受伤部位和受伤情况,发生事件的区域或场所,以便让救护人员事先做好急救的准备。1.2 、项目人身伤害和突发环境事件应急工作组在组织进行应急抢救的同时,应立即上报项目安全生产应急领导小组,启动应急预案和现场处置方案,最大限度的减少人员伤害和财产损失。1.3 由现场人员进行现场包扎、止血等措施,防止受伤人员流血过多造成死亡事故发生。创伤出血者迅速包扎止血,送往医院救治。1.4 发生断手、断指等严重情况时,对伤者伤口要进行包扎止血、止痛、进行半握拳状的功能固定。对断手、断指应用消毒或清洁敷料包好,忌将断指浸入酒精等消毒液中,以防细胞变质。将包好的断手、断指放在无泄漏的塑料袋内,扎紧好袋口,在袋周围放在冰块,或用冰棍代替,速随伤者送医院抢救。1.5 受伤人员出现肢体骨折时,应尽量保持受伤的体位,由现场医务人员对伤肢进行固定,并在其指导下采用正确的方式进行抬运,防止因救助方法不当导致伤情进一步加重。

展开阅读全文
相关资源
猜你喜欢
相关搜索

当前位置:首页 > 建筑/环境 > 设计及方案

copyright@ 2008-2023 1wenmi网站版权所有

经营许可证编号:宁ICP备2022001189号-1

本站为文档C2C交易模式,即用户上传的文档直接被用户下载,本站只是中间服务平台,本站所有文档下载所得的收益归上传人(含作者)所有。第壹文秘仅提供信息存储空间,仅对用户上传内容的表现方式做保护处理,对上载内容本身不做任何修改或编辑。若文档所含内容侵犯了您的版权或隐私,请立即通知第壹文秘网,我们立即给予删除!