真空联合堆载预压技术交底模板 .docx

上传人:p** 文档编号:538773 上传时间:2023-10-19 格式:DOCX 页数:19 大小:111.11KB
下载 相关 举报
真空联合堆载预压技术交底模板 .docx_第1页
第1页 / 共19页
真空联合堆载预压技术交底模板 .docx_第2页
第2页 / 共19页
真空联合堆载预压技术交底模板 .docx_第3页
第3页 / 共19页
真空联合堆载预压技术交底模板 .docx_第4页
第4页 / 共19页
真空联合堆载预压技术交底模板 .docx_第5页
第5页 / 共19页
真空联合堆载预压技术交底模板 .docx_第6页
第6页 / 共19页
真空联合堆载预压技术交底模板 .docx_第7页
第7页 / 共19页
真空联合堆载预压技术交底模板 .docx_第8页
第8页 / 共19页
真空联合堆载预压技术交底模板 .docx_第9页
第9页 / 共19页
真空联合堆载预压技术交底模板 .docx_第10页
第10页 / 共19页
亲,该文档总共19页,到这儿已超出免费预览范围,如果喜欢就下载吧!
资源描述

《真空联合堆载预压技术交底模板 .docx》由会员分享,可在线阅读,更多相关《真空联合堆载预压技术交底模板 .docx(19页珍藏版)》请在第壹文秘上搜索。

1、分项工程施工技术交底通知单施工单位:中国铁建港航局总承包公司总承包公司编号:单位工程软基处理工程交底时间202*.3.15分项工程工程部位接受班组及管理部门排水板施工队、粘土帷幕施工队、抽真空施工队等工程数量74116m2进度要求1、与该项目相关的标准:(I)水运工程质量检验标准(JTS257-202*)(2)港口工程地基规范(JTSl47-1-202*)(3)建筑地基处理技术规范(JGJ79-202*)(4)真空预压加固软土地基技术规程(JTSI47-2-202*)(5)水运工程塑料排水板应用技术规程(JTS206-1-202*)(6)港口工程地基规范(JTSI47-1-202*)(7)港口

2、岩土工程勘察规范(JTSI33-1-202*)(8)水运工程土工合成材料应用技术规范(JTJ239-202*)(9)土工合成材料长丝纺粘针刺非织造土工布(GBZT17639-202*)2、塑料排水板打设的允许偏差、检验数量和方法如表1:序号项目允许偏差(mm)检验数量单元测点检验方法1平面位置+100抽查10%1用全站仪、拉线和钢尺量纵横两个方向,取大值2垂直度(每米)151用全站仪、吊线和钢尺量打设套管的倾斜度3外露长度+150-501用钢尺量表13、砂垫层允许偏差、检验数量和方法如表2:序号项目允许偏差(mm)检验数量单元测点检验方法1顶标高+30-20每100m一处1用GPS测量2厚度5

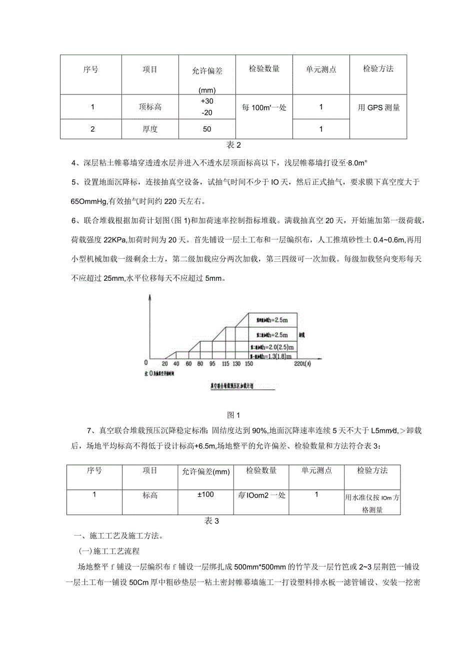
3、01表24、深层粘土帷幕墙穿透透水层并进入不透水层顶面标高以下,浅层帷幕墙打设至8.0m5、设置地面沉降标,连接抽真空设备,试抽气时间不少于IO天,然后正式抽气,要求膜下真空度大于65OmmHg,有效抽气时间约220天左右。6、联合堆载根据加荷计划图(图1)和加荷速率控制指标堆载。满载抽真空20天,开始施加第一级荷载,荷载强度22KPa,加荷时间为20天。首先铺设一层土工布和一层编织布,人工推填砂性土0.40.6m,再用小型机械加载一级剩余土方,第二级加载应分两次加载,第三四级可一次加载。每级加载竖向变形每天不应超过25mm,水平位移每天不应超过5mm。图17、真空联合堆载预压沉降稳定标准:固

4、结度达到90%,地面沉降速率连续5天不大于L5mmd,卸载后,场地平均标高不得低于设计标高+6.5m,场地整平的允许偏差、检验数量和方法符合表3:序号项目允许偏差(mm)检验数量单元测点检验方法1标高100每IOom2一处1用水准仪按IOm方格测量表3一、施工工艺及施工方法。(一)施工工艺流程场地整平f铺设一层编织布f铺设一层绑扎成500mm*500mm的竹竿及一层竹笆或23层荆笆一铺设一层土工布一铺设50Cm厚中粗砂垫层一粘土密封帷幕墙施工一打设塑料排水板一滤管铺设、安装一挖密封沟一铺设一层编织布一铺设一层土工布一铺设三层密封膜一安装射流泵一抽真空一分级堆载一卸载一加固效果检测(二)施工方法

5、1、场地平整、清理进行场地的平整、清理,清除其上的杂物。对于表层水较多的淤泥区域,机械无法施工,应先前进行表层处理。2、区域划分为防止保证抽真空效果,将真空联合堆载预压区分成5个小区,小区面积分别为202*0.5m202*0.5m?、15256.51m8470m8508.5m3、编织布、土工布铺设作吹泥区视吹填土情况铺设一层编织布,根据现场情况铺一层绑扎成50OnIm*50OnIm的竹诙竿及一层竹笆或23层荆笆再铺设一层土工布作为工作垫层,施工前应进行典型施工,各层材要料的铺筑顺序、层数根据现场典型施工情况进行调整。占63.1编织布铺设铺设前进行测量定位,确定铺设范围。按设计及规范要求在厂房内

6、加工,编织布规格为150gm2t场地整平后铺设编织布。将编制布用IoOmm钢管卷成一滚筒状,由平板汽车运至现场,人工搬运至铺设区,人工滚动摊铺,并将编制布拉紧、铺平,避免发生皱折。现场进行缝合,搭接长度不小于20cm。32工布铺设土工布采用短丝针刺非织造土工布,规格为400gm2,现场缝合搭接长度不小于20cm。首先在加工场地将土工布加工并卷好,运至现场,人工将士工布展开铺设。竹笆铺设一定长度后进行土工布铺设,土工布每块铺设后,通过两侧边线的拉环与竹笆绑扎,铺设后及时进行压载。3.3资源配备人员配备序号工种配备数量备注1管理人员22测量人员23操作工20土工织物缝合4普工70铺设机械设备配备序

7、号设备名称配备数量备注1缝合机104、铺设砂垫层4. 1施工方法在铺设土工布之后及时铺50Cm厚中粗砂垫层,中粗砂的含泥量小于3%,干密度大于1.5tm3,渗透系数大于lIO2cms,允许施工偏差+50mm。砂垫层铺设采用农用运输车运至铺设场地,小挖掘机摊铺粗平。5. 2资源配备人员配备序号工种配备数量备注1管理人员22测量人员23普工20机械设备配备序号设备名称配备数量备注1小挖掘机32农用运输车125、粘土密封帷幕墙施工根据区域划分,各小区之间采用粘土帷幕墙隔离,防止真空抽气时漏气。深层粘土帷幕墙穿透透水层并进入不透水层顶面标高以下,浅层帷幕墙打设至-8.0m。5.1 技术要求粘土(或淤泥

8、)掺入量不低于20%;膨润土掺入量5%,膨润土粒度I5O3(X)通过率大于90%;如果拌合用土的粘粒含量大于40%,可以不掺入膨润土。泥浆浓度为L3;深层粘土帷幕墙穿透水层并进入不透水层顶面标高以下,浅层帷幕墙打至设计深度;粘土密封帷幕墙粘粒含量220%,渗透系数小于lxl%ms;每隔50m在墙上钻孔取样检验粘粒含量和渗透系数,并确定密封墙深度,达不到规定指标要求的,要二次拌合补救。5.2 施工工艺流程设备安装T试搅工艺桩一确定工艺指标T施工放样一桩机就位T喷浆下搅T喷浆上搅T喷浆下搅T喷浆上搅T移位下一根桩施工深层搅拌法工艺流程示意图5.3 施工方法根据设计要求,采用粘土灌浆,由粘土和膨润土

9、按配合比进行配置。粘土密封墙施工采用双搅头深层搅拌机,搅头为两个直径为70cm的搅刀,彼此搭接20cm,施搅时可形成宽120cm长70Cm的“8”字形,施工双排密封墙按S形排列,长度方向每根桩彼此搭接20cm。在施打幕墙的旁边用袋装砂围成3mx3m、高1.5m的浆池,浆池内铺设塑料膜维护。浆池每区布置4个,布置在各区边界处。施工前对拌合墙中心线放样,使拌和机送浆管头正对中心线拌合,每隔IOCm布置一个控制桩。移搅拌机定位进行施工拌合,每次移机前根据轴线做好标记定位,误差在:t50mm范围内。打设方式采用四喷四搅方式,即:贯入输浆拌合T提升输浆拌合T贯入输浆拌合T提升输浆拌合,搅拌机每成型一个孔

10、按2个来回即4个行程进行。5.4 注意事项拌合墙施工过程中钻头磨损较大,应经常检查钻头尺寸,钻头直径小于70cm,必须更换或补焊。技术人员实行24h值班,严格控制各道工序,并做好每根桩施工记录。5.5 资源配备人员配备序号工种配备数量备注1管理人员22测量人员23机修工24操作工85普工8机械设备配备序号设备名称配备数量备注1双搅头深层搅拌桩机16、塑料排水板打设5.6 施工工艺流程测量放线T机组组装T插板机定位T安装排水板T沉管插板T提升套管及回带量测量T剪断塑料排水板检查5.7 施工方法本工程的塑料排水板施工为陆上施工。拟采用JD-20型门架式振动插板机,其设备先进,各行走部位方便灵活(轨

11、道行走),且适用面广,施插深度18m左右,每台插板机配备动力为30千瓦。其中振动锤最大击振力为25吨,每小时可插450m左右。施工时由东向西进行。(1)测量放线采用极坐标法用全站仪施放各单元的控制边线。根据图纸计算出插板区域外边线坐标,架全站仪施放,打入木桩,并用红油漆标志点位并编号。单元内各插板点位则利用钢尺量距通过内外边线施放,用白石灰粉作醒目标志,并编制打设板位编号和板位顺序。(2)机组组装及定位机械设备运至施工地段,进行分别组装,其组装方法为:首先组装插板和底盘及龙门架,应用卷扬机和滑轮将龙门架拉起并固定好,然后再组装塔架,用同样方法将其拉起固定,塔架竖起后再安装卷扬机和振动锤。卷扬机

12、安装固定在架的背面,再将各行走部位组装到位,最后将插管和振动锤连接固定,至此整个一台插板机组装完毕。插板机沿门架在设计插板断面上移动,定位于插板位置,准备实施插板作业。(3)安装排水板安装好进场设备,根据设计插板的深度要求,将插管长度定好。并在插管和塔架上做好应插排水板深度记号。排水板从套管的插嘴进入套管内部,固定在套管底部的插销上,同时拉紧排水板,依靠排水板与插销之间的摩擦力连接在一起,上提时插销从套管口与排水板端部抽出,套管提出,启动自动冲水装置后,排水板靠水压力留在地基中。(4)沉管插板插板前检查套管垂直度,若不符合要求,前后可调节门架位置,左右可调节套管位置,保证插板垂直度在1.5%以

13、内。在套管上按照设计深度用红漆作上明显标识,开动插板机,将沉管下沉至标识处既达到施工控制标高。(5)提升套管及回带量测量确定排水板已达到设计深度后,可提起套管,此时应观察套管插入孔,如排水板相对套管不动,则说明排水板同带,继续上提套管,直到排水板移动抽入套管,量取此时套管的提升高度,即为排水板回带量。若大面积回带,可考虑改变插销形式,减小提升套管时插销与排水板摩擦力,并增大排水板底端与泥土间接触面积,以减少回带现象的发生。(6)剪断塑料排水板当提升套管,套管底部离开砂面50Cm时,人工从套管底部切断排水板,使排水板外露长度控制在65Cm以上。然后将留下排水板头弯曲插进管口.(7)检查主要检查内

14、容为质量标准要求的项目,若检查不合格,则必须在不合格排水板位置的20cm范围内补打一根排水板,重新检查,直至合格为止。合格后移动插板机至下一板位。打设过程中逐根做好施工记录。5.8 质量控制标准塑料排水板按设计要求采用高性能排水板,其力学性指标和透水性指标(通水量、渗透系数和等效孔径)为主要质量控制指标,芯板和滤布的重量指标为次要控制指标。塑料排水板运抵工地之前,应先将样品,材料试验证书以及材料产地等资料提交工程师审核批准,符合规范和设计要求后方可进场。(1)主要项目:塑料排水管的规格、质量和排水性能必须符合设计要求和有关规定。检验方法:检查出厂合格证和抽样试验报告。塑料排水板下沉时,严禁出现扭结、断裂和撕破滤膜等现象。检验方法:检查施工记录并观察检查。塑料排水板的底标高必须符合设计要求,其顶端必须高出砂顶面。检验方法:检查施工记录并观察检查。回带长度不得超过50cm。(2)一般项目:发生回带的数量不宜超过打设总数的5%。实测项目:塑料排水板打设的允许偏差、检验数量和方法序号项目允许偏差(mm)检验单元和数量单元测点检验方法1平面位置100每根排水

展开阅读全文
相关资源
猜你喜欢
相关搜索

当前位置:首页 > 建筑/环境 > 公路与桥梁

copyright@ 2008-2023 1wenmi网站版权所有

经营许可证编号:宁ICP备2022001189号-1

本站为文档C2C交易模式,即用户上传的文档直接被用户下载,本站只是中间服务平台,本站所有文档下载所得的收益归上传人(含作者)所有。第壹文秘仅提供信息存储空间,仅对用户上传内容的表现方式做保护处理,对上载内容本身不做任何修改或编辑。若文档所含内容侵犯了您的版权或隐私,请立即通知第壹文秘网,我们立即给予删除!