莆田市荔城区黄石镇来福鞋材加工场运动鞋生产项目竣工环境保护验收监测报告表.docx

上传人:p** 文档编号:539169 上传时间:2023-10-19 格式:DOCX 页数:25 大小:163.14KB
下载 相关 举报
莆田市荔城区黄石镇来福鞋材加工场运动鞋生产项目竣工环境保护验收监测报告表.docx_第1页
第1页 / 共25页
莆田市荔城区黄石镇来福鞋材加工场运动鞋生产项目竣工环境保护验收监测报告表.docx_第2页
第2页 / 共25页
莆田市荔城区黄石镇来福鞋材加工场运动鞋生产项目竣工环境保护验收监测报告表.docx_第3页
第3页 / 共25页
莆田市荔城区黄石镇来福鞋材加工场运动鞋生产项目竣工环境保护验收监测报告表.docx_第4页
第4页 / 共25页
莆田市荔城区黄石镇来福鞋材加工场运动鞋生产项目竣工环境保护验收监测报告表.docx_第5页
第5页 / 共25页
莆田市荔城区黄石镇来福鞋材加工场运动鞋生产项目竣工环境保护验收监测报告表.docx_第6页
第6页 / 共25页
莆田市荔城区黄石镇来福鞋材加工场运动鞋生产项目竣工环境保护验收监测报告表.docx_第7页
第7页 / 共25页
莆田市荔城区黄石镇来福鞋材加工场运动鞋生产项目竣工环境保护验收监测报告表.docx_第8页
第8页 / 共25页
莆田市荔城区黄石镇来福鞋材加工场运动鞋生产项目竣工环境保护验收监测报告表.docx_第9页
第9页 / 共25页
莆田市荔城区黄石镇来福鞋材加工场运动鞋生产项目竣工环境保护验收监测报告表.docx_第10页
第10页 / 共25页
亲,该文档总共25页,到这儿已超出免费预览范围,如果喜欢就下载吧!
资源描述

《莆田市荔城区黄石镇来福鞋材加工场运动鞋生产项目竣工环境保护验收监测报告表.docx》由会员分享,可在线阅读,更多相关《莆田市荔城区黄石镇来福鞋材加工场运动鞋生产项目竣工环境保护验收监测报告表.docx(25页珍藏版)》请在第壹文秘上搜索。

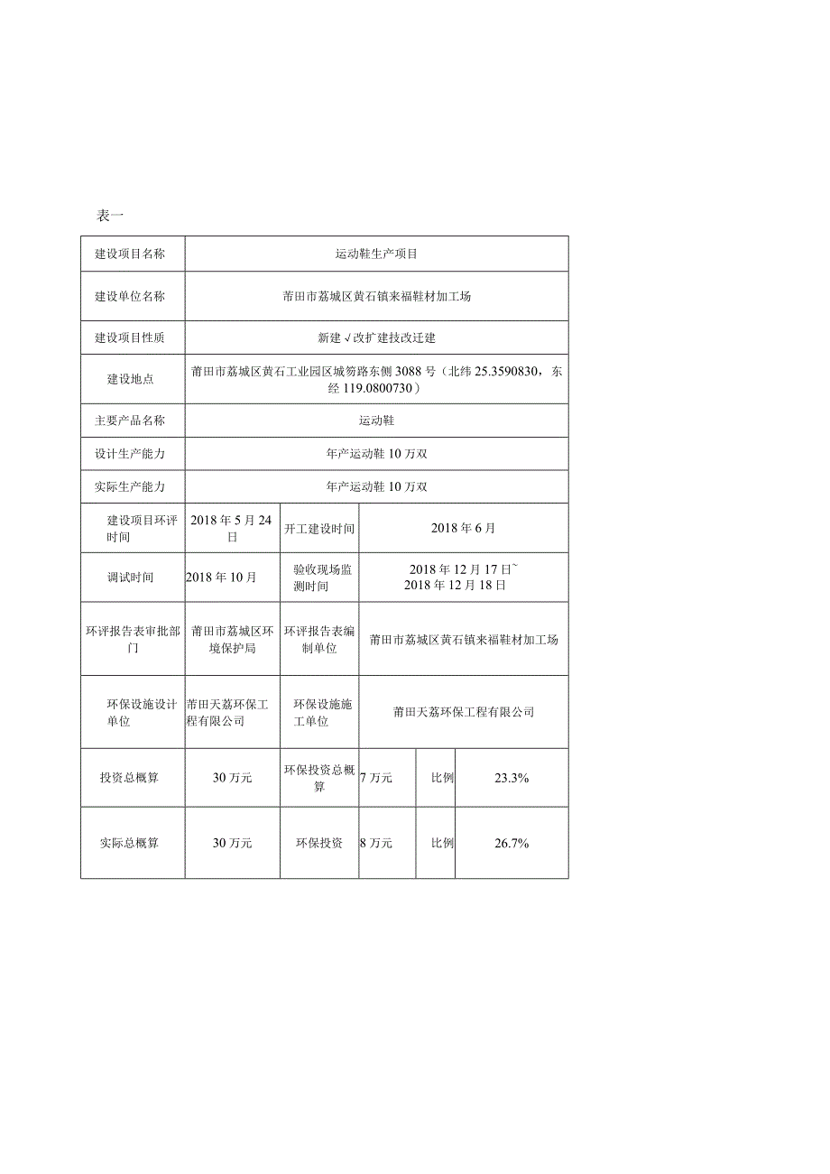
1、莆田市荔城区黄石镇来福鞋材加工场运动鞋生产项目竣工环境保护验收监测报告表建设单位:莆田市荔城区黄石镇来福鞋材加工场编制单位:莆田市荔城区黄石镇来福鞋材加工场2019年1月建设单位法人代表:(签字)(签字)编制单位法人代表:项目负责人:林开明填表人:林开明建设单位(盖章)电话:传真:/邮编:351144地址:莆田市荔城区黄石工业园区编制单位(盖章)电话:传真:/邮编:351144地址:莆田市荔城区黄石工业园区表一建设项目名称运动鞋生产项目建设单位名称芾田市荔城区黄石镇来福鞋材加工场建设项目性质新建改扩建技改迁建建设地点莆田市荔城区黄石工业园区城笏路东侧3088号(北纬25.3590830,东经1

2、19.0800730)主要产品名称运动鞋设计生产能力年产运动鞋10万双实际生产能力年产运动鞋10万双建设项目环评时间2018年5月24日开工建设时间2018年6月调试时间2018年10月验收现场监测时间2018年12月17日2018年12月18日环评报告表审批部门莆田市荔城区环境保护局环评报告表编制单位莆田市荔城区黄石镇来福鞋材加工场环保设施设计单位芾田天荔环保工程有限公司环保设施施工单位莆田天荔环保工程有限公司投资总概算30万元环保投资总概算7万元比例23.3%实际总概算30万元环保投资8万元比例26.7%验收监测依据验收相关法律、法规、规章和规范:(I)中华人民共和国环境保护法,2015年

3、Ol月01日起施行;(2)中华人民共和国环境影响评价法,2018年12月29日修正;(3)中华人民共和国水污染防治法,2018年01月01日起施行;(4)中华人民共和国大气污染防治法,2016年01月01日起实施;(5)中华人民共和国环境噪声污染防治法,2018年12月29日修正;(6)中华人民共和国固体废物污染环境防治法,2015年4月24日第二次修正;(7)国务院关于修改建设项目环境保护管理条例的决定(国务院令第682号,2017年10月01日施行);验收技术规范:1)关于建设项目竣工环境保护验收哲行办法的公告(国环规划评20174号);2)建设项目竣工环境保护验收技术指南污染影响类,生态

4、环境保护部,2018年5月15Fl发布;(3)制鞋工业大气污染物排放标准(DB35/156T996);(4)大气污染物综合排放标准(GB16297-1996);(5)工业企业厂界环境噪声排放标准(GB12348-2008);其他相关文件:(1)莆田市荔城区黄石镇来福鞋材加工场运动鞋生产项目环境影响评价报告表;(2)莆田市荔城区环保局关于莆田市荔城区黄石镇来福鞋材加工场运动鞋生产项目环境影响报告表的批复荔环保评201845号。表二工程建设内容:莆田市荔城区黄石镇来福鞋材加工场运动鞋生产项目选址于莆田市荔城区黄石工业园区,总投资30万元,租用欧莱特体育用品有限公司1#厂房3楼进行生产,占地面积为1

5、80011,建筑面积为180011为钢筋混凝土结构,共八层楼。项目职工定员10人,不设置职工食堂和宿舍,年工作270天,每天工作8小时,年产运动鞋10万双。本项目建设地点、生产工艺、生产规模基本与环评批复一致,未发生属于重大变动。表2T项目设备序号设备名称数量备注环评实际1熔断机20台20台2高频机5台5台3冷却机1台1台4印刷台3个3个5裁断机5台5台6挂钉机20台20台7成型线1条1条其中前邦机1台1台后邦机1台1台烘箱3个3个11针车20台20台12热熔胶机1台1台13风机1台1台14空压机1台1台15蒸汽机01台莆山市荔城区来福鞋材加工场租用莆田市荔城区欧莱特体育用品有限公司1#厂房3

6、楼进行生产,该厂房位于莆田市荔城区黄石工业园区,中心地理位置坐标为:北纬253590.83”,东经119。0800.73”。项目西侧为办公楼,整个厂区北侧为锐宝体育用品,厂区南侧为广汇混凝土,厂区西侧紧邻荔港大道,厂区东侧近邻瑶台村。项目距离东侧瑶台村最近约为33米。莆田市荔城区黄石镇来福鞋材加工场委托苏州合巨环保技术有限公司编制了莆田市荔城区黄石镇来福鞋材加工场运动鞋生产项目环境影响报告表,于2018年5月通过芾田市荔城区环境保护局审批,取得荔城区环保局关于莆山市荔城区黄石镇来福鞋材加工场运动鞋生产项目环境影响报告表的批复(荔环保评201845号)。开工日期为2018年6月,调试时间为201

7、8年10月。调试期间无投诉、处罚事件。项目地理位置图如下:图27项目地理位置图主要工艺流程及产污环节(附处理工艺流程图,标出产污节点)本项目具体生产工艺及产污环节分析如下:胶水、硬化剂、处理剂鞋底tN3、S3G2图2-2项目生产工艺流程图工艺说明及产污环节:首先外购的网布、皮革、海绵等根据设计图纸进行裁断,接着外购的TPU、PVC经裁断机裁断,TPU与鞋面熔断贴合,PVC与鞋面经丝印丝印处理,处理后的工件经高频机压出图案,经冷却机冷却后装饰在休闲鞋面材料上一起针车为鞋面材料,然后在成型线上进行上胶、贴合、烘干,经自然冷却后包装为成品。项目不使用锅炉供热,全部使用电能源。表2-2项目产污环节一览

8、表污染因素序号产污环节污染源主要污染物废气Gl、G3熔断、高频热气热气G2丝印有机废气VOCsG4上胶、贴合、有机废气甲苯、二甲苯、VoCS烘干废水职工生活污水CODcr.NH3-N噪声N1-N5生产噪声A声级生产设备噪声固废S-I裁断边角料皮革、网布、泡棉S-2裁断边角料TPUS-3裁断边角料PVC丝印、上胶废油墨桶、废抹布、废胶桶废油墨、废油墨桶、废丝印网、废环己酮空桶、废抹布、废胶桶员工生活垃圾生活垃圾表三主要污染源、污染物处理和排放:3.1、 废水项目配套1台蒸汽机,蒸汽机的水全部蒸发损耗,只进行补水,不外排。因此无生产废水排放。项目员工人数10人,均不在厂内食宿。项目职工用水量为8.

9、5td,污水排放量为6.8td,依托欧莱特体育用品现有工程化粪池预处理,再经市政污水管网排入荔城污水处理厂处理。3.2、 废气本项目设有1条成型线、3个丝印台,其中有一个丝印台闲置没有使用,丝印工序产生的有机废气密闭操作,该部分废气全部收集,废气收集后与高频、熔断的加热热气一同引至屋顶等离子UV光催化净化装置处理后通过25米高的排气筒(Ql)排放,集气罩的引风机风量合计为105621113h;成型线废气经集气罩收集,引至屋顶等离子UV光催化净化装置处理后通过25米高的排气筒(Q2)排放,成型线集气罩的引风机风量合计为13720m7h项目配套2台等离子UV光催化净化装置,分别用于净化丝印废气和制

10、鞋成型流水线废气。表37项目废气污染物治理、处置设施情况Ss.来源污染物种类放式治理设施工艺与设计处理能力排气筒高度和内径尺寸机气有废上胶、贴合、烘干非甲烷总嫌、甲苯、二甲苯连续等离子UY光催化净化装置等离子UV光催化净化装置.、设计处理能力24282m7h25m、0.4m3.3、 噪声项目噪声主要来自裁断机、废气风机、空压机等设备发出的机械噪声,在采取以下措施情况下,使厂界噪声达标。(1)选择低噪声、环保型的生产设备;(2)生产车间的门窗安装隔声门窗,设备机座安装减震垫,降低噪声影响;(3)定期对生产设备进行检测,维持设备处于良好的运转状态,防止设备运转不正常引起噪声异常增高。3.4、 固体

11、废物生产固废:项目一般工业固废为冲裁等工序产生的皮革、布料等边角料,产生量为1511kg月,收集后暂存于一般固废暂存间(10m2),然后由莆田市益丰环保科技有限公司回收综合利用;危险废物为废包装桶、废油墨桶、废丝印网及废抹布暂未产生:废包装桶产生量为46.2kg月,收集后暂存于危险废物哲存间(IOm2),再由生产厂家(佛山市南海弘明胶粘剂有限公司)回收再利用。废油墨桶产生量为2.4kg月,收集后暂存于危险废物暂存间(IOm2),再由生产厂家(福清市新美光涂料有限公司)回收再利用,危废暂存间已做好三防设施。生活垃圾产生量为150kg月,由当地环卫部门统一清运处理。项目固废治理、处置设施情况见表3

12、-2:表3-2项目固废治理、处置设施情况固体废物名称来源性质产生量处理处置量处理处置方式边角料裁断般废一固151Ikg/月151Ikg/月委托莆田市益丰环保科技有限公司回收利用废包装桶上胶危险废物46.2kg月46.2kg月生产厂家佛山市南海弘明胶粘剂有限公司回收再利用废油墨桶丝印危险废物2.4kg月2.4kg月生产厂家福清新美光涂料有限公司回收再利用废丝印网丝印危险废物/哲未产生,产生后委托有资质单位处理废抹布擦拭清洗危险废物/暂未产生,产生后委托有资质单位处理生活垃圾员工活圾生垃150kg月150kg月委托当地环卫部门统一清运3.5环保设施投资情况,表3-3各项环保设施实际投资情况类别环保

13、设施环保投资(万元)废气有机废气:2套(集气系统+等离子UV光催化一体式净化器+25m高排气排气筒)7万元噪声隔声、消声、减震等综合降噪措施0.5万元废水依托厂内现有化粪池0固废垃圾桶、危废仓库0.5万元合计8.0万元表四建设项目环境影响报告表主要结论及审批部门审批决定:4.1 环境影响报告表主要结论产业政策符合性结论对照产业结构调整指导目录(2011年本)(2013年修正),本项目的工艺和产品属允许类;项目不属于限制用地项目目录(2012年本)和禁止用地项目目录(2012年本)中所列禁止或限制的工艺技术、装备的建设项目:同时,本项目产品、生产工艺、设备等亦不属于外商投资产业指导目录(2015年修订)所限制类、禁止类项目。综上,本项目建设符合国家当前产业政策。选址合理性与总平面布置结论项目生产与周边环境可相适宜,项目建设符合区域环境功能区划要求,项目建设与远期规划不相符,考虑到目前区域规划建设工作还未开始,项目与周围环境相容,项目建设符合区域环境功能区划要求,因此项目在此运营暂时可行,但待区域需按城市总体规划进行建设,要求项目进行搬迁以达到规划要求时,项目应无条件执行搬迁。项目总平面布置功能分区明确,生产车间与办公区分开,生产车间布置比较紧凑、物料流程短,主要噪声设备及废气排放口尽可

展开阅读全文
相关资源
猜你喜欢
相关搜索

当前位置:首页 > 建筑/环境 > 环保行业

copyright@ 2008-2023 1wenmi网站版权所有

经营许可证编号:宁ICP备2022001189号-1

本站为文档C2C交易模式,即用户上传的文档直接被用户下载,本站只是中间服务平台,本站所有文档下载所得的收益归上传人(含作者)所有。第壹文秘仅提供信息存储空间,仅对用户上传内容的表现方式做保护处理,对上载内容本身不做任何修改或编辑。若文档所含内容侵犯了您的版权或隐私,请立即通知第壹文秘网,我们立即给予删除!