长春市2023年文具产品质量监督抽查实施细则.docx

上传人:p** 文档编号:539449 上传时间:2023-10-19 格式:DOCX 页数:4 大小:24.98KB
下载 相关 举报
长春市2023年文具产品质量监督抽查实施细则.docx_第1页
第1页 / 共4页
长春市2023年文具产品质量监督抽查实施细则.docx_第2页
第2页 / 共4页
长春市2023年文具产品质量监督抽查实施细则.docx_第3页
第3页 / 共4页
长春市2023年文具产品质量监督抽查实施细则.docx_第4页
第4页 / 共4页
亲,该文档总共4页,全部预览完了,如果喜欢就下载吧!
资源描述

《长春市2023年文具产品质量监督抽查实施细则.docx》由会员分享,可在线阅读,更多相关《长春市2023年文具产品质量监督抽查实施细则.docx(4页珍藏版)》请在第壹文秘上搜索。

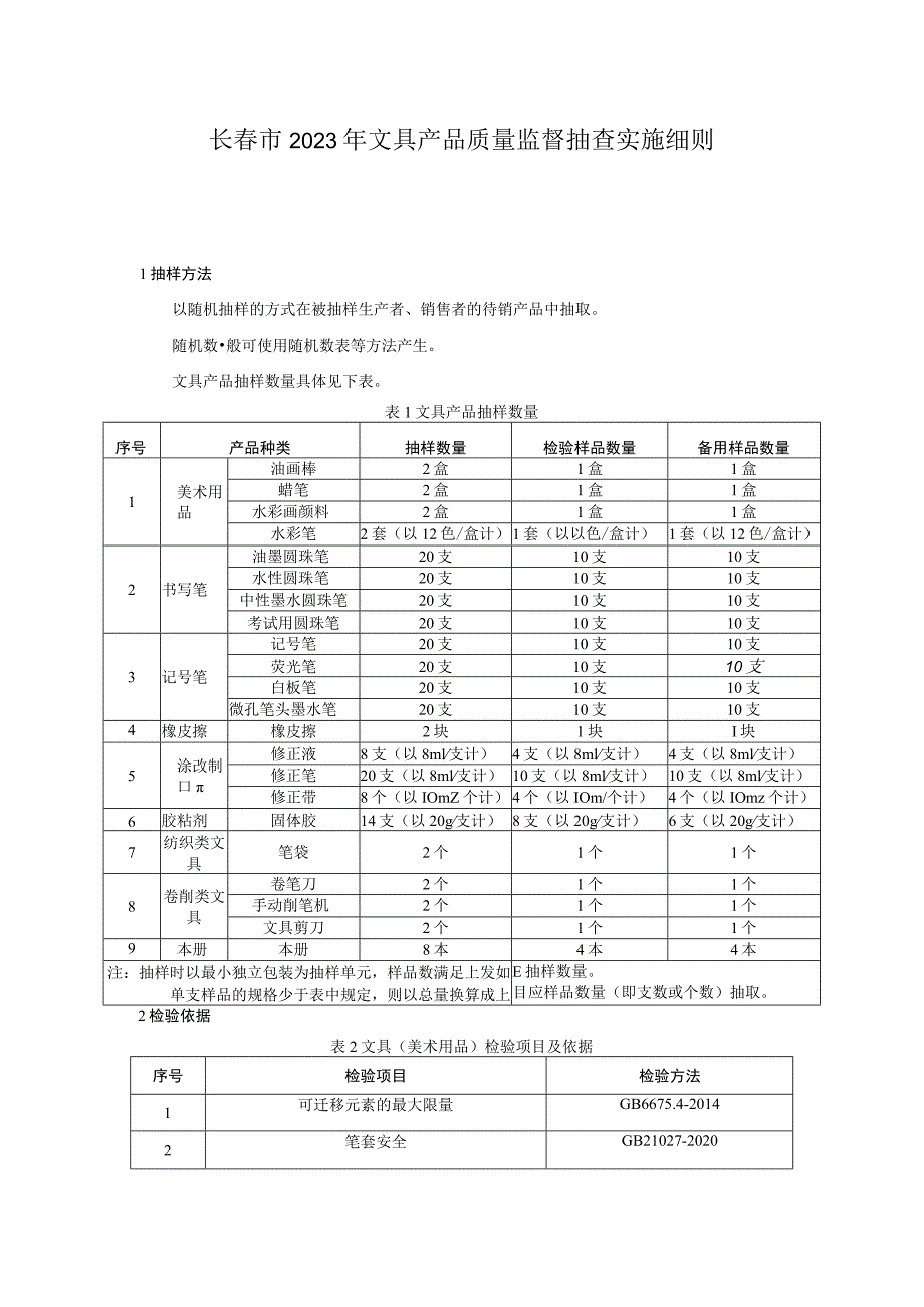
1、长春市2023年文具产品质量监督抽查实施细则1抽样方法以随机抽样的方式在被抽样生产者、销售者的待销产品中抽取。随机数般可使用随机数表等方法产生。文具产品抽样数量具体见下表。表1文具产品抽样数量序号产品种类抽样数量检验样品数量备用样品数量1美术用品油画棒2盒1盒1盒蜡笔2盒1盒1盒水彩画颜料2盒1盒1盒水彩笔2套(以12色/盒计)1套(以以色/盒计)1套(以12色/盒计)2书写笔油墨圆珠笔20支10支10支水性圆珠笔20支10支10支中性墨水圆珠笔20支10支10支考试用圆珠笔20支10支10支3记号笔记号笔20支10支10支荧光笔20支10支10支白板笔20支10支10支微孔笔头墨水笔20支1

2、0支10支4橡皮擦橡皮擦2块1块I块5涂改制口修正液8支(以8ml支计)4支(以8ml支计)4支(以8ml支计)修正笔20支(以8ml支计)10支(以8ml支计)10支(以8ml支计)修正带8个(以IOmZ个计)4个(以IOm/个计)4个(以IOmz个计)6胶粘剂固体胶14支(以20g支计)8支(以20g支计)6支(以20g支计)7纺织类文具笔袋2个1个1个8卷削类文具卷笔刀2个1个1个手动削笔机2个1个1个文具剪刀2个1个1个9本册本册8本4本4本注:抽样时以最小独立包装为抽样单元,样品数满足上发如单支样品的规格少于表中规定,则以总量换算成上E抽样数量。目应样品数量(即支数或个数)抽取。2检

3、验依据表2文具(美术用品)检验项目及依据序号检验项目检验方法1可迁移元素的最大限量GB6675.4-20142笔套安全GB21027-20203标识和使用说明GB21027-2020表3文具(书写笔)检验项目及依据序号检验项目检验方法1可迁移元素的最大限量GB6675.4-20142笔套安全GB21027-20203标识和使用说明GB21027-2020表4文具(记号笔)检验项目及依据序号检验项目检验方法1可迁移元素的最大限量GB6675.4-20142笔套安全GB21027-20203标识和使用说明GB21027-2020表5文具(橡皮擦)检验项目及依据序号检验项目检验方法1可迁移元素的最大

4、限量GB6675.4-20142标识和使用说明GB21027-2020表6文具(涂改制品)检验项目及依据序号检验项目检验方法1可迁移元素的最大限量GB6675.4-20142有机溶剂苯含量GB21027-20203氯代燃GB/T32613-20164笔套安全GB21027-20205标识和使用说明GB21027-2020表7文具(胶粘剂)检验项目及依据序号检验项目检验方法1游离甲醛GB/T32606-20162苯GB21027-20203甲苯+二甲苯GB21027-20204总挥发性有机物GB21027-20205标识和使用说明GB21027-2020表8文具(纺织类文具)检验项目及依据序号检

5、验项目检验方法1可迁移元素的最大限量GB6675.4-20142甲醛含量GB/T32606-20163标识和使用说明GB21027-2020表9文具(卷削类文具)检验项目及依据序号检验项目检验方法1边缘、尖端GB21027-20202标识和使用说明GB21027-2020表10文具(本册)检验项目及依据序号检验项目检验方法1可迁移元素的最大限量GB6675.4-20142本册亮度(白度)GB/T7974-20133标识和使用说明GB21027-2020执行企业标准、团体标准、地方标准的产品,检验项目参照上述内容执行。注:所抽产品生产日期为GB21027-2020实施前(即2022-02-01前

6、),且明示标准为GB21027-2007的,可用GB21027-2007进行相关项目的检测判定,其它情况需用GB21027-2020进行相关项目的检测判定。3判定规则3.1 依据标准GB21027-2020学生用品的安全通用要求现行有效的企业标准、团体标准、地方标准及产品明示质量要求。3.2 判定原则经检验,检验项目全部合格,判定为被抽查产品所检项目未发现不合格;检验项目中任一项或一项以上不合格,判定为被抽查产品不合格。若被检产品明示的质量要求高于本细则中检验项目依据的标准要求时,应按被检产品明示的质量要求判定。若被检产品明示的质量要求低于本细则中检验项目依据的强制性标准要求时,应按照强制性标准要求判定。若被检产品明示的质量要求低于或包含本细则中检验项目依据的推荐性标准要求时,应以被检产品明示的质量要求判定。若被检产品明示的质量要求缺少本细则中检验项目依据的强制性标准要求时,应按照强制性标准要求判定。若被检产品明示的质量要求缺少本细则中检验项目依据的推荐性标准要求时,该项目不参与判定。

展开阅读全文
相关资源
猜你喜欢
相关搜索

当前位置:首页 > 办公文档 > 统计图表

copyright@ 2008-2023 1wenmi网站版权所有

经营许可证编号:宁ICP备2022001189号-1

本站为文档C2C交易模式,即用户上传的文档直接被用户下载,本站只是中间服务平台,本站所有文档下载所得的收益归上传人(含作者)所有。第壹文秘仅提供信息存储空间,仅对用户上传内容的表现方式做保护处理,对上载内容本身不做任何修改或编辑。若文档所含内容侵犯了您的版权或隐私,请立即通知第壹文秘网,我们立即给予删除!