计价格[1999]1283号-建设项目前期工作咨询收费暂行规定.docx

上传人:p** 文档编号:546545 上传时间:2023-10-24 格式:DOCX 页数:4 大小:19.73KB
下载 相关 举报
计价格[1999]1283号-建设项目前期工作咨询收费暂行规定.docx_第1页
第1页 / 共4页
计价格[1999]1283号-建设项目前期工作咨询收费暂行规定.docx_第2页
第2页 / 共4页
计价格[1999]1283号-建设项目前期工作咨询收费暂行规定.docx_第3页
第3页 / 共4页
计价格[1999]1283号-建设项目前期工作咨询收费暂行规定.docx_第4页
第4页 / 共4页
亲,该文档总共4页,全部预览完了,如果喜欢就下载吧!
资源描述

《计价格[1999]1283号-建设项目前期工作咨询收费暂行规定.docx》由会员分享,可在线阅读,更多相关《计价格[1999]1283号-建设项目前期工作咨询收费暂行规定.docx(4页珍藏版)》请在第壹文秘上搜索。

1、建设项目前期工作咨询收费暂行规定计价格19991283号一九九九年九月十日为规范建设项目前期工作咨询收费行为,维护委托人和工程咨询机构的合法权益,促进工程咨询业的健康发展,国家计委制定了建设项目前期工作咨询收费暂行规定,以计价格19991283号文件印发各省、自治区、直辖市物价局(委员会)、计委(计经委)及中国工程咨询协会,现全文刊登,请各工程咨询单位认真贯彻执行,并将执行中遇到的问题及时反馈。第一条为提高建设项目前期工作质量,促进工程咨询社会化、市场化、规范工程咨询收费行为,根据中华人民共和国价格法及有关法律法规,制定本规定。第二条本规定适用于建设项目前期工作的咨询收费,包括建设项目专题研究

2、、编制和评估项目建议书或者可行性研究报告,以及其它与建设项目前期工作有关的咨询服务收费。第三条建设项目前期工程咨询服务,应遵循自愿原则,委托方自主决定选择工程咨询机构,工程咨询机构自主决定是否接收委托。第四条从事工程咨询的机构,必须取得相应工程咨询资格证书,具有法人资格,并依法纳税。第五条工程咨询机构应遵守国家法律、法规和行业行为准则,开展公平竞争,不得采取不正当手段承揽业务。第六条工程咨询机构提供咨询服务,应遵循客观、科学、公平、公正原则,符合国家经济技术政策、规定,符合委托方的技术、质量要求。第七条工程咨询机构承担编制建设项目的项目建议书、可行性报告、初步设计文件的,不能再参与同一建设项目

3、的项目建议书、可行性研究报告以及工程设计文件的咨询评估业务。第八条工程咨询收费实行政府指导价。具体收费标准由工程咨询机构与委托方根据本规定的指导性收费标准协商确定。第九条工程咨询收费根据不同工程咨询项目的性质、内容,采取以下方法计取费用:(一)按建设项目估算投资额,分档计算工程咨询费用(见附件一、二)。(二)按工程咨询工作所耗工日计算工程咨询费用(见附件三)O按照前款两种方法不便于计费的,可以参照本规定的工日费用标准由工程咨询机构与委托方议定。但参照工日计算的收费额不得超过按估算投资额分档计费方式计算的收费额。第十条采取按建设项目估算投资额分档计费的,以建设项目的项目建议书或者可行性研究报告的

4、估算投资为计费依据。使用工程咨询机构推荐方案计算的投资与原估算投资发生增减变化时,咨询收费不再调整。第十一条工程咨询机构在编制项目建议书或者可行性研究报告时需要勘察、试验,评估项目建议书或者可行性研究报告时需要对勘察、试验数据进行复核,工作量明显增加需要加收费用的,可由双方另行协商加收的费用额和支付方式。第十二条工程咨询服务中,工程咨询机构提供自有专利、专有技术,需要另行支付费用的,国家有规定的,按规定执行;没有规定的,由双方协商费用额和支付方式。第十三条建设项目前期工作咨询应体现优质优价原则,优质优价的具体幅度由双方在规定的收费标准的基础上协商确定。第十四条工程咨询费用,由委托方与工程咨询机

5、构依据本规定,在工程咨询合同中以专门条款确定费用数额及支付方式。第十五条工程咨询机构按合同收取咨询费用后,不得再要求委托方无偿提供食宿、交通等便利。第十六条工程咨询机构对外聘专家的付费按工日费用标准计算并支付,外聘专家,如有从业单位的,专家费用应支付给专家从业单位。第十七条委托方应按合同规定及时向工程咨询机构提供开展咨询业务所必须的工作条件和资料。由于委托方原因造成咨询工作量增加或处长工程咨询期限的,工程咨询机构可与委托方协商加收费用。第十八条工程咨询机构提交的咨询成果达不到合同规定标准的,应负责完善,委托方不另支付咨询费。第十九条工程咨询合同履行过程中,由于咨询机构失误造成委托方损失的,委托

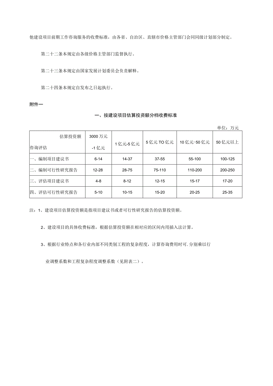
6、方可扣减或者追回部分以至全部咨询费用,对造成的直接经济损失,咨询机构应部分或全部赔偿。第二十条涉外工程咨询业务中有特殊要求,工程咨询机构可与委托方参照国外有关收费办法协商确定咨询费用。第二十一条建设项目投资额在3000万元以下的和除编制、评估项目建议书或者可行性研究报告以外的其他建设项目前期工作咨询服务的收费标准,由各省、自治区、直辖市价格主管部门会同同级计划部分制定。第二十二条本规定由各级价格主管部门监督执行。第二十三条本规定由国家发展计划委员会负责解释。第二十四条本规定自发布之日起执行。附件一一、按建设项目估算投资额分档收费标准单位:万元估算投资额咨询评估3000万元-1亿元1亿元-5亿元

7、5亿元TO亿元10亿元-50亿元50亿元以上一、编制项目建议书6-1414-3737-5555-100100-125二、编制可行性研究报告12-2828-7575-110110-200200-250三、评估项目建议书4-88-1212-1515-1717-20四、评估可行性研究报告5-1010-1515-2020-2525-35注:1、建设项目估算投资额是指项目建议书或者可行性研究报告的估算投资额。2、建设项目的具体收费标准,根据估算投资额在相对应的区间内用插入法计算。3、根据行业特点和各行业内部不同类别工程的复杂程度,计算咨询费用时可.分别乘以行业调整系数和工程复杂程度调整系数(见附表二)。

8、附件二二、按建设项目估算投资额分档收费的调整系数行业峥缴(联加幄砒1)一、行业调整系数1、石化化工、钢铁1.32、石油、天然气、水和水电,5三(ZK运)、化纤1.23、有色魁缴R、轻工、邮电、广播电视、购搬、火电(含核电)、机械(含船舶、航空、航天兵器)1.04、lk触、粮食、觥0.85、建林碱(公酚、m市舷里!程0.7二、工程复杂程度调整系数0.8-1.2注:工程复杂程度具体调整系数由工程咨询机构与委托单位根据各类工程情况协商确定。附件三三、工程咨询人员工日费用标准单位:元咨询人员职级工日费用标准一、高级专家1000-1200二、高级专业技术职称的咨询人员800-1000三、中级专业技术职称的咨询人员600-800

展开阅读全文
相关资源
猜你喜欢
相关搜索

当前位置:首页 > 法律/法学 > 理论/案例

copyright@ 2008-2023 1wenmi网站版权所有

经营许可证编号:宁ICP备2022001189号-1

本站为文档C2C交易模式,即用户上传的文档直接被用户下载,本站只是中间服务平台,本站所有文档下载所得的收益归上传人(含作者)所有。第壹文秘仅提供信息存储空间,仅对用户上传内容的表现方式做保护处理,对上载内容本身不做任何修改或编辑。若文档所含内容侵犯了您的版权或隐私,请立即通知第壹文秘网,我们立即给予删除!