钢桥结构质量评估数据管理系统表设计.docx

上传人:p** 文档编号:546605 上传时间:2023-10-24 格式:DOCX 页数:4 大小:25.19KB
下载 相关 举报
钢桥结构质量评估数据管理系统表设计.docx_第1页
第1页 / 共4页
钢桥结构质量评估数据管理系统表设计.docx_第2页
第2页 / 共4页
钢桥结构质量评估数据管理系统表设计.docx_第3页
第3页 / 共4页
钢桥结构质量评估数据管理系统表设计.docx_第4页
第4页 / 共4页
亲,该文档总共4页,全部预览完了,如果喜欢就下载吧!
资源描述

《钢桥结构质量评估数据管理系统表设计.docx》由会员分享,可在线阅读,更多相关《钢桥结构质量评估数据管理系统表设计.docx(4页珍藏版)》请在第壹文秘上搜索。

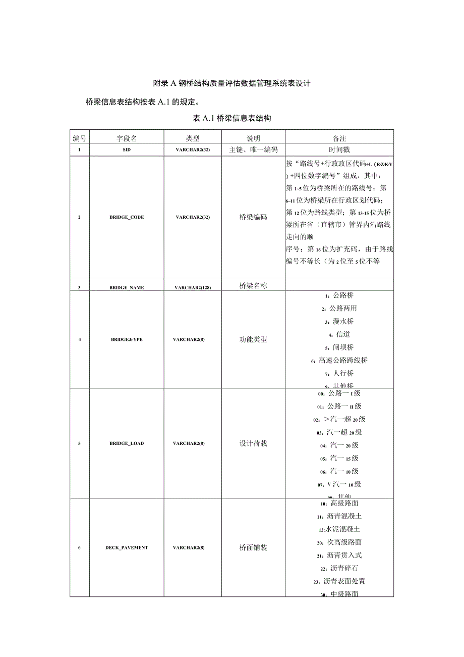
1、附录A钢桥结构质量评估数据管理系统表设计桥梁信息表结构按表A.1的规定。表A.1桥梁信息表结构编号字段名类型说明备注1SIDVARCHAR2(32)主键、唯一编码时间戳2BRIDGE_CODEVARCHAR2(32)桥梁编码按“路线号+行政政区代码L(RZKY)+四位数字编号”组成,其中:第15位为桥梁所在的路线号;第611位为桥梁所在行政区划代码;第12位为路线类型;第13-15位为桥梁所在省(直辖市)管界内沿路线走向的顺序号;第16位为扩充码,由于路线编号不等长(为2位至5位不等3BRlDGE_NAMEVARCHAR2(128)桥梁名称4BRlDGEJrYPEVARCHAR2(8)功能类型

2、1:公路桥2:公路两用3:漫水桥4:信道5:闸坝桥6:高速公路跨线桥7:人行桥9:其他桥5BRIDGE_LOADVARCHAR2(8)设计荷载00:公路一I级01:公路一II级02:汽一超20级03:汽一超20级04:汽一20级05:汽一15级06:汽一10级07:V汽一10级09:其他6DECK_PAVEMENTVRCHAR2(8)桥面铺装10:高级路面11:沥青混凝土12:水泥混凝土20:次高级路面21:沥青贯入式22:沥青碎石23:沥青表面处置30:中级路面编号字段名类型说明备注31:碎、砾石(泥结或级配)32:半整齐石块33:其它粒料40:低级路面41:粒料加固土42:其它当地材料加固

3、或改善土50:无路面(未进行铺装的路面)90:其他91:钢桥面92:复合材料93:木面7STRUCTURE_CATEGORYVARCHAR2(8)上部结构类型1:斜拉桥2:悬索桥3:拱桥4:梁式桥5:桁架桥6:其他桥8TRAFFICjnMEDATE通车时间YYYY/MM/DDHH24:MM:SS9SPAN_COMBINATIONVRCHR2(128)桥跨组合沿路走向的桥梁各孔跨径组合的数字表达式10WlDTH.COMBINATIONVARCHAR2(128)桥宽组合系指人行道(护轮安全带)宽、行车道宽及中间分隔带宽组合的数字表达式11EXPANSIONJOINTVARCHAR2(8)伸缩缝类型

4、00:无01:锌铁皮U形伸缩缝02:钢板伸缩缝03:橡胶伸缩缝04:无缝式伸缩缝05:自然留缝06:梳形钢板伸缩缝07:型钢伸缩缝09:其他10:弹塑性体暗缝11:毛勒缝12:XLF系列伸缩缝13:SSFD-80型伸缩缝14:SCCM280型伸缩缝12SUPPORTjYPEVARCHAR2(8)支座形式00:无01:橡胶支座(板式、盆式)02:钢支座03:混凝土摆式支座04:横向竖向支座05:油毛毡支座编号字段名类型说明备注13PEAK_GROUND_MOTIONNUMBER地震动峰值加速度系数设计基本地震动峰值加速度,即对应基本烈度50年超越概率为10%的动峰值加速度14RATINGVARC

5、HAR2(8)全桥评定等级1:I类2:II类3:In类4:N类5:V类15BUILD_UNITVARClIAR2(128)建设单位16DESIGNEJJNlTVARClIAR2(128)设计单位17CONSTRUCT】ONjJNlTVRCHR2(128)施工单位18CONTROL_UNITVARCHAR2(128)监理单位19MAlNTENANCEjJNlTVARCHAR2(128)管养单位设备信息表结构按表A.2的规定。表A.2设备信息表结构编号字段名类型说明备注1SIDVARCHAR2(32)主键、唯一编码时间戳2BRIDGE工ODEVARCHAR2(32)设备代码:UTF-8字符3BRl

6、DGE_NAMEVARCHR2(32)工程编码4BRIDGE_TYPEVARCHAR2(32)设备类型5BRIDGE_LOADVARCHAR2(32)IP地址6CHANNELVARCHAR2(8)连接通道7STATUSNUMBER设备状态1:正常2:异常3:报废4:其他8INSTALL_TIMEDATE安置时间YYYY/MM/DDHII24:MM:SS9LIFENUMBER设计寿命单位:年10DevicejiodelVARCHR2(32)型号编号字段名类型说明备注11MANUFACTORYVARCHAR2(128)生产厂家12POSITIONVARCHAR2(64)位置设备安装位置13RELATIONVARCHAR2(32)关联

展开阅读全文
相关资源
猜你喜欢
相关搜索

当前位置:首页 > 高等教育 > 大学课件

copyright@ 2008-2023 1wenmi网站版权所有

经营许可证编号:宁ICP备2022001189号-1

本站为文档C2C交易模式,即用户上传的文档直接被用户下载,本站只是中间服务平台,本站所有文档下载所得的收益归上传人(含作者)所有。第壹文秘仅提供信息存储空间,仅对用户上传内容的表现方式做保护处理,对上载内容本身不做任何修改或编辑。若文档所含内容侵犯了您的版权或隐私,请立即通知第壹文秘网,我们立即给予删除!