汽轮发电机空冷汽轮发电机组检修规程.docx

上传人:p** 文档编号:551127 上传时间:2023-10-27 格式:DOCX 页数:11 大小:44.94KB
下载 相关 举报
汽轮发电机空冷汽轮发电机组检修规程.docx_第1页
第1页 / 共11页
汽轮发电机空冷汽轮发电机组检修规程.docx_第2页
第2页 / 共11页
汽轮发电机空冷汽轮发电机组检修规程.docx_第3页
第3页 / 共11页
汽轮发电机空冷汽轮发电机组检修规程.docx_第4页
第4页 / 共11页
汽轮发电机空冷汽轮发电机组检修规程.docx_第5页
第5页 / 共11页
汽轮发电机空冷汽轮发电机组检修规程.docx_第6页
第6页 / 共11页
汽轮发电机空冷汽轮发电机组检修规程.docx_第7页
第7页 / 共11页
汽轮发电机空冷汽轮发电机组检修规程.docx_第8页
第8页 / 共11页
汽轮发电机空冷汽轮发电机组检修规程.docx_第9页
第9页 / 共11页
汽轮发电机空冷汽轮发电机组检修规程.docx_第10页
第10页 / 共11页
亲,该文档总共11页,到这儿已超出免费预览范围,如果喜欢就下载吧!
资源描述

《汽轮发电机空冷汽轮发电机组检修规程.docx》由会员分享,可在线阅读,更多相关《汽轮发电机空冷汽轮发电机组检修规程.docx(11页珍藏版)》请在第壹文秘上搜索。

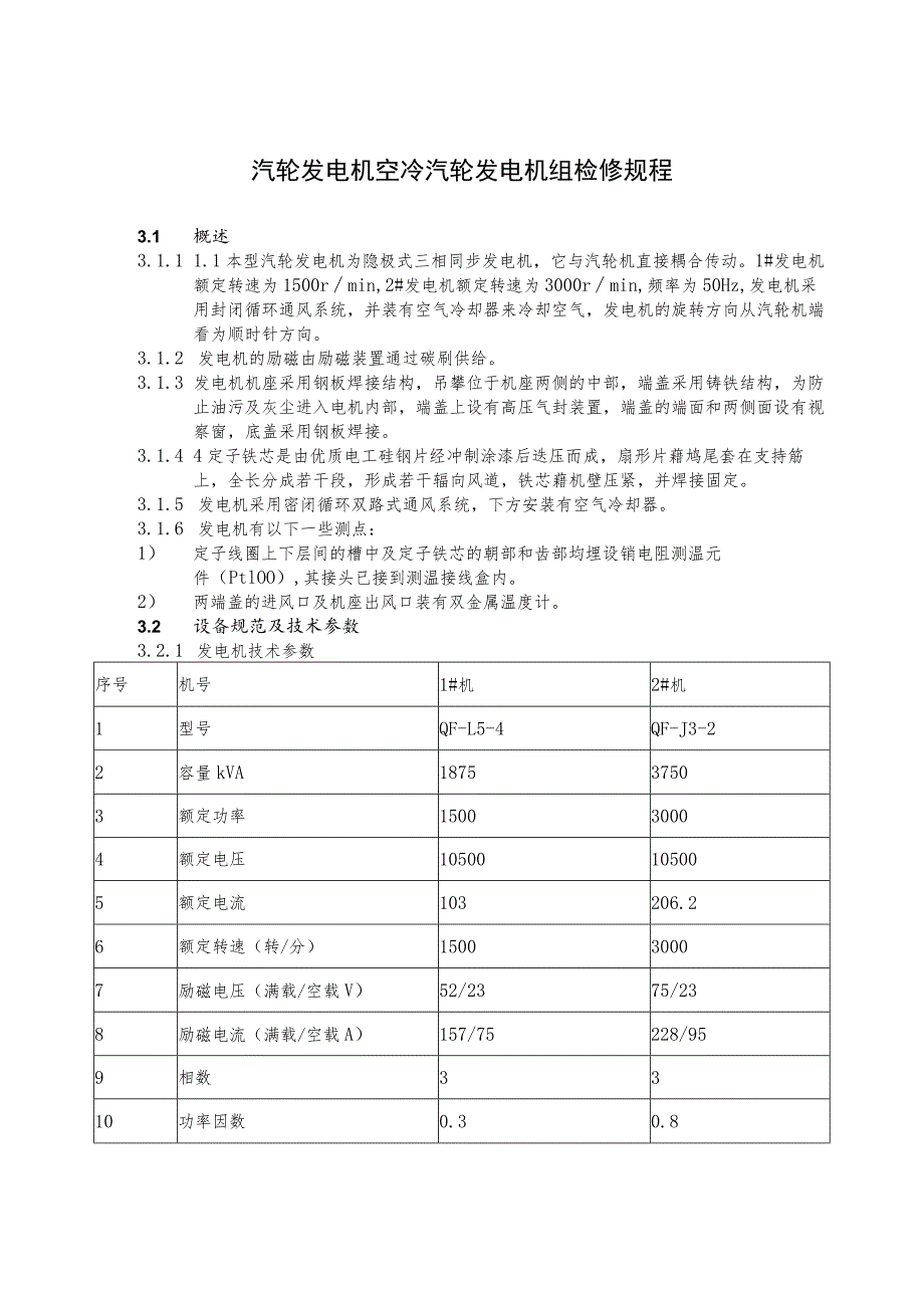
1、汽轮发电机空冷汽轮发电机组检修规程3.1 概述3.1.1 1.1本型汽轮发电机为隐极式三相同步发电机,它与汽轮机直接耦合传动。1#发电机额定转速为1500rmin,2#发电机额定转速为3000rmin,频率为50Hz,发电机采用封闭循环通风系统,并装有空气冷却器来冷却空气,发电机的旋转方向从汽轮机端看为顺时针方向。3.1.2 发电机的励磁由励磁装置通过碳刷供给。3.1.3 发电机机座采用钢板焊接结构,吊攀位于机座两侧的中部,端盖采用铸铁结构,为防止油污及灰尘进入电机内部,端盖上设有高压气封装置,端盖的端面和两侧面设有视察窗,底盖采用钢板焊接。3.1.4 4定子铁芯是由优质电工硅钢片经冲制涂漆后

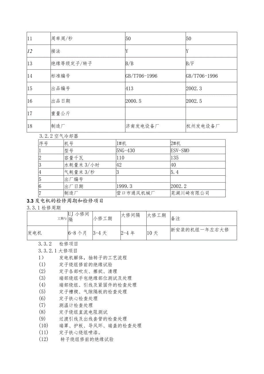
2、迭压而成,扇形片藉鸠尾套在支持筋上,全长分成若干段,形成若干辐向风道,铁芯藉机壁压紧,并焊接固定。3.1.5 发电机采用密闭循环双路式通风系统,下方安装有空气冷却器。3.1.6 发电机有以下一些测点:1) 定子线圈上下层间的槽中及定子铁芯的朝部和齿部均埋设销电阻测温元件(PtlOO),其接头已接到测温接线盒内。2) 两端盖的进风口及机座出风口装有双金属温度计。3.2 设备规范及技术参数3.2.1 发电机技术参数序号机号1#机2#机1型号QF-L5-4QF-J3-22容量kVA187537503额定功率150030004额定电压10500105005额定电流103206.26额定转速(转/分)1

3、50030007励磁电压(满载/空载V)52/2375/238励磁电流(满载/空载A)157/75228/959相数3310功率因数0.30.811周率周/秒505012接法YY13绝缘等级定子/转子B/BB/F14标准编号GB/T706-1996GB/T706-199615出品编号4132002.316出品日期2000.52002.517重量公斤18制造厂济南发电设备厂杭州发电设备厂3.2.2空气冷却器序号机号1#机2#机1型号5NG-430ESV-SMO2容量千瓦1101353水耗量米3/小时42404气耗量米3/秒35.45出厂编号6出厂日期1999.32002.27制造厂营口市通风机械

4、厂芜湖川崎有限公司3.3发电机的检修周期和检修项目3.3.1检修周期工期与UJ小修间隔小修工期大修间隔大修工期备注发电机6-8个月3-4天2-4年10天新安装的机组一年左右大修3.3.2检修项目3.3.2.1大修项目1)发电机解体,抽转子的工艺流程(1) 定子绕组修前的绝缘试验(2) 定子各部吹灰、擦拭、清理(3) 端部绕组手包绝缘部位测试及处理(4) 端部绕组、引线及紧固件的检查处理(5) 定子槽楔、气隙隔板的检查处理(6) 定子铁心检查处理(7) 测温计检查处理(8) 定子绕组直流电阻测试(9) 过渡引线及出线套管的检查处理(10) 端罩、护板、导风环、端盖的检查处理(11) 定子铁心绕组

5、喷漆。(12) 转子绕组修前的绝缘试验(13) 转子吹灰、擦拭(14) 转子气密性风压实验的检查处理(15) 转子槽楔、护环、心环、平衡块的检查处理(16) 转子护环、心环、风扇叶片的探伤检验(17) 转子通风孔的通风试验(18) 转子端部底匝检查(19) 转子绕组绝缘电阻、直流电阻、交流阻抗的测试(20) 转子表面喷漆(21) 滑环及刷架,电刷的检查处理(22) 发电机本体热工表计校验、拆装(23) 发电机回装、转子就位(24) 定、转子气隙测量(25) 刷架吹扫、检查、就位、调整2) 冷却系统大修标准项目(1) 冷却器吊出、清扫、水压试验找漏及处理(2) 冷却水管路刷防锈漆及标志漆,阀门补

6、全编号标牌3) 发电机组回装后整体实验(1) 发电机整体气密性实验(2) 修后定子、转子绝缘实验(3) 启动后测转子交流阻抗、发电机的空载短路特性及振动幅值3. 2.2.2小修标准项目1) 发电机本体小修标准项目(1) 引线端部、过渡引线及出线套管的检查(2) 测定子绕组绝缘电阻、转子绕组绝缘电阻以及励磁回路绝缘电阻,对定子绕组进行每年一次的直流电耐压试验3.3大修前准备发电机停电检修前,应根据现场情况、运行中发生的情况以及改进措施,编制检修项目、进度,准备必须的工具、仪表,备品和材料,还应进行一些必要的试验。3.3.1解体前的工作3. 3.1.1检查解体准备工作的落实情况1) 检修人员各种配

7、备是否齐全,分工是否明确。2) 按大修进度统筹图或网络图排定的发电机组检修各段工序、日程检修人员是否都已了解。3) 专用工器具、起重工具、电火焊工具、试验设备、仪器、仪表等是否已点清、修好、备齐。4) 专用材料(绝缘材料、焊接材料、密封材料等)及检修用电源(照明及动力)、气源(压缩空气)是否已齐全,主要备品备件是否已到厂。5) 检修的工艺措施、质量标准是否已通过培训,为检修人员所掌握。6) 消防器材是否备妥,安全保卫措施是否已指定落实。7) 检修的施工现场是否已划分妥当,常用检修工具保管箱及试验设备是否已往现场,临时照明是否已架设,工作台及砂轮、台钻等是否已布置就绪。8) 专用记录表格、工序卡

8、、验收单及必需图纸是否齐备所有上述工作必须在解体前完成3.3.1.2定子绕组大修前的绝缘试验在发电机6只出线与外部联结均已断开的情况下,进行下列项目的试验。1) 测绝缘电阻与吸收比。用专用兆欧表(2500V)测量。定子绕组绝缘电阻不作规定。在温度、湿度相近的试验条件下,若绝缘电阻降低到历年正常值的1/3以下时,应查明原因,设法消除。各相绝缘电阻值的差不应大于最小值的100机吸收比不小于1.3o2) 直流耐压并测泄露电流试验电压为2.5倍额定电压。各相泄露电流之差不应大于最小值的100%。泄露电流不随时间的延长而增长(试验电压按每级0.5倍额定电压分段升高,每阶段停留Irnin)。否则应注意分析

9、原因。3) 交流耐压试验电压为L5倍额定电压,Imin;分相进行。试验前后,应测定子绕组绝缘电阻。上述试验也可在转子抽出后立即进行(即在8.3.2之前)。3.3. 1.3联系汽机检修人员拆开发电机转子与汽轮机转子的联轴器并拆下发电机端盖轴承与密封瓦的油管路、联系热工检修人员拆开测温装置的引线、拆下机壳上的温度表计。3.4检修工艺及质量标准3.4.1励磁机的拆除检修工艺质量标准1、分别拆除两侧励磁机励磁电源、加热器电源及转子接地检测连线。所拆连线必须完好,外表无划伤、连线无拆断、扭曲,线号标示清楚完整。2、用专用工具分别拆除励磁机励端六块护罩以及端部护板、机端风扇(上下两块)护板。将拆下螺栓放置

10、专用箱保管,护罩、护板编号后放置指定位置。3、用专用扳手拆除励磁机励端小支撑座与水平接合面的连接螺栓及定位销。将所拆螺栓收于专用箱保管。4、用25t卡扣和25mm钢丝绳分别吊住励磁机励端小支撑座,并缓慢点动提升,使之与水平接合面脱离,然后逐渐均匀地缓慢地向外移动,直至其与主励磁机及转子脱离。将拆下的支座移置指定位置。5、利用专用工具测量励磁机与转子之间的间隙。两测各测四点,所测值与历年值比较并做好记录。测值与平均值之差应在气隙平均值的10%以内。并做好相应的记录。6、用专用扳手拆除主励磁机支座与水平接合面的连接螺栓及定位销。并将所拆螺栓收于专用箱保管。7、用专用工具拆除励磁机与旋转二级管的连线

11、,并将拆下螺栓存放在专用的工具箱内保存,检查旋转达二极管的连接和使用情况。8、用25t卡扣和25mm钢丝绳分别吊住励磁机两吊挂点,缓慢点动提升,使之与水平接合面脱离,然后逐渐均匀地缓慢地向外移动,直至其脱离转子。将拆除的励磁机缓慢吊至指定位置。3.4.2拆下并吊走两侧左右大、小端盖检修工艺质量标准1、联系汽机检修人员拆下两侧端盖轴承的相关部件及密封瓦座、密封瓦、管路等。为拆走端盖做好准备2、取下两侧左右小端盖结合面的定位销。做好位置记号与记录。3、用专用扳手拆下左右端盖垂直结合面的紧固螺丝以及与左右大端盖结合面的紧固螺栓。拆下的螺母套在原螺杆上,与定位销一起放入专用箱保管。4、用25t卡扣和2

12、5mm钢丝绳吊住左(右)小端盖,指挥吊钩对准端盖中心缓缓左(右)移至大轴以外并逐渐上提.,左右两边各有一个人扶住,使端盖向外侧移动.然后吊到指定位置,并使端盖结合面朝上,平放在道木上。5、使用相同程序分别拆除左右大端盖。3.4.3测量定转子气隙检修工艺质量标准发电机定转子气隙如无专用工具测量,可间接法替代。既测量转子或轴的表面与定子基准面的径向距离。汽、励两测各测四点,与历年值比较并做好记录。测值与统一端面气隙平均值之差应在气隙平均值的10%以内。3.4.4抽转子的准备工作检修工艺质量标准1、首先组织参加本工序的所有人员学习抽转子的步骤、要领、安全措施。学习必须认真,学习完毕组织测验考试;明确

13、职责和分工,交代安全事项,服从统一指挥。2、F列工器具必须送抵现场:必须有专人登记记录,且由检修组负责人一一查验,并签字确认。序号名称代号数用途备注1接长轴03B27041延长转子随机供应2梁06C15941支撑滑板随机供应3滑板1放滑块4绝缘纸板包转子自备5薄木板包转子自备6滑块02A77241支撑转子励端随机供应7M56200螺栓05D571912紧固接长轴随机供应8钢丝绳05D57162吊转子随机供应9吊转子工具02B94702吊转子随机供应10。40圆柱定位销04D44424固定吊转子工具随机供应11六角螺栓05D24588固定吊转子工具用端盖螺栓125吨倒链2拉转子自备13支座2放转

14、子3.4.5抽出转子检修工艺质量标准1、铺好滑板,滑板上适当抹一些润滑油。2、装配好滑块后可将励侧吊转子工具拆除。找一固定点将倒链连接在滑块和该点之间,让倒链稍稍吃紧。3、用天车吊住转子汽端对轮。使定转子气隙左右相当上小下大。4、缓慢拉动倒链,根据转子位移量指挥天车同步移动。此时要有专人观察汽励两端的定转子气隙,如有较大变化及时喊停。5、当天车移动受限时,即可装接长轴。同时用吊转子工具从对轮上吊住转子,然后挪动天车,再用天车从假轴第一段尾部吊住转子。然后松开吊转子工具。6、继续用天车和倒链配合移动转子。7、当三段假轴全部伸出后,可将天车移到励侧,用钢丝绳吊转子。转子必须用毛毡、绝缘纸和木板包好。8、撤去吊转子工具、倒链,将转子水平吊出,放在专用支架上。用塑料布盖好转子。3.4.6定子检修3.4.6.1定子膛内工作注意事项检

展开阅读全文
相关资源
猜你喜欢
相关搜索

当前位置:首页 > 行业资料 > 能源与动力工程

copyright@ 2008-2023 1wenmi网站版权所有

经营许可证编号:宁ICP备2022001189号-1

本站为文档C2C交易模式,即用户上传的文档直接被用户下载,本站只是中间服务平台,本站所有文档下载所得的收益归上传人(含作者)所有。第壹文秘仅提供信息存储空间,仅对用户上传内容的表现方式做保护处理,对上载内容本身不做任何修改或编辑。若文档所含内容侵犯了您的版权或隐私,请立即通知第壹文秘网,我们立即给予删除!