4.0米高重力式挡墙验算(土压力计算方式:库伦).docx

上传人:p** 文档编号:555438 上传时间:2023-10-31 格式:DOCX 页数:12 大小:52.04KB
下载 相关 举报
4.0米高重力式挡墙验算(土压力计算方式:库伦).docx_第1页
第1页 / 共12页
4.0米高重力式挡墙验算(土压力计算方式:库伦).docx_第2页
第2页 / 共12页
4.0米高重力式挡墙验算(土压力计算方式:库伦).docx_第3页
第3页 / 共12页
4.0米高重力式挡墙验算(土压力计算方式:库伦).docx_第4页
第4页 / 共12页
4.0米高重力式挡墙验算(土压力计算方式:库伦).docx_第5页
第5页 / 共12页
4.0米高重力式挡墙验算(土压力计算方式:库伦).docx_第6页
第6页 / 共12页
4.0米高重力式挡墙验算(土压力计算方式:库伦).docx_第7页
第7页 / 共12页
4.0米高重力式挡墙验算(土压力计算方式:库伦).docx_第8页
第8页 / 共12页
4.0米高重力式挡墙验算(土压力计算方式:库伦).docx_第9页
第9页 / 共12页
4.0米高重力式挡墙验算(土压力计算方式:库伦).docx_第10页
第10页 / 共12页
亲,该文档总共12页,到这儿已超出免费预览范围,如果喜欢就下载吧!
资源描述

《4.0米高重力式挡墙验算(土压力计算方式:库伦).docx》由会员分享,可在线阅读,更多相关《4.0米高重力式挡墙验算(土压力计算方式:库伦).docx(12页珍藏版)》请在第壹文秘上搜索。

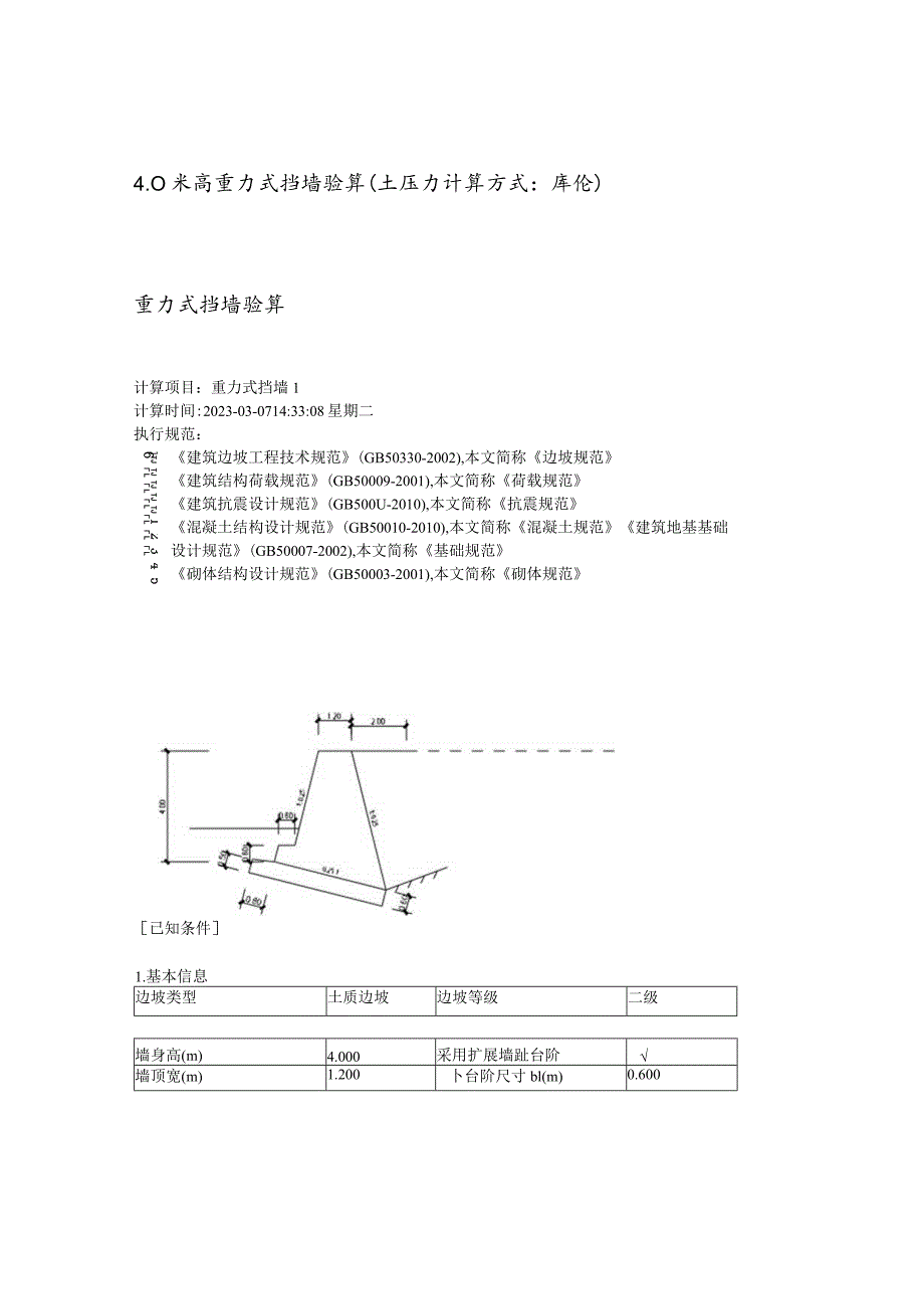
1、4.O米高重力式挡墙验算(土压力计算方式:库伦)重力式挡墙验算计算项目:重力式挡墙1计算时间:2023-03-0714:33:08星期二执行规范:TJ TJ TJ TJ TJ 1 2 3 4 5 6 L L L L L L建筑边坡工程技术规范(GB50330-2002),本文简称边坡规范建筑结构荷载规范(GB50009-2001),本文简称荷载规范建筑抗震设计规范(GB500U-2010),本文简称抗震规范混凝土结构设计规范(GB50010-2010),本文简称混凝土规范建筑地基基础设计规范(GB50007-2002),本文简称基础规范砌体结构设计规范(GB50003-2001),本文简称砌体

2、规范已知条件1.基本信息边坡类型土质边坡边坡等级二级墙身高(m)4.000采用扩展墙趾台阶墙顶宽(m)1.200卜台阶尺寸bl(m)0.600面坡倾斜坡度(Lm)0.250卜台阶尺寸hl(m)0.600背坡倾斜坡度(l:m)0.250卜台阶尺寸b2(m)0.000墙底倾斜坡度(m:l)0.250卜台阶尺寸h2(m)0.000采用扩展墙踵台阶乂L台阶与墙面坡度相同采用钢筋碎扩展基础墙身材料种类素混凝土墙体容重(kNO25.000破强度等级C25受剪验算是否考虑轴力乂钢筋破扩展基础:土压力起算点结构底面悬挑长度Gn)0.800根部高度(m)0.600端头高度(m)0.500梯头宽度血)0.000梯

3、头高度(m)0.000基础容重(kNm)25.000混凝土强度等级C25钢筋级别HRB400钢筋合力点到外皮距离(nun)50.0002.岩土信息背侧坡线数面侧坡线数墙趾埋深(m)1.200背侧坡线序号水平投影长(m)竖向投影长(m)坡线长(m)坡线仰角(度)荷载数12.0000.0002.0000.0000面侧坡线水平投影长竖向投影长坡线长坡线仰角序号(m)(In)(m)(度)12墙后填土层数1填土与墙背摩擦角(度)11.500墙后稳定地面角(度)20.000填土与稳定面摩擦角(度)10.750墙后土层土层厚重度浮重度粘聚力内摩擦角序号(m)(kNm3)(kNm3)(kPa)(度)地基岩土重

4、度(kNO20.100地基岩土粘聚力(kPa)16.970地基岩土内摩擦角(度)10.750修正后承载力特征值(kPa)150.000地基岩土对基底摩擦系数0.200地基岩土间摩擦系数0.500基底宽度取斜面长度20.0003.00023.0003.荷载信息场地环境一般地区土压力计算方法库仑主动岩土压力增大系数1.000有限范围填压力荷载组合数2序号组合名称组合系数1组合12组合2(1)组合1序号荷载名称荷载类型是否参与分项系数1挡墙结构自重永久荷载1.0002墙顶与第二破裂面间有效荷载永久荷载1.0003墙背侧岩土侧压力永久荷载1.0004墙背侧地表荷载引起岩土侧压力可变荷载1.000(2)

5、组合2序号荷载名称荷载类型是否参与分项系数1挡墙结构自重永久荷载1.0002墙顶与第二破裂面间有效荷载永久荷载1.0003墙背侧岩土侧压力永久荷载1.0004墙背侧地表荷载引起岩土侧压力可变荷载1.000计算内容(1)墙身力系计算(2)滑动稳定性验算(3)倾覆稳定性验算(4)地基承载力及偏心距验算(5)基础强度验算(6)墙底截面强度验算(7)台顶截面强度验算计算结果一、【组合1】(一)作用在挡土墙上的力系计算1岩土压力计算(1)合力按边坡规范公式(6.2.8)计算有限范围填土土压力:Ea=81.153(kN)Ex=73.225(kN)Ey=34.984(kN)作用点高度Zy=L671(m)(2

6、)分布岩土压力分布见左侧结果图。2墙身重力计算墙身截面积=11.085(m2)重量=277.133(kN)重心至墙趾的水平距离=2.213(m)(一)滑动稳定性验算基底摩擦系数=0.200因墙下基础为钢筋混凝土底板,所以需要验算基础底面的滑移稳定性基础截面积=2.947(m2)基础重量Wj=73.671(kN)采用倾斜基底增强抗滑动稳定性,计算过程如下:基底倾斜角度=14.036(度)总竖向力二385.788(kN),在基底面的法向分量二374.269(kN),切向分量=93.567(kN)总水平力=73.225(kN),在基底面的法向分量=17.760(kN),切向分量=71.039(kN)

7、滑移力=-22.528(kN)抗滑力=78.406(kN)滑移力为负值,不计算抗滑移稳定安全系数!地基土摩擦系数=0.500地基土土楔重=58.600(kN)地基土层水平向:滑移力=73.225(kN)抗滑力:222.194(kN)地基土层水平向:滑移验算满足:心=3.0341.300(三)倾覆稳定性验算相对于墙趾点:墙身重力的力臂=2.213(m)Ey的力臂=3.636(m)EX的力臂=0.658(m)基础为钢筋混凝土底板,验算挡土墙绕基础趾点倾覆稳定性基础截面积=2.947(m2)基础重量Wj=73.671kN基础重心距离基础趾点的水平距离=2.516(m)倾覆力矩=76.582(kN-m

8、)抗倾覆力矩=1213.568(kN-m)倾覆验算满足:KO=15.8471.600(四)地基承载力及偏心距验算基础类型为钢筋碎底板,验算底板下偏心距及压应力基础截面积=2.947(m2)基础重量Wj=73.671(kN)取倾斜基底的倾斜宽度验算地基承载力和偏心距相对于墙趾点:总竖向力(标准值)=392.029(kN)总弯矩(标准值)=1136.986(kN-m)力臂Zn=2.900(m)基础底面宽度B=4.978(m)偏心距e=-0.4基血)(右偏)作用于基底的合力偏心距验算满足:。=0.4110.250X4.978=1.245(m)基底压力(标准值):墙趾=39.719(kPa)墙踵=11

9、7.783(kPa)地基平均承载力验算满足:pk=78.751fil=150.000(kPa)基础边缘地基承载力验算满足:Pj=H7.7831.2fn=l.2150.000=180.000(kPa)(五)基础强度验算基础为钢筋混凝土底板,需要作强度验算基础截面积二2.947(基础重量Wj=73.671(kN)取倾斜基底的倾斜宽度验算地基承载力和偏心距基础底面宽度B=4.97基In)偏心距e=-0.411(m)(右偏)基础底面合力作用点距离趾点的距离Zn=2.900(m)基础底压力(设计值):趾部=39.719(kPa)踵部=117.783(kPa)悬臂根部=52.264(kPa)重要性系数Yo

10、=1.000混凝土底板基础悬臂端部强度验算:截面高度:H=0.600(m)截面弯矩:M=2.364(kN-m)截面剪力:Q=8.159(kN)纵向受拉钢筋:As=afcbhofy=12mm2P=0.00%PmIn=O.20%按构造配筋AS=I20Omm抗剪截面验算:V=8.16kN0.250Pcfebho=1636.25kN截面满足抗剪承载力验算:8.16(kN)W0.7hflbh=488.95(kN)满足(六)墙底截面强度验算1岩土压力不重新计算2墙身重力计算墙身截面积=9.160(m2)重量=229.000(kN)重心至墙趾的水平距离=2.128(m)3截面验算相对于验算截面外边缘:墙身重

11、力的力臂=2.128(m)Ey的力臂=3.636(m)EX的力臂=0.658(m)相对于截面趾点:总竖向力(设计值)=263.984(kN)总弯矩(设计值)=566.394(kN-m)力臂Zn=2.146(m)截面宽度B=3.800(m)偏心距e=-0.246(m)(右偏)截面上偏心距验算满足:e=0.2460.225X3.800=0.855(m)重要性系数Yo=1.000验算截面上的轴向压力设计值N=263.984(kN)素混凝土构件的稳定系数=1.000每沿米混凝土受压区面积Ac=4.291(m2)素混凝土轴心抗压强度设计值J=10115.0(kPa)受压承载力验算满足:YoN=263.9

12、84fccA,c=43404.766(kN)重要性系数Yo=1.000验算截面上的剪力设计值V=73.225(kN)轴向压力设计值N=263.984(kN)挡墙构件的计算截面每沿米面积A=3.800(m2)素混凝土轴心抗拉强度设计值J=698.500(kPa)计算截面的剪跨比入=1.5受剪承载力验算满足:YoV=73.2251.75ftbho(+l)=1858.010(kPa)(七)台顶截面强度验算1岩土压力计算按边坡规范公式(6.2.8)计算有限范围填土土压力:Ea=27.503(kN)Ex=24.816(kN)Ey=Il.856(kN)作用点高度Zy=L133(m)2墙身重力计算墙身截面积

13、=6.970(m2)重量=174.250(kN)重心至墙趾的水平距离=1.450(m)3截面验算相对于验算截面外边缘:墙身重力的力臂=1.450(m)Ey的力臂=2.617(m)EX的力臂=1.133(m)相对于截面趾点:总竖向力(设计值)=186.106(kN)总弯矩(设计值)=255.561(kN-m)力臂Zn=1.373(m)截面宽度B=2.900(In)偏心距e=0.077(m)(左偏)截面上偏心距验算满足:e=0.0770.225X2.900=0.653(m)重要性系数YO=1.000验算截面上的轴向压力设计值N=186.106(kN)素混凝土构件的稳定系数4)=1.000每沿米混凝土受压区面积Ac=2.746(m2)素混凝土轴心抗压强度设计值匕=10115.0(kPa)受压承载力验算满足:YON=186.106fccA,c=27779.830(kN)重要性系数Yo=1.000验算截面上的剪力设计值V=24.816(kN)轴向压力设计值N=186.106(kN)挡墙构件的计算截面每沿米面积A=2.900(m2)素混凝土轴心抗拉强度设计值匕=698.500(kPa)计算截面的剪跨比入=1.5受剪承载力验算满足:YoV=24.8161.75flbho(+l)=1417.955(kPa)

展开阅读全文
相关资源
猜你喜欢
相关搜索

当前位置:首页 > 建筑/环境 > 设计及方案

copyright@ 2008-2023 1wenmi网站版权所有

经营许可证编号:宁ICP备2022001189号-1

本站为文档C2C交易模式,即用户上传的文档直接被用户下载,本站只是中间服务平台,本站所有文档下载所得的收益归上传人(含作者)所有。第壹文秘仅提供信息存储空间,仅对用户上传内容的表现方式做保护处理,对上载内容本身不做任何修改或编辑。若文档所含内容侵犯了您的版权或隐私,请立即通知第壹文秘网,我们立即给予删除!