华联公路加宽工程--路基路面设计说明.docx

上传人:p** 文档编号:556013 上传时间:2023-11-01 格式:DOCX 页数:16 大小:56.06KB
下载 相关 举报
华联公路加宽工程--路基路面设计说明.docx_第1页
第1页 / 共16页
华联公路加宽工程--路基路面设计说明.docx_第2页
第2页 / 共16页
华联公路加宽工程--路基路面设计说明.docx_第3页
第3页 / 共16页
华联公路加宽工程--路基路面设计说明.docx_第4页
第4页 / 共16页
华联公路加宽工程--路基路面设计说明.docx_第5页
第5页 / 共16页
华联公路加宽工程--路基路面设计说明.docx_第6页
第6页 / 共16页
华联公路加宽工程--路基路面设计说明.docx_第7页
第7页 / 共16页
华联公路加宽工程--路基路面设计说明.docx_第8页
第8页 / 共16页
华联公路加宽工程--路基路面设计说明.docx_第9页
第9页 / 共16页
华联公路加宽工程--路基路面设计说明.docx_第10页
第10页 / 共16页
亲,该文档总共16页,到这儿已超出免费预览范围,如果喜欢就下载吧!
资源描述

《华联公路加宽工程--路基路面设计说明.docx》由会员分享,可在线阅读,更多相关《华联公路加宽工程--路基路面设计说明.docx(16页珍藏版)》请在第壹文秘上搜索。

1、第三篇路基一、设计依据公路工程技术标准(JTGB01-2014);公路路基设计规范(JTGD30-2015);公路水泥混凝土路面设计规范(JTGD40-2011);公路排水设计规范(JTGTD33-2012):公路工程地质勘察规范(JTGC15-2011);公路工程抗震设计规范(JTGB02-2013);混凝土结构设计规范GB50010-2002;公路挡土墙设计及施工技术细则中交第二公路勘察设计研究院有限公司2008.03o二、路基横断面布置及加宽路段路段加宽、超高(一)路基横断面布置本项目原为农村公路,原路基宽4-4.5米,路面宽4-4.5m,路拱为平坡。根据业主委托意见,除困难路段外,根据

2、实际情况沿单侧加宽0.5-3米。旨在提高公路的车辆通行能力。项目设计时,平纵指标拟合原路。加宽时尽量采用单侧加宽,按规范要求对加宽宽度的路基进行处理后铺筑结构层,全路段采用水泥混凝土路面结构;涵洞设计荷载采用公路TI级,设计指标符合部颁公路工程技术标准JTGB01-2014等现行规范的要求。(一)加宽路段该项目原有硬化道路段为已通车多年的的农村公路项目,本次设计根据建设单位要求,项目平纵拟合原路,尽量满足当地居民的实际用地需要,减少与工量。为保证路基压实度,填方路基宜作超填宽度压实后修整边坡。当左侧与右侧加宽交换路面说明渐变时,两侧均需按路面设计要求进行植筋和钢筋补强加固。三、路基设计1、一般

3、路基(1)路线通过地段为单斜脊状重丘及梳状冲沟。根据沿线岩土性质、构造特征、裂状发育程度、水文地质条件等因索,进行边坡设计。(2)挖方边坡:挖方路基边坡系根据土实程度、成因类型及生成年代,以及岩石的岩性、构造、风化破碎程度,结合挖方边坡高度、地下水、地表水等因素综合拟定边坡坡度。挖方边坡表岩1.边坡高度(米)种类8米时为1:1.75,并在8米高处设2.0米宽护坡道,并向路基外侧倾斜2%4%的横坡;填石路堤边坡为1:1(填石路堤应由不易风化的较大石块填筑),边坡坡面应选用大于25Cm的石块进行台阶式码砌,码砌厚度为12米,填石路堤高度不应大于20米。地面横坡陡于1:5的填方地段,应将原地面挖成宽

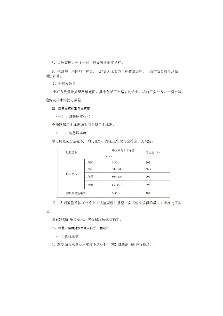
4、度不小于2米的台阶,台阶向内横坡2%4%。为保证路基压实度,填方路基宜作超填宽度压实后修整边坡。(填方顶面宽度22.2米)5、边坡高度大于4米时,应设置波形梁护栏。6、挖路槽、培路肩工程量,已经计入土石方工程数量表中,土石方数量按平均断面法计算。7、土石方数量土石方数量计算至路槽底面,其中包括了土路肩的培土、填前压实土方、土质台阶、边沟及排水沟挖方数量。四、路基压实标准与压实度(一)、路基压实标准全线路基压实标准均采用重型压实标准。(二)、路基压实度填方路基应分层铺筑、均匀压实,路基压实度均应符合下列规定:填挖类型路面底面以下深度(cm)压实度(%)填方路基上路床0-30295下路床3080N

5、95上路堤80150294下路堤150以下292零填及路堑路床0-30294注:表列数值系按公路土工试验规程重型击实试验法求得的最大干密度的压实度。填石路基的压实要求,应根据现场试验确定。五、路基、路面排水系统及防护工程设计(一)路基防护1、路基如含水量及压实度不达标时,应对路基范围内进行换填。(4)水稻Hl地段填方,易于排水疏干地区,清除腐植土,才可填筑路基本体:不易排水疏干地区,可设纵横片石盲沟或挖软土换填砂类土或换填路基挖石方处理地基。盲沟纵横间距不大于5米,横向盲沟出口应与排水沟(边沟)衔接,在相接处,浆砌边坡、护脚应设泄水孔;挖软土换填砂类土或块片石处理路基,厚度约80150cmo无

6、法作盲沟或换填时,可采用抛石挤淤,所抛石料应是大于30Cm且不易风化的石块。总之,对于软弱地基作路堤时,设计上考虑了最小路堤高度,路堤一定范围内尽可能使用渗水性材料填筑。2、填方路基宜选用级配较好的粗粒土作为填料;用不同填料填筑路基时,应分层填筑,每一水平层均应采用同类填料。路基压实度按重型击实标准。填方路基路面底面以下080cm的压实度应不小于95%,路面底面以下80150cm的压实度不小于94%,150CIn以下的压实度不小于92%。3、零(低)填挖路基,天然地基的密实度不够,施工时对路槽应进行压实,压实度不小于95%;对其土基强度软弱地段可采用换土或加生石灰处治,石灰掺量视土壤含水量而定

7、,但不得小于5%;或换填3050Cm碎石、块、片石层,以提高路基的整体强度。凡挖方为土质路基,根据地质资料,为保证路基的强度和满足对压实度的要求,要对上路床(路面底面下。30Cm)进行处理,处理措施及压实度的要求同零填挖路基。4、本项目多为加宽,加宽路基一侧主要为填方边坡或挖方边坡,新开挖路基按规范对上路床进行处理,处理措施及压实度的要求同零填挖路基。加宽一侧为填方路基时应按规范要求挖台阶后逐层回填并压实,本项目为加宽项目,加宽一侧路基宽度不能满足大型机具操作宽度时,可采用小型机具配合人工夯机进行夯实,保证加宽路基的压实无死角,且满足设计要求。层填筑并应用小石子填缝,压实度与路基相同。回填时注

8、意不要冲击墙背。不符合要求的填料如细砂、重粘土、腐质土、膨胀土、淤泥均不得作回填土。C、排水孔每隔23米设一个,按上、下、左、右交错排列,孔径IOX15cm,或设直径IOCm圆孔,墙高4米时设一排,4米以上时视情况增加排数,最下排泄水孔底部应高出地面0.3米,当为路簟墙时,出水口应高出边沟水位0.3米。沉降缝每隔1015米设置一道,缝宽23cm,内填沥青麻筋或草筋胶泥,填塞深度不小于15cm。5、施工注意事项(1)结构物基坑开挖时,应做好安全保障工作,基坑应跳槽开挖;开挖前,应做好地表水的截排及疏导工作,防止水体渗入地下,造成基坑渗透破坏:(2)施工过程中,禁止盲目开挖、作业及盲目堆填,以免带

9、来安全隐患:同时可将废石、弃土堆置于岸坡坡脚地带,以减小推力,增强阻滑能力,并减小施工安全隐患;(3)施工单位必须严格按照设计的施工工序进行,避免造成新的滑动面;(4)所用进场材料须检测合格后再行使用;(5)业主可根据气候及场地情况,尽量于少雨季节实施本项工程。(三)排水1、排水系统由路面、路基边沟、排水沟及涵洞构成。2、路基排水:挖方地段,在路堑两侧设0.4米X0.4米矩形边沟。3、加宽改造项目涵洞利用原涵加长,部分新建涵洞应破除并恢复碎路面。七、取土、弃土设计方案、环保及节约用地措施(一)、取土、弃土设计方案本项目由于地形复杂,地形较差,施工时应根据设计指定的弃土场弃土或根据软土划分标准土

10、类含水量(%)孔隙比压缩系数(100-200Kpa压力下)饱和度(%)快剪内摩椽角()粘上401.20.0595300.950.039352、挡土墙设计及施工(1)本次挡土墙采用M7.5浆砌片石墙身结构形式。(2)地基及基础A、地基容许承载力根据墙高满足设计要求。B、基础埋深:土质地基无冲刷时,应在地面以下至少1米;土质地基有冲刷时,应在冲刷线以下至少1米:风化后强度锐减的地基,应在地面线下至少1.5米(包括换填的砂石垫层厚度在内);当地基处于软弱层,不能保证足够强度时,应采用换填砂卵石或扩大基础等措施处理;岩石地基时,基础埋深应在中风化以下不小于0.5米1米,并视基岩情况趾前襟边宽度不小于0

11、.25L5米,岩石表面风化层应清除。C、挡土墙墙趾有纵坡时,挡土墙墙底可作成不大于5%的纵坡,如地基为岩石时,可在纵向作成台阶,其高宽比不大于1:2,台阶长度不应小于1米。当墙趾处地面横坡较陡而地基为完整坚硬的岩层时,基础可作成台阶形,其高宽比不应大于1:2,台阶宽不宜小于0.5米。(3)墙身回填及其他A、墙身材料及砌筑工艺应符合有关规范及施工规范要求。B、当与工强度达到设计强度的70%,方可进行墙背回填,回填材料为土质材料时,应按规定松铺厚度每层不小于30Cnl分层填筑,当填料为石质材料时,也应分2、路况参数2.1、加宽段路基宽度:7.Om路面宽度:6.5m3、路面结构组合本项目加宽段路面结

12、构一致,均为:面层:20Cm厚C30混凝土挖方基层:5cm厚级配碎石垫层填方基层:20Cm厚C20混凝土根据交通量的预测,经过技术经济比较,并征得建设单位意见,本项目路面按水泥混凝土路面设计。水泥混凝土设计抗弯(折)拉强度为4.OMpa,混凝土弯拉模量27Gpa04、质量标准厚度代表值:-5mm,单点合格值:Tomm中线高程:15mm路面宽度允许偏差:20mm水泥面板抗折强度:24.OMPa抗滑构造深度:一般路段不小于0.5mm且不大于1.Onim,特殊路段不小于0.6mm且不大于1.Imnio路面施工前必须先对路基进行验收,达到要求后方可施工路面。(二)设计依据及主要技术指标路面设计采用或参

13、照以下资料:公路水泥混凝土路面设计规范JTGD40-20U;公路路面基层施工技术细则JTJO34-2014;公路水泥混凝土路面施工技术规范JTGF30-2014;重庆公路路面典型结构研究;业主提供的弃土场弃土,做好环保工作,避免水土流失和滑坡等病害,弃土场地面坡度大于20%的地段必须挖台阶,宽度在24米。弃土场需修筑护脚及排水沟,部分路段可根据具体情况增设弃土场。弃土场具体位置由业主指定。(二)、环境保护1、路线线形布设时考虑了与地形、地物、环境、景观及规划的相互配合,尽量少占地、少拆迁,减少工程对景观的破坏。2、尽量保持已有水利设施及径流系统,理顺因工程建设而改变的排灌系统,确保水流畅通,减

14、少水土流失。3、合理设置管涵构造物和平交道口,不因公路建设而给沿线群众过多地带来生产、生活的不便。4、做好施工组织计划,使施工对环境的影响降低至最小程度。工程完工前,做好沿线场地清理平整工作,整饰路容,对己破坏的地表,要进行重新整平、恢复,公路用地范围应适当栽种树木进行绿化。5、节约用地措施取土场、弃土场位置尽量设置在荒坡、荒地处。预制场、拌合场等临时用地尽量选用闲置荒地,少占耕地。八、路面设计(一)路面结构组合设计1、设计原则路面结构组合设计主要根据本公路交通量及公路等级对路面的使用要求,道路的功能要求,结合沿线气候、水文、地质及筑路材料的分布情况,本着因地制宜、合理取材、方便施工、利于养护、节约投资的原则和历年的设计、施工经验进行各结构层的组合与设计。粗、细集料应质地坚硬、耐久、洁净;并应符合规定级配;卵石最大公称料径不应大于19.0mm,碎卵石最大公称粒径不应大于26.5mm,碎石粗集料最大公称粒径不应超过31.5mm(碎石),混合料的配合比应符合水泥碎路面施工技术规范的要求,并通过试验确定。粗集料标准级配见下表:路面设计使用年限10年。()路面结构设计本项目路面结构层如下:项目建设部分四线公路C30水泥混凝

展开阅读全文
相关资源
猜你喜欢
相关搜索

当前位置:首页 > 建筑/环境 > 公路与桥梁

copyright@ 2008-2023 1wenmi网站版权所有

经营许可证编号:宁ICP备2022001189号-1

本站为文档C2C交易模式,即用户上传的文档直接被用户下载,本站只是中间服务平台,本站所有文档下载所得的收益归上传人(含作者)所有。第壹文秘仅提供信息存储空间,仅对用户上传内容的表现方式做保护处理,对上载内容本身不做任何修改或编辑。若文档所含内容侵犯了您的版权或隐私,请立即通知第壹文秘网,我们立即给予删除!