干熄焦巡检路线及设备点检标准.docx

上传人:p** 文档编号:556553 上传时间:2023-11-01 格式:DOCX 页数:8 大小:39.31KB
下载 相关 举报
干熄焦巡检路线及设备点检标准.docx_第1页
第1页 / 共8页
干熄焦巡检路线及设备点检标准.docx_第2页
第2页 / 共8页
干熄焦巡检路线及设备点检标准.docx_第3页
第3页 / 共8页
干熄焦巡检路线及设备点检标准.docx_第4页
第4页 / 共8页
干熄焦巡检路线及设备点检标准.docx_第5页
第5页 / 共8页
干熄焦巡检路线及设备点检标准.docx_第6页
第6页 / 共8页
干熄焦巡检路线及设备点检标准.docx_第7页
第7页 / 共8页
干熄焦巡检路线及设备点检标准.docx_第8页
第8页 / 共8页
亲,该文档总共8页,全部预览完了,如果喜欢就下载吧!
资源描述

《干熄焦巡检路线及设备点检标准.docx》由会员分享,可在线阅读,更多相关《干熄焦巡检路线及设备点检标准.docx(8页珍藏版)》请在第壹文秘上搜索。

1、第一部分160th干熄焦设备巡检管理规定巡检总路线:巡检室一干熄炉二层f空导平台一装焦装置一提升机一IDCf锅炉f加药室f工艺除尘输灰设施一循环风机f排焦装置f辅机室一除氧器f水冷套管一巡检室二、具体巡检部位:1 .提升机巡检路线:一层:位置速度极限开关一行车轮一行车装置减速机电机检出器一润滑油泵一轴承座齿接手一行车轮f司机室电器一行车轮一行车装置减速机电机检出器一行车侧一集中给脂装置机械室:机械室T卷上减速机f卷上电机一卷上滚筒T定滑轮f测力装置f钢丝绳f集中给脂装置吊具:导向导轨f挂钩一联接链条f导向杆f滑动轮一焦罐盖f集中检脂装置2 .装焦装置巡检路线:驱动装置f台车、轨道、轨道基础一炉

2、盖一滑动遮板一水封槽一移动式集尘管道一润滑及其配管一装入漏斗3 .循环风机巡检路线:操作箱一仪表盘一风机外轴承一连轴轴承一冷却水氮气管f主电机一齿形联轴器一风机进口调节器一轴承润滑油冷却系统4 .排焦装置巡检路线:清扫风机一现场操作盘一自动给脂泵一滑动闸门一电磁振动给料器一旋转密封阀一排焦溜槽5 .粉尘发送器:操作盘f气动阀f发送器f管道6 .水冷套管:卸灰阀电机一中间仓一操作盘第二部分现场设备点检标准提升机点检部位点检标准处理方法减速机1、不变质,油量在油标刻度范围内,油泵供油正常2、零部件齐全,各部螺栓无松动3、平稳、无振动、无杂音轴承温度不超过65tC4、严密、无漏油现象1、换油或加油2

3、、补充紧固3、检查检修4、检修车轮1、完整牢固2、不允许有剥落及裂纹3、不允许哨道倾斜1、焊补加固2、更换3、调整联轴器1、无松动,同轴度及间隙符合要求2、联轴器螺栓完整齐全无松动3、润滑良好1、检修2、补充紧固3、润滑轴承及轴承套1、连接牢固无松动2、不缺油,不漏油3、平稳,无杂音,温度不超过65C1、焊补紧固2、检修处理3、检查修理滑轮:动滑轮1、平稳,轴向串动在允许范圉之内2、滑轮沟槽磨损不得超过钢丝绳直径的15%,轮缘、磨损超过厚度的20%。1、检修处理2、更换钢丝绳1、良好,不缺油2、钢丝绳磨损情况,无断股,无磨损,钢丝绳的直径磨损,不得超过原直径的7%,每一捻内断丝不超过10%1、

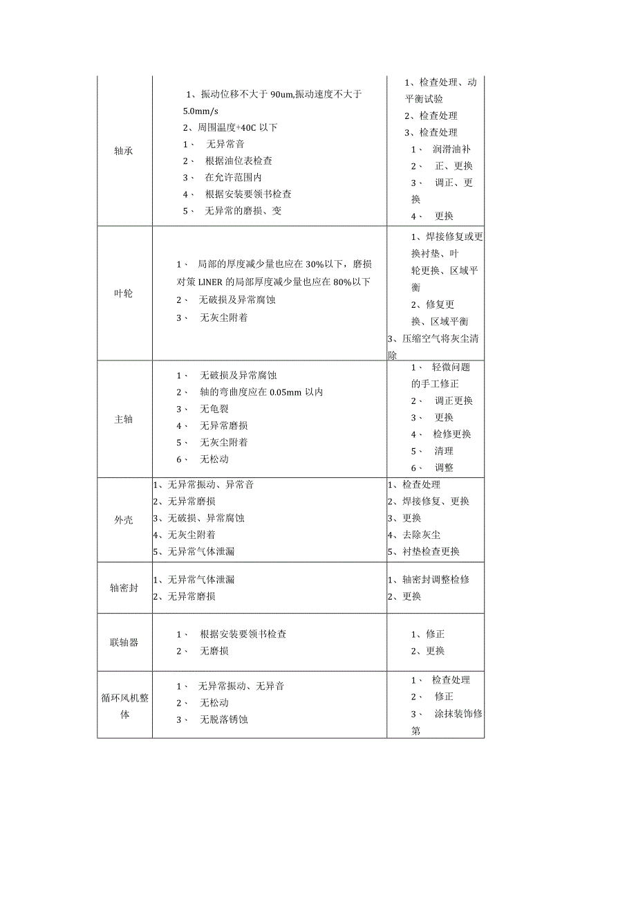
4、润滑2、更换润滑油泵无异常音,无异常升温,出油量正常检查更换卷筒1、无较大裂纹,开焊,完整牢固2、无脱槽,无松驰3、绳沟槽磨损不超过绳槽深度的10%1、焊补加固2、调整3、检修处理轨道压钩及螺栓齐全紧固,接头夹板螺栓齐全,轨道基础稳固检修处理电动机1、零部件齐全无损坏,地脚螺栓及联结器螺栓紧固齐全,接线盒完好,接线可靠。2、不过热轴承温度不超过65C,电流外壳温度小于70C,电流不超过额定电流,无振动及杂音。1、检查紧固2、检查处理位置速度极限1、完整,坚固,无损坏2、灵敏可靠1、焊补加固2、调整处理点检点检标准处理方法部位轴承1、振动位移不大于90um,振动速度不大于5.0mm/s2、周围温

5、度+40C以下1、 无异常音2、 根据油位表检查3、 在允许范围内4、 根据安装要领书检查5、 无异常的磨损、变1、检查处理、动平衡试验2、检查处理3、检查处理1、 润滑油补2、 正、更换3、 调正、更换4、 更换叶轮1、 局部的厚度减少量也应在30%以下,磨损对策LlNER的局部厚度减少量也应在80%以下2、 无破损及异常腐蚀3、 无灰尘附着1、焊接修复或更换衬垫、叶轮更换、区域平衡2、修复更换、区域平衡3、压缩空气将灰尘清除主轴1、 无破损及异常腐蚀2、 轴的弯曲度应在0.05mm以内3、 无龟裂4、 无异常磨损5、 无灰尘附着6、 无松动1、 轻微问题的手工修正2、 调正更换3、 更换4

6、、 检修更换5、 清理6、 调整外壳1、无异常振动、异常音2、无异常磨损3、无破损、异常腐蚀4、无灰尘附着5、无异常气体泄漏1、检查处理2、焊接修复、更换3、更换4、去除灰尘5、衬垫检查更换轴密封1、无异常气体泄漏2、无异常磨损1、轴密封调整检修2、更换联轴器1、 根据安装要领书检查2、 无磨损1、修正2、更换循环风机整体1、 无异常振动、无异音2、 无松动3、 无脱落锈蚀1、 检查处理2、 修正3、 涂抹装饰修第1、额定值以下1、检查处理电动机2、振动无异常2、检查处理3、温度无异常3、检查处理循环风机排煞装置点检部位点检项目点检标准处理方法转r端部金属端头磨损后,间隙允许范律5mm之间,端

7、部金属块固定幼、脱落在2.00.螺丝无松更换WF密封环无磨损,侧面密封压,特别是正压符合要求更换密封环碗位衬套磨损衬套磨损及变形符合要求更换衬板曲柄磨损曲柄磨损及变形符合要求更换曲柄根湎、底部f塞侧面、底部旋塞无堵塞检查清理撼留璃牺结构完整,不磨损开裂,衬砖无脱落检修处理.,三ll吊挂拉杆联接牢固无严重腐蚀,弹簧无断裂检查更换激振器振动无异常,温升小于40Cm辘预埋螺栓无损坏,内衬灰绿岩砖无脱落检修处理蹴无严重腐蚀,无开裂损坏,内衬砖无脱落焊补更换,r)l无严重磨损、变形,开关灵活可靠检修处理电闸箱援戈正确、牢固、无虚接检查加固开关开关、按钮灵敏可靠更换E电压、电流符合标准要求检查处理外观整洁

8、干净,内无杂物清理滑动闸门驱动装置无异常检查修理自命骰备供i由用可出口压力时间和压力符合饕求调整5三fN分配阀指示杆运转正常调整检修ilfi涧滑油余量充足加油湖就L就没有杂音检查处理阚尚兄振动无异常检查处理蝌机部表面温度不能过高检查处理三l三无异常检查处理吹扫风机声音没有杂音检查处理轴承表面温度表面温度正常检查处理V型皮带V型皮带松紧适当,无划伤调整更换锅炉给水泵点检部位点检项目点检标准处理方法电机结构零件齐全无损,地脚螺母无松动紧固更换运行运行平稳,无杂音无振动检查处理润滑润滑良好,轴承温度V65C加油润滑接线接线牢固,绝缘良好调整紧固本体龟裂泄漏无裂纹无泄漏检修处理螺栓松动螺栓无松动紧固处

9、理转子磨损、裂纹表面无裂纹,前盖后盘磨损量小于4%更换单向阀泄露无泄露检修处理轴承发热、油量轴承温度不高于70摄氏度,油量充足检修处理异音、振动无异音,振动小于5mms检查检修磨损滚珠磨损量小于5%更换联轴器异音无异音检查检修螺栓松动螺栓无松动紧固处理配管泄漏无泄漏检修处理溢流阀泄漏损伤无泄漏无损伤检修处理冷却水水量、泄漏水量充足、无泄漏检修处理填料滴水状况每分钟小于2滴检修处理过滤器泄漏无泄漏检修处理润滑泵异音紧固泄漏无异音、紧固无松动、无泄漏检修处理除筑器给水泵点检部位点检项目点检标准处理方法电机结构零件齐全无损,地脚螺母无松动紧固更换运行运行平稔,无杂音无振动检查处理润滑润滑良好,轴承温

10、度V65aC加油润滑接线接线牢固,绝缘良好调整紧固本体龟裂泄漏无裂纹无泄漏检修处理螺栓松动螺栓无松动紧固处理转子磨损、裂纹表面无裂纹,前盖后盘磨损量小于4J%更换联轴器异音无异音检查检修螺栓松动螺栓无松动紧固处理轴承发热、油量轴承温度不高于70摄氏度,油量充足检修处理异音、振动无异音,振动小于5mms检查检修磨损滚珠磨损量小于5%更换配管泄漏无泄漏检修处理填料滴水状况每分钟小于2滴检修处理除盐水加药装置点检部位点检项目点检标准处理方法电机结构零件齐全无损,地脚螺母无松动紧固更换运行运行平稳,无杂音无振动检查处理本体润滑状况润滑良好,轴承温度V65C加油润滑动作状况运行平稳,无杂音无振动检查处理

11、储药槽泄漏腐蚀无泄漏、无腐蚀检修处理搅拌机异音振动无异音、振动小于5mms检修处理叶片折损无折损检修处理余热锅炉点检部位点检项目点检标准处理方法锅筒封头无泄漏检修处理压力表不泄漏,指示准确更换水位计无泄漏,汽红水绿界限清晰更换安全阀阀体完好无泄漏紧固检修进出口法兰密封完好无泄漏紧固回座压差启闭差小于10%检修更换排污阀填料无泄漏更换管道法兰无泄漏紧固压盖法兰无泄漏紧固内漏无内漏更换过热器温度不大于450匕调整压力不大于5.4MPa调整联箱及除水管路完好无泄漏检修处理蒸发器管束无积灰,无变形检查更换联箱完好检修省煤器入口水温1255*C调整管束无积灰,无泄漏检查更换装焦装置主蒸汽管道无泄漏检修点

12、检部位点检项目点检标准处理方法电动推杆工作情况无杂音,运转平稳调整处理制动时间及制动位置的变化达到限位调整处理各部位螺丝螺栓松紧情况紧固无松动检查紧固电磁铁的行程情况电磁铁的行程在0.5mm以上,1.3mm.4nun范围内检查处理传动结构结构完整无断裂、损伤焊补加固各部销轴无磨损,转动灵活检查更换运转极限行程到位,开停准确调整水封槽钢结构无变形、无损坏、无开裂焊补加固水量情况保持正常水位(距水封槽上沿10-20wn)调整处理有无积灰,无焦炭无积灰,鼓泡装置工作正常清理检修炉盖钢结构无变形、无损坏、无开裂焊补加固各部位螺栓松动情况紧固良好、无松动检查紧固集中润滑装置运行各点给油良好,油压正常检查处理结构无损坏,各分配器分配油良好,无漏油检查处理油量保持正常油位以上

展开阅读全文
相关资源
猜你喜欢
相关搜索

当前位置:首页 > 汽车/机械/制造 > 制造加工工艺

copyright@ 2008-2023 1wenmi网站版权所有

经营许可证编号:宁ICP备2022001189号-1

本站为文档C2C交易模式,即用户上传的文档直接被用户下载,本站只是中间服务平台,本站所有文档下载所得的收益归上传人(含作者)所有。第壹文秘仅提供信息存储空间,仅对用户上传内容的表现方式做保护处理,对上载内容本身不做任何修改或编辑。若文档所含内容侵犯了您的版权或隐私,请立即通知第壹文秘网,我们立即给予删除!