某住宅楼工程安装工程主要施工方法.docx

上传人:p** 文档编号:557162 上传时间:2023-11-01 格式:DOCX 页数:11 大小:56.70KB
下载 相关 举报
某住宅楼工程安装工程主要施工方法.docx_第1页
第1页 / 共11页
某住宅楼工程安装工程主要施工方法.docx_第2页
第2页 / 共11页
某住宅楼工程安装工程主要施工方法.docx_第3页
第3页 / 共11页
某住宅楼工程安装工程主要施工方法.docx_第4页
第4页 / 共11页
某住宅楼工程安装工程主要施工方法.docx_第5页
第5页 / 共11页
某住宅楼工程安装工程主要施工方法.docx_第6页
第6页 / 共11页
某住宅楼工程安装工程主要施工方法.docx_第7页
第7页 / 共11页
某住宅楼工程安装工程主要施工方法.docx_第8页
第8页 / 共11页
某住宅楼工程安装工程主要施工方法.docx_第9页
第9页 / 共11页
某住宅楼工程安装工程主要施工方法.docx_第10页
第10页 / 共11页
亲,该文档总共11页,到这儿已超出免费预览范围,如果喜欢就下载吧!
资源描述

《某住宅楼工程安装工程主要施工方法.docx》由会员分享,可在线阅读,更多相关《某住宅楼工程安装工程主要施工方法.docx(11页珍藏版)》请在第壹文秘上搜索。

1、某住宅楼工程安装工程主要施工方法第一节工程概况根据施工图要求,本工程的安装工程主要涉及照明、弱电、防雷接地、给水、排水、雨水、通风等系统。第二节施工部署1、施工组织及安排本工程的建筑面积较大,为了确保本工程的质量目标和工期目标,并及时配合土建施工段的施工进程,安装工程分三个区段进行施工,项目部内设一项目副经理,专职管理安装工程。为各司其责,三个区段由三个项目班组进行施工,对项目班组和人员进行精心挑选,同时派出水、电、风方面的优秀施工管理人员进行施工。2、劳动力安排根据工程特点,初步决定劳动力将分三批进场,在预埋阶段,电工20人,管工15人,焊工15人,在初安装阶段增加电工10人,管工10人,辅

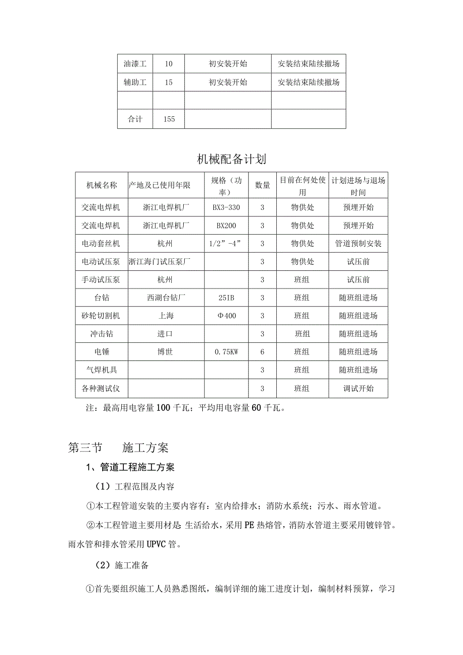
2、助工15人,油漆工10人,在全面安装阶段,现增加电工20人,管工20人,钳工20人,高峰人员约150人,到安装完毕整理阶段留下20人左右,直到竣工。详细情况见劳动力投入计划表。3、施工机械的安排设备调入的时期将按施工进度计划进行,详见施工机械配备表。劳动力投入计划工种人数计划进场时间计划退场时间电工50从预埋开始陆续进场调试开始陆续撤场管工45从预埋开始陆续进场调试开始陆续撤场焊工15从预埋开始陆续进场安装结束陆续撤场钳工20从预埋开始陆续进场安装结束陆续撤场油漆工10初安装开始安装结束陆续撤场辅助工15初安装开始安装结束陆续撤场合计155机械配备计划机械名称产地及已使用年限规格(功率)数量目

3、前在何处使用计划进场与退场时间交流电焊机浙江电焊机厂BX3-3303物供处预埋开始交流电焊机浙江电焊机厂BX2003物供处预埋开始电动套丝机杭州1/2”-4”3物供处管道预制安装电动试压泵浙江海门试压泵厂3物供处试压前手动试压泵杭州3班组试压前台钻西湖台钻厂25IB3班组随班组进场砂轮切割机上海4003班组随班组进场冲击钻进口3班组随班组进场电锤博世0.75KW6班组随班组进场气焊机具3班组随班组进场各种测试仪3班组调试开始注:最高用电容量100千瓦;平均用电容量60千瓦。第三节施工方案1、管道工程施工方案(1)工程范围及内容本工程管道安装的主要内容有:室内给排水;消防水系统;污水、雨水管道。

4、本工程管道主要用材是:生活给水,采用PE热熔管,消防水管道主要采用镀锌管。雨水管和排水管采用UPVC管。(2)施工准备首先要组织施工人员熟悉图纸,编制详细的施工进度计划,编制材料预算,学习有关技术规范要求,明确施工技术要点。进行技术交底,做好交底记录。根据设计要求,做好预埋件的预制工作,以便配合土建进度及时搞好预埋。在配合预埋的同时,对现场可以测绘的地方进行实地测绘,并绘制草图,标明管道的直径、标高、趟向、排列顺序,管架的位置、型号,管件的位置等。分别制定各预制件尺寸,根据安装的先后进行预制件加工。根据施工进度计划和材料预算计划及时将施工用材料、管件等供应至现场。并对工程用材、设备等验收合格才

5、可使用。及时做好施工机具的检修工作。按进度计划调配好施工机具进场。对于分期分批进场的劳动力也要进行阶段性技术交底工作。(3)管道施工程序管道施工流程图(4)丝接管的加工(消防管)按测绘草图所给尺寸进行断管和套丝。断管:断管时应保持断面与管子中心线垂直,无论是砂轮切割机还是手工锯管和套丝机断管,都可以采用调直的角铁做定位架,并使定位角铁中心线与切割线垂直就可,要经常检验定位架轴线的垂直度。断管后要清除毛刺和铁屑。套丝:套丝主要是以套丝机进行加工,在个别情况下方采用手动套丝板套丝。I、根据管子直径调整板牙大小,板牙口应完好无损。II、套丝时不能一次套成。一般15-32的套一次,40-50套三次,7

6、0以上套3-4次。复套时板牙应按原螺扣顺着进入,以防乱扣。丝扣不得有乱扣和断扣现象。断丝和缺丝不得大于螺丝全扣的10%,丝扣加工后应用标管件试旋入,旋入松紧合适即可。配装管件。根据现场测绘草图中管件的品种,规格进行装配。装配时先在管丝扣上涂上铅油,缠上麻丝,再旋上管件,旋上扣后试试比较顺利,再用管钳拧入,使丝扣外露2-3扣即可,割掉外露麻丝头,擦上白铅油,补涂上银粉漆,否则丝扣处会生锈,注意:管件旋入不顺时不得用管钳拧入。(5)管道安装的一般要求:管道安装前,必须对管内污物进行清理。可用维丝、毛刷、布头等绑在杆上进行擦洗,也可用铁丝帮助维丝、毛刷、布头,两头拉动擦洗,主要目的清除污泥、铁屑、焊

7、渣等容易堵塞管道的赃物。擦洗完毕后应用塑料布之类将管子两头脓根包裹,以防再次掉进赃物,此项工作由专人负责。根据草图标出的规格型号以及标准图册制作支架。支架制作应工厂化,先对型钢进行除锈处理,然后对同样规格的支架根据数量采用切割、钻孔、点固等模具加工,这样保证支架的统一性。螺栓孔应采用钻孔或铳孔,不可采用气割孔,搁管子的横杆可铳成腰性孔,以致于可作稍微调整。支架制作完毕后应立即清除药皮、飞溅,除锈刷油,按不同规格型号叠放在一起。安装前先根据图纸的标高尺寸拉线,在墙上(梁上、柱上画好支架安装位置和高度。对于一般情况采用膨胀螺栓固定,打膨胀螺栓前可用一块螺孔定位模板在墙壁上画出打孔位置,这样就有互换

8、性。对于预应力梁。或钢筋较多的柱墙,应在土建扎钢筋时预埋钢板,然后支架焊在预埋钢板上,具体情况根据土建图纸和安装图纸定。钢管安装的支架,管卡间距应符合设计要求,固定支座应牢固,且应同预埋钢板焊接而就应用金属膨胀螺栓固定。活动支架安装管子后应保证管子有膨胀收缩的活动余地。管道穿楼板、隔墙板时应配合土建预埋时作好预留孔洞。安装时要放置套管,洗物间、开水间穿楼板的套管其顶部应高出地面20MM,底部与楼底面平。安装在墙壁内的套管,其两端应与饰面平。保温管道的套管直径选择时,应考虑套管内径应与保温层外径相同。上下层穿管时应吊线敷设套管,以保持穿管垂直度。保温管的隔热托垫其R应与管子外径R一致,并涂有沥青

9、漆。木托的高度应与保温厚度一致。钢管安装前对不直的管道进行调直,调直一般采用千斤顶进行冷调。钢管弯头应按设计要求选用。多排管道安装时弯头曲度应一致,间距横竖一致。安装时要用定位模板定位。管道的坡度和坡向要严格按照图纸进行。(11)阀门安装的数量、位置、型号、规格应符合设计要求。阀门进货应有有质保单和合格证。验收时要对阀门进行抽验试压,阀门安装的方向不能搞错,手柄要安装在便于操作的部位。(12)法兰垫片的型号、规格要符合设计要求,下料时应按法兰的规格下料,不能太大或太小。外径要留有夹持部,放入时不能突出管内。(6)试压冲洗试压应按系统进行,根据图纸和进度可分段进行试压。试压前应仔细检查管道的管口

10、封堵情况和阀门的开启情况,对于不能参加试压的设备,可接临时管道。试压管道的灌水利用打压应放在最底部,在管道最高处安置阀门,灌水时,将最高处阀门打开排出管内空气,当阀门空气排尽并出水时可关闭此阀门,装上压力表,再打开阀门,在最低处进行打压。压力表至少安装两个,当压力缓慢上升至试验时压力15分钟,再降至工作压力,进行检查,发现渗漏处作好标记。待卸压后进行处理,切不可带压操作,处理后将再次加压直至合格。合格后把水放净。试压合格后选择进水口和排水口,可对系统加到最大流量进行冲洗,直到水流洁净为止。做好试压及冲洗记录,隐蔽工程和保温工作应在试压合格进行。(7)防腐和保温所有的管道支架和管道镀锌层破损处补

11、涂防锈漆和银粉漆。按设计要求对热水管道进行保温,保温材料的型号,厚度应按设计要求。保温层要求平整,接口应严密。(8) UPVC排水管安装管材和管件应按批进行外观、规格、尺寸及必要的物理、力学性能检查,其结果应符合GB5836-86建筑排水用硬聚氯乙烯管材和管件标准。胶粘剂属易燃品,存放、运输、使用须远离火源。存放处应安全可靠、阴凉干燥,应随取随用。 根据管道的施工图纸实测出管道的长度及走向,并在墙、地面划出管道中心标高。绘制实测小样图,详细注明尺寸,其中应注意立管的承口外侧与饰面的距离在20-50MM之间,横管的坡度应在2.6%左右。按实测小样图选定合格的管材和管件进行配管和断管,断管应选用细

12、齿踞、割刀和割管机等机具,断口应平整并垂直于轴线,断面处不得有任何变形,断口后在插口处用中号板挫挫成15-30坡口,并擦净污物。 粘合。将管材或管件承口内侧和插口外侧擦净后涂抹胶粘剂,胶粘剂涂抹均匀,插入深度不得小于国家标准的规定的尺寸,找正、找直后即将溢出的胶粘剂擦去临时固定好管道及管件,待固化后再紧固承件。 横管按设计要求设置清扫口,立管应设置检查口。立管和横管应设置伸缩节,其具体数量和位置应根据设计而定。安装伸缩节时,管端进入伸缩节处预留的间隙一般为:夏季:5-10MM,冬季:15-20MM。管道支承件间距,立管外径为50MM的应不大于1.5M,外径为75MM及以上的应不大于2.0M。横

13、管支承件的间距一般为管外径的10倍。安装完毕应临时封堵管口,以防杂物和泥土砖。系统安装完毕后,应对管道的外观质量和安装尺寸进行复核检查,复查无误后,再通水试。通水试验验收时应有监理人员或业主派人参加,并做好验收I己录。(9) PE热熔管的安装施工PE热熔管材、管件应具有质量证明书和合格证,其数据应符合国家有关标准。PE热熔管搬运时不得采用钢丝绳吊运,而应采用非金属绳或钢丝绳套橡胶管来捆扎。放置、搬运时要小心,不得抛摔或拖拽。PE热熔管的连接由专业厂家提供连接件和电熔连接机,与金属管道连接时,采用专用接头连接。PE热熔管管道在连接前应清洁内部管口连接部位,在焊接前要加封临时封堵。在正式连接前,要

14、按专业厂家提供的设备和材料,有关技术数据进行焊接试验,掌握后才能正式施工。丝扣连接期间,不移动连接件或在连接件上施加任何外力。丝扣连接应将端口切割垂直,用洁净棉布擦净管材和管件连接面上的污物,标出插入深度,刮除其表皮。通电前还要将两对应的连接件调直在一轴线上。PE热熔管端与金属管件连接应符合相应的钢管焊接,法兰连接或机械连接规定。PE给热熔管与其他管道平衡敷设时应有一定的保持距离,净距离不小于IOoMM,且在管道的内侧。PE热熔管的试压应为管道工作压力的L5倍,系统加压宜用的动泵,升压时间不小于十分钟,规定试验压力稳压2小时,压力降不小于0.05Mpa.(11)管道的支架间距应按设计要求或有关

15、规范要求,采用金属管卡或吊架时,金属管架与管道之间应采用橡胶或泡沫塑料软垫。(12)PE热熔管给水管道试压合格后,在验收前应进行通水或冲洗,冲洗水流不宜大于2M/S,冲洗时打开每个配水点的水龙头,直到出水口的水的清洁度与进水一致为止。(10)消火栓安装消火栓箱体应有消防部门批准和制造许可证及合格证方可使用。 消火栓支管要以栓阀的座标,标高定位再甩口。标定后再稳固消火栓箱,箱体找正稳固后再反栓阀安装好,栓阀开启应方便,箱门开启灵活,安装完毕后及时上门,以防零件丢失。箱内有电控按钮时要注意与电气专业配合施工。箱体竣工前重新油漆一遍。 消火栓安装尺寸为阀门中心距地面LlM,阀门距箱侧面为140MM,距箱后内表面100MM,栓口阀不应与门栓相碰。消火栓内皮逞水枪应在交工前安装,水龙带卷盘放在箱内,

展开阅读全文
相关资源
猜你喜欢
相关搜索

当前位置:首页 > 建筑/环境 > 施工组织

copyright@ 2008-2023 1wenmi网站版权所有

经营许可证编号:宁ICP备2022001189号-1

本站为文档C2C交易模式,即用户上传的文档直接被用户下载,本站只是中间服务平台,本站所有文档下载所得的收益归上传人(含作者)所有。第壹文秘仅提供信息存储空间,仅对用户上传内容的表现方式做保护处理,对上载内容本身不做任何修改或编辑。若文档所含内容侵犯了您的版权或隐私,请立即通知第壹文秘网,我们立即给予删除!