电梯钢梁后锚固锚栓计算书.docx

上传人:p** 文档编号:557606 上传时间:2023-11-01 格式:DOCX 页数:6 大小:53.13KB
下载 相关 举报
电梯钢梁后锚固锚栓计算书.docx_第1页
第1页 / 共6页
电梯钢梁后锚固锚栓计算书.docx_第2页
第2页 / 共6页
电梯钢梁后锚固锚栓计算书.docx_第3页
第3页 / 共6页
电梯钢梁后锚固锚栓计算书.docx_第4页
第4页 / 共6页
电梯钢梁后锚固锚栓计算书.docx_第5页
第5页 / 共6页
电梯钢梁后锚固锚栓计算书.docx_第6页
第6页 / 共6页
亲,该文档总共6页,全部预览完了,如果喜欢就下载吧!
资源描述

《电梯钢梁后锚固锚栓计算书.docx》由会员分享,可在线阅读,更多相关《电梯钢梁后锚固锚栓计算书.docx(6页珍藏版)》请在第壹文秘上搜索。

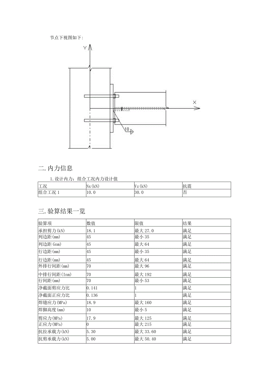
1、“墙梁栓焊较接”节点计算书计算软件:TSZ结构设计系列软件TS-MTS2021Ver6.8.0.0计算时间:2023年03月19日13:34:04节点基本资料设计依据:钢结构设计标准GB50017-2017钢结构连接节点设计手册(第四版)混凝土结构设计规范GB50010-2010(2015年版)混凝土结构后锚固技术规程JGJ145-2013节点类型为:墙梁栓焊较接采用设计方法为:梁端节点力采用设计方法为:常用设计梁截面:HM294200812,材料:Q235腹板螺栓群:10.9级T16螺栓群并列布置:3行;行间距70mm;1歹I;螺栓群列边距:45mm,行边距45mm双侧焊缝,单根计算长度:l

2、l=230-210=210mm腹板连接板:230mm90nun,厚:10mm间距为:a=10mm节点前视图如下:节点下视图如下:二.内力信息1.设计内力:组合工况内力设计值工况Nx(kN)Vz(kN)抗震组合工况110.030.0否三.验算结果一览验算项数值限值结果承担剪力(kN)18.1最大27.0满足列边距(mm)45最小35满足列边距Gnm)45最大64满足行边距(mm)45最小35满足行边距(mm)45最大64满足外排行间距(mm)70最大96满足中排行间距(Inm)70最大192满足行间距(mm)70最小53满足净截面剪应力比0.1411满足净截面正应力比0.1361满足焊缝应力(M

3、Pa)18.9最大160满足焊脚高度(mm)10最小5满足剪应力(MPa)17.9最大125满足正应力(MPa)0最大215满足抗拉承载力(kN)5.30最大33.60满足抗剪承载力(kN)5.00最大50.40满足复合作用公式0.031满足锚固长度(mm)160.0最小130满足锚板厚度(mm)20.0最小18.8满足行间距(mm)100最小96满足列间距(mm)150最小48满足行边距(mm)63最小32满足列边距(mm)75最小32满足四.腹板螺栓群验算1螺栓群受力计算控制工况:组合工况LNx=IOkN;Vz=30kN螺栓群中心对角焊缝偏心:e=10+902=55mm螺栓群偏心弯矩:M=

4、Vz*e=3055103=1.65kNm2腹板螺栓群承载力计算行向轴力:H=NW=NX=IokN列向剪力:V=Vz=30kN平面内弯矩:M=1.65kNm螺栓采用:10.9级7416螺栓群并列布置:3行;行间距70mm;1列;螺栓群列边距:45mm,行边距45mm螺栓受剪面个数为1个连接板材料类型为Q235螺栓抗剪承载力:Nvb=O.9knfP=0.9ll0.3100=27kN轴向连接长度:1尸(IT)X70=0mm=294-12-12-3X20=210mm腹板剪应力:=V/(h0*K)=30000/(210X8)=17.857125Nmm2,满足2梁腹净截面抗弯验算无偏心弯矩作用,抗弯应力为

5、0,满足!八.锚件群验算1锚件群受力计算控制工况:组合工况LNx=10kN;Vz=30kN锚件群中心对角焊缝偏心:e=0+10+90/2=55mm锚件群偏心弯矩:M=30X55X10W465kN*m以下计算将节点内力换算至锚件群坐标系2化学锚栓群抗拉承载力计算轴向拉力为:N=IOkN绕X轴弯矩:Mx=I.65kNm锚栓群沿环形布置,锚栓总个数为:n=6个按轴向拉力与绕X轴单向弯矩共同作用下计算:由Nn-Mx*yy2=IOX1076-1.65X106X100/40000=(-2458.333)0故最大化学锚栓拉力值为:Nh=(MN*l)*y7yl2=(1.65106+10IO3X100)X200

6、/100000=5300=5.3kN所选化学锚栓抗拉承载力为(锚栓库默认值):Nc=33.6kN故有:5. 3vly7)-205结合上面己经求出的剪力作用下的单个化学锚栓剪力值及上面在扭矩作用下的单个锚栓剪力值公式分别对化学锚栓群中(边角)锚栓进行合成后的剪力进行计算(边角锚栓存在最大合成剪力):取4个边角化学锚栓中合剪力最大者为:V 15=(0+0)-2+(5000+0)-205=5kN所选化学锚栓抗剪承载力为(锚栓库默认值):Vc=50.4kN故有:V 1=5kN50.4kN,满足4化学锚栓群在拉剪共同作用下计算当化学锚栓连接承受拉力和剪力复合作用时,混凝土承载力应符合下列公式:()2+(

7、v)21式中:Bx=NhNC=5.3/33.6=0.158v-VlVc=550.4=0.0992故有:(X)2+()2=0.1582+0.09922=0.03471,满足5锚件群构造检查锚固长度限值计算:实际锚固长度160,最小限值为130,满足!锚板厚度限值计算:根据混凝土结构后锚固件技术规程JGJ145-2013.5.1.4锚板厚度不宜小于锚栓直径的0.6倍,受拉和受弯后锚固件的锚板厚度尚宜大于锚栓间距的1/8锚栓间距b取列间距,b=150mm锚板厚度限值:T=max(0.6d,b8)=max(0.6X16,150/8)=max(9.6,18.75)=18.75mm实际锚板厚度20,最小限值为18.75,满足!行间距为100,最小限值为96,满足!列边距为150,最小限值为48,满足!行边距为62.5,最小限值为32,满足!列边距为75,最小限值为32,满足!

展开阅读全文
相关资源
猜你喜欢
相关搜索

当前位置:首页 > 建筑/环境 > 建筑资料

copyright@ 2008-2023 1wenmi网站版权所有

经营许可证编号:宁ICP备2022001189号-1

本站为文档C2C交易模式,即用户上传的文档直接被用户下载,本站只是中间服务平台,本站所有文档下载所得的收益归上传人(含作者)所有。第壹文秘仅提供信息存储空间,仅对用户上传内容的表现方式做保护处理,对上载内容本身不做任何修改或编辑。若文档所含内容侵犯了您的版权或隐私,请立即通知第壹文秘网,我们立即给予删除!