路口人行天桥工程施工图设计说明.docx

上传人:p** 文档编号:558138 上传时间:2023-11-01 格式:DOCX 页数:22 大小:75.50KB
下载 相关 举报
路口人行天桥工程施工图设计说明.docx_第1页
第1页 / 共22页
路口人行天桥工程施工图设计说明.docx_第2页
第2页 / 共22页
路口人行天桥工程施工图设计说明.docx_第3页
第3页 / 共22页
路口人行天桥工程施工图设计说明.docx_第4页
第4页 / 共22页
路口人行天桥工程施工图设计说明.docx_第5页
第5页 / 共22页
路口人行天桥工程施工图设计说明.docx_第6页
第6页 / 共22页
路口人行天桥工程施工图设计说明.docx_第7页
第7页 / 共22页
路口人行天桥工程施工图设计说明.docx_第8页
第8页 / 共22页
路口人行天桥工程施工图设计说明.docx_第9页
第9页 / 共22页
路口人行天桥工程施工图设计说明.docx_第10页
第10页 / 共22页
亲,该文档总共22页,到这儿已超出免费预览范围,如果喜欢就下载吧!
资源描述

《路口人行天桥工程施工图设计说明.docx》由会员分享,可在线阅读,更多相关《路口人行天桥工程施工图设计说明.docx(22页珍藏版)》请在第壹文秘上搜索。

1、路口人行天桥工程施工图设计说明1项目建设背景及概况1.1 项目建设背景路口人行天桥工程位于江北区海尔路与鲁溉路交叉口,是海尔路与鲁溉路的重要交通节点,交叉口紧邻巴川量子学校、欧鹏央著天域、蓝色经典等小区,车流繁忙,人行过街需求极大。为保证巴川量子学校学生过街安全,满足周边老百姓过街需求,减少海尔路车行等候时间,为江北人民医院建成投用储备通行能力,经区政府研究已将该项目纳入江北区2023年重点民生实事项目中,力争2023年8月开工建设。1.2 设计范围及工作内容本次设计范围为海尔路巴川路口人行天桥工程:包含主桥、人行梯道,另根据无障碍要求设置四座直升电梯,同时因涉及到新建桥墩影响到现状小区部分的

2、出入口,需对影响范围重新渠化及开口设计等内容.1.3 工程概况天桥总体为闭合菱形布置,跨径布置(35.9+32.2+35.8+33.76)m,封闭主梁通过同截面梁段延伸至各象限;上部采用连续钢箱梁结构形式,主梁梁高1.5,梁体总宽4.0m,行人净宽3.6m,4个象限均设置单跑钢梯道及一部直升电梯,梯道宽与主梁一致,梁高0.65m,均采用工厂焊接,现场吊装拼接的施工方式。2设计依据(1)签订的设计合同(2)业主提供的现状1:500实测管线及地形资料(3)规划提供的道路周边地块发件情况(4)国家颁布的有关标准、规范、规程及其他有关规定(5)业主提供的其他资料(6)工程结构通用规范GB55001-2

3、021(7)建筑与市政工程抗震通用规范GB55002-2021(8)建筑与市政地基基础通用规范GB55003-2021(9)混凝土结构通用规范GB55008-2021(10)钢结构通用规范GB55006-2021(11)建筑与市政工程防水通用规范GB55030-2022o(12)海尔路巴川路口人行天桥工程人工挖孔桩可行性报告(13)海尔路巴川路口人行天桥工程初设2.2初步设计专家审查意见及意见的执行情况一、初步设计阶段设计须修改完善的意见:1、在其初步设计总说明中应补充完善该项目的规划许可、环评、专项论证及地勘报告等重要依据;注意采用现行最新版规范标准,另宜补充建筑与市政工程抗震通用规范(GB

4、55002-2021).建筑与市政地基基础通用规范(GB55003-2021)、钢结构通用规范(GB55006-2021)及混凝土结构通用规范(GB55008-2021)等新版建设工程勘察设计规范、标准,另须特别注意己废止的现行工程建设标准相关强制性条文。回复:按审查意见补充说明(规划许可、专项论证、可研批复、地勘报告)直要依据:补充更新现行最新规范标准.2、进一步核实本工程拟建天桥桥面净宽及人群荷载的设计值;另在其主要技术标准中补充该天桥的设计使用年限,并明确具体环境类别。回复:按审查意见核实桥面净宽及人群荷载设计值,技术标准中补充设计使用年限及环境类别.桥面净宽:根据城市道路工程设计规范(

5、CJJ37-2012)表4.5.L计算得出本工程人行天桥设计宽度为3.03.41,梯道由于受管线、规划红线、地块权属等限制条件确无加宽条件,且满足重庆城市道路人行过街设施设计标准DBJ50T-278-2018立体过街设施设计6.3.1条,本工程天桥设计总宽为4三,扣除栏杆桥面净宽3.6m,满足规范要求,人流通行考虑梯道电梯同时运行:人群荷载设计值:人群荷籁根据城市人行天桥与人行地道技术规范(CJJ6I5)第3.1.3.2条计算,Wmax=4.189Kn三2,设计取值:W=4.25KN三2:3、结合远期规划拓宽道路核实桥下净空限界是否均满足N5.0m,并按规范2.6.1条要求设置(I)土体物理性

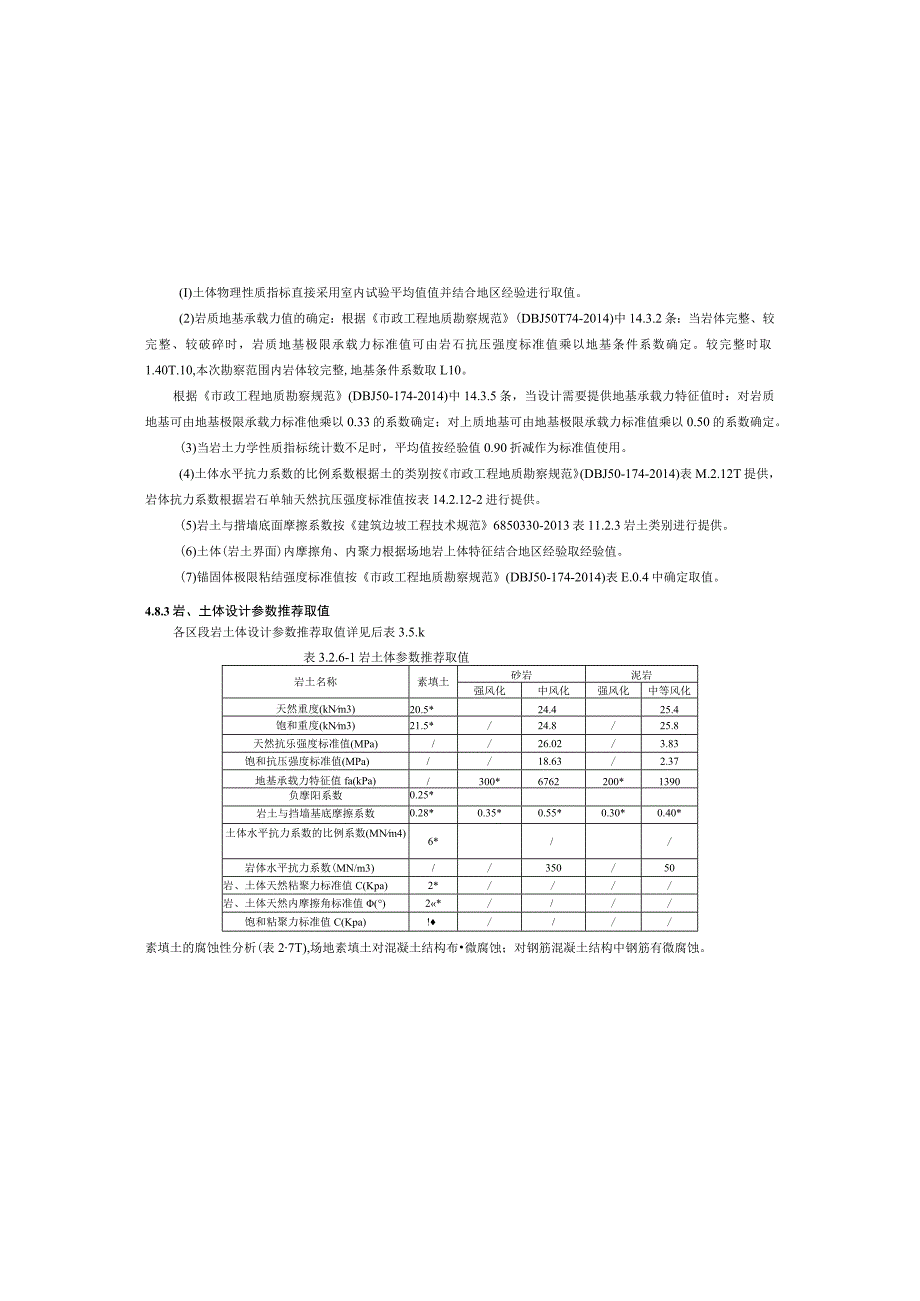
6、质指标直接采用室内试验平均值值并结合地区经验进行取值。(2)岩质地基承载力值的确定:根据市政工程地质勘察规范(DBJ50T74-2014)中14.3.2条:当岩体完整、较完整、较破碎时,岩质地基极限承载力标准值可由岩石抗压强度标准值乘以地基条件系数确定。较完整时取1.40T.10,本次勘察范围内岩体较完整,地基条件系数取L10。根据市政工程地质勘察规范(DBJ50-174-2014)中14.3.5条,当设计需要提供地基承载力特征值时:对岩质地基可由地基极限承载力标准他乘以0.33的系数确定;对上质地基可由地基极限承载力标准值乘以0.50的系数确定。(3)当岩土力学性质指标统计数不足时,平均值按

7、经验值0.90折减作为标准值使用。(4)土体水平抗力系数的比例系数根据土的类别按市政工程地质勘察规范(DBJ50-174-2014)表M.2.12T提供,岩体抗力系数根据岩石单轴天然抗压强度标准值按表14.2.12-2进行提供。(5)岩土与揩墙底面摩擦系数按建筑边坡工程技术规范6850330-2013表11.2.3岩土类别进行提供。(6)土体(岩土界面)内摩擦角、内聚力根据场地岩上体特征结合地区经验取经验值。(7)锚固体极限粘结强度标准值按市政工程地质勘察规范(DBJ50-174-2014)表E.0.4中确定取值。4.8.3岩、土体设计参数推荐取值各区段岩土体设计参数推荐取值详见后表3.5.k

8、表3.2.6-1岩土体参数推荐取值岩土名称素填土砂岩泥岩强风化中风化强风化中等风化天然重度(kNm3)20.5*24.425.4饱和重度(kNm3)21.5*/24.8/25.8天然抗乐强度标准值(MPa)/26.02/3.83饱和抗压强度标准值(MPa)/18.63/2.37地基承载力特征值fa(kPa)/300*6762200*1390负摩阳系数0.25*岩土与挡墙基底摩擦系数0.28*0.35*0.55*0.30*0.40*土体水平抗力系数的比例系数(MNm4)6*/岩体水平抗力系数(MN/m3)/350/50岩、土体天然粘聚力标准值C(Kpa)2*/岩、土体天然内摩擦角标准值()2*/

9、饱和粘聚力标准值C(Kpa)!/素填土的腐蚀性分析(表27T),场地素填土对混凝土结构布微腐蚀;对钢筋混凝土结构中钢筋有微腐蚀。4.7 不良地质现象据区域资料、野外实地调查以及钻探资料,勘察区内及相邻区域现状边坡未见变形、开裂、垮塌等迹象,稳定性较好。本勘察场地内及附近地带未见崩塌、滑坡、泥石流等不良地质现象。未见河道、沟浜、墓穴、防空洞、孤石等不利埋藏物,但拟建场地内分布有大量既有管线,施工时应注意保护避让或迁改。4.8 岩土物理力学特征4.8.1 岩体基本质量等级根据海尔路巴川路口人行天桥工程地质勘察波速测试报告:本次测试场地地层主要为泥岩、砂岩。中风化砂岩层声波速度范围为31143263

10、ms,岩体完整性指数范围为O.590.64;中风化泥岩层声波速度范围为267l2747ms,岩体完整性指数范围为O.600.64(见表3.3T)。该场地的岩体完整系数为0.59-0.64,其岩体完整程度为较完整。根据表3.2.3-1表3.2.3-2的统计结果及海尔路巴川路口人行天桥工程地质勘察波速测试报告的完整性测试结果,并按市政工程地质勘察规范(DBJ50-174-2014)判定:本场地中风化泥岩天然单轴抗压强度标准值3.83MPa,属板软岩,岩体较完整,岩体基本质量等级为V级。本场地中风化砂岩天然单轴抗压强度标准值25.45MPa,属较软岩,岩体较完整,岩体基本质量等级为IV级。注:本场地

11、强风化基岩岩体较破碎,综合判定本场地强风化岩体基本质量等级为V级。表3.3-1岩体声波速度测试成果表孔号测试范围(m)岩性VP速度范围(ms)平均速度(ms)岩块声波速度(ms)岩体完整性系数岩体完整程度ZK094.0-4.4强风化泥岩2122-212421234.460中风化泥岩26712747270434340.60().64较完整6.0-20.0中风化砂岩3114-3263320640710.59-0.64较完整4.8.2岩、土体设计参数取值原则本次勘察岩土参数建议值按不同的工程类型、不同岩性,不同层位、不同风化程度分别提供:(2) 2号梯道(l-ll3-3剖面)根据设计方案,拟建2号梯

12、道采用梯道台及桩基础相结合的方式。其中拟建P2-2、P2-3桥墩处,现状地形平缓,表层素填土厚约1.32.9m,下伏基岩为砂岩、泥岩,强风化带厚约1.72.3m,建议P2-2、P2-3桥墩采用嵌岩桩基础,以中等风化泥岩为持力层。注:拟建2号梯道P2-2桥墩处为既有挡墙,勘察期间挡墙未发现变形,施工时,若要破坏挡墙,应做好相应的支挡工作,再开挖,以免现状边坡失稳。根据设计方案2号梯道台底标高为242.261m,开挖基坑时将在四周形成土质基坑边坡,最大高度约1.5m,边坡安全等级为三级。边坡上部土层岩土界面平缓,土体不易沿岩土界面产生滑动破坏,由于填土自稳能力差,若采用不合理开挖方式,将造成土体滑

13、塌。由于该处周边存在管线且该处周边为小区主要进出口,过往居民多,无放坡条件,建议开挖过程中应做好临时内支撑、抽排基槽积水、坡面防水工作,先支挡再开挖。建议基础型式用筏板基础,采用强风化基岩作基础持力层。由于勘察期间地下水贫乏,施工时,若遇雨季,应做好抽排水工作,保障施工安全。(3) 3号梯道(7-7z剖面)根据设计方案,拟建3号梯道采用梯道台及桩基础相结合的方式。其中拟建P3T桥墩处,现状地形平缓,表层素填土厚约4.2m,下伏基岩为砂岩、泥岩,强风化带厚约L4m,建议P3T桥墩采用嵌岩桩基础,以中等风化泥岩为持力层。根据设计方案3号梯道台底标高为241.782m,开挖基坑时将在四周形成土质基坑

14、边坡,最大高度约1.6m,边坡安全等级为三级。边坡上部土层岩土界面平缓,由于填土白稔能力差,若采用不合理开挖方式,将造成土体滑塌。由于该处存在管线(设计处获悉,该处管线需要迁改)且该处周边为市政人行道及鲁溉路,过往行人及车辆过往多,无放坡条件,建议开挖过程中应做好临时内支撑、抽排基槽积水、坡面防水工作,先支挡再开挖。建议基础型式用筏板基础,采用强风化基岩作基础持力层。由于勘察期间地下水贫乏,施工时,若遇雨季,应做好抽排水工作,保障施工安全。(4) 4号梯道(9-9、10-10,剖面)根据设计方案,拟建4号梯道采用梯道台及桩基础相结合的方式。其中拟建P4-1、P4-2桥墩处,现状地形平缓,表层素

15、填土厚约0.73.2,下伏基岩为砂岩、泥岩,强风化带厚约0.82.5m,建议P4T、P4-2桥墩采用嵌岩桩基础,以中等风化泥岩为持力层。渣土以及占道影响。3、拟建2号梯道P2-2桥墩处为既有挡墙,勘察期间挡墙未发现变形,施工时,若要破坏挡墙,应做好相应的支挡工作,再开挖,以免现状边坡失稔。4.9.5对相邻建筑物影响评价拟建人行天桥工程包含主桥、人行梯道,另根据无障碍要求设置四座直升电梯,现分别对拟建桥墩、梯道、直梯其进行评价。一、拟建桥梁(D)Pl-P2桥梁(6-6剖面)拟建PlP2桥梁拟采用桩基础,现状地形平缓,表层素填土厚约0.92.7m,下伏基岩为砂岩,强风化带厚约05m,建议Pl、P2桥墩采用嵌岩桩基础,以中等风化砂岩为持力

展开阅读全文
相关资源
猜你喜欢
相关搜索

当前位置:首页 > 建筑/环境 > 设计及方案

copyright@ 2008-2023 1wenmi网站版权所有

经营许可证编号:宁ICP备2022001189号-1

本站为文档C2C交易模式,即用户上传的文档直接被用户下载,本站只是中间服务平台,本站所有文档下载所得的收益归上传人(含作者)所有。第壹文秘仅提供信息存储空间,仅对用户上传内容的表现方式做保护处理,对上载内容本身不做任何修改或编辑。若文档所含内容侵犯了您的版权或隐私,请立即通知第壹文秘网,我们立即给予删除!