高速公路工程施工危大工程一览表.docx

上传人:p** 文档编号:560660 上传时间:2023-11-01 格式:DOCX 页数:5 大小:34.40KB
下载 相关 举报
高速公路工程施工危大工程一览表.docx_第1页
第1页 / 共5页
高速公路工程施工危大工程一览表.docx_第2页
第2页 / 共5页
高速公路工程施工危大工程一览表.docx_第3页
第3页 / 共5页
高速公路工程施工危大工程一览表.docx_第4页
第4页 / 共5页
高速公路工程施工危大工程一览表.docx_第5页
第5页 / 共5页
亲,该文档总共5页,全部预览完了,如果喜欢就下载吧!
资源描述

《高速公路工程施工危大工程一览表.docx》由会员分享,可在线阅读,更多相关《高速公路工程施工危大工程一览表.docx(5页珍藏版)》请在第壹文秘上搜索。

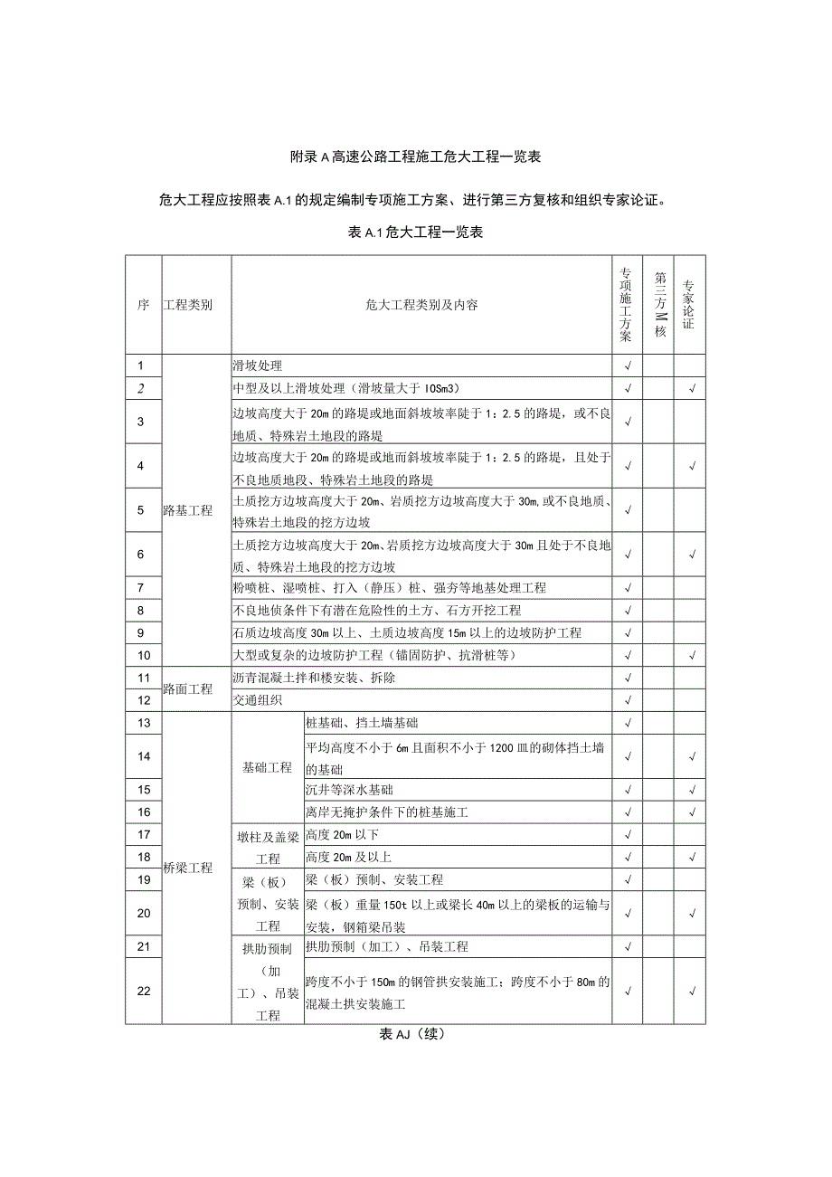
1、附录A高速公路工程施工危大工程一览表危大工程应按照表A.1的规定编制专项施工方案、进行第三方复核和组织专家论证。表A.1危大工程一览表序工程类别危大工程类别及内容专项施工方案第三方M核专家论证1路基工程滑坡处理2中型及以上滑坡处理(滑坡量大于IOSm3)3边坡高度大于20m的路堤或地面斜坡坡率陡于1:2.5的路堤,或不良地质、特殊岩土地段的路堤4边坡高度大于20m的路堤或地而斜坡坡率陡于1:2.5的路堤,且处于不良地质地段、特殊岩土地段的路堤5土质挖方边坡高度大于20m、岩质挖方边坡高度大于30m,或不良地质、特殊岩土地段的挖方边坡6土质挖方边坡高度大于20m、岩质挖方边坡高度大于30m且处于

2、不良地质、特殊岩土地段的挖方边坡7粉喷桩、湿喷桩、打入(静压)桩、强夯等地基处理工程8不良地侦条件下有潜在危险性的土方、石方开挖工程9石质边坡高度30m以上、土质边坡高度15m以上的边坡防护工程10大型或复杂的边坡防护工程(锚固防护、抗滑桩等)11路面工程沥青混凝土拌和楼安装、拆除12交通组织13桥梁工程基础工程桩基础、挡土墙基础14平均高度不小于6m且面积不小于1200皿的砌体挡土墙的基础15沉井等深水基础16离岸无掩护条件下的桩基施工17墩柱及盖梁工程高度20m以下18高度20m及以上19梁(板)预制、安装工程梁(板)预制、安装工程20梁(板)重量150t以上或梁长40m以上的梁板的运输与

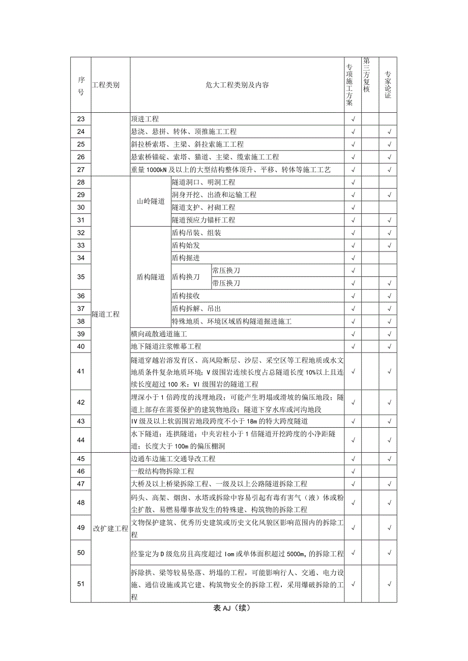
3、安装,钢箱梁吊装21拱肋预制(加工)、吊装工程拱肋预制(加工)、吊装工程22跨度不小于15Om的钢管拱安装施工;跨度不小于80m的混凝土拱安装施工表AJ(续)序号工程类别危大工程类别及内容专项施工方案第三方复核专家论证23顶进工程24悬浇、悬拼、转体、顶推施工工程25斜拉桥索塔、主梁、斜拉索施工工程26悬索桥锚碇、索塔、猫道、主梁、缆索施工工程27重量100OkN及以上的大型结构整体顶升、平移、转体等施工工艺28隧道工程山岭隧道隧道洞口、明洞工程29洞身开挖、出渣和运输工程30隧道支护、衬砌工程31隧道预应力锚杆工程32盾构隧道盾构吊装、组装33盾构始发34盾构掘进35盾构换刀常压换刀带压换刀

4、36盾构接收37盾构拆解、吊出38特殊地质、环境区域盾构隧道掘进施工39横向疏散通道施工40地下隧道注浆帷幕工程41隧道穿越岩溶发育区、高风险断层、沙层、采空区等工程地质或水文地质条件复杂地质环境;V级围岩连续长度占总隧道长度10%以上且连续长度超过100米:Vl级围岩的隧道工程42埋深小于1倍跨度的浅埋地段;可能产生坍塌或滑坡的偏压地段;隧道上部存在需要保护的建筑物地段;隧道下穿水库或河沟地段43IV级及以上软弱围岩地段跨度不小于18m的特大跨度隧道44水下隧道;连拱隧道;中夹岩柱小于1倍隧道开挖跨度的小净距隧道;长度大于100m的偏压棚洞45改扩建工程边通车边施工交通导改工程46一般结构物

5、拆除工程47大桥及以上桥梁拆除工程、一级及以上公路隧道拆除工程48码头、高架、烟囱、水塔或拆除中容易引起有毒有害气(液)体或粉尘扩散、易燃易爆事故发生的特殊建、构筑物的拆除工程49文物保护建筑、优秀历史建筑或历史文化风貌区影响范围内的拆除工程50经鉴定为D级危房且高度超过Iom或单体面积超过5000m,的拆除工程51拆除拱、梁等较易坠落、坍塌的工程,可能影响行人、交通、电力设施、通信设施或其它建、构筑物安全的拆除工程,采用爆破拆除的工程表AJ(续)序号工程类别危大工程类别及内容专项施工方案第三方复核专家论证52跨线施工工程跨一级以下公路、三级以下航道施工53跨铁路、一级及以上公路、三级及以上航

6、道施工54基坑(槽)开挖、支护、降水工程开挖深度3m以上,或虽未达到3m但地质条件和周边环境复杂的55开挖深度5m以上,或开挖深度虽未达到5m但地质条件、周围环境和地卜管线复杂,或影响毗邻建筑(构筑)物安全的,或存在有毒有害气体分布的基坑(槽)56围堰工程水深小于5m57水深5m及以上58模板工程及支撑体系工具式模板工程(爬模、翻模、大型模板等)、挂篮59移动模架工程60混凝土模板支撑工程搭设高度5m及以上;或搭设跨度IOm及以上,或施工总荷载(荷载效应基本组合的设计值,以下简称设计值)lOkN/ni?及以上;或集中线荷载(设计值)15kNm及以上;或高度大于支撑水平投影宽度且相对独立无联系构

7、件的混凝土模板支撑工程61支撑高度8m以上;或者跨度18m以上,或者施工总荷载15kNm2以上;或者集中线荷载20kNm以上62房建工程混凝土板厚350mm及以上,或混凝土梁截面面积0.45Itf及以上63用于钢结构安装等满堂承重支撑体系承受单点集中荷载7kN以下64承受单点集中荷载7kN以上65起重吊装及起重机械安装、拆除工程采用非常规起重设备、方法,且单件起吊重量在IOkX及以上的起重吊装工程66采用非常规起重设备、方法,且单件起吊重量在IoOkN及以上的起重吊装工程67采用起重机械进行安装的工程68起重设备自身的安装和拆卸工程69起吊重量在300kN及以上的起重设备安装和拆卸工程、特殊环

8、境下起重设备安装和拆卸工程70搭设总高度200m及以上,或搭设基础标高在200m及以上的起重设备安装、拆卸工程71采用非说明书中基础形式或附墙形式进行安装的塔式起重机和施工升降机安装工程72施工现场2台(或以上)起重机械存在相互干扰的多台多机种作业工程73钢结构、网架和索膜结构安装工程74跨度36m及以上的钢结构安装工程,或跨度60m及以上的网架和索膜结构安装工程表A.1(续)序号工程类别危大工程类别及内容专项施工方案第三方复核专家论证75脚手架I:程落地式钢管脚手架工程(盘扣式)高度24m以上76高度50m以上77附着式升降脚手架工程或导架爬升式工作平台工程78悬挑式脚手架工程779用于装饰

9、装修及机电安装施工的吊挂平台操作架及索网式脚手架工程80高处作业吊篮工程81不能直接按照产品说明书中参数及安装要求安装的高处作业吊篮工程82卸料平台、移动操作平台工程83新型及异型脚手架工程84无法按标准规范要求设置连墙件或立杆无法正常落地等异型脚手架工程85其他临时用电施工组织设计86边通航边施工作业87在三级及以上通航等级的航道上进行的水上水下施工88开敞式水域大型预制构件的运输与吊装89水上工程中的打桩船作业、施工船作业等90水下工程中的水下焊接、混凝土浇筑等9130m水深以上潜水作业(水下焊接、混凝土浇筑等)92便(栈)桥、临时码头的搭设与拆除93水上作业平台94爆破工程95C级及以上爆破工程、水下爆破工程96冻结法工程97含有有限空间作业的分部分项工程98采用新技术、新工艺、新材料、新设备的危大工程视具体情况定

展开阅读全文
相关资源
猜你喜欢
相关搜索

当前位置:首页 > 管理/人力资源 > 咨询培训

copyright@ 2008-2023 1wenmi网站版权所有

经营许可证编号:宁ICP备2022001189号-1

本站为文档C2C交易模式,即用户上传的文档直接被用户下载,本站只是中间服务平台,本站所有文档下载所得的收益归上传人(含作者)所有。第壹文秘仅提供信息存储空间,仅对用户上传内容的表现方式做保护处理,对上载内容本身不做任何修改或编辑。若文档所含内容侵犯了您的版权或隐私,请立即通知第壹文秘网,我们立即给予删除!