生产企业安全评价现场检查表结论评价单元车间名称评价单元车间检查表结论.docx

上传人:p** 文档编号:563490 上传时间:2023-11-02 格式:DOCX 页数:4 大小:25.03KB
下载 相关 举报
生产企业安全评价现场检查表结论评价单元车间名称评价单元车间检查表结论.docx_第1页
第1页 / 共4页
生产企业安全评价现场检查表结论评价单元车间名称评价单元车间检查表结论.docx_第2页
第2页 / 共4页
生产企业安全评价现场检查表结论评价单元车间名称评价单元车间检查表结论.docx_第3页
第3页 / 共4页
生产企业安全评价现场检查表结论评价单元车间名称评价单元车间检查表结论.docx_第4页
第4页 / 共4页
亲,该文档总共4页,全部预览完了,如果喜欢就下载吧!
资源描述

《生产企业安全评价现场检查表结论评价单元车间名称评价单元车间检查表结论.docx》由会员分享,可在线阅读,更多相关《生产企业安全评价现场检查表结论评价单元车间名称评价单元车间检查表结论.docx(4页珍藏版)》请在第壹文秘上搜索。

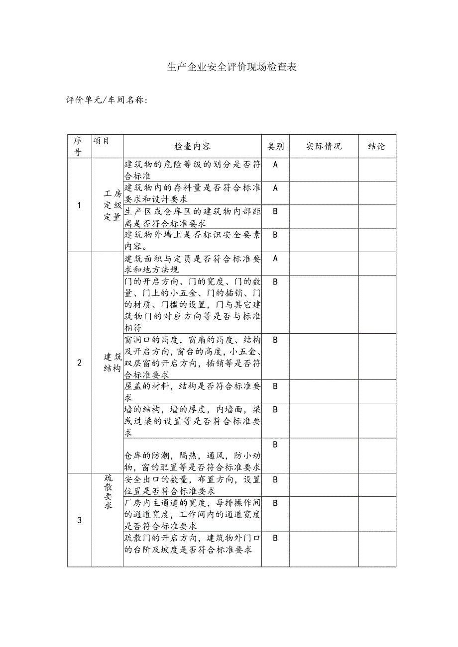
1、生产企业安全评价现场检查表评价单元/车间名称:序号项目检查内容类别实际情况结论1工房定级定量建筑物的危险等级的划分是否符合标准A建筑物内的存料量是否符合标准要求和设计要求A生产区或仓库区的建筑物内部距离是否符合标准要求B建筑物外墙上是否标识安全要素内容。B2建筑结构建筑面积与定员是否符合标准要求和地方法规A门的开启方向、门的宽度、门的数量、门上的小五金、门的插销、门的材质、门槛的设置,门与其它建筑物门的对应方向等是否与标准相符B窗洞口的高度,窗扇的高度、结构及开启方向,窗台的高度,小五金、双层窗的开启方向,插销等是否符合标准要求B屋盖的材料,结构是否符合标准要求B墙的结构,墙的厚度,内墙面,梁

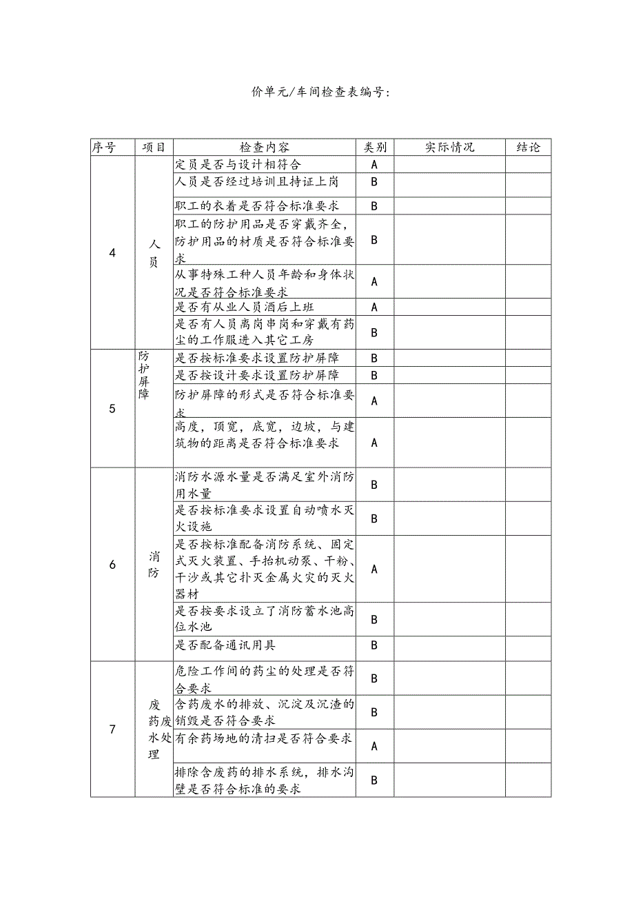
2、或过梁的设置等是否符合标准要求B仓库的防潮,隔热,通风,防小动物,窗的配置等是否符合标准要求B3疏散要求安全出口的数量,布置方向,设置位置是否符合标准要求B厂房内主通道的宽度,每排操作间的通道宽度,工作间内的通道宽度是否符合标准要求B疏散门的开启方向,建筑物外门口的台阶及坡度是否符合标准要求B价单元/车间检查表编号:序号项目检查内容类别实际情况结论4人员定员是否与设计相符合A人员是否经过培训且持证上岗B职工的衣着是否符合标准要求B职工的防护用品是否穿戴齐全,防护用品的材质是否符合标准要求B从事特殊工种人员年龄和身体状况是否符合标准要求A是否有从业人员酒后上班A是否有人员离岗串岗和穿戴有药尘的工

3、作服进入其它工房B5防护屏障是否按标准要求设置防护屏障B是否按设计要求设置防护屏障B防护屏障的形式是否符合标准要求A高度,顶宽,底宽,边坡,与建筑物的距离是否符合标准要求A6消防消防水源水量是否满足室外消防用水量B是否按标准要求设置自动喷水灭火设施B是否按标准配备消防系统、固定式灭火装置、手抬机动泵、干粉、干沙或其它扑灭金属火灾的灭火器材A是否按要求设立了消防蓄水池高位水池B是否配备通讯用具B7废药废水处理危险工作间的药尘的处理是否符合要求B含药废水的排放、沉淀及沉渣的销毁是否符合要求B有余药场地的清扫是否符合要求A排除含废药的排水系统,排水沟壁是否符合标准的要求B序号项目检查内容类别实际情况

4、结论序号项目检查内容类别实际情况结论8采暖通风采暖的方式是否符合标准要求B采暖温湿度是否符合标准要求A采暖系统的管道,散热器,散热器与墙的距离,散热器与地面的距离是否符合标准要求B蒸汽或高温水管道的入口装置和换热装置是否符合标准要求B通风系统的设置是否符合标准要求B散发粉尘的送风系统的设计是否符合标准要求B机械排风系统的风口位置和入口风速,排入大气的空气,风机的型号,水平风管的坡度等是否符合标准要求B送风机的出口是否有止回阀B9电气电气设备是否是按国家产品标准生产,并经检验合格B电气设备的选型与安装是否符合标准要求A电气照明的选型与安装是否符合标准要求B电气设备是否有操作规程B电气线路的选择,

5、导线的连接,导线截面的选择和保护是否符合标准要求B采用电线穿钢管是否符合标准要求B采用电缆是否符合标准要求B变电所及配电房的设置是否符合标准要求B室外架空线路是否符合标准要求A建筑物的防雷是否符合标准要求B设备的接地是否符合标准要求B设备安装,设备检修,设备维修是否符合标准要求B危险工作间的出入口是否安装防静电装置,其接地电阻是否符合标准要求A通讯或信号设施是否配备齐全B10运输与贮存生产区内运输危险品的主干道与其它建筑物的距离是否符合标准要求B运输危险品的主干道纵坡是否符合要求B机动车的装卸距离是否符合标准要求B危险品堆垛的高度,堆垛间的距离,运输通道的宽度,通风巷的宽度,垛架的高度是否符合

6、标准要求B原材料的贮存是否符合标准要求A库房内的温度、湿度、通风的控制是否符合标准要求B厂内运输工具的类型及行驶速度是否符合标准要求B库房内木地板,垛架,铁丁以及在其中的操作等是否符合标准要求B11干法混合烟火药使用设备是否符合标准要求A手工混料的工作台,操作工具,筛子,纸张等是否符合标准要求A配制高感度药物的工房和工具是否符合标准要求A筑药工具的材质是否符合标准要求A盛装药的器具是否符合标准要求A12其它产品或成品干燥烘房的热源的形式及设备是否符合标准要求A干燥房中是否有温度和湿度监控措施、记录以及报警装置B太阳烘干时晒架材质,高度是否符合标准要求B烘干温度是否与标准相符合B烘房中烘盒,烘垫,烘架的材质,堆码的高度是否符合标准要求B各生产设备、操作过程等是否有符合标准的操作规程,是否按标准进行操作B

展开阅读全文
相关资源
猜你喜欢
相关搜索

当前位置:首页 > 办公文档 > 统计图表

copyright@ 2008-2023 1wenmi网站版权所有

经营许可证编号:宁ICP备2022001189号-1

本站为文档C2C交易模式,即用户上传的文档直接被用户下载,本站只是中间服务平台,本站所有文档下载所得的收益归上传人(含作者)所有。第壹文秘仅提供信息存储空间,仅对用户上传内容的表现方式做保护处理,对上载内容本身不做任何修改或编辑。若文档所含内容侵犯了您的版权或隐私,请立即通知第壹文秘网,我们立即给予删除!