第四章技术服务要求.docx

上传人:p** 文档编号:563975 上传时间:2023-11-02 格式:DOCX 页数:18 大小:160.95KB
下载 相关 举报
第四章技术服务要求.docx_第1页
第1页 / 共18页
第四章技术服务要求.docx_第2页
第2页 / 共18页
第四章技术服务要求.docx_第3页
第3页 / 共18页
第四章技术服务要求.docx_第4页
第4页 / 共18页
第四章技术服务要求.docx_第5页
第5页 / 共18页
第四章技术服务要求.docx_第6页
第6页 / 共18页
第四章技术服务要求.docx_第7页
第7页 / 共18页
第四章技术服务要求.docx_第8页
第8页 / 共18页
第四章技术服务要求.docx_第9页
第9页 / 共18页
第四章技术服务要求.docx_第10页
第10页 / 共18页
亲,该文档总共18页,到这儿已超出免费预览范围,如果喜欢就下载吧!
资源描述

《第四章技术服务要求.docx》由会员分享,可在线阅读,更多相关《第四章技术服务要求.docx(18页珍藏版)》请在第壹文秘上搜索。

1、第四章技术服务要求一、修复方法及技术要求1、修复方法:点状原位固化修复;点状原位固化法又称毡筒气囊局部成型法,是将涂抹有树脂混合液的玻璃纤维毡布用气囊紧压于管道内部,通过内壁,通过常温,加热或紫外线照射等方式实现固化,在修复点管内形成新内衬管的一种非开挖修复方法,根据国外经验,该方法可应用于混凝土,钢筋混凝土,陶瓷粘土,石棉水泥等下水道的局部修复,能够修复具备自身结构支撑强度的管道裂缝(径向或纵向裂缝),机械磨损,腐蚀,破裂等缺陷。2、修复工艺:点状原位固化修复工艺2.1.材料准备首先测量环境温度,确定其符合树脂应用要求后将毡筒内管用树脂浸透。可先将毡筒在工厂里预先浸透,再冷冻并运送到施工现场

2、,但毡筒内管的浸透过程一般在现场进行,即将混合均匀的树脂固化剂混合液倒于铺开的毡布之上,使用适当的抹刀将树脂涂抹均匀,并在毡布折叠过程中将树脂涂覆于新的表面之上,最后用滚筒碾压逼平,以避免毡布中挟带空气使树脂质量变差。毡筒内管的长度应能覆盖待修复缺陷,且前后应比待修复缺陷至少长200mm;2.2.浸渍树脂应符合下列规定:当采用常温固化树脂时,树脂的固化时间宜为2h4h,且不得小于lh;树脂的浸渍宜按规定进行,或根据实际情况采取特殊的浸渍工艺;软管浸渍完成后,应立即进行修复施工,否则应将软管保存在适宜的温度下,且不应受灰尘等杂物污染。2.3.软管的安装应符合下列规定:软管应绑扎在可膨胀的气囊上,

3、气囊应由弹性材料制成。并应能承受一定的水压或气压,应有良好的密封性能;通过气囊或小车将浸渍树脂软管运送到待修复位置,并应采用电视检测(CCTV)设备实时监测、辅助定位;气囊的工作压力和修补管径范围应符合气囊设备规定的技术要求。2.4.软管的胀及固应符合下列规定:当采用常温固化树脂时,气囊宜充人空气进行膨胀;当采用加热固化树脂时,应先采用空气或水使软管膨胀,再置换成热蒸汽或热水进行固化;气囊内气体或水的压力应能保证软管紧贴原有管道内壁,但不得超过软管材料所能承受的最大压力;当采用常温固化树脂体系时,应根据修复段的直径、长度和现场条件确定固化时间;当采用加热固化树脂体系时,应按规定进行操作;固化完

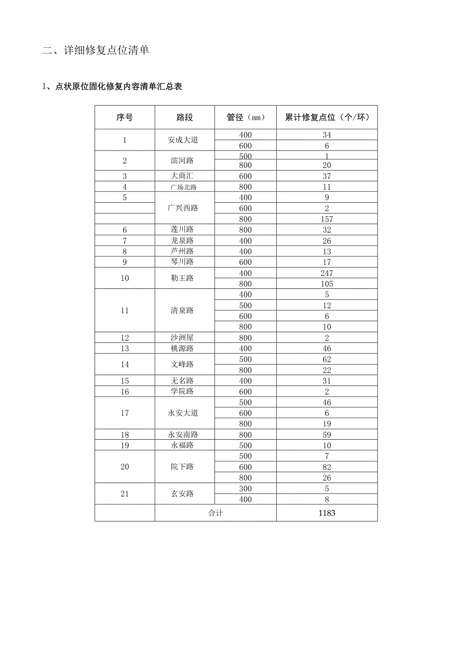
4、成后应缓慢释放气囊内的气体;当采用加热固化法,应先将气囊内气体或水的温度降到38后,然后缓慢释放气囊内的气体或水。2. 5.修复记录点状原位固化法应对树脂用量、软管浸渍停留时间和使用长度、气囊压力、软管固化温度、时间和压力以及内衬管冷却温度、时间、压力等进行记录和检验。3、管道清淤及冲洗高压射水疏通,是一项针对排水管道系统,有效的清洗技术,清洗机高压泵压力可达到210bar,可以清洗掉管道上的附着物和冲走管道内的沉淀物,使管道恢复通畅。具有清洗及吸污功能,使用方便、效率高。二、详细修复点位清单1、点状原位固化修复内容清单汇总表序号路段管径(mm)累计修复点位(个/环)1安成大道40034600

5、62滨河路5001800203大商汇600374广场北路800115广兴西路400960028001576莲川路800327龙泉路400268芦州路400139琴川路6001710勒王路40024780010511清泉路40055001260068001012沙洲屋800213桃源路4004614文峰路500628002215无名路4003116学院路600217永安大道5004660068001918永安南路8005919永福路5001020院下路5007600828002621玄安路30054008合计11832、点状原位固化修复内容清单明细表路名起始井编号终止并编号管径(ran)缺陷名称

6、缺陷距离(m)修复点位(个)院下路YXL-WY8YXL-WY9DN600渗漏0.52YXL-WY8YXL-WY9DN600渗漏12YXL-WY8YXL-WY9DN600渗漏2.52YXL-WY8YXL-WY9DN600渗漏64YXL-WY8YXL-WY9DN600渗漏112YXL-WY8YXL-WY9DN600渗漏143YXL-WY8YXL-WY9DN600错口183YXL-WY8YXL-WY9DN600渗漏18YXL-WY8YXL-WY9DN600渗漏203YXL-WY8YXL-WY9DN600渗漏23-244YXL-WY9YXL-WYlODN600破裂12YXL-WY9YXL-WYlODN

7、600渗漏1.62YXL-WY9YXL-WYlODN600破裂3.23YXL-WY9YXL-WYlODN600渗漏YXL-WY9YXL-WYlODN600错口92YXL-WY9YXL-WYlODN600破裂152YXL-WY9YXL-WYlODN600渗漏15.52YXL-WY9YXL-WYlODN600错口YXL-WY9YXL-WYlODN600破裂703YXL-WY9YXL-WYlODN600渗漏YXL-WY9YXL-WYlODN600破裂883YXL-WY9YXL-WYlODN600渗漏YXL-WY9YXL-WYlODN600破裂943YXL-WY9YXL-WYlODN600错口YXL-

8、WY9YXL-WYlODN600渗漏993YXL-WYlOYXL-WYllDN600破裂0.53YXL-WYlOYXL-WYllDN600破裂2.53YXL-WYlOYXL-WYl1DN600错口8.53YXL-WYlOYXL-WYl1DN600破裂YXL-H1YlOYXL-WYl1DN600错口14.53YXL-HrYlOYXL-WYllDN600破裂YXL-WYlOYXL-WYllDN600渗漏YXL-WYlOYXL-WYllDN600破裂16.82YXL-WYlOYXL-WYl1DN600变形193YXL-WYlOYXL-WYl1DN600错口273YXL-WYlOYXL-WYUDN60

9、0破裂YXL-WYlOYXL-WYllDN600渗漏YXL-WYlOYXL-WYllDN600破裂333YXL-WYlOYXL-WYl1DN600渗漏YXL-WYlOYXL-WYl1DN600错口453YXL-WYlOYXL-WYUDN600破裂YXL-WYlOYXL-WYllDN600渗漏YXL-WYlOYXL-WYllDN600错口513YXL-WYllYXL-WY12DN500破裂25YXL-WYllYXL-WY12DN500脱节YXL-WYl1YXL-WY12DN500破裂22广兴西路GXXL-WGlGXXL-WG2DN800错口1.71GXXL-WGlGXXL-WG2DN800破裂7

10、.51GXXL-WGlGXXL-WG2DN800错口11.41GXXL-WG2GXXL-WG3DN800渗漏5.41GXXL-WG2GXXL-WG3DN800错口11.51GXXL-WG2GXXL-WG3DN800错口13.41GXXL-WG3GXXL-WG5DN800错口31GXXL-WG3GXXL-WG5DN800错口7.31GXXL-WG3GXXL-WG5DN800错口9.51GXXL-WG3GXXL-WG5DN800腐蚀151GXXL-WG3GXXL-WG5DN800腐蚀15.51GXXL-WG3GXXL-WG5DN800错口27.51GXXL-WG6GXXL-WG7DN800错口1.

11、51GXXL-WG6GXXL-WG7DN800错口3.51GXXL-WG6GXXL-WG7DN800腐蚀15.51GXXL-WGI3GXXL-WGMDN800错口1.51GXXL-WG13GXXL-WG14DN800错口5.51GXXL-WG13GXXL-WGUDN800错口7.51GXXL-WG15GXXL-WG14DN800错口1.51GXXL-WG15GXXL-WG14DN800腐蚀2.51GXXL-WGI5GXXL-WGMDN800破裂151GXXL-WG15GXXL-WG16DN800腐蚀11GXXL-WG15GXXL-WG16DN800腐蚀1.51GXXL-WG16GXXL-WG1

12、7DN800错口25.51GXXL-WG16GXXL-WG17DN800腐蚀261GXXL-WG18GXXL-WG17DN800腐蚀1.51GXXL-WG18GXXL-WG17DN800错口9.71GXXL-WG18GXXL-WG19DN800渗漏1.51GXXL-WG18GXXL-WG19DN800渗漏7.51GXXL-WG18GXXL-WG19DN800渗漏9.61GXXL-WG18GXXL-WG19DN800错口17.51GXXL-WG19GXXL-WG20DN800错口,渗漏1.51GXXL-WG19GXXL-WG20DN800错口,渗漏5.51GXXL-WG19GXXL-WG20DN800错口,渗漏25.61GXXL-WG19GXXL-WG2ODN800腐蚀,渗漏25.62GXXL-WG19GXXL-WG2ODN800错口29.71GXXL-WG21GXXL-WG2ODN800错口,破裂1.51GXXL-WG21GXXL-WG

展开阅读全文
相关资源
猜你喜欢
相关搜索

当前位置:首页 > IT计算机 > Web服务

copyright@ 2008-2023 1wenmi网站版权所有

经营许可证编号:宁ICP备2022001189号-1

本站为文档C2C交易模式,即用户上传的文档直接被用户下载,本站只是中间服务平台,本站所有文档下载所得的收益归上传人(含作者)所有。第壹文秘仅提供信息存储空间,仅对用户上传内容的表现方式做保护处理,对上载内容本身不做任何修改或编辑。若文档所含内容侵犯了您的版权或隐私,请立即通知第壹文秘网,我们立即给予删除!