详细评审表.docx

上传人:p** 文档编号:564517 上传时间:2023-11-02 格式:DOCX 页数:2 大小:15.91KB
下载 相关 举报
详细评审表.docx_第1页
第1页 / 共2页
详细评审表.docx_第2页
第2页 / 共2页
亲,该文档总共2页,全部预览完了,如果喜欢就下载吧!
资源描述

《详细评审表.docx》由会员分享,可在线阅读,更多相关《详细评审表.docx(2页珍藏版)》请在第壹文秘上搜索。

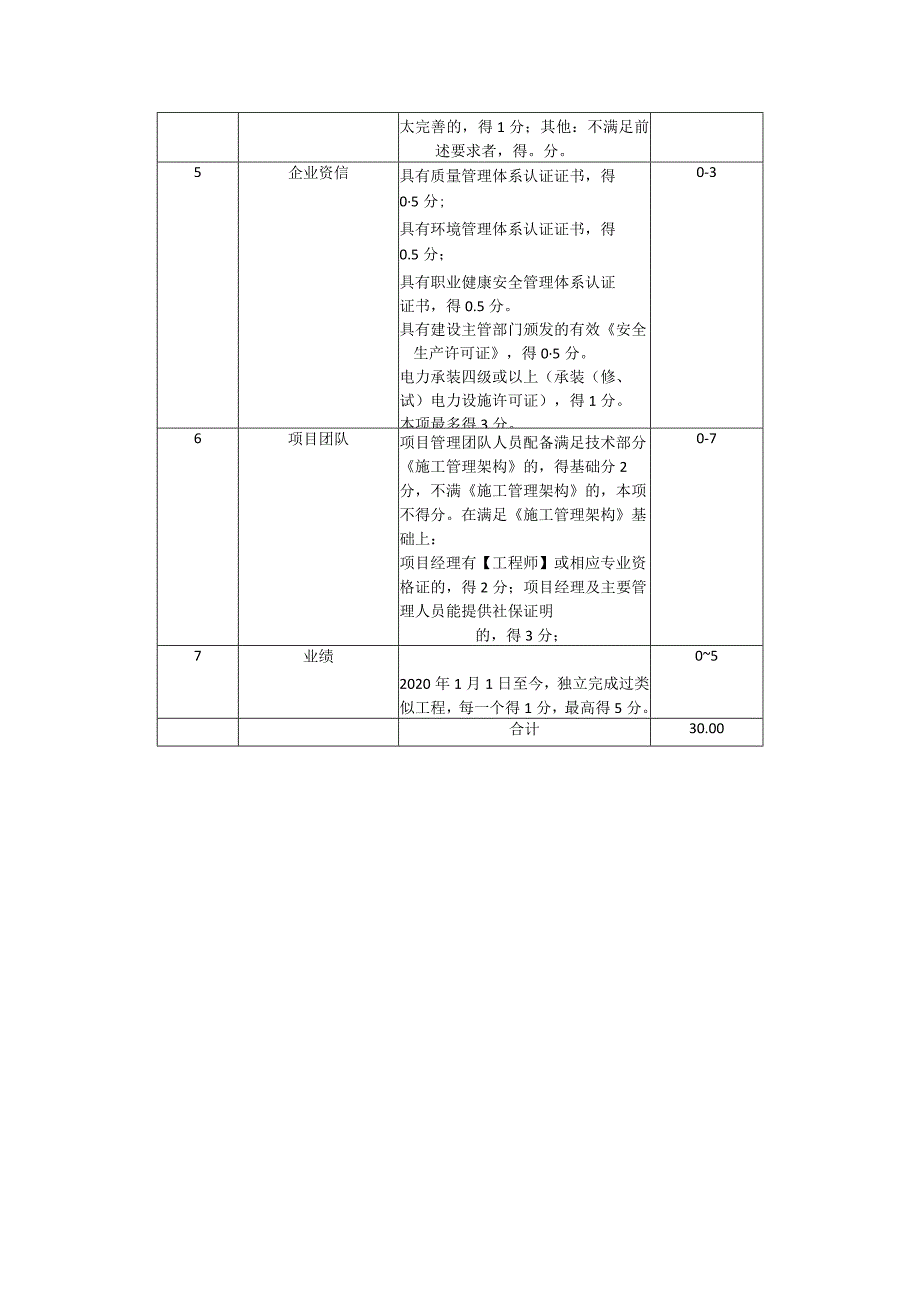
1、详细评审表序号评审项目评议内容分配分数$详细评审表技术商务评审1施工总进度计划和图纸施工总进度计划及工期保证措施逻辑性强、可行、合理,保证措施明确具体并提供图纸;得4-6分。施工总进度计划及工期保证措施逻辑性较强、可行、较合理,有保证措施;得23分。施工总进度计划及工期保证措施逻辑性一般、较可行、较合理,有保证措施;得1-2分。不提供不得分。062施工方案与技术措施最佳:施工组织方案及施工方法先进,工程重点难点、施工关键技术工艺把握准确,技术措施可以充分保障工程质量、工期和施工安全生产,得3分;次之:施工组织方案及施工方法次之,工程重点难点、施工关键技术工艺把握准确,技术措施可以充分保障工程质

2、量、工期和施工安全生产,得2分;再次之:施工组织方案及施工方法再次之,工程重点难点、施工关键技术工艺把握准确,技术措施可以基本保障工程质量、工期和施工安全生产,得1分;不提供不得分。033质量保证措施、售后服务措施最佳:保障措施内容全面,程序合理,针对性、操作性强,能充分保障项目推进的,得3分;次之:保障措施内容较全面,程序较合理,针对性、操作性较强,能基本保障项目推进的,得2分:再次之:保障措施一般,针对性、操作性不强,不能基本保障项目推进的,得1分;其他:不满足前述要求者,得。分。0-34安全文明保证措施最佳:针对本工程地理位置、周边环境状况,安全文明施工措施科学可靠、完善、可行,得3分;

3、次之:安全文明施工措施比较可靠、比较完善的,得2分;再次之:安全文明施工措施一般、不03太完善的,得1分;其他:不满足前述要求者,得。分。5企业资信具有质量管理体系认证证书,得05分;具有环境管理体系认证证书,得0.5分;具有职业健康安全管理体系认证证书,得0.5分。具有建设主管部门颁发的有效安全生产许可证,得05分。电力承装四级或以上(承装(修、试)电力设施许可证),得1分。本项最多得3分。0-36项目团队项目管理团队人员配备满足技术部分施工管理架构的,得基础分2分,不满施工管理架构的,本项不得分。在满足施工管理架构基础上:项目经理有【工程师】或相应专业资格证的,得2分;项目经理及主要管理人员能提供社保证明的,得3分;0-77业绩2020年1月1日至今,独立完成过类似工程,每一个得1分,最高得5分。05合计30.00

展开阅读全文
相关资源
猜你喜欢
相关搜索

当前位置:首页 > 办公文档 > 统计图表

copyright@ 2008-2023 1wenmi网站版权所有

经营许可证编号:宁ICP备2022001189号-1

本站为文档C2C交易模式,即用户上传的文档直接被用户下载,本站只是中间服务平台,本站所有文档下载所得的收益归上传人(含作者)所有。第壹文秘仅提供信息存储空间,仅对用户上传内容的表现方式做保护处理,对上载内容本身不做任何修改或编辑。若文档所含内容侵犯了您的版权或隐私,请立即通知第壹文秘网,我们立即给予删除!