项目脚手架构件配件验收单.docx

上传人:p** 文档编号:564983 上传时间:2023-11-02 格式:DOCX 页数:3 大小:20.96KB
下载 相关 举报
项目脚手架构件配件验收单.docx_第1页
第1页 / 共3页
项目脚手架构件配件验收单.docx_第2页
第2页 / 共3页
项目脚手架构件配件验收单.docx_第3页
第3页 / 共3页
亲,该文档总共3页,全部预览完了,如果喜欢就下载吧!
资源描述

《项目脚手架构件配件验收单.docx》由会员分享,可在线阅读,更多相关《项目脚手架构件配件验收单.docx(3页珍藏版)》请在第壹文秘上搜索。

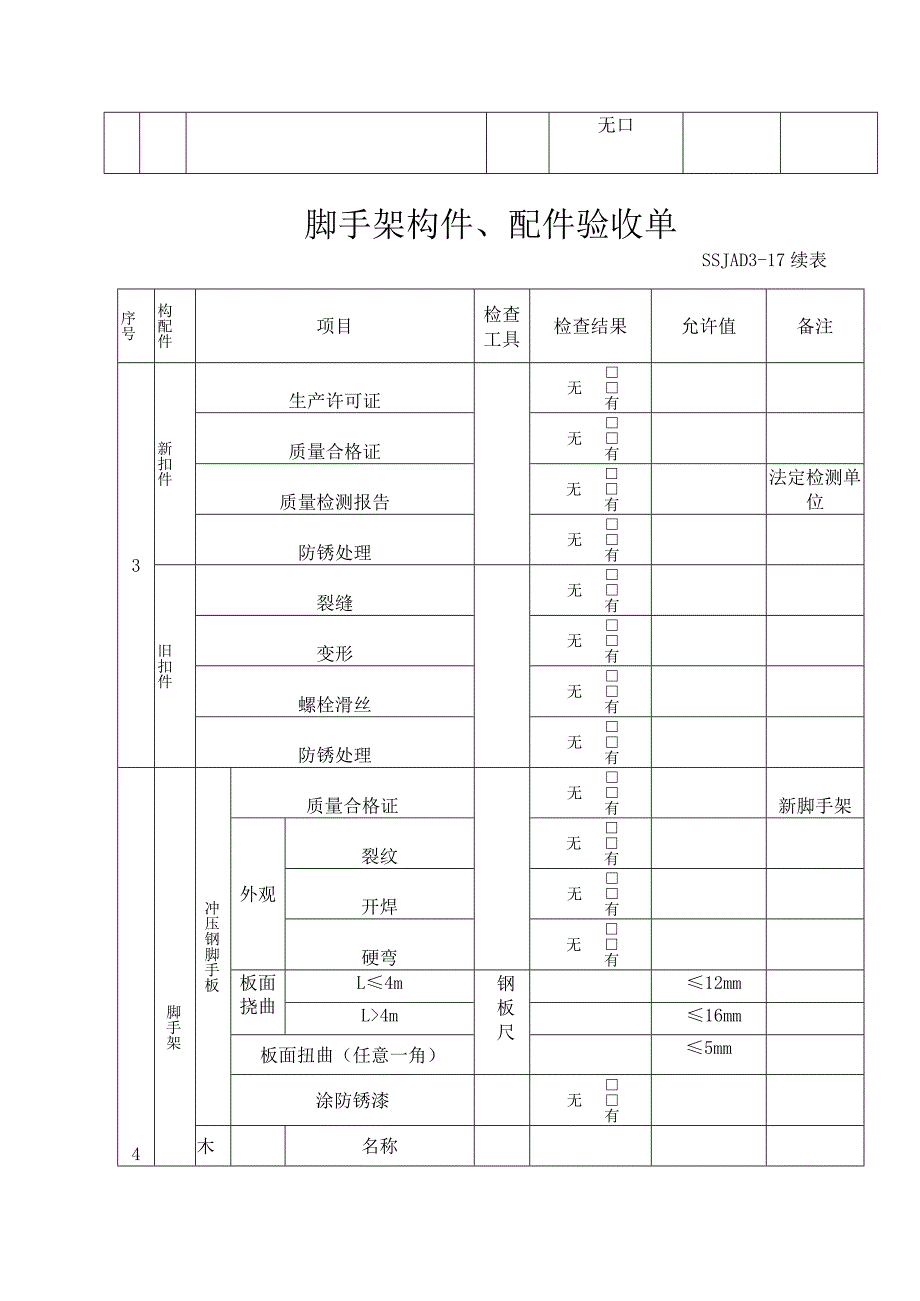
项目脚手架构件配件验收单序号构配件项目检查工具检查结果允许值备注1新钢管质量合格证游标卡尺、塞尺、拐角尺有口无口质量检测报告有口无口表面平直、光滑口裂缝、分层口压痕、毛刺口夕卜径-0.5壁厚-0.45端面(切斜偏差)1.70防腐漆有口无口2IB钢管弯曲变形锈蚀深度(壁厚)游标卡尺-0.5每年一次抽取三根麻弯曲弯曲长度钢尺Ll.5m弯曲值LW5mm中部弯曲立杆3m4m16mm板面扭曲(任意一角)5mm涂防锈漆有无木名称脚手板木材材质级别尺寸厚度25mm严格宽度220Omm腐朽有无腐朽脚手板不得使用

展开阅读全文
相关资源
猜你喜欢
相关搜索

当前位置:首页 > 建筑/环境 > 建筑资料

copyright@ 2008-2023 1wenmi网站版权所有

经营许可证编号:宁ICP备2022001189号-1

本站为文档C2C交易模式,即用户上传的文档直接被用户下载,本站只是中间服务平台,本站所有文档下载所得的收益归上传人(含作者)所有。第壹文秘仅提供信息存储空间,仅对用户上传内容的表现方式做保护处理,对上载内容本身不做任何修改或编辑。若文档所含内容侵犯了您的版权或隐私,请立即通知第壹文秘网,我们立即给予删除!