声学低压细水雾灭火系统设计范例、施工过程质量检查、验收记录、维护管理工作检查项目.docx

上传人:p** 文档编号:566943 上传时间:2023-11-04 格式:DOCX 页数:19 大小:109.01KB
下载 相关 举报
声学低压细水雾灭火系统设计范例、施工过程质量检查、验收记录、维护管理工作检查项目.docx_第1页
第1页 / 共19页
声学低压细水雾灭火系统设计范例、施工过程质量检查、验收记录、维护管理工作检查项目.docx_第2页
第2页 / 共19页
声学低压细水雾灭火系统设计范例、施工过程质量检查、验收记录、维护管理工作检查项目.docx_第3页
第3页 / 共19页
声学低压细水雾灭火系统设计范例、施工过程质量检查、验收记录、维护管理工作检查项目.docx_第4页
第4页 / 共19页
声学低压细水雾灭火系统设计范例、施工过程质量检查、验收记录、维护管理工作检查项目.docx_第5页
第5页 / 共19页
声学低压细水雾灭火系统设计范例、施工过程质量检查、验收记录、维护管理工作检查项目.docx_第6页
第6页 / 共19页
声学低压细水雾灭火系统设计范例、施工过程质量检查、验收记录、维护管理工作检查项目.docx_第7页
第7页 / 共19页
声学低压细水雾灭火系统设计范例、施工过程质量检查、验收记录、维护管理工作检查项目.docx_第8页
第8页 / 共19页
声学低压细水雾灭火系统设计范例、施工过程质量检查、验收记录、维护管理工作检查项目.docx_第9页
第9页 / 共19页
声学低压细水雾灭火系统设计范例、施工过程质量检查、验收记录、维护管理工作检查项目.docx_第10页
第10页 / 共19页
亲,该文档总共19页,到这儿已超出免费预览范围,如果喜欢就下载吧!
资源描述

《声学低压细水雾灭火系统设计范例、施工过程质量检查、验收记录、维护管理工作检查项目.docx》由会员分享,可在线阅读,更多相关《声学低压细水雾灭火系统设计范例、施工过程质量检查、验收记录、维护管理工作检查项目.docx(19页珍藏版)》请在第壹文秘上搜索。

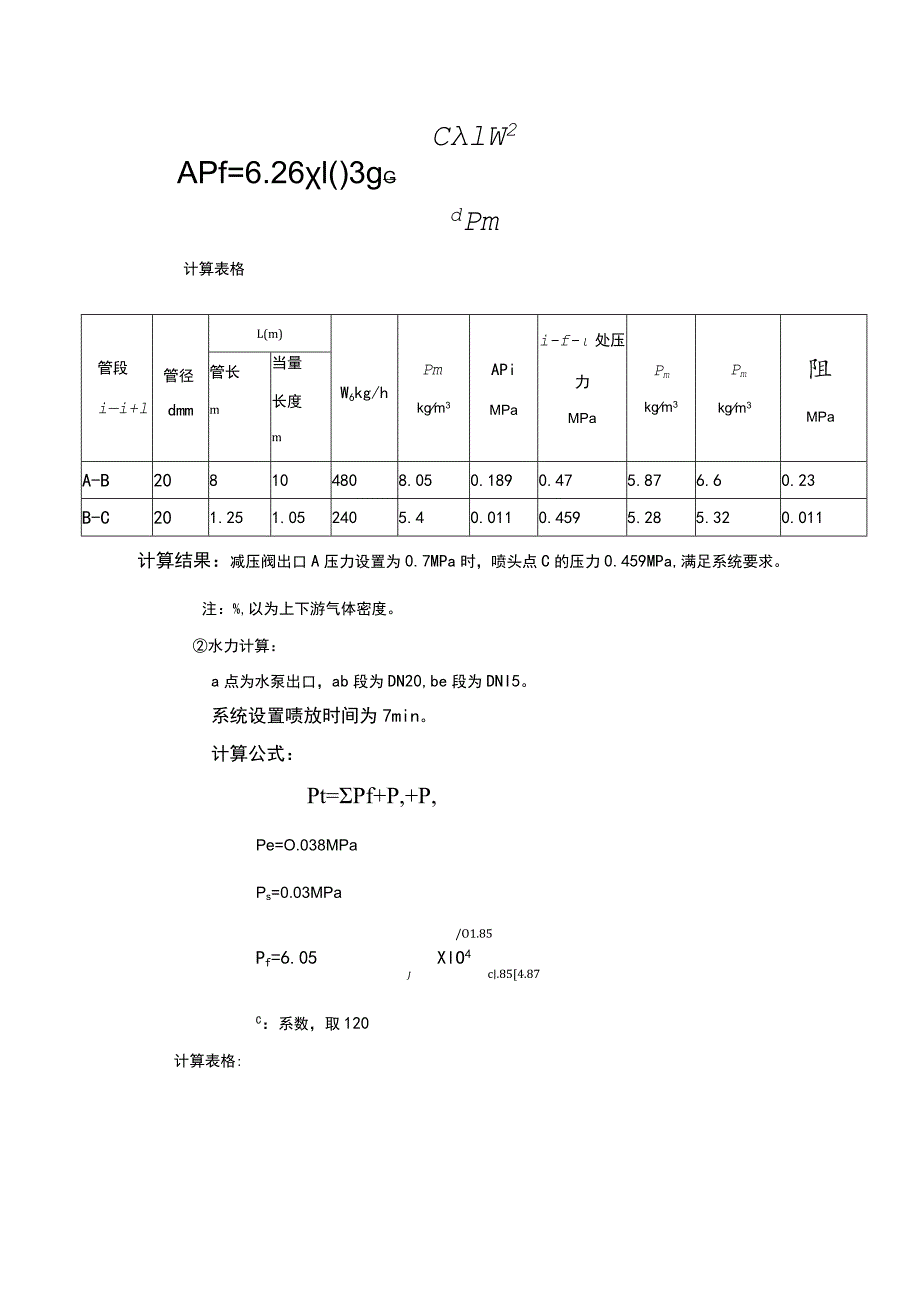
1、附录A系统设计范例例1系统设计:设备间的保护试验室尺寸:5m(长)5m(宽)4m(高)=100m3系统布置见实验室管网布置图气体计算:系统设置2只4#喷头(水4Lmin,气4kgmin),啧头间距如图布置。A点为减压阀出口,AB段为DN20,BC段为DN20,系统设置啧放时间为7min。系统需贮气量为2只x4kgmin*7min=56kg系统设置贮气瓶组数=56/15.5=3.6瓶设置数量为4瓶90L设:减压阀出口A点压力设置为0.7MPa,4=0.025计算公式ClW2APf=6.26l()3gGdPm计算表格管段ii+l管径dmmL(m)W6kg/hPmkgm3APiMPai-f-处压力M

2、PaPmkgm3Pmkgm3阻MPa管长m当量长度mA-B208104808.050.1890.475.876.60.23B-C201.251.052405.40.0110.4595.285.320.011计算结果:减压阀出口A压力设置为0.7MPa时,喷头点C的压力0.459MPa,满足系统要求。注:%,以为上下游气体密度。水力计算:a点为水泵出口,ab段为DN20,be段为DNI5。系统设置啧放时间为7min。计算公式:Pt=Pf+P,+P,Pe=O.038MPaPs=0.03MPa/O1.85Pf=6.05XlO4Jc.854.87C:系数,取120计算表格:管段管径mm管长m当量长度m

3、计算管长m流量1./min水头损失MPaa-b207.33.5710.8782.02103b-c151.251.042.2940.8410-3Pf=PabPbc=O.00286MPaPt=2*Pf+Pe+Ps=O.061MPa系统设计流量Q=8(Lmin)系统有效贮水容积V=7min8Lmin=56(L)计算结果:设置的水泵扬程为16m,流量16Lmin例2系统设计:燃气轮机发电机室的保护:燃气轮机发电机室尺寸:6.1Im(长)5.19m(宽)3.16m(高)=100.2m3系统布置见管网布置图气体计算:系统属局部保护,轴端各设置2只4#喷头(水4Lmin,气4kgmin),啧头间距如图布置。

4、A点为减压阀出口,AB段为DN25,BD段为DN20,DE段为DN20,系统设置喷放时间为7min。系统需贮气置为4只x4kgminx7min=112kg系统设置贮气瓶组数=112/15.5=7.23瓶设置数为8瓶90L设:减压阀出口A点压力设置为0.8MPa,%=0.025计算公式p62613三计算表格管段ii+l管径dmmL(m)W6kg/hPmkgm3APjMPai-f-处压力MPaPmkgm3Pmkgm3阻MPa管长m当量长度mA-B251.522.849609.1950.0690.7138.408.6650.087B-D204.842.374808.200.10.6037.057.4

5、30.11D-E201.70.52406.930.0090.5946.826.850.0091计算结果:减压阀出口A压力设置为0.8MPa时,喷头点C的压力0.594MPa,满足系统要求。注:%,4为上下游气体密度,4为管段平均密度。水力计算:a点为水泵出口,ab段为DN25,bd段为DN15,de段为DNI5。系统设置喷放时间为7min。计算公式:Pt=PzPePvPe=O.03MPaPs=0.03MPa/0.85Pr6.054R7XlO4fcl85j487C:系数,取120计算表格:管道外径(EI)20242832404860最大间距(m)1.82.02.22.52.82.83.6Pf=P

6、ab+Pbd+Pde=O.0076MPaPt=Pf+Pe+Ps=O.068MPa系统设计流量Q尸16(Lmin)系统有效贮水容积V=7min16Lmin=112(L)计算结果:设置的水泵扬程为16m,流量16Lmin附录B声学低压细水雾灭火系统工程划分表B声学低压细水雾灭火系统分部工程、子分部工程、分项工程划分分部工程序号子分部工程分项工程声学低压细水雾灭火系统1进场检验材料进场检验系统组件进场检验2系统安装贮气瓶组的安装、贮水箱(贮水瓶组)水泵的安装、阀组安装、管道管道件安装,喷头安装系统管道冲洗、水压试验、吹扫3系统调试贮水箱水泵调试、分区控制阀调试、联动试验4系统验收灭火系统施工质量验收

7、系统功能验收附录C声学低压细水雾灭火系统施工现场质量管理检查记录表C施工现场质量管理检查记录工程名称建设单位监理单位设计单位项目负责人施工单位施工许可证序号项目内容现场质量管理制度质量责任制主要专用工种人员操作上岗证书施工图审查情况施工组织设计、施工方案及审批施工技术标准工程质量检验制度现场材料、设备管理其他结论施工单位项目负责人:(签章)年月曰监理工程师:(签章)年月日建设单位项目负责人:(签章)年月曰附录D声学低压细水雾灭火系统施工过程质量检查记录D.0.1系统施工过程中的进场检验记录应由施工单位质量检查员按表D.0.1填写,并由监理工程师进行检查,同时应做出检查结论。表D.0.1声学低压

8、细水雾灭火系统施工进场检验记录工程名称施工单位施工执行规范名称及编监理单位子分部工程名称进场检验分项工程名称本规范要求施工单位检查记录及评定监理单位验收记录材料进场检睑第5.2.1条第5.2.2条系统组件进场检验第5.2.3条第5.2.4条第5.2.5条第5.2.6条第5.2.7条结论施工单位项目负责人:(签章)年月日监理工程师:(签章)年月日注:对材料和系统组件有复验要求或对其质量有疑义时,应有监理工程师抽样,并由具有相应资质的检测单位进行检查复验,其复验结果应符合国家现行产品标准和设计要求。D.0.2系统施工过程中的安装质量检查记录应由施工单位质量检查员按表D.0.2填写,并由监理工程师进

9、行检查,同时应做出检查结论。表D.0.2声学低压细水雾灭火系统安装质量检查记录工程名称施工单位施工执行规范名称及编号监理单位子分部工程名称系统安装分项工程名称本规范要求施工单位检查记录及评定监理单位验收记录贮水、贮气瓶组安装第5.3.3条第1款第5.3.3条第2款第5.3.3条第3款阀组的安装第5.3.4条第1款第5.3.4条第2款第5.3.4条第3款管道的安装第5.3.5条第1款第5.3.5条第2款第5.3.5条第3款第5.3.5条第4款喷头的安装第5.3.8条第1款第5.3.8条第2款第5.3.8条第3款结论施工单位项目负责人:监理工程师:(签章)(签章)年月日年月日D.O.3系统施工过程

10、中的管道冲洗记录应由施工单位质量检查员按表D.0.3填写,并由监理工程师进行检查,同时应做出检查结论。表D.0.3声学低压细水雾灭火系统管网冲洗记录工程名称建设单位施工单位监理单位管段号材质冲洗结论意见介质压力(MPa)流速(ms)流量(L/s)冲洗次数结论施工单位项目负人:监理工程师:建设单位项目负责人:(签章)(签(签章)年月日章)年月日年月日D.O.4系统施工过程中的试压记录应由施工单位质量检查员按表D.0.4填写,并由监理工程师进行检查,同时应做出检查结论。表D.0.4声学低压细水雾灭火系统试压记录工程名称建设单位施工单位监理单位管段号材质设计工作压(MPa)温度()压力试验介质压力(

11、MPa)时间(min)结论意见结论施工单位项目负人:(签章)年月日监理工程师:(签章)年月日建设单位项目负责人:(签章)年月日D.O.5系统施工过程中的隐蔽工程验收记录应由施工单位质量检查员按表D.0.5填写,并由监理工程师进行检查,同时应做出检查结论。表D.0.5声学低压细水雾灭火系统隐蔽工程验收记录工程名称建设单位设计单位监理单位施工单位管段号设计参数压力试验防腐管径材料介质压力(MPa)介质压力(MPa)时间(min)结果等级结果隐蔽前的检查隐蔽方法简图或说明结论施工单位项目负人:监理工程师:建设单位项目负责人:(签章)(签章)(签年月日年月日章)年月日D.O.6系统施工过程中的系统调试记录应由施工单位质量检查员按表D.0.6填写,并由监理工程师进行检查,同时应做出检查结论。表D.0.6声学

展开阅读全文
相关资源
猜你喜欢
相关搜索

当前位置:首页 > 行业资料 > 国内外标准规范

copyright@ 2008-2023 1wenmi网站版权所有

经营许可证编号:宁ICP备2022001189号-1

本站为文档C2C交易模式,即用户上传的文档直接被用户下载,本站只是中间服务平台,本站所有文档下载所得的收益归上传人(含作者)所有。第壹文秘仅提供信息存储空间,仅对用户上传内容的表现方式做保护处理,对上载内容本身不做任何修改或编辑。若文档所含内容侵犯了您的版权或隐私,请立即通知第壹文秘网,我们立即给予删除!