疏水阀采购技术要求.docx

上传人:p** 文档编号:567621 上传时间:2023-11-04 格式:DOCX 页数:4 大小:18.74KB
下载 相关 举报
疏水阀采购技术要求.docx_第1页
第1页 / 共4页
疏水阀采购技术要求.docx_第2页
第2页 / 共4页
疏水阀采购技术要求.docx_第3页
第3页 / 共4页
疏水阀采购技术要求.docx_第4页
第4页 / 共4页
亲,该文档总共4页,全部预览完了,如果喜欢就下载吧!
资源描述

《疏水阀采购技术要求.docx》由会员分享,可在线阅读,更多相关《疏水阀采购技术要求.docx(4页珍藏版)》请在第壹文秘上搜索。

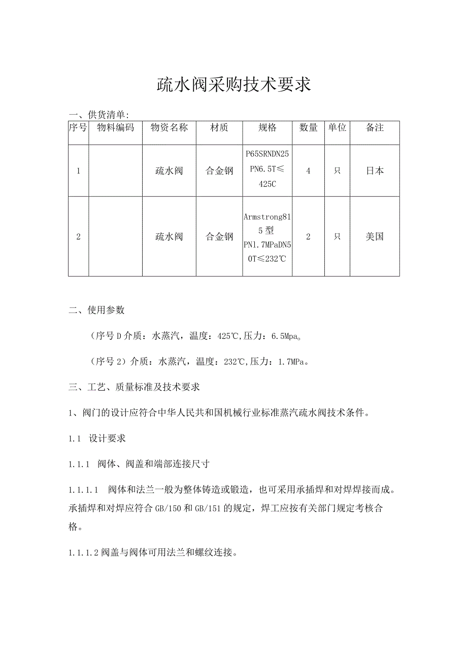
1、疏水阀采购技术要求一、供货清单:序号物料编码物资名称材质规格数量单位备注1疏水阀合金钢P65SRNDN25PN6.5T425C4只日本2疏水阀合金钢Armstrong815型PNl.7MPaDN50T2322只美国二、使用参数(序号D介质:水蒸汽,温度:425,压力:6.5Mpao(序号2)介质:水蒸汽,温度:232,压力:1.7MPa。三、工艺、质量标准及技术要求1、阀门的设计应符合中华人民共和国机械行业标准蒸汽疏水阀技术条件。1.1 设计要求1.1.1 阀体、阀盖和端部连接尺寸1.1.1.1 阀体和法兰一般为整体铸造或锻造,也可采用承插焊和对焊焊接而成。承插焊和对焊应符合GB/150和GB

2、/151的规定,焊工应按有关部门规定考核合格。1.1.1.2阀盖与阀体可用法兰和螺纹连接。1.1,1.4铁制疏水阀的法兰按GB/T4216.2-4216.5的规定。1.LL5直通式疏水阀法兰连接的两端法兰密封面的平行度公差按GB/T1184中规定的10级精度。1.1,1.6直通式疏水阀螺纹连接的两端螺纹同轴度公差按GB/T1184中规定的10级精度。1.1.1.7连接法兰的螺栓孔轴线相对于理论正确位置的位置度公差应不大于螺栓与螺栓孔间隙的1/4,两侧法兰相对螺栓孔同轴度公差应不大于螺栓与螺栓孔间隙的1/2。1.1.1.8结构长度按GB/T12250的规定。1. 1.2过滤网1.1. 2.1疏水

3、阀应设有过滤网,不设过滤网的疏水阀应带有单独的过滤器。1.2. 2.2过滤网用板材冲制时其网孔孔径应不大于Imm02.3过滤网流通面积应不小于疏水阀过流面积的1.5倍。1.L2.4过滤网应有足够刚度,其焊缝应牢固可靠。1. 1.3内件1.1. 3.1机械型疏水阀的杠杆、销轴等内件应保证动作灵活可靠,具有足够的强度和耐腐蚀性。1.2. 3.2热静力型疏水阀的驱动零件应有足够的强度,在最高工作压力和温度下动作应灵敏可靠。1.1.3.3热动力型疏水阀的启闭件应具有足够的强度与耐磨性,动作灵敏可靠,不得有卡阻现象。L1.4疏水阀应具有自动排气功能。5.2材料要求5.2.1灰铸铁件按GB/T12226的

4、规定。的规定。5.2.4奥氏体钢铸件按GB/T12230的规定。5.2.5球墨铸铁件按GB/T12227的规定。5.2.6铜合金铸件按GB/T12225的规定。5.3性能要求5.3.1壳体强度按GB/T12251中4.1的规定。5.3.2动作按GB/T12251中4.2的规定。5.3.3最低工作压力不大于设计给定值。5.3.4最高工作压力不小于设计给定值。5.3.5最高背压率:a)机械型不小于80%;b)热动力型不小于50%,其中脉冲式不小于25%:5.3.6排除空气和其它不凝性气体时不能有气堵现象。5.3.7最大过冷度和最小过冷度不大于设计给定值。c)热静力型不小于30%。四、供货及验收方法

5、:1、乙方签订合同后,20天送货到现场。五、质量保证及售后服务1、乙方保证所提供的产品能正常装配及连续安全稳定运行,所提供的测绘备件完全满足原设备使用技术条件。如有加工质量问题,乙方在接到甲方通知后48小时内到达现场,免费负责处理、更换。2、乙方所提供的产品,在两年内如发生因材料选用不当产生的损坏,乙方负责免费更换。3、乙方所提供的产品在两年内如发生因制造质量、工艺问题产生的损坏,经招、投双方共同界定、协商,乙方负责免费更换或维修。4、甲方提供的参考国标,如有最新版本则依据最新标准;乙方所采用的标准与甲方有冲突时,采用最高等级标准。六、乙方交货时应向甲方提供如下技术报告和资料1、产品装箱清单、产品合格证、产品安装使用说明书进口等相关资料。2、生产部件的原材料化学成分报告3、产品相关检测技术报告、图纸资料。七、其他1、本技术规范书解释权在甲方。2、其它未尽事宜双方协商解决。

展开阅读全文
相关资源
猜你喜欢
相关搜索

当前位置:首页 > 办公文档 > 事务文书

copyright@ 2008-2023 1wenmi网站版权所有

经营许可证编号:宁ICP备2022001189号-1

本站为文档C2C交易模式,即用户上传的文档直接被用户下载,本站只是中间服务平台,本站所有文档下载所得的收益归上传人(含作者)所有。第壹文秘仅提供信息存储空间,仅对用户上传内容的表现方式做保护处理,对上载内容本身不做任何修改或编辑。若文档所含内容侵犯了您的版权或隐私,请立即通知第壹文秘网,我们立即给予删除!