主管考核评估表.docx

上传人:p** 文档编号:572932 上传时间:2023-11-08 格式:DOCX 页数:4 大小:24.57KB
下载 相关 举报
主管考核评估表.docx_第1页
第1页 / 共4页
主管考核评估表.docx_第2页
第2页 / 共4页
主管考核评估表.docx_第3页
第3页 / 共4页
主管考核评估表.docx_第4页
第4页 / 共4页
亲,该文档总共4页,全部预览完了,如果喜欢就下载吧!
资源描述

《主管考核评估表.docx》由会员分享,可在线阅读,更多相关《主管考核评估表.docx(4页珍藏版)》请在第壹文秘上搜索。

1、主管考核评估表部门岗位姓彳职称到职tl期现职日期总评分考核项目考核基准评分比例分配评分单位主管部门主管(副)息经理工作的迅速性口工作的速度非常快口工作的速度很快口以一般的进行方式作为标准口稍慢,急需时不能放心交其处理口工作慢,需要时常督促5-4321工作的正确性口周密细心、周到、规规矩矩、谨慎,几乎找不到缺点口很细心,工作没有错失、遗漏54口有大致令人满意的正确性口无法称为很正确,但不会因此发生事故或失败32-口缺少正确的作业态度,而有显著的缺点或失误1-口对现有的工作有高度技术与经验,也能完成困难的工作10工作口对现有的工作有很好的技术与经验8的知识及技术口对现有的工作可以独当一面口大致能自

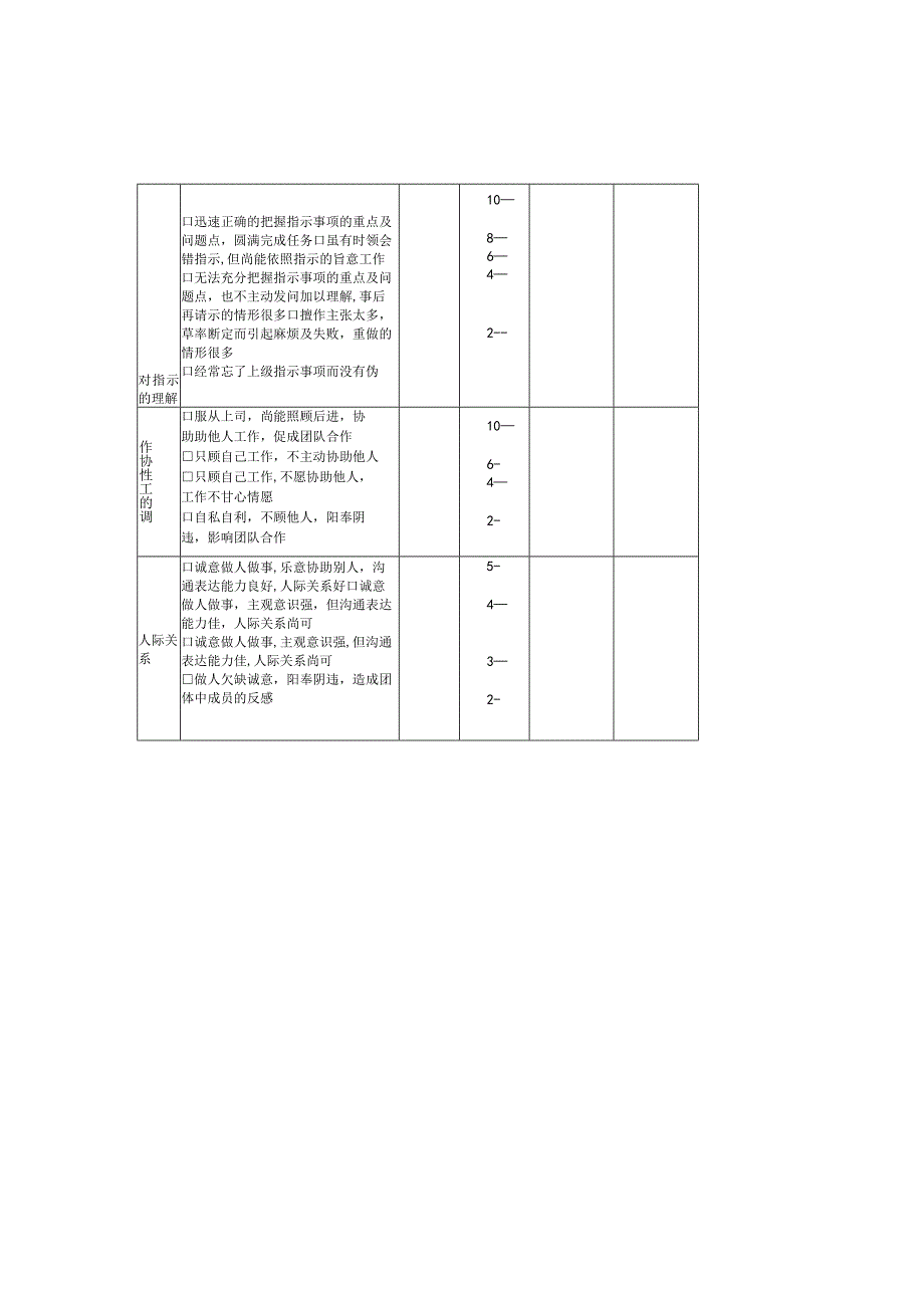
2、己处理,但有时仍需要给予指导6-4口对现有的工作缺少技术与经验,表现不佳2-执行及责任感口自动自觉、贯彻始终,负责到底口对工作执行有方,尚能自动改进口尚能职守本分,但无甚表现口只做交办之事,依赖他人帮助口做事需要再三催促,敷衍了事,妨碍任务执行108一642一对指示的理解口迅速正确的把握指示事项的重点及问题点,圆满完成任务口虽有时领会错指示,但尚能依照指示的旨意工作口无法充分把握指示事项的重点及问题点,也不主动发问加以理解,事后再请示的情形很多口擅作主张太多,草率断定而引起麻烦及失败,重做的情形很多口经常忘了上级指示事项而没有伪108642-作协性工的调口服从上司,尚能照顾后进,协助助他人工作

3、,促成团队合作只顾自己工作,不主动协助他人只顾自己工作,不愿协助他人,工作不甘心情愿口自私自利,不顾他人,阳奉阴违,影响团队合作106-42-人际关系口诚意做人做事,乐意协助别人,沟通表达能力良好,人际关系好口诚意做人做事,主观意识强,但沟通表达能力佳,人际关系尚可口诚意做人做事,主观意识强,但沟通表达能力佳,人际关系尚可做人欠缺诚意,阳奉阴违,造成团体中成员的反感5-432-判断力口有高度专业知识,在极困难状况下,仍能做正确判断处理具有专门知识,在困难的情况下,大致也能做正确的判断具有专门知识,在一般情况下,判断不致有错误在一般状况下,判断有时会有错误口在一般状况下判断会有错误.需予指导或支

4、援10864一创新力1惧有专门知识,能积极提出独创具专门知识,能自动研究创新有专门知识,稍加指导即可稍具专业知识,但无太多创新10864领导能力【I最能领导,有卓越建树口很能领导,表现良好口尚能领导,勉可胜任口领导不佳,有时造成员工抱怨口为下属反对,缺乏能力15-12942-考核考核基准评分比评分项目例分配单位主管部门主管(副)总经理出勤状况事假日(每日扣0.1分)病假日(每日扣0.1分)旷职日(每日扣1分)迟到早退次(每次扣0.1分)全勤加6分10分奖惩计分嘉奖次(每次加1分)小功次(每次加3分)大功次(每次加9分)警告次(每次扣0.5分)申诫次(每次扣1分)小过次(每次扣3分)大过次(每次扣9分)奖惩分数Ba.单位主管评分:b.部门主管评分:c.(副)总经理主管(a+b+c)3=A:或(b+c)2=A:奖惩分数B:实际得分A+B:评分:(续上表)综合考评:1 .对现职的适应性现职成绩优异适任现职口现职有成绩尚适任现口不适任现职口其他2 .业绩目标达成力月份二三四五六七八九十十一十二合计目标额实际业绩达成力3.优点:缺点:4 .建议升迁:5 .建议调职:6 .加强训练项目:7 .未来发展:8 .提出改善意见:部门主管单位主管员工(副)总经理评审委员会

展开阅读全文
相关资源
猜你喜欢
相关搜索

当前位置:首页 > 管理/人力资源 > 绩效管理

copyright@ 2008-2023 1wenmi网站版权所有

经营许可证编号:宁ICP备2022001189号-1

本站为文档C2C交易模式,即用户上传的文档直接被用户下载,本站只是中间服务平台,本站所有文档下载所得的收益归上传人(含作者)所有。第壹文秘仅提供信息存储空间,仅对用户上传内容的表现方式做保护处理,对上载内容本身不做任何修改或编辑。若文档所含内容侵犯了您的版权或隐私,请立即通知第壹文秘网,我们立即给予删除!