塔吊检查评分记录表(专项检查).docx

上传人:p** 文档编号:573460 上传时间:2023-11-08 格式:DOCX 页数:1 大小:16.84KB
下载 相关 举报
塔吊检查评分记录表(专项检查).docx_第1页
第1页 / 共1页
亲,该文档总共1页,全部预览完了,如果喜欢就下载吧!
资源描述

《塔吊检查评分记录表(专项检查).docx》由会员分享,可在线阅读,更多相关《塔吊检查评分记录表(专项检查).docx(1页珍藏版)》请在第壹文秘上搜索。

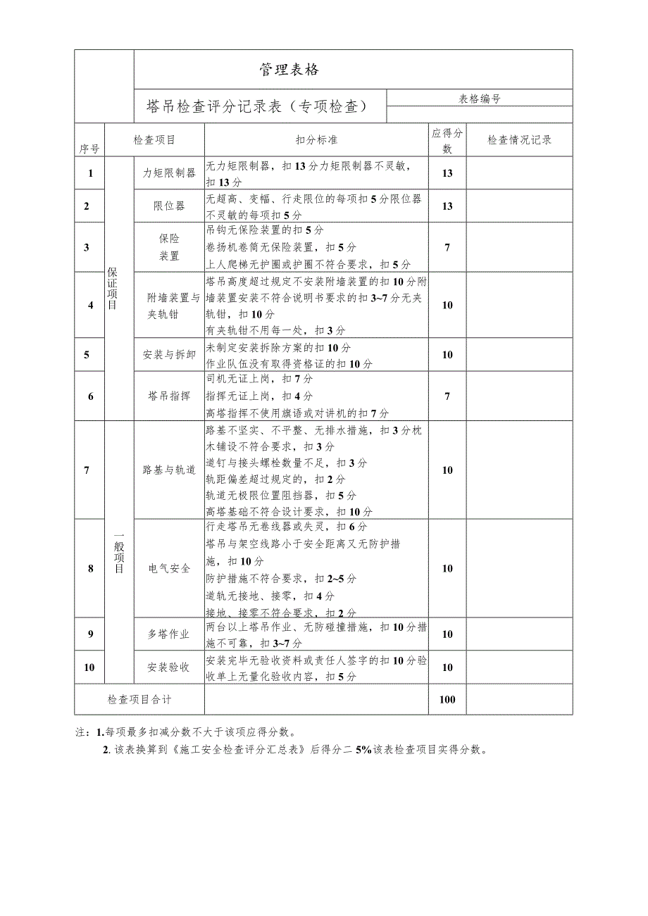
1、管理表格塔吊检查评分记录表(专项检查)表格编号序号检查项目扣分标准应得分数检查情况记录1保证项目力矩限制器无力矩限制器,扣13分力矩限制器不灵敏,扣13分132限位器无超高、变幅、行走限位的每项扣5分限位器不灵敏的每项扣5分133保险装置吊钩无保险装置的扣5分卷扬机卷筒无保险装置,扣5分上人爬梯无护圈或护圈不符合要求,扣5分74附墙装置与夹轨钳塔吊高度超过规定不安装附墙装置的扣10分附墙装置安装不符合说明书要求的扣37分无夹轨钳,扣10分有夹轨钳不用每一处,扣3分105安装与拆卸未制定安装拆除方案的扣10分作业队伍没有取得资格证的扣10分106塔吊指挥司机无证上岗,扣7分指挥无证上岗,扣4分高

2、塔指挥不使用旗语或对讲机的扣7分77一般项目路基与轨道路基不坚实、不平整、无排水措施,扣3分枕木铺设不符合要求,扣3分道钉与接头螺栓数量不足,扣3分轨距偏差超过规定的,扣2分轨道无极限位置阻挡器,扣5分高塔基础不符合设计要求,扣10分108电气安全行走塔吊无卷线器或失灵,扣6分塔吊与架空线路小于安全距离又无防护措施,扣10分防护措施不符合要求,扣25分道轨无接地、接零,扣4分接地、接零不符合要求,扣2分109多塔作业两台以上塔吊作业、无防碰撞措施,扣10分措施不可靠,扣37分1010安装验收安装完毕无验收资料或责任人签字的扣10分验收单上无量化验收内容,扣5分10检查项目合计100注:1.每项最多扣减分数不大于该项应得分数。2.该表换算到施工安全检查评分汇总表后得分二5%该表检查项目实得分数。

展开阅读全文
相关资源
猜你喜欢
相关搜索

当前位置:首页 > 办公文档 > 统计图表

copyright@ 2008-2023 1wenmi网站版权所有

经营许可证编号:宁ICP备2022001189号-1

本站为文档C2C交易模式,即用户上传的文档直接被用户下载,本站只是中间服务平台,本站所有文档下载所得的收益归上传人(含作者)所有。第壹文秘仅提供信息存储空间,仅对用户上传内容的表现方式做保护处理,对上载内容本身不做任何修改或编辑。若文档所含内容侵犯了您的版权或隐私,请立即通知第壹文秘网,我们立即给予删除!