门型脚手架检查评分记录表.docx

上传人:p** 文档编号:575670 上传时间:2023-11-08 格式:DOCX 页数:1 大小:16.65KB
下载 相关 举报
门型脚手架检查评分记录表.docx_第1页
第1页 / 共1页
亲,该文档总共1页,全部预览完了,如果喜欢就下载吧!
资源描述

《门型脚手架检查评分记录表.docx》由会员分享,可在线阅读,更多相关《门型脚手架检查评分记录表.docx(1页珍藏版)》请在第壹文秘上搜索。

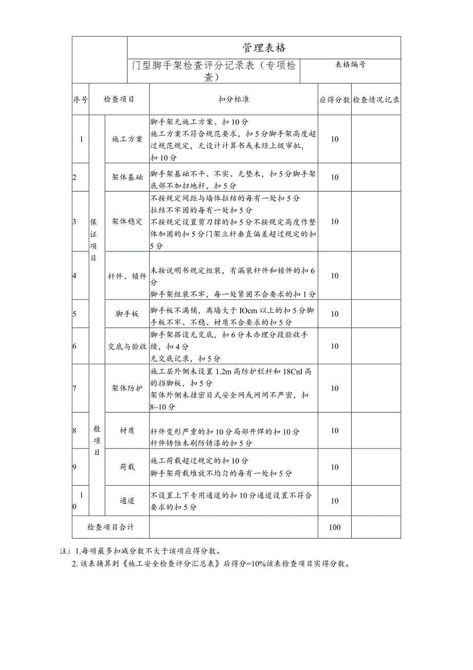
1、管理表格门型脚手架检查评分记录表(专项检查)表格编号序号检查项目扣分标准应得分数检查情况记录1保证项目施工方案脚手架无施工方案、扣10分施工方案不符合规范要求,扣5分脚手架高度超过规范规定,无设计计算书或未经上级审批,扣10分102架体基础脚手架基础不平、不实、无垫木,扣5分脚手架底部不加扫地杆,扣5分103架体稳定不按规定间距与墙体拉结的每有一处扣5分拉结不牢固的每有一处扣5分不按规定设置剪刀撑的扣5分不按规定高度作整体加固的扣5分门架立杆垂直偏差超过规定的扣5分104杆件、锁件未按说明书规定组装,有漏装杆件和锁件的扣6分脚手架组装不牢,每一处紧固不合要求的扣1分105脚手板脚手板不满铺,离

2、墙大于IOcm以上的扣5分脚手板不牢、不稳、材质不合要求的扣5分106交底与验收脚手架搭设无交底,扣6分未办理分段验收手续,扣4分无交底记录,扣5分107般项目架体防护施工层外侧未设置1.2m高防护栏杆和18CnI高的挡脚板,扣5分架体外侧未挂密目式安全网或网间不严密,扣810分108材质杆件变形严重的扣10分局部开焊的扣10分杆件锈蚀未刷防锈漆的扣5分109荷载施工荷载超过规定的扣10分脚手架荷载堆放不均匀的每有一处扣5分1010通道不设置上下专用通道的扣10分通道设置不符合要求的扣5分10检查项目合计100注:1.每项最多扣减分数不大于该项应得分数。2.该表换算到施工安全检查评分汇总表后得分=10%该表检查项目实得分数。

展开阅读全文
相关资源
猜你喜欢
相关搜索

当前位置:首页 > 建筑/环境 > 建筑资料

copyright@ 2008-2023 1wenmi网站版权所有

经营许可证编号:宁ICP备2022001189号-1

本站为文档C2C交易模式,即用户上传的文档直接被用户下载,本站只是中间服务平台,本站所有文档下载所得的收益归上传人(含作者)所有。第壹文秘仅提供信息存储空间,仅对用户上传内容的表现方式做保护处理,对上载内容本身不做任何修改或编辑。若文档所含内容侵犯了您的版权或隐私,请立即通知第壹文秘网,我们立即给予删除!