常用石膏自流平砂浆楼板的热工与隔声性能设计参数表、典型保温隔声楼面的构造做法.docx

上传人:p** 文档编号:58108 上传时间:2022-12-11 格式:DOCX 页数:3 大小:20.52KB
下载 相关 举报
常用石膏自流平砂浆楼板的热工与隔声性能设计参数表、典型保温隔声楼面的构造做法.docx_第1页
第1页 / 共3页
常用石膏自流平砂浆楼板的热工与隔声性能设计参数表、典型保温隔声楼面的构造做法.docx_第2页
第2页 / 共3页
常用石膏自流平砂浆楼板的热工与隔声性能设计参数表、典型保温隔声楼面的构造做法.docx_第3页
第3页 / 共3页
亲,该文档总共3页,全部预览完了,如果喜欢就下载吧!
资源描述

《常用石膏自流平砂浆楼板的热工与隔声性能设计参数表、典型保温隔声楼面的构造做法.docx》由会员分享,可在线阅读,更多相关《常用石膏自流平砂浆楼板的热工与隔声性能设计参数表、典型保温隔声楼面的构造做法.docx(3页珍藏版)》请在第壹文秘上搜索。

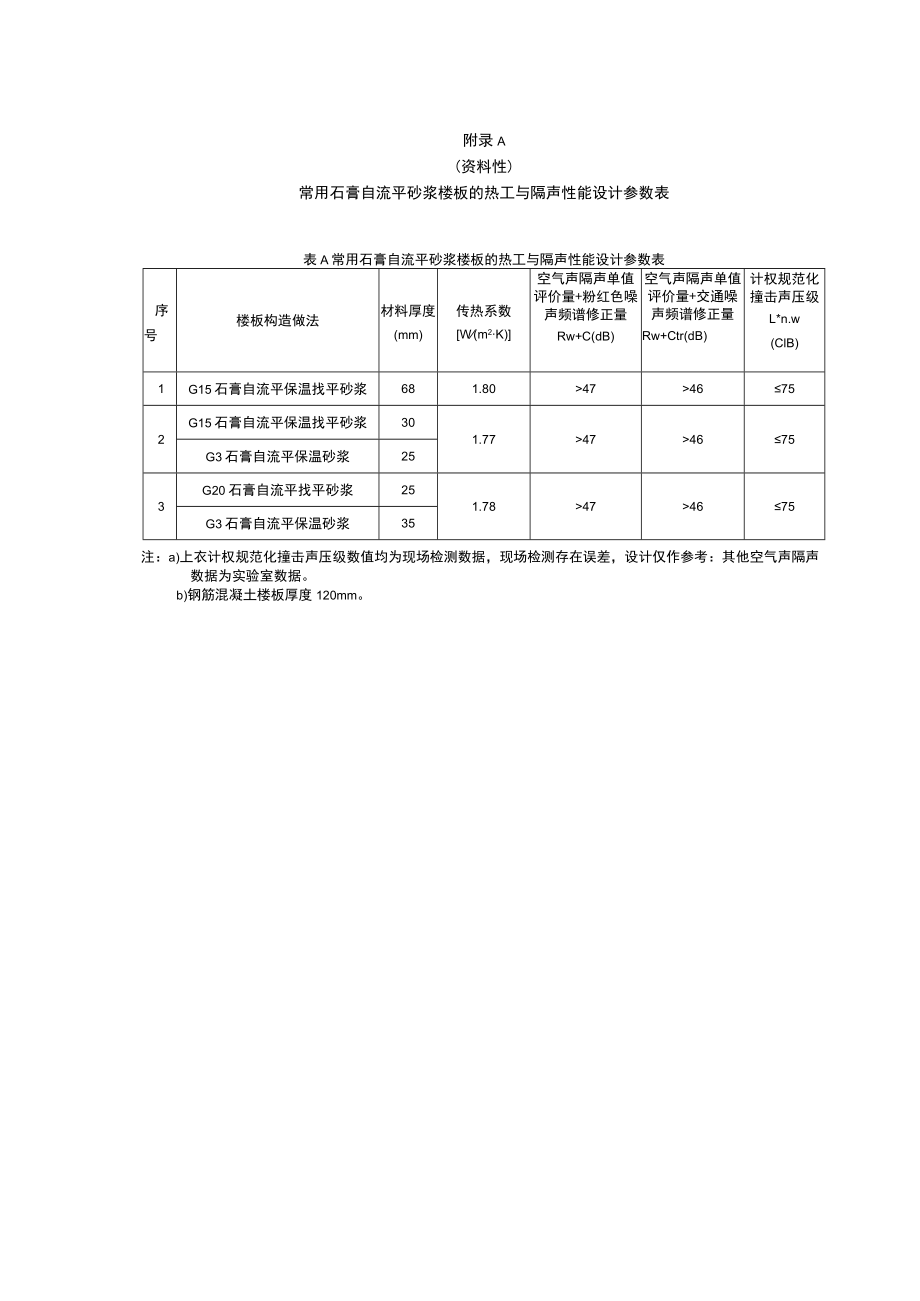
1、附录A(资料性)常用石膏自流平砂浆楼板的热工与隔声性能设计参数表表A常用石膏自流平砂浆楼板的热工与隔声性能设计参数表序号楼板构造做法材料厚度(mm)传热系数W(m2K)空气声隔声单值评价量+粉红色噪声频谱修正量Rw+C(dB)空气声隔声单值评价量+交通噪声频谱修正量Rw+Ctr(dB)计权规范化撞击声压级L*n.w(ClB)1G15石膏自流平保温找平砂浆681.804746752G15石膏自流平保温找平砂浆301.77474675G3石膏自流平保温砂浆253G20石膏自流平找平砂浆251.78474675G3石膏自流平保温砂浆35注:a)上衣计权规范化撞击声压级数值均为现场检测数据,现场检测存

2、在误差,设计仅作参考:其他空气声隔声数据为实验室数据。b)钢筋混凝土楼板厚度120mm。附录B(资料性)典型保温隔声楼面的构造做法8.1 装修楼面保温隔声构造做法见表B.1。表B.1装修楼面保温隔声构造做法表序号名称构造用料做法性能指标1G15楼面 10厚硬木地板 3厚可发性聚苯乙烯防潮垫(EPE珍珠棉) 30厚G15石膏自流平保温找平砂浆 界面剂 120厚钢筋混凝土楼板楼板总厚度:163mm,降板高度:43mm楼面传热系数WL80W(KK)计权规范化撞击声压级Ln.w75dB2G15楼面(设减振垫板) 8厚硬木地板 5厚减振垫板 30厚G15石膏自流平保温找平砂浆 界面剂 120厚钢筋混凝土

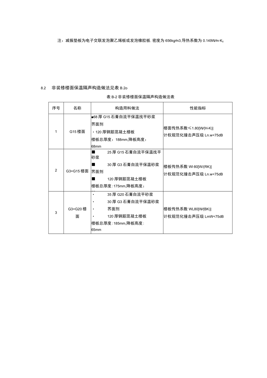
3、楼板楼板总厚度:163mm,降板高度:43mm楼面传热系数W1.80W(MK)计权规范化撞击声压级Uw65dB3G3+G20楼面 10厚陶瓷地砖 5厚墙地砖粘结剂 30厚G20石膏自流平砂浆 30厚G3石膏自流平保温砂浆 界面剂 120厚钢筋混凝土楼板楼板总厚度:195mm,降板高度:75mm楼面传热系数Wl80W(HK)计权规范化撞击声压级Ln.w75dB4G3+G20楼面(设减振垫板) 10厚陶瓷地砖 5厚墙地砖粘结剂 25厚G20石膏自流平砂浆 25厚G3石膏自流平保温砂浆 5厚减振垫板 界面剂 120厚钢筋混凝土楼板楼板总厚度:190mm,降板高度:70mm楼面传热系数W1.80W(H

4、K)计权规范化撞击声压级Lmw65dB注:减振垫板为电子交联发泡聚乙烯板或发泡橡胶板.密度为656kgm3,导热系数为0.149WmK08.2 非装修楼面保温隔声构造做法见表B.2o表B-2非装修楼面保温隔声构造做法表序号名称构造用料做法性能指标1G15楼面68厚G15石膏自流平保温找平砂浆界面剂120厚钢筋混凝土楼板楼板总厚度:188mm,降板高度:68mm楼面传热系数1.80W(H-K)计权规范化撞击声压级Ln.w75dB2G3+G15楼面 25厚G15石膏自流平保温找平砂浆 30厚G3石膏自流平保温砂浆界面剂 120厚钢筋混凝土楼板楼板总厚度:175mm,降板高度:55mm楼板传热系数Wl80W/(RK)计权规范化撞击声压级Ln.w75dB3G3+G20楼面 35厚G20石膏自流平砂浆 30厚G3石膏自流平保温砂浆 界面剂 120厚钢筋混凝土楼板楼板总厚度:185mm,降板高度:65mm楼板传热系数WL80W(BK)计权规范化撞击声压级LmW75dB

展开阅读全文
相关资源
猜你喜欢
相关搜索

当前位置:首页 > 建筑/环境 > 保温建筑

copyright@ 2008-2023 1wenmi网站版权所有

经营许可证编号:宁ICP备2022001189号-1

本站为文档C2C交易模式,即用户上传的文档直接被用户下载,本站只是中间服务平台,本站所有文档下载所得的收益归上传人(含作者)所有。第壹文秘仅提供信息存储空间,仅对用户上传内容的表现方式做保护处理,对上载内容本身不做任何修改或编辑。若文档所含内容侵犯了您的版权或隐私,请立即通知第壹文秘网,我们立即给予删除!