陕西鑫天益石油科技有限公司石化设备制造项目环境影响报告书简本.docx

上传人:p** 文档编号:584078 上传时间:2023-11-20 格式:DOCX 页数:16 大小:87.56KB
下载 相关 举报
陕西鑫天益石油科技有限公司石化设备制造项目环境影响报告书简本.docx_第1页
第1页 / 共16页
陕西鑫天益石油科技有限公司石化设备制造项目环境影响报告书简本.docx_第2页
第2页 / 共16页
陕西鑫天益石油科技有限公司石化设备制造项目环境影响报告书简本.docx_第3页
第3页 / 共16页
陕西鑫天益石油科技有限公司石化设备制造项目环境影响报告书简本.docx_第4页
第4页 / 共16页
陕西鑫天益石油科技有限公司石化设备制造项目环境影响报告书简本.docx_第5页
第5页 / 共16页
陕西鑫天益石油科技有限公司石化设备制造项目环境影响报告书简本.docx_第6页
第6页 / 共16页
陕西鑫天益石油科技有限公司石化设备制造项目环境影响报告书简本.docx_第7页
第7页 / 共16页
陕西鑫天益石油科技有限公司石化设备制造项目环境影响报告书简本.docx_第8页
第8页 / 共16页
陕西鑫天益石油科技有限公司石化设备制造项目环境影响报告书简本.docx_第9页
第9页 / 共16页
陕西鑫天益石油科技有限公司石化设备制造项目环境影响报告书简本.docx_第10页
第10页 / 共16页
亲,该文档总共16页,到这儿已超出免费预览范围,如果喜欢就下载吧!
资源描述

《陕西鑫天益石油科技有限公司石化设备制造项目环境影响报告书简本.docx》由会员分享,可在线阅读,更多相关《陕西鑫天益石油科技有限公司石化设备制造项目环境影响报告书简本.docx(16页珍藏版)》请在第壹文秘上搜索。

1、陕西鑫天益石油科技有限公司石化设备制造项目环境影响报告书简本陕西省国防科技工业环境监测科研所二。一三年九月1建设项目概况1.l建设项目基本情况项目名称:陕西鑫天益石油科技有限公司石化设备制造项目建设单位:陕西鑫天益石油科技有限公司建设性质:新建(4)建设地点:泾河工业园北区,六横路以南建设内容:主要建设两座油管防腐生产车间,年处理油管防腐约150万m。(6)建设投资:1.2亿元占地面积:50203m2(8)行业类别:C3360金属表面处理及热处理加工项目位于高陵县泾河工业园(北区)六横路南侧,项目北侧为六横路,南侧为联创公司、众达公司拟建空地,东侧为西安烽火科工贸有限公司,西侧紧邻一个水泥预制

2、板厂,水泥预制板厂以西为军庄村三组。1.2 项目主要建设内容本项目总占地面积为50203m2,总建筑面积为21472m2o项目组成包括主体工程、辅助工程、公用工程、储运工程和环保工程。项目主要建设情况见表1-1。表项目主要建设内容一览表序号类别名称建设规模备注1主体工程1#生产车间建筑面积6586m21F,高12.3m,轻钢结构22#生产车间建筑面积6586m21F,高12.3m,轻钢结构3储运工程原料贮存料场,位于1#与2#生产车间中间,面积4000m2露天45成品贮存与原料共用一个料场6厂区内运输道路生产区主干道路宽度9m厂区内道路均为混凝土双坡路面,纵坡2%,横坡1.5%7辅助工程办公楼

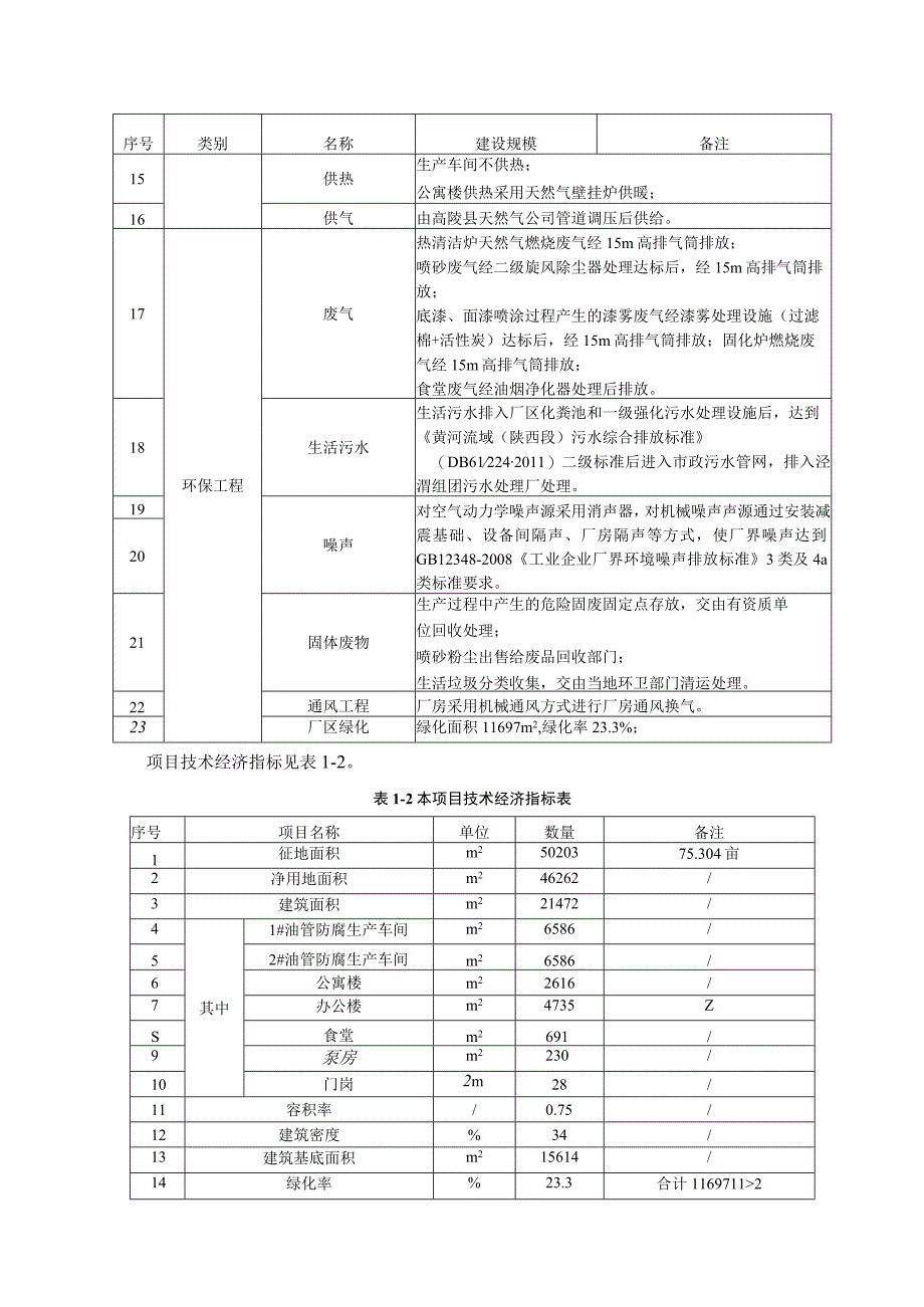
3、建筑面积4735m25F,17.7m,框架结构8公寓楼建筑面积2616m23F,10.06m,砖混结构9食堂建筑面积691m22F,5.35m,框架结构10泵房等设备用房建筑面积230112IF,4.5m,砖混结构11门岗建筑面积60m2/12地面停车场/88个停车位13公用工程给排水给水:由高陵县城市供力排水:雨污分流,生活T施处理后,达标排入市H污水处理厂处理;管网供给;亏水经化粪池和一级强化处理设攵污水管网,进入西安泾渭组团14供电由高陵县供电局引入;序号类别名称建设规模备注15供热生产车间不供热;公寓楼供热采用天然气壁挂炉供暖;16供气由高陵县天然气公司管道调压后供给。17环保工程废气

4、热清洁炉天然气燃烧废气经15m高排气筒排放;喷砂废气经二级旋风除尘器处理达标后,经15m高排气筒排放;底漆、面漆喷涂过程产生的漆雾废气经漆雾处理设施(过滤棉+活性炭)达标后,经15m高排气筒排放;固化炉燃烧废气经15m高排气筒排放;食堂废气经油烟净化器处理后排放。18生活污水生活污水排入厂区化粪池和一级强化污水处理设施后,达到黄河流域(陕西段)污水综合排放标准(DB612242011)二级标准后进入市政污水管网,排入泾渭组团污水处理厂处理。19噪声对空气动力学噪声源采用消声器,对机械噪声声源通过安装减震基础、设备间隔声、厂房隔声等方式,使厂界噪声达到GB12348-2008工业企业厂界环境噪声

5、排放标准3类及4a类标准要求。2021固体废物生产过程中产生的危险固废固定点存放,交由有资质单位回收处理;喷砂粉尘出售给废品回收部门;生活垃圾分类收集,交由当地环卫部门清运处理。22通风工程厂房采用机械通风方式进行厂房通风换气。23厂区绿化绿化面积11697m2,绿化率23.3%;项目技术经济指标见表1-2。表1-2本项目技术经济指标表序号项目名称单位数量备注1征地面积m25020375.304亩2净用地面积m246262/3建筑面积m221472/4其中1#油管防腐生产车间m26586/52#油管防腐生产车间m26586/6公寓楼m22616/7办公楼m24735ZS食堂m2691/9泵房m

6、2230/10门岗2m28/11容积率/0.75/12建筑密度%34/13建筑基底面积m215614/14绿化率%23.3合计11697112序号项目名称单位数量备注15停车位辆88均为地上1.3 产品方案表13项目产品方案产品名称产量管径长度油管80万m73.02mm1.5m-l1.5m套管60万m139.7mm1.5m-l1.5m1.4 工艺选择及主要生产设备1.4.1 工艺方案本项目采用目前国际国内现有的、成熟的生产技术方案,并在此基础上进行自动化、机械化和信息化设计,达到规模化和现代化生产。项目采用液态涂料旋转高速喷涂技术,使用高速旋转的离心式管道内喷涂墙涂敷,所用的防腐漆SN222型

7、涂料是广东惠州信邦涂料有限公司和华北石油设计院合作开发的,其防腐性能可达到美国艾克公司PC系列涂料的指标。1.4.2 主要生产设备本项目共建设2个防腐生产车间,共2条生产线,采用的生产工艺及生产设备基本相同。本项目主要生产设备见表1-4。表14防腐管道生产线主要设备一览表序号系统名称设备名称单位数量备注1压缩空气系统空压机台8单台容积为20?2气包个4单个容积为5m33过滤器及管路套4/4热清洁炉热清洁炉台2燃料为天然气5喷砂除锈线提升机台2/6皮带机台2/76枪喷砂机个2/86工位转台台2/9密封室、隔断套2/K)收集除尘系统套2用于加砂过程中的除尘,采用滤芯处理方式11二级旋风除尘器套2用

8、于喷砂过程中的除尘12内吹扫系统套2采用压缩空气对除锈后的钢管内表面残留粉尘吹扫清理13底漆喷涂线喷枪套4旋转喷枪14供料系统套2专用恒温输送料室15前后尾气收集装置套4收集从管端口漂移出来的漆雾16封闭室套2/17尾气处理系统套2过滤棉+活性炭18底漆固化底漆固化炉台2200,连续工作时间多h,燃料为天然气19面漆喷涂线喷枪套4旋转喷枪2()供料系统套2专用恒温输送料室21前后尾气收集装置套4收集从管端口漂移出来的漆雾22封闭室套2/23尾气处理系统套2过灌棉+活性炭24面漆固化面漆固化炉2250,连续工作时间2h,燃料为天然气25检测系统湿式漏点检测仪台2/26内窥车台2/27记录仪台2/

9、28物料运输线自动化传动线套2/2建设项目周围环境现状2.1 环境空气质量现状环境空气各监测点位SCh、NO2的1小时浓度以及24小时平均浓度,PMIO24小时平均浓度均符合环境空气质量标准(GB3095-2012)中的二级标准限值,项目所在区域环境空气质量状况良好。2.2 声环境质量现状由监测结果可看出,厂界背景噪声符合声环境质量标准(GB3096-2008)中的3类标准。3工程分析3.1 施工期环境影响分析及污染防治措施3.1.1 环境空气施工期大气污染物主要为施工扬尘,施工机械的燃油废气,装饰工程使用油漆、涂料产生的废气。对扬尘拟采取以下防治措施:严格按照西安市人民政府有关控制扬尘污染等

10、规定,强化建设期环境管理,提高全员环保意识宣传和教育,制定合理施工计划,缩短工期,采取集中力量逐项施工方法,坚决杜绝粗放式施工现象发生;建设施工工地周边必须设置1.8m以上的硬质围墙或围挡,严禁敞开式作业。要采取洒水、覆盖等防尘措施,定期对围挡落尘进行清洗,保证施工工地周围环境整洁。风速3.0ms时应停止土方等扬尘类施工,并采取防尘措施,减轻施工扬尘外逸对周围环境空气的影响;运输建筑材料车辆不得超载,运输颗粒物料车辆装载高度不得超过车槽;运输土石方车辆必须采取覆盖等防尘措施,防止物料沿途抛撒导致二次扬尘;配备专门的清洗设备和人员负责对出入施工场地口的运输车辆车体和车轮及时冲洗、净化处理,保证运

11、输车辆不得携带泥土驶出工地;同时,对施工点周围应采取绿化及地面临时硬化等防尘措施;及时清理堆放在场地和道路上的弃土、弃渣及抛撒料,要适时洒水灭尘,对不能及时清运的,必须采取覆盖等措施,防止二次扬尘;沙、渣土、灰土等易产生扬尘的物料,必须采取覆盖等防尘措施,不得露天堆放;采取以上防护措施后,可减轻工程建设对施工区域环境空气质量的影响。3.1.2 水环境项目施工废水主要由少量生产废水和施工人员生活污水组成。其中,生产废水中主要污染物有COD、SS等,基本无其它污染指标;施工人员生活污水产生量小,主要污染物为COD、BoD5、SS、动植物油、氨氮等。施工废水直排势必会加重地表水环境污染,因此必须加强

12、对施工人员的管理,同时评价要求生产废水经临时处理设施处理后回用,施工场地内设置旱厕,其它生活污水经临时处理设施处理后排入市政污水管网,可有效控制废水外排对地表水体的污染,对环境影响小。3.1.3 声环境(1)合理布置施工场地,安排施工方式,控制环境噪声污染。尽量将高噪声设备布置在施工场地的中部,减少对周围其它企业的影响;选用低噪声施工机械,严格限制或禁止使用高噪声设备,推行混凝土灌注桩和静压桩等低噪音新工艺;要求使用商品混凝土。与施工场地设置混凝土搅拌机相比,商品混凝土具有占地少、施工量小、施工方便、噪声污染小等特点,同时可大大减少建筑材料水泥、沙石的汽车运量,减轻车辆交通噪声影响。(2)严格

13、操作规程,加强施工机械管理,降低人为噪声影响。不合理施工作业是产生人为噪声的主要原因,如脚手架的安装、拆除,钢筋材料的装卸,以及钢结构厂房安装过程产生的金属撞击声和落料声等均会产生较大距离的声环境影响,因此要杜绝人为敲打、野蛮装卸现象,规范建筑物料、土石方清运车辆进出工地高速行驶、鸣笛等。(3)采取有效的隔音、减振、消声措施,降低噪声级。对位置相对固定的施工机械,应将其设置在专门的工棚内,同时选用低噪声设备,并采取一定的吸音、隔声、降噪措施,控制施工机械噪声符合建筑施工场界环境噪声排放标准,做到施工场界噪声达标排放。3.1.4 固体废弃物项目建设期固体废弃物主要包括施工渣土、废弃的各种建筑材料和少量施工人员生活垃圾等。本项目建筑垃圾产生量地环保及城建部门要求送当地建筑垃圾处理厂集中处置。评价要求对需外运的弃土及运输车辆必须采取遮蔽、防抛撒等措施,并严格按照西安市城建和环卫部门要求及时送当地建筑垃圾处理厂堆存。生活垃圾产生量约40kgd,分类收集后交由当地市政环卫部门统一清运处理,对环境影响小。3.1.5 流程与产污分析含漆固废S4、噪声N3图3-1生产工艺流程和产污环节图工艺流程及产污环节简介:

展开阅读全文
相关资源
猜你喜欢
相关搜索

当前位置:首页 > 建筑/环境 > 环保行业

copyright@ 2008-2023 1wenmi网站版权所有

经营许可证编号:宁ICP备2022001189号-1

本站为文档C2C交易模式,即用户上传的文档直接被用户下载,本站只是中间服务平台,本站所有文档下载所得的收益归上传人(含作者)所有。第壹文秘仅提供信息存储空间,仅对用户上传内容的表现方式做保护处理,对上载内容本身不做任何修改或编辑。若文档所含内容侵犯了您的版权或隐私,请立即通知第壹文秘网,我们立即给予删除!