过程装备与控制工程《过程装备设计》课程设计任务书.docx

上传人:p** 文档编号:589871 上传时间:2023-11-22 格式:DOCX 页数:3 大小:22.13KB
下载 相关 举报
过程装备与控制工程《过程装备设计》课程设计任务书.docx_第1页
第1页 / 共3页
过程装备与控制工程《过程装备设计》课程设计任务书.docx_第2页
第2页 / 共3页
过程装备与控制工程《过程装备设计》课程设计任务书.docx_第3页
第3页 / 共3页
亲,该文档总共3页,全部预览完了,如果喜欢就下载吧!
资源描述

《过程装备与控制工程《过程装备设计》课程设计任务书.docx》由会员分享,可在线阅读,更多相关《过程装备与控制工程《过程装备设计》课程设计任务书.docx(3页珍藏版)》请在第壹文秘上搜索。

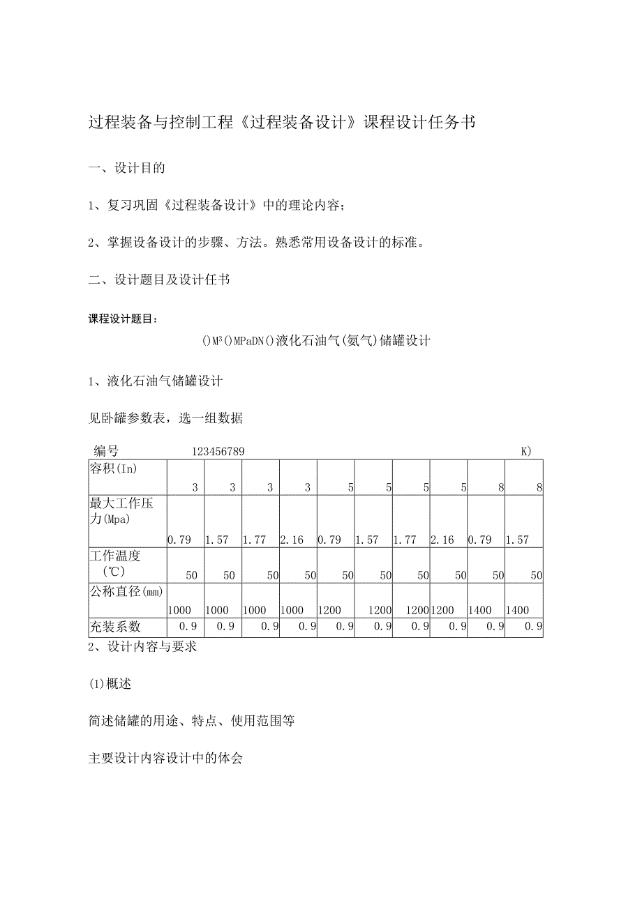
1、过程装备与控制工程过程装备设计课程设计任务书一、设计目的1、复习巩固过程装备设计中的理论内容;2、掌握设备设计的步骤、方法。熟悉常用设备设计的标准。二、设计题目及设计任书课程设计题目:()M3()MPaDN()液化石油气(氨气)储罐设计1、液化石油气储罐设计见卧罐参数表,选一组数据编号123456789K)容积(In)3333555588最大工作压力(Mpa)0.791.571.772.160.791.571.772.160.791.57工作温度()50505050505050505050公称直径(mm)1000100010001000120012001200120014001400充装系数0

2、.90.90.90.90.90.90.90.90.90.92、设计内容与要求(1)概述简述储罐的用途、特点、使用范围等主要设计内容设计中的体会(2)工艺计算根据安装地点的气象记录确定容器的操作温度;根据操作温度、介质特性确定操作压力;筒体、封头及零部件的材料选择;(3)结构设计与材料选择封头与筒体的厚度计算封头、法兰、接管的选型和结构尺寸拟定;根据容器的容积确定总体结构尺寸。支座选型和结构确定各工艺开孔的设置;各附件的选用;(4)容器强度的计算及校核水压试验应力校核卧式容器的应力校核开孔补强设计焊接接头设计(5)设计图纸总装配图一张AI三、参考文献1.GB150钢制压力容器2.HGJ20580-20585 一套3. JB4731-2005T+钢制卧式容器4. HG20592-20635钢制管法兰、垫片、紧固件5. HG21514-21535-2005钢制人孔和手孔6. JB/T4736补强圈7. JB/T4746钢制压力容器用封头8. JB/T4712鞍式支座9. 压力容器安全技术监察规程201010. 郑津洋、董其伍、桑芝富.过程设备设计.化学工业出版社.2010

展开阅读全文
相关资源
猜你喜欢
相关搜索

当前位置:首页 > 办公文档 > 事务文书

copyright@ 2008-2023 1wenmi网站版权所有

经营许可证编号:宁ICP备2022001189号-1

本站为文档C2C交易模式,即用户上传的文档直接被用户下载,本站只是中间服务平台,本站所有文档下载所得的收益归上传人(含作者)所有。第壹文秘仅提供信息存储空间,仅对用户上传内容的表现方式做保护处理,对上载内容本身不做任何修改或编辑。若文档所含内容侵犯了您的版权或隐私,请立即通知第壹文秘网,我们立即给予删除!