典型电力场景下光纤传感器布设的种类、方式及性能要求、电力光纤传感器的标定方法.docx

上传人:p** 文档编号:591204 上传时间:2023-11-25 格式:DOCX 页数:14 大小:301.54KB
下载 相关 举报
典型电力场景下光纤传感器布设的种类、方式及性能要求、电力光纤传感器的标定方法.docx_第1页
第1页 / 共14页
典型电力场景下光纤传感器布设的种类、方式及性能要求、电力光纤传感器的标定方法.docx_第2页
第2页 / 共14页
典型电力场景下光纤传感器布设的种类、方式及性能要求、电力光纤传感器的标定方法.docx_第3页
第3页 / 共14页
典型电力场景下光纤传感器布设的种类、方式及性能要求、电力光纤传感器的标定方法.docx_第4页
第4页 / 共14页
典型电力场景下光纤传感器布设的种类、方式及性能要求、电力光纤传感器的标定方法.docx_第5页
第5页 / 共14页
典型电力场景下光纤传感器布设的种类、方式及性能要求、电力光纤传感器的标定方法.docx_第6页
第6页 / 共14页
典型电力场景下光纤传感器布设的种类、方式及性能要求、电力光纤传感器的标定方法.docx_第7页
第7页 / 共14页
典型电力场景下光纤传感器布设的种类、方式及性能要求、电力光纤传感器的标定方法.docx_第8页
第8页 / 共14页
典型电力场景下光纤传感器布设的种类、方式及性能要求、电力光纤传感器的标定方法.docx_第9页
第9页 / 共14页
典型电力场景下光纤传感器布设的种类、方式及性能要求、电力光纤传感器的标定方法.docx_第10页
第10页 / 共14页
亲,该文档总共14页,到这儿已超出免费预览范围,如果喜欢就下载吧!
资源描述

《典型电力场景下光纤传感器布设的种类、方式及性能要求、电力光纤传感器的标定方法.docx》由会员分享,可在线阅读,更多相关《典型电力场景下光纤传感器布设的种类、方式及性能要求、电力光纤传感器的标定方法.docx(14页珍藏版)》请在第壹文秘上搜索。

1、附录A(资料性)典型电力场景下光纤传感器布设的种类、方式及性能要求表A.1典型电力场景下宜使用的光纤传感器环节应用场景宜重点关注的环境参量宜使用的光纤传感器输电电力电缆分布式光纤测温温度R0TDR/DTSOPGW综合状态监测温度、应变B0TDR输电管廊综合状态监测压强、应变、沉降、温度FBG、F-P.RoTDR/DTS、-OTDR/DAS、BOTDR/A海底光电复合缆防外破监测振动、应变-OTDR/DAS、BoTDR/A、ROTDR/DTS输电铁塔倾斜监测倾角、应变FBG、F-P变电变电站防入侵监测振动-OTDRDAS开关柜温度监测温度FBGsF-P油浸式变压器综合状态监测温度、振动、压强FB

2、G、F-P变压油中氢气含量监测特征气体含量F-P储能抽水蓄能站坝体健康监测沉降、压强、应变、倾角FBG、F-P其他场景可参照本文件执行,如遇特殊情况可与用户进行协商确定。A.1电力电缆分布式光纤测温见DL/T1573电力电缆分布式光纤测温系统技术规范。A.2OPGW综合状态监测光脉冲机柜光纤配线架ADSS光缆起始杆塔(OPGW光缆、对端杆塔ADSS光缆光纤配线架通信机房图A1OPGW状态监测光纤传感器连接示意图架空输电线路是电能的输送管道,大部分处于野外,容易受到雷击、大风、覆冰等恶劣天气影响,严重时可能造成区域性停电,可利用地线中的光纤,采用分布式光纤传感技术对架空线路的运行状态进行在线监测

3、。安装时将分布式光纤传感器及KVM显示器(如有)放置在试验基地通信机房的机架上(二者通过VGA视频线相连),将传感器的FC/APC光纤接口通过FC/ACP-FC/PC转接跳线与光纤配线架上的待测试线路FaPC光纤接口相连,即可利用传感器可对待测OPGW线路在微风振动、舞动等环境条件下的温度、应力等多个物理参量进行在线监测0A.3电缆隧道综合状态监测表A2OPGW综合状态监测性能要求序号性能参数描述技术指标1最大测量距离应优于80km2温度测量范围应优于10C至+70C范围3测温准确度应优于2七8Okm4应变测量范围应优于。至150OH范围6应变准确度应优于308Okm7定位准确度应优于IOnI

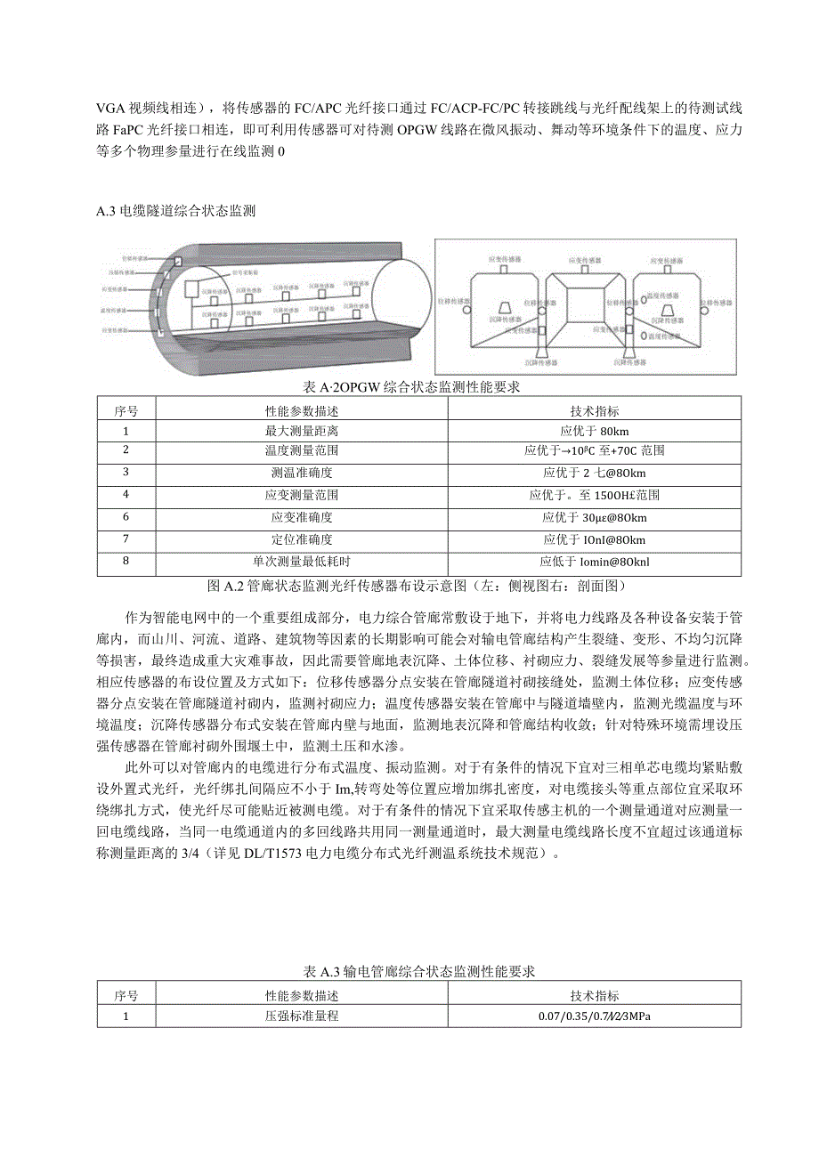
4、8Okm8单次测量最低耗时应低于Iomin8Oknl图A.2管廊状态监测光纤传感器布设示意图(左:侧视图右:剖面图)作为智能电网中的一个重要组成部分,电力综合管廊常敷设于地下,并将电力线路及各种设备安装于管廊内,而山川、河流、道路、建筑物等因素的长期影响可能会对输电管廊结构产生裂缝、变形、不均匀沉降等损害,最终造成重大灾难事故,因此需要管廊地表沉降、土体位移、衬砌应力、裂缝发展等参量进行监测。相应传感器的布设位置及方式如下:位移传感器分点安装在管廊隧道衬砌接缝处,监测土体位移;应变传感器分点安装在管廊隧道衬砌内,监测衬砌应力;温度传感器安装在管廊中与隧道墙壁内,监测光缆温度与环境温度;沉降传感

5、器分布式安装在管廊内壁与地面,监测地表沉降和管廊结构收敛;针对特殊环境需埋设压强传感器在管廊衬砌外围堰土中,监测土压和水渗。此外可以对管廊内的电缆进行分布式温度、振动监测。对于有条件的情况下宜对三相单芯电缆均紧贴敷设外置式光纤,光纤绑扎间隔应不小于Im,转弯处等位置应增加绑扎密度,对电缆接头等重点部位宜采取环绕绑扎方式,使光纤尽可能贴近被测电缆。对于有条件的情况下宜采取传感主机的一个测量通道对应测量一回电缆线路,当同一电缆通道内的多回线路共用同一测量通道时,最大测量电缆线路长度不宜超过该通道标称测量距离的3/4(详见DL/T1573电力电缆分布式光纤测温系统技术规范)。表A.3输电管廊综合状态

6、监测性能要求序号性能参数描述技术指标1压强标准量程0.07/0.35/0.7l23MPa2压强分辨率应优于0.025%FS3应变标准量程30004应变分辨率应优于0.125%FS5沉降标准量程50100150300600un6沉降分辨率应优于0.025%FS7位移标准量程20/50/100300mm8位移分辨率应优于0.025%FS9环境温度标准量程-30至+80C+120C+15(C10环境温度分辨率应优于0.rc11环境测温准确度应优于0.5%FS12测量非线性度直线:应不高于0.5%FS;多项式:应不高于0.1%FS13电缆温度测量范围应优于-40C至+150C范围14电缆测温准确度应优

7、于Ie15振动频率测量范围应优于10至2kHz范围16振动频率准确度应优于IOHz17电缆测量距离应优于IOkm18电缆定位准确度应优于IOm19单次测量最低耗时应低于IsA.4输电铁塔倾斜监测加速度传感器,应力传感器位移传感觉/t徐荽的、鸟移传感器倾角传感器做为传想器X L倾角传礴器倾角传感器倾角传感器图A.3铁塔倾斜监测光纤传感器布设示意图架空输电线跨度大,且杆塔多置于山区,沿线地区复杂地质、气象状况容易产生滑坡、大风、覆冰等自然灾害,这可能会导致杆塔倾斜甚至倒塌,因此需要重点对杆塔倾斜、受力等状态进行监测。全面的杆塔结构健康监测项目应包括杆塔整体沉降、不规则沉降,塔横担弯曲、变形杆塔倾斜

8、,塔身关键部位的振动,杆根或塔底位移,塔关键部位的温度,覆冰舞动、异物悬挂,风速风向等。表A.4输电铁塔倾斜监测性能要求序号性能参数描述技术指标1倾角标准量程土5/152倾角分辨率应优于0.023应变标准量程30004应变分辨率应优于0.125%FS5位移标准量程2050mm6位移分辨率应优于0.05%FS7沉降标准量程50100150300600mm8沉降分辨率应优于0.025%FS9测量非线性度直线:应不高于0.5%FS:多项式:应不高于0.1%FS相应传感器的布设位置及方式如下:倾角传感器分布安装在塔身各处,监测多向倾斜;应变、应力传感器安装在塔体结构连接处、输电线路连接处等杆塔关键位置

9、,监测振动、关键点损伤状态、高压线缆舞动、非正常攀爬、撞击等;沉降传感器安装在塔基处,监测沉降和地表水平影响;温度传感器同样安装在塔基处,用来针对如火山等地区的极端气候温度的监测。此外可在塔顶加装加速度传感器用以监测风速、风偏。A.5变电站防入侵监测图A.4变电站防入侵监测光纤传感器布设示意图变电站是电力系统需要重点保护的区域,为防止未经授权的非法入侵行为,可以利用分布式振动传感器(DAS/-OTDR)实现针对变电站的周界安全防护。根据变电站的实际建设情况,传感光缆可采用挂网方式安装在栅栏或围墙上,也可采用地埋方式。根据实际需要,传感光缆可采用单通道直线/Z字型布设,也可采用多通道网状布设,整

10、段光缆均为敏感区域。传感器会将监测到的振动信号实时传回主机并实现入侵点定位,主机可手动设置报警阈值、防区划分等以提高报警准确率,经过后续处理后的数据可实时回传至远程综合监控平台组成立体监控网络。表A.5变电站防入侵监测性能要求序号性能参数描述技术指标1最大测量距离应大于2km2定位分辨率应优于Im3定位准确度应优于IOm4单次测量最低耗时应低于Is5振动频率测量范围应优于10至200HZ范围A.6开关柜温度监测用户主机打印机图A.5开关柜温度监测光纤传感器连接示意图(左:系统框图右:传感器布设及连接)动/静触点接头、高压电缆接头、连接器导体部分接触不良引起异常过热,加速绝缘老化导致击穿,是高压

11、开关柜的主要故障形式。将点式光纤温度传感器直接粘贴在需要监测的接头等易发热部位上,多个传感器之间以光纤串联(FBG,每根光纤通常可串10至20个)或并联(F-P)形式组成阵列并连接至光开关(光分路器),最终将传感器的温度信号汇总至主干光缆并传输至光纤传感主机。传感主机接收到传递过来的光信号,再把光信号转换为能标识温度的波长值,就能获取到每个通道上不同传感器的温度数据,实时多个监测点的温度在线监测与故障早期预警。表A.6开关柜温度监测性能要求序号性能参数描述技术指标1测温范围应优于(TC至IO(TC范围2温度分辨率应优于0.rc3测温准确度应优于IC1单次测量最低耗时应低于IOs5节点数量应大于

12、32个A.7油浸式变压器综合状态监测光纤频振动传身as.光纤油温传蟠器阵列,光纤很强传出器光纤低须忘动传忠器公用光纤温度传感器阵歼光?演通山图A.6油浸式变压器状态监测光纤传感器布设示意图变压器作为供电系统中最重要的电气设备之一,会因制造、运输、安装不良、过载及老化等原因出现安全故障,对变压器内部温度、振动等参量进行智能化在线监测,提前预警,及时介入,可大幅降低人工巡检工作量,有效避免事故的发生。将光纤传感器植入变压器内部,利用多种光纤传感器组成准分布式传感网络,可以克服电学监测技术无法对变压器绕组等关键部位接触式测量的缺点,具备变压器内部多参量综合状态智能感知功能。相应传感器的布设位置及方式

13、如下:温度传感器安装在顶部铁芯、器身木支撑件处以及预埋绕组线圈垫块内,监测油温及绕组温度;压强传感器安装在顶部铁芯、箱底,监测内部压力;低频、高频振动传感器安装在铁芯顶部及底部,监测器身振动及可能发生的局部放电。一 I - 光纤配g 一光纤配线架表A.7油浸式变压器综合状态监测性能要求序号性能参数描述技术指标1测温范围应优于OC至150范围2测温准确度应优于0.VC3温度准确度应优于1匕4附加压强范围0至100kpa5低频振动频率测量范围应优于5至100Hz范围6高频振动(超声)频率测量范围应优于IkHz至200kHz范围A.8海底光电复合缆防外破监测图A.7海缆防外破监测光纤传感器连接示意图

14、海底电缆是保障海岛经济、海上石油、海上风电的“生命线”。据统计,近5年来,仅我国海缆故障就发生30多起,造成直接经济损失约1亿元,其中因渔船捕鱼作业和船舶抛锚引起的外力损伤导致的事故率约占95%。现有技术手段无法同时满足海缆全天候、无盲区、快速实时响应的需求,可考虑利用光电复合海缆中的光纤以及分布式振动传感技术实现海缆防外破监测。监测时将分布式光纤振动传感器放置在木地变电站通信机房的机柜中,并可提前在远端变电站通信机房的光纤配线架上将线路尾端做适当处理。将传感器的FC/APC光纤接口通过FC/ACP-FC/PC转接跳线与光纤配线架上的待测试线路FC/PC光纤接口相连,即可对待测海缆线路周围的振动情况进行在线监测。表A.8海底光电复合缆监测性能要求序号性能参数描述技术指标1最大测量距离应大于20km2振动测量频率范围应优于1至IkHz范围3频率分辨率应优于2Hz4频率测量准确度应优于IOHz5频率定位准确度应优于10

展开阅读全文
相关资源
猜你喜欢
相关搜索

当前位置:首页 > 高等教育 > 大学课件

copyright@ 2008-2023 1wenmi网站版权所有

经营许可证编号:宁ICP备2022001189号-1

本站为文档C2C交易模式,即用户上传的文档直接被用户下载,本站只是中间服务平台,本站所有文档下载所得的收益归上传人(含作者)所有。第壹文秘仅提供信息存储空间,仅对用户上传内容的表现方式做保护处理,对上载内容本身不做任何修改或编辑。若文档所含内容侵犯了您的版权或隐私,请立即通知第壹文秘网,我们立即给予删除!