救灾装具:软体贮水罐、水桶.docx

上传人:p** 文档编号:595402 上传时间:2023-11-25 格式:DOCX 页数:9 大小:115.24KB
下载 相关 举报
救灾装具:软体贮水罐、水桶.docx_第1页
第1页 / 共9页
救灾装具:软体贮水罐、水桶.docx_第2页
第2页 / 共9页
救灾装具:软体贮水罐、水桶.docx_第3页
第3页 / 共9页
救灾装具:软体贮水罐、水桶.docx_第4页
第4页 / 共9页
救灾装具:软体贮水罐、水桶.docx_第5页
第5页 / 共9页
救灾装具:软体贮水罐、水桶.docx_第6页
第6页 / 共9页
救灾装具:软体贮水罐、水桶.docx_第7页
第7页 / 共9页
救灾装具:软体贮水罐、水桶.docx_第8页
第8页 / 共9页
救灾装具:软体贮水罐、水桶.docx_第9页
第9页 / 共9页
亲,该文档总共9页,全部预览完了,如果喜欢就下载吧!
资源描述

《救灾装具:软体贮水罐、水桶.docx》由会员分享,可在线阅读,更多相关《救灾装具:软体贮水罐、水桶.docx(9页珍藏版)》请在第壹文秘上搜索。

1、GB/T GB/T GB/T GB/T GB/T方法GB/T 6545-1998GB/T 6836-2007GJB 3840-1999FZ/T FZ/T QB/T QB/T QB/T QB/T QB/T QB/T YB/T01004-2008 01006-2008 2173-2001 2461-1999 3516-1999 3811-1999 3817-1999 3826-199952942006救灾装具:软体贮水罐、水桶1范围本标准规定了救灾专用软体贮水罐、水桶的要求、试验方法、检验规则及标志、包装、运输与贮存。本标准适用于以天蓝牛X布双面贴TPU膜和天蓝牛X布单面贴TPU膜为主要材料经热合

2、、缝制制成的救灾专用软体贮水罐、水桶的订购、生产与验收。2规范性引用文件下列文件中的条款通过本标准的引用而成为本标准的条款。凡是注日期的引用文件,其随后所有的修改单(不包括勘误的内容)或修订版均不适用于本标准,然而,鼓励根据本标准达成协议的各方研究是否可使用这些文件的最新版本。凡是不注日期的引用文件,其最新版本适用于本标准。250-2008纺织品色牢度试验评定变色用灰色样卡2679.7-2005纸板戳穿强度的测定3917.3-1997纺织品织物撕破性能第3部分:梯形试样撕破强力的测定3923.1-1997纺织品织物拉伸性能第1部分:断裂强力和断裂伸长率的测定条样法4669-2008纺织品机织物

3、单位长度质量和单位面积质量的测定GB/T4857.4-2008包装运输包装件基本试验第4部分:采用压力试验机进行的抗压和堆码试验瓦楞纸板耐破强度的测定法缝纫线包装用塑料基压敏胶粘带规范涂层织物抗渗水性的测定涂层织物涂层厚度的测定尼龙拉链包装用降解聚乙烯薄膜牛皮纸塑料打包带轻工产品金属镀层和化学处理层的厚度测试方法金相显微镜法轻工产品金属镀层和化学处理层的耐腐蚀试验方法中性盐雾试验(NSS)法一般用途低碳钢丝3要求3.1样式及结构软体贮水罐由盖、罐体和地垫组成,样式及结构见图1,软体水桶由盖、桶体(有提带)和软包组成,样式及结构见图2。应符合主管部门审核批准的标样。图1软体贮水罐样式及结构图2软

4、体水桶样式及结构3.2规格尺寸软体贮水罐、软体水桶规格及成品主要尺寸见图1、图2及表1。表1规格及成品主要尺寸单位为毫米名称口径底径浮圈(盖)高罐体高偏差1m,软体贮水罐9801540100700300.5m软体贮水罐8001280856002015dm:1(1)软体水桶220300一300+103.3颜色软体贮水罐、水桶面料基本颜色为天蓝色(潘通色卡:17-4041),膜层颜色为无色透明。批产品的色相与标样相比,色差不得低于3级。每个产品的色差不得低于34级,色差评定按GB/T2502008。3.4材料规格主辅材料规格、质量要求及用途应符合表2的规定。表2主辅材料规格与质量要求、用途材料质量

5、要求用途名称规格TPU双面贴膜牛X布(食用级)666dtexX666dtex膜厚:0.15mm3.6表3贮水罐面料TPU单面贴膜牛X布(食用级)333dtex333dtex膜厚:0.10mm水桶面料PVC单面涂层布333dtex333dtex贮水罐地垫涤纶絮片150gm2贮水罐地垫PU膜(食用级)膜厚:0.05mm0.08nm内侧焊缝充气嘴一见标样罐口充气活动三节环Q195-Q23524un17mmYB/T5294-2006及图3罐口密封天蓝尼龙拉链8.平拉强力260ON拉头拉片结合强力225ON水桶包装袋表2(续)主辅材料规格与质量要求、用途材料质量要求用途名称规格天蓝色涤纶缝纫线29.5t

6、ex3GB/T68362007缝制手动供水泵泵水15dm,3min见标样泵水聚乙烯吹塑薄膜t0.06mmt0.08mmQB/T24611999内包装袋透明塑料胶条宽10.Onim见标样塑料袋封口塑料基压敏胶粘带宽60mm80mmGJB3840-1999封箱胶带牛皮纸60gmz-80gmQB/T3516-1999内包装塑料打包带PP12008JQB/T3811-1999打包带瓦楞纸箱贮水罐600mm500mm500mm600mmX500nm4OOmm抗压力25200N耐破强度1100kPa戳穿强度28.5J外包装水桶650mm330un330mm抗压力N3700N耐破强度21100kPa戳穿强度

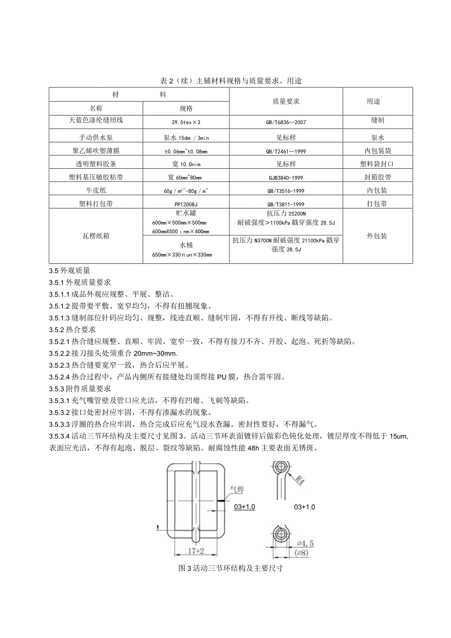
7、28.5J3.5外观质量3.5.1外观质量要求3.5.1.1成品外观应规整、平展、整洁。3.5.1.2提带要平敷、宽窄均匀,不得有扭翘现象。3.5.1.3缝制部位针码应均匀、规整,线迹直顺、缝制牢固,不得有开线、断线等缺陷。3.5.2热合要求3.5.2.1热合缝应规整、直顺、牢固、宽窄一致,不得有接刀不齐、开胶、起泡、死折等缺陷。3.5.2.2接刀接头处须重合20mm30mm.3.5.2.3热合缝要宽窄一致,热合后应平展。3.5.2.4热合过程中,产品内侧所有接缝处均须焊接PU膜,热合需牢固。3.5.3附件质量要求3.5.3.1充气嘴管壁及管口应光洁,不得有凹瘪、飞刺等缺陷。3.5.3.2接口

8、处密封应牢固,不得有渗漏水的现象。3.5.3.3浮圈的热合应牢固,热合完成后应充气浸水查漏。密封性要好,不得漏气。3.5.3.4活动三节环结构及主要尺寸见图3。活动三节环表面镀锌后做彩色钝化处理,镀层厚度不得低于15um,表面应光洁,不得有起泡、脱层、裂纹等缺陷。耐腐蚀性能48h主要表面无锈斑。03+1.003+1.0图3活动三节环结构及主要尺寸1.1 5.3.5地垫用两层天蓝PVC涂层布夹涤纶絮片包边缝制,直径大于底径150mm,夹层内不得留有杂物。3.6 面料物理性能面料性能指标应符合表3的规定。表3面料性能指标项目指标666dtex666dtexTPU双面贴膜牛X布333dtexX333

9、dtexTPU单面贴膜牛X布333dtex333dtexPVC单面涂层布颜色天蓝色(潘通色卡17-4041)单位面积质量,gm2妾620云350300断裂强力,N/5cm经向218001200800纬向9008002600撕破强力,N经向250235一纬向N45五30一静水压,kPa150150-3.7 使用与贮存性能3.7.1面料贮水卫生性能:无毒、无味、不污染水质;贮水罐、水桶使用环境温度:OC40;储存环境温度:-20C30。3. 7.2贮水罐冲气后注满水,水桶直接注满水后,放置24h,不得有渗漏水现象。4试验方法4.1外观检验4.1.1检验条件外观质量检验应在天然散射光或无反射光的白色

10、透射光线下进行,光的照度不得低于300Ix(相当于40W日光灯下距离50Omm处的光照度)。4. 1.2检验方法以目视观感检验,并与主管部门审核批准的实物标样比照检验。1.1 2尺寸检验尺寸的检验用精度为Imni的卷尺。4.3 材料检验各种主辅材料进厂后或使用前应按相关标准检验,不合格者不得使用。4.4 物理性能试验4. 4.1面料贴膜厚度的检验按FZ/T01006-2008的规定。4. 4,2面料断裂强力的检验按GB/T3923.1-1997的规定。4. 4.3面料单位面积质量的检验按GB/T4669-2008的规定。4. 4.4面料静水压的检验按FZ/T010042008的规定。5. 4.

11、5面料撕破强力的检验按GB/T3917.3-1997的规定。4.4.6尼龙拉链平拉强力、拉头拉片结合强力的检验按QB/T21732001的规定。4.4.7牛皮纸的检验按QB/T3516-1999的规定。4.4.8纸箱质量检验按GB/T4857.4-2008xGBT6545-1998xGB/T2679.7-2005的规定。4.4.9金属配件电镀锌层厚度的检验按QB/T3817-1999的规定。4.4.10金属配件锌镀层耐腐蚀的检验按QB/T3826-1999的规定。4. 4.11成品抗渗漏水性能的检验按的规定。4.5标志与包装检验产品标志与包装质量的检验按6.1和6.2的规定。5检验规则5.1检

12、验分类本标准规定的检验分类如下:a)首件检验(见5.2);b)质量一致性检验(见5.3);c)验收检验(见5.4)。5. 2首件检验5. 2.1检验要求首件报样检验是在承制方按合同批量投产之前,由订购方或订购方指定的检验机构检验,并确认承制方能否生产出符合本标准要求的产品,检验应包括以下两种类型:a)首件报样检验,在首次投产前,承制方应持合同中签订的产品样品,到订购方或订购方指定的检验机构履行报样手续,报样符合本标准规定后才能进行生产;b)首批产品检验,对承制方首次生产,或曾生产过,但已两年以上未生产的产品,订购方或订购方指定的检验机构,对首批产品和半成品质量及工艺流程、设备及其他必要的项目进

13、行检验。5. 2.2检验项目检验项目应符合表4的规定。表4检验项目、要求和检验方法序号检验项目检验方法合格品判定条件首件检验质量一致性检验验收检验外观质量样式比照标样观察符合3.1及标样的规定规格尺寸测量符合3.2的规定结构观察符合3.1的规定颜色用GB/T2502008对比符合3.3的规定材料规格观察、测量符合3.4的规定充气嘴符合3.5.3的规定活动三节环观察、测量符合3.5.3的规定O原材料及配件理化性能面料贴膜厚度按的规定符合3.4表2的规定OO面料断裂强力按的规定符合3.6表3的规定O面料单位面积质量按的规定OO面料静水压按的规定O面料撕破强力按的规定O尼龙拉链按4.4.6的规定符合3.4表2的规定O金属配件锌镀层按QB/T38171998的规定符合3.5.3.4的规定OO金属配件耐腐蚀按QB/T38261999的规定OO成品抗渗漏水性能按3.7.2的规定符合3.7.2的规定O包装产品标志观察、测量符合的规定包装标志观察、测量符合的规定牛皮纸按QB/T35161999的规定符合3.4及.1的规定OO瓦楞纸箱按4.4.8的规定符合3.4及的规定OO注:必检项目:O选检项目:一不检项目。5.2.3检验数量首件报样检验数量为一顶。原材料及配件理化

展开阅读全文
相关资源
猜你喜欢
相关搜索

当前位置:首页 > 文学/艺术/历史 > 军事观察

copyright@ 2008-2023 1wenmi网站版权所有

经营许可证编号:宁ICP备2022001189号-1

本站为文档C2C交易模式,即用户上传的文档直接被用户下载,本站只是中间服务平台,本站所有文档下载所得的收益归上传人(含作者)所有。第壹文秘仅提供信息存储空间,仅对用户上传内容的表现方式做保护处理,对上载内容本身不做任何修改或编辑。若文档所含内容侵犯了您的版权或隐私,请立即通知第壹文秘网,我们立即给予删除!