混凝土养护28天强度表.docx

上传人:p** 文档编号:595840 上传时间:2023-11-25 格式:DOCX 页数:2 大小:19.08KB
下载 相关 举报
混凝土养护28天强度表.docx_第1页
第1页 / 共2页
混凝土养护28天强度表.docx_第2页
第2页 / 共2页
亲,该文档总共2页,全部预览完了,如果喜欢就下载吧!
资源描述

《混凝土养护28天强度表.docx》由会员分享,可在线阅读,更多相关《混凝土养护28天强度表.docx(2页珍藏版)》请在第壹文秘上搜索。

1、混凝土养护28天强度表类别芳纶双层芳纶单层未包未切玻璃纤维碳纤维未包已切28天强度16.711.712.855.744.814.44(单位MPa)未包未切就是没有外包纤维正常高度(155mm)的混凝土试块,未包已切就是没有外包纤维已经切掉15mm(即140mm)的混凝土试块,从上表得知芳纶对混凝土抗压强度贡献不大,我个人认为是芳纶直径较大,没有很好的起到套箍作用,红色字体试块都是未切正常高度型,绿色字体是14Omm高度型,可见,试块变矮,减小了高宽比,促使抗压强度较155mm试块略大,并且玻璃纤维和碳纤维都能起到很好的套箍作用,外包纤维是未包纤维的3到4倍。下面是我按照规范修改的测量循环次数(

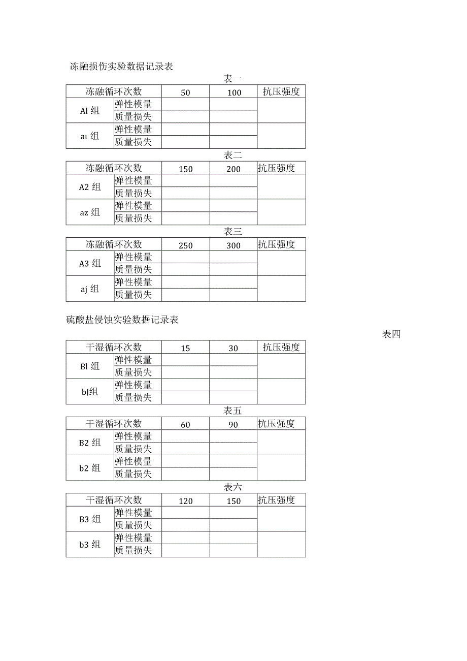
2、具体次数见下面表格),冻融循环一次要10个小时,125天完成300个循环,硫酸盐侵蚀干湿循环一次要24个小时,150天完成150个循环。总之,整个试验完成要5个多月(中间加上测量数据时间)。建科院老师说,慢冻法不需要测量弹性模量,只需测质量损失和抗压强度。建科院老师解释:慢冻法测弹性模量误差较大,数据没有代表性,测弹性模量也需要指定尺寸。试块入机时间8月14日冻融损伤实验数据记录表表一冻融循环次数50100抗压强度Al组弹性模量质量损失a组弹性模量质量损失表二冻融循环次数150200抗压强度A2组弹性模量质量损失az组弹性模量质量损失表三冻融循环次数250300抗压强度A3组弹性模量质量损失aj组弹性模量质量损失硫酸盐侵蚀实验数据记录表表四干湿循环次数1530抗压强度Bl组弹性模量质量损失b组弹性模量质量损失表五干湿循环次数6090抗压强度B2组弹性模量质量损失b2组弹性模量质量损失表六干湿循环次数120150抗压强度B3组弹性模量质量损失b3组弹性模量质量损失

展开阅读全文
相关资源
猜你喜欢
相关搜索

当前位置:首页 > 建筑/环境 > 建筑资料

copyright@ 2008-2023 1wenmi网站版权所有

经营许可证编号:宁ICP备2022001189号-1

本站为文档C2C交易模式,即用户上传的文档直接被用户下载,本站只是中间服务平台,本站所有文档下载所得的收益归上传人(含作者)所有。第壹文秘仅提供信息存储空间,仅对用户上传内容的表现方式做保护处理,对上载内容本身不做任何修改或编辑。若文档所含内容侵犯了您的版权或隐私,请立即通知第壹文秘网,我们立即给予删除!