登高架设安全技术实际操作考试过程控制标准.docx

上传人:p** 文档编号:596185 上传时间:2023-11-25 格式:DOCX 页数:15 大小:112.31KB
下载 相关 举报
登高架设安全技术实际操作考试过程控制标准.docx_第1页
第1页 / 共15页
登高架设安全技术实际操作考试过程控制标准.docx_第2页
第2页 / 共15页
登高架设安全技术实际操作考试过程控制标准.docx_第3页
第3页 / 共15页
登高架设安全技术实际操作考试过程控制标准.docx_第4页
第4页 / 共15页
登高架设安全技术实际操作考试过程控制标准.docx_第5页
第5页 / 共15页
登高架设安全技术实际操作考试过程控制标准.docx_第6页
第6页 / 共15页
登高架设安全技术实际操作考试过程控制标准.docx_第7页
第7页 / 共15页
登高架设安全技术实际操作考试过程控制标准.docx_第8页
第8页 / 共15页
登高架设安全技术实际操作考试过程控制标准.docx_第9页
第9页 / 共15页
登高架设安全技术实际操作考试过程控制标准.docx_第10页
第10页 / 共15页
亲,该文档总共15页,到这儿已超出免费预览范围,如果喜欢就下载吧!
资源描述

《登高架设安全技术实际操作考试过程控制标准.docx》由会员分享,可在线阅读,更多相关《登高架设安全技术实际操作考试过程控制标准.docx(15页珍藏版)》请在第壹文秘上搜索。

1、登高架设安全技术实际操作考试及设备配备标准1范围适用于XX省境内特种作业人员登高架设安全技术实际操作考试。2规范性引用文件特种作业安全技术实际操作考试标准(试行)特种作业安全技术实际操作考试点设备配备标准(试行)3考试科目登高架设安全技术实际操作考试主要包括四个科目:安全用具使用(Kl)、安全操作技术(K2)、作业现场安全隐患排除(K3)和作业现场应急处置(K4)o4考试成绩及时间实操考试成绩总分值为100分,80分(含)以上为考试合格;若考题中设置有否决项,否决项未通过,则实操考试不合格,补考时只进行未及格的考项。考试科目KI、K2、K3和K4的分值权重分别为20%、40%、20乐20%。考

2、试时间为30分钟,考试科目KI、K2、K3和K4分别用时为5分钟、12分钟、5分钟、8分钟。5考试方式5.1 实物考试根据已给定课题的任务,让考生在提供的实物设备中选择合适的设备完成考试任务,由考评员根据评分标准要求评分。5.2 实物电子化考试在配备实物设备的基础上,将实物设备已进行电子化改造,由考试终端识别系统根据评分标准要求评分。5.3 模拟系统考试在配备实物设备的基础上,模拟系统显示已给定课题的测量内容或故障诊断情景以及不同的模拟仪表,让考生选择虚拟仿真仪表并按考题进行模拟操作或选择。考试终端系统自动根据评分标准要求评分。注:各考试点可以根据需要选择其中一种或多种考试方式,推荐使用实物电

3、子化考试和模拟系统考试。6考试准备一登高架设作业实操考试科目Kl、K2、K3和K4应在一个考区分别设立四个分考场进行流水考试完成。Kl,K3和K4可与高处安装、维护、拆除作业实操考试共用。一一应在实操考试入口设置候考区。每个考生均需经过身份验证登陆后方可考试。各科目考区除需配备必须的考试设备外,还要配备其它仪表、工具和材料,并一起摆放在展示柜中。仪表、用具和材料需明码固定摆放整齐,具体数量应根据预估考试数量情况合理设置。一按照每个考试科目中的各考试项目的功能用途确定各项目的作业面积,并根据参加考试人员的预估数量确定各项目的工位数。为确保各考试科目及各考试项目的安全与环境文明,四周设置相应的警戒

4、线和防护设施。7考试内容7.1 安全用具使用(K1)7.1.1 考试项目包括一个独立的考试项目:安全帽、安全带、防滑鞋的佩戴和使用(KI1)。7.1.2 安全帽、安全带、防滑鞋的佩戴和使用(KIl)7.1.2.1考核要点主要考查考生对登高架设作业安全用具的选择和正确使用,安全用具主要有安全帽、安全带、防滑鞋。一一安全帽的佩戴。一安全带的选择和系挂。一防滑鞋的选择和使用。注:考试可分为安全带和安全帽、防滑鞋两个考试内容,系统随机选择一个进行考试。7.1.2.2评分标准项目内容分值评分标准全身式安全带的佩戴和使用使用前检查20未检查扣20分。检查方法不规范扣10分。扣完为止。穿戴安全带30方法不正

5、确扣10分。肩带、胸带和腿带各带位置不正确,每处扣10分。扣完为止。调整安全带30调整肩部、腿部和胸部,调整顺序不正确扣20分。每部位调整的过松或过紧扣10分。扣完为止。安全带的使用20口述:安全带的使用方法。不足5点,每少或错误一点扣10分。出现严重错误扣20分。扣完为止。合计100项目内容分值评分标准安全帽和防安全帽佩戴20安全帽选择不合适扣10分。使用前未检查扣滑鞋的穿戴和使用20分。40未戴安全帽扣40分。未系安全帽下颗带扣15分,安全帽衬调整不合适扣5-15分。佩戴不规范扣10分。防滑鞋穿戴20防滑鞋选择不合适扣10分。使用前未检查扣20分。20未穿防滑鞋扣20分。未系鞋带扣10分。

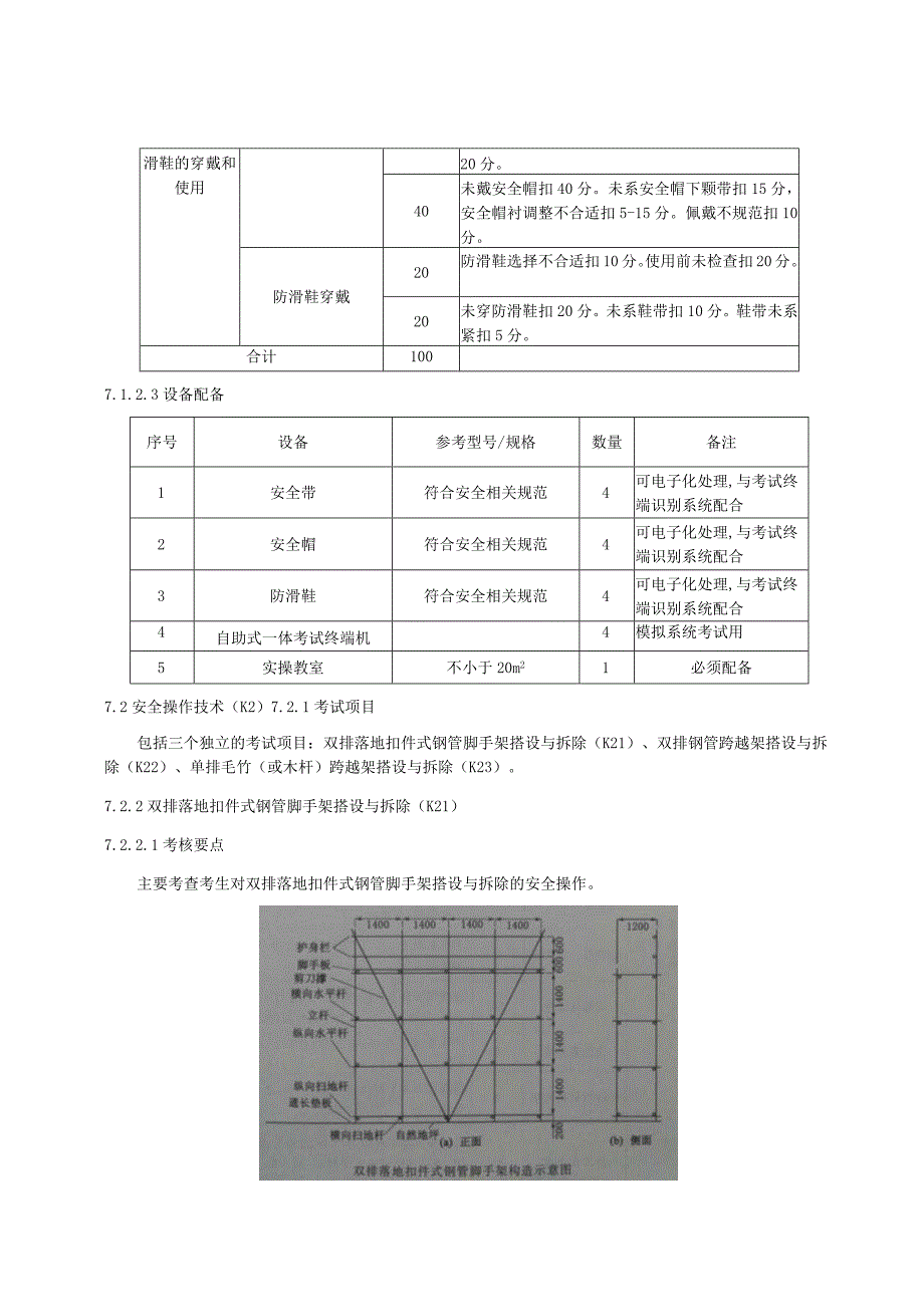
6、鞋带未系紧扣5分。合计1007.1.2.3设备配备序号设备参考型号/规格数量备注1安全带符合安全相关规范4可电子化处理,与考试终端识别系统配合2安全帽符合安全相关规范4可电子化处理,与考试终端识别系统配合3防滑鞋符合安全相关规范4可电子化处理,与考试终端识别系统配合4自助式一体考试终端机4模拟系统考试用5实操教室不小于20m21必须配备7.2安全操作技术(K2)7.2.1考试项目包括三个独立的考试项目:双排落地扣件式钢管脚手架搭设与拆除(K21)、双排钢管跨越架搭设与拆除(K22)、单排毛竹(或木杆)跨越架搭设与拆除(K23)。7.2.2双排落地扣件式钢管脚手架搭设与拆除(K21)7.2.2.

7、1考核要点主要考查考生对双排落地扣件式钢管脚手架搭设与拆除的安全操作。一摆放垫木、底座。主要考查考生是否具有安全操作技能与安全意识。一搭设立杆和纵、横向扫地杆。主要考查考生是否具有搭设立杆和扫地杆的安全操作技能。一搭设纵、横向水平杆。主要考查考生是否具有搭设纵、横向水平杆的安全操作技能。一安装连墙件。主要考查考生是否具有安装连墙件的安全操作技能。一搭设剪刀撑。主要考查考生是是否具有搭设剪刀撑的安全操作技能。铺设脚手板、搭设防护栏杆、挂设安全网和设置挡脚板。主要考查考生是否具有安全操作技能和安全防护意识。一拆除。主要考查考生是否具有平台的安全拆除技能。7.2.2.2评分标准项目内容分值评分标准双

8、排落地扣件式钢管脚手架搭设与拆除摆放垫木、底座6未设置垫木扣6分。设置不正确的,每处扣2分。未设置底座的,每处扣2分。扣完为止。搭设立杆6杆件间距尺寸偏差超过规定值的,每处扣2分。立杆垂直度偏差超过规定值的,每处扣2分。连接不正确的,每处扣2分。扣完为止。搭设扫地杆6未设置扫地杆扣6分。设置不正确的,每处扣2分。扣完为止。搭设纵向水平杆6杆件间距尺寸偏差超过规定值的,每处扣1分。设置不正确的,每处扣2分。扣完为止。搭设横向水平杆6未设置横向水平杆的,每处扣2分。设置不正确的,每处扣1分。扣完为止。安装连墙件10连墙件数量不足的,每缺少一处扣4分。设置位置错误的,每处扣2分。设置方法错误的,每处

9、扣2分。扣完为止。搭设剪刀撑6未设置剪刀撑的,扣6分;设置不正确的,每处扣2分。扣完为止。扣件拧紧扭力矩8随机抽查4个扣件的拧紧扭力矩,不符合要求的,每处扣2分。扣完为止。挂设安全网10未设置首层平网扣4分。未设置随层平网扣4分。未挂设密目式安全网扣4分。安全网设置不符合要求的,每处扣2分。扣完为止。设置操作层防护10未设置挡脚板扣6分;设置不正确的,每处扣2分。未设置防护栏杆扣6分;设置不正确的,每处扣2分。未设置脚手板扣6分;未满铺的,每处扣2分。未按规定进行对接或搭接的,每处扣2分;出现探头板的,每处扣6分。扣完为止。拆除20按先搭后拆、后搭先拆的要求,违规操作扣20分扭力扳手的使用6不

10、能正确使用扭力扳手测量扣件拧紧扭力矩的,扣6分。合计100否定项:操作中违反安全操作规范、造成设备、材料或工具损坏,考生该题得零分。7.2.2.3设备配备序号设备参考型号/规格数量备注1双排落地扣件式钢管脚手架(套)符合规范要求1可电子化处理,与考试终端识别系统配合2杆件钢管48X3.5;1米-6米若干可电子化处理,与考试终端识别系统配合3扣件符合钢管脚手架扣件GB15831的规定若干可电子化处理,与考试终端识别系统配合4脚手板符合相关质量要求若干可电子化处理,与考试终端识别系统配合5扫地杆垫木符合安全相关规范若干可电子化处理,与考试终端识别系统配合6立杆底托或金属垫板符合安全相关规范若干可电

11、子化处理,与考试终端识别系统配合7自助式一体考试终端机4模拟系统考试用8安全网若干必须配备9扭力扳手2必须配备10紧口工作服符合安全相关规范4必须配备11防滑鞋符合安全相关规范4必须配备12安全帽符合安全相关规范4必须配备13安全带符合安全相关规范4必须配备14安全保护绳符合安全相关规范4必须配备15梅花扳手2必须配备16压力扳手2必须配备17活扳手2必须配备18钎子2必须配备19铁剪子1必须配备20盒尺1必须配备21铅丝若干必须配备22工具袋1必须配备23安全标志牌若干必须配备24操作场地不小于50m21必须配备7.2.3双排钢管跨越架搭设与拆除(K22)7.2.3.1考核要点主要考查考生对

12、双排钢管跨越架搭设与拆除的安全操作。正面摆放垫木、底座。主要考查考生是否具有安全操作技能与安全意识。一搭设立杆和纵、横向扫地杆。主要考查考生是否具有搭设立杆和扫地杆的安全操作技能。一搭设纵、横向水平杆。主要考查考生是否具有搭设纵、横向水平杆的安全操作技能。一搭设斜撑杆。主要考查考生是否具有搭设斜撑杆的安全操作技能。一搭设剪刀撑。主要考查考生是是否具有搭设剪刀撑的安全操作技能。一搭设抛撑杆。主要考查考生是否具有搭设抛撑杆的安全操作技能。拆除。主要考查考生是否具有平台的安全拆除技能。7.2.3.2评分标准项目内容分值评分标准双排落地扣件式钢管脚手架搭设与拆除摆放垫木、底座6未设置垫木扣6分。设置不

13、正确的,每处扣2分。未设置底座的,每处扣2分。扣完为止。搭设立杆10杆件间距尺寸偏差超过规定值的,每处扣2分。立杆垂直度偏差超过规定值的,每处扣2分。连接不正确的,每处扣2分。扣完为止。搭设扫地杆6未设置扫地杆扣6分。设置不正确的,每处扣2分。扣完为止。搭设纵向水平杆10杆件间距尺寸偏差超过规定值的,每处扣1分。设置不正确的,每处扣2分。扣完为止。搭设横向水平杆10未设置横向水平杆的,每处扣2分。设置不正确的,每处扣1分。扣完为止。搭设斜撑杆10未设置扣10分。设置位置错误的,每处扣2分。设置方法错误的,每处扣2分。扣完为止。搭设剪刀撑6未设置剪刀撑的,扣6分;设置不正确的,每处扣2分。扣完为

14、止。搭设抛撑杆6未设置扣6分;设置不正确的,每处扣2分。扣完为止。扣件拧紧扭力矩10随机抽查4个扣件的拧紧扭力矩,不符合要求的,每处扣2分。扣完为止。拆除20按先搭后拆、后搭先拆的要求,违规操作扣20分扭力扳手的使用6不能正确使用扭力扳手测量扣件拧紧扭力矩的,扣6分。合计100否定项:操作中违反安全操作规范、造成设备、材料或工具损坏,考生该题得零分。7.2.3.3设备配备序号设备参考型号/规格数量备注1双排钢管跨越脚手架(套)1可电子化处理,与考试终端识别系统配合2其余与K21相同。7. 2.4单排毛竹(或木杆)跨越架搭设与拆除(K23)8. 2.4.1考核要点主要考查考生对单排毛竹(或木杆)跨越架搭设与拆除的安全操作。一土质地面的立杆基

展开阅读全文
相关资源
猜你喜欢
相关搜索

当前位置:首页 > 行业资料 > 矿业工程

copyright@ 2008-2023 1wenmi网站版权所有

经营许可证编号:宁ICP备2022001189号-1

本站为文档C2C交易模式,即用户上传的文档直接被用户下载,本站只是中间服务平台,本站所有文档下载所得的收益归上传人(含作者)所有。第壹文秘仅提供信息存储空间,仅对用户上传内容的表现方式做保护处理,对上载内容本身不做任何修改或编辑。若文档所含内容侵犯了您的版权或隐私,请立即通知第壹文秘网,我们立即给予删除!