公路路基监测与观测细则.docx

上传人:p** 文档编号:599889 上传时间:2023-11-28 格式:DOCX 页数:6 大小:69.27KB
下载 相关 举报
公路路基监测与观测细则.docx_第1页
第1页 / 共6页
公路路基监测与观测细则.docx_第2页
第2页 / 共6页
公路路基监测与观测细则.docx_第3页
第3页 / 共6页
公路路基监测与观测细则.docx_第4页
第4页 / 共6页
公路路基监测与观测细则.docx_第5页
第5页 / 共6页
公路路基监测与观测细则.docx_第6页
第6页 / 共6页
亲,该文档总共6页,全部预览完了,如果喜欢就下载吧!
资源描述

《公路路基监测与观测细则.docx》由会员分享,可在线阅读,更多相关《公路路基监测与观测细则.docx(6页珍藏版)》请在第壹文秘上搜索。

1、公路路基监测与观测细则1 一般规定1.1 路基施工期的动态控制标准可参照公路路基设计规范(JTGD30-2004)执行。1.2 软土地基、路堑边坡、滑坡、高填方路堤开工建设,应同时开展动态监测工作,监测成果数据应定期上报施工、监理、设计和业主单位备案,以配合动态设计、动态施工方案指导施工。1.3 预应力锚固工程张拉锁定应根据设计和规范要求进行一定比例锚孔预应力值的监测,并应定期上报业主等相关单位备案。2软基工程观测2.1 监测目的(1)监控整个施工过程中路基的稳定性,控制填土速率。(2)推测工后沉降,确定开始铺筑路面的时间。(3)了解在新增荷载的作用下,路基下卧土层附加应力的变化情况,(4)

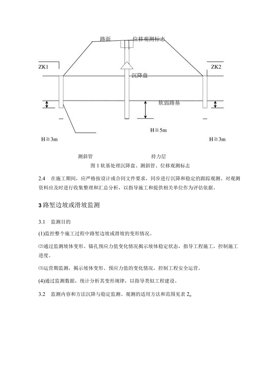
2、了解复合地基的力学与变形性状。2.2 监测内容和方法沉降与稳定监测、观测的适用方法和范围见表Io观测项目仪表名称地表沉降地表型沉降计(沉降盘)地表水平位移地表水平位移及隆起量桩(位移边桩)地下土地分层地下水平位移水平位移量计(测斜管)表1监测范围表观测目的用于沉降管理:根据测定数据调整填土速率,预测沉降趋势,确定等载预压卸载时间,提供施工期间沉降土方量的计算依据。用于稳定管理;检测地表水平位移及隆起情况,以确保路堤施工的安全预稳定。用于稳定管理与研究:用作掌握分层位移量,推定土体剪切破坏的位置,在软土指标较差、填土较高、填方路基在施工过程中易失稳时采用2.3 观测点的设置如图11-1所示。观测

3、点的位置、数量、频率及埋设按设计或合同文件的要求。测斜管持力层图1软基处理沉降盘、测斜管、位移观测标志2.4 在施工期间,应严格按设计或合同文件要求,同步进行沉降和稳定的跟踪观测。对观测资料应及时进行收集整理和汇总分析,以指导施工和提供相关单位作为评估依据。3路堑边坡或滑坡监测3.1 监测目的(1)监控整个施工过程中路堑边坡或滑坡的变形情况。通过监测坡体变形、锚孔预应力值变化情况揭示坡体稳定状态,指导工程施工,控制施工进度。运营期监测,揭示坡体变形、预应力值的变化情况,控制工程安全运营。(4)通过监测数据,统计分析其变形规律,以指导类似工程建设。3.2 监测内容和方法沉降与稳定监测、观测的适用

4、方法和范围见表2o表2边坡监测方法观测项目地表沉降量监测方法监测目的全站仪、光电测距仪观测地表位移、变形发展情况水准仪标桩、直尺或裂缝计观测裂缝发展情况地下位移监测测斜仪探测相当于稳定地层的地下岩体的位移,证实和确定正在发生位移的构造特征,确定潜力在滑动面深度,判断主滑动面,定量分析评价边(滑)坡的稳定状况,评判边(滑)坡加固工程效果。地下水位监测人工测量观测地下水位变化与降雨关系,评判边坡排水措施的有效性支挡结构变形、应力测斜仪、分层沉降仪、支挡构造物岩土体的变形观测,支挡构造物与岩压力盒、钢筋应力计土体间接触压力观测3.3 观测点的位置、数量、频率及埋设应符合设计或合同文件要求。3.4 在

5、施工期间,应严格按设计或合同文件要求同步进行沉降和稳定的跟踪呼观测。在观测过程中,如出现异常情况,应立即进行检查,处理完毕后,方能继续观测。对观测测资料应及时进行收集整理和汇总分析,以指导施工和提供给相关单位作为评估依据。3.5 预应力锚固工程沉降与稳定监测、观测的适用方法和范围见表30(2)观测点的位置、数量、频率及埋设应符合设计或合同文件的要求。(3)一般情况下,锚杆张拉锁定后第一个月内每日观测一次;第2-3个月内每周观测一次;第46个月内每月观测两次;1年以后,每月观测一次。在观测过程中,如出现异常情况,应立即进行检查,处理完毕后,方能继续观测。观测成果应及时整理,第一年内的观测作为工程

6、验收的资料。预应力锚杆工作阶段施工阶段表3预应力锚固监测监测内容监测项目锚杆体锚杆工作状态及锚杆锚杆张拉力:锚杆伸长值:预工程运营阶段的施工质量应力损失锚固对象加固效果被锚固体的位移及变化锚杆体锚杆的工作状态预应力值变化锚固对象锚固工程安全状况被锚固体的位移及变化3.6 坡体位移监测在路堑高边坡防护加固工程施工过程中,一般都要求对其坡体进行变形控制与监测,以便进行动态设计和确保施工安全,也可以检验工程效果。高边坡的坡体位移监测方法一般可分为简易观测法和专业仪器监测法,对于一般的高边坡均要求实施简易观测,简易观测由施工单位现场技术人员负责完成;对于重点的复杂的路堑高边坡或滑坡病害,除要求采用简易

7、观测外,还必须对其坡体变形进行专业仪器监测,专业仪器监测采用钻孔测斜仪监测,要求委托专业单位承担。坡体深部位移监测期限一般在一年以上,其监测周期为每月一次,在雨季或坡体变形较大等特殊情况下应加密监测,遇有坡体变形不稳定时应延长监测期限,直至坡体稳定、变形终止或在安全的限值范围内。以上路基施工过程的监测与观测工作,除一些相应简单的可用简单仪器进行观测外,施工单位应委托有相应资质的单位进行监测与观测。4高路堤稳定和沉降观测4.1 监测目的(1)通过监测揭示路堤变形情况,指导工程施工,(2)揭示路堤稳定状态,根据情况确定路堤防护工程措施,(3)控制工后沉降,指导后续工作的开展。4.2 监测内容和方法

8、沉降与稳定监测、观测的适用方法和范围见表4表4高路堤监测方法观测项目仪具名称观测目的地表水平位移量及隆起量地表水平位移桩用于稳定监控,确保路堤施工安全和稳定(边桩)地下土体分层水平位移量地下水平位移计用于稳定监控和研究,掌握分层位移量,(测斜管)推定土体剪切破坏位置,必要时采用路堤顶沉降量地表型沉降计(沉用于工后沉降监控,预测工后沉降趋势,降板或桩)确定路面施工时间4.3 观测点的设置如图112和图113所示,数量及埋设按设计或合同文件的要求。4.4 在施工期间,应严格按设计或合同文件要求,同步进行沉降和稳定的跟踪观测。在观测过程中,如出现异常情况,应立即进行检查,处理完毕后,方可继续观测。观测成果应及时整理,并将其作为工程验收的资料归档。

展开阅读全文
相关资源
猜你喜欢
相关搜索

当前位置:首页 > 建筑/环境 > 测绘

copyright@ 2008-2023 1wenmi网站版权所有

经营许可证编号:宁ICP备2022001189号-1

本站为文档C2C交易模式,即用户上传的文档直接被用户下载,本站只是中间服务平台,本站所有文档下载所得的收益归上传人(含作者)所有。第壹文秘仅提供信息存储空间,仅对用户上传内容的表现方式做保护处理,对上载内容本身不做任何修改或编辑。若文档所含内容侵犯了您的版权或隐私,请立即通知第壹文秘网,我们立即给予删除!