2023宜昌建筑业技能大赛BIM组(工程管理)评分细则.docx

上传人:p** 文档编号:603965 上传时间:2023-12-01 格式:DOCX 页数:1 大小:15.57KB
下载 相关 举报
2023宜昌建筑业技能大赛BIM组(工程管理)评分细则.docx_第1页
第1页 / 共1页
亲,该文档总共1页,全部预览完了,如果喜欢就下载吧!
资源描述

《2023宜昌建筑业技能大赛BIM组(工程管理)评分细则.docx》由会员分享,可在线阅读,更多相关《2023宜昌建筑业技能大赛BIM组(工程管理)评分细则.docx(1页珍藏版)》请在第壹文秘上搜索。

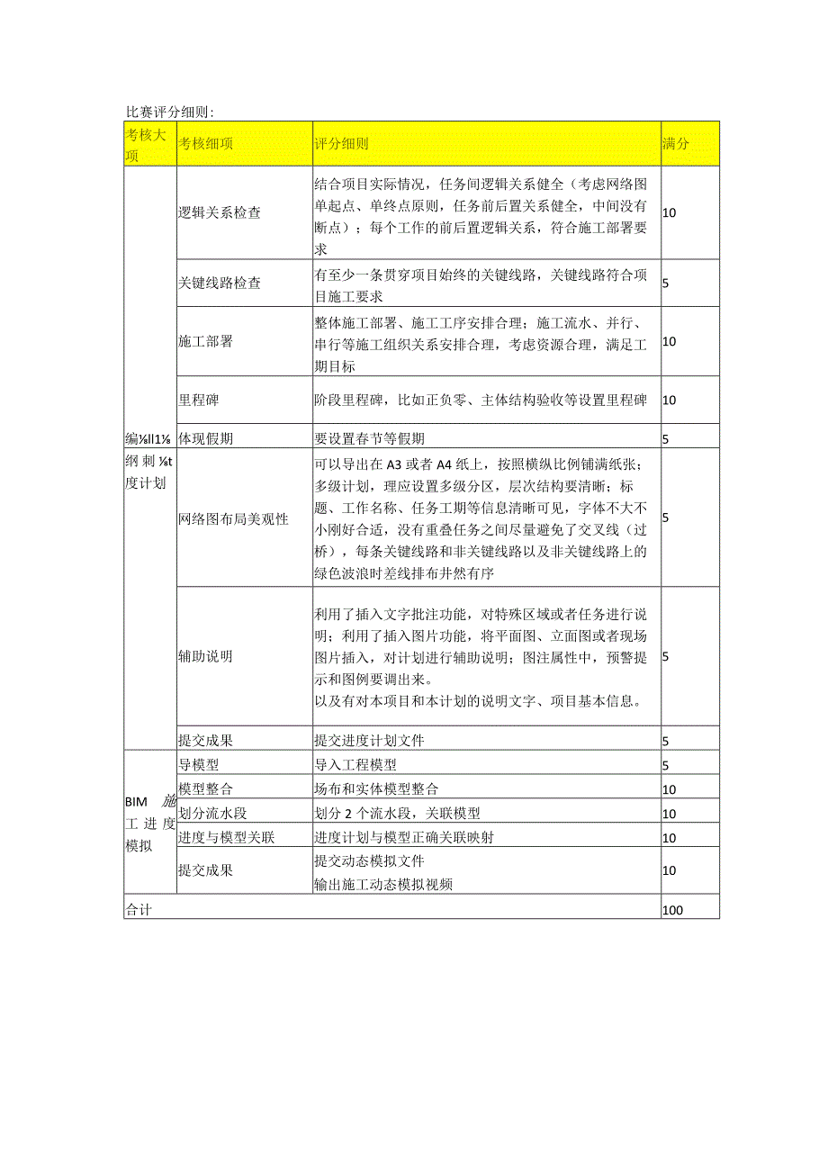
1、比赛评分细则:考核大项考核细项评分细则满分编ll1逻辑关系检查结合项目实际情况,任务间逻辑关系健全(考虑网络图单起点、单终点原则,任务前后置关系健全,中间没有断点);每个工作的前后置逻辑关系,符合施工部署要求10关键线路检查有至少一条贯穿项目始终的关键线路,关键线路符合项目施工要求5施工部署整体施工部署、施工工序安排合理;施工流水、并行、串行等施工组织关系安排合理,考虑资源合理,满足工期目标10里程碑阶段里程碑,比如正负零、主体结构验收等设置里程碑10体现假期要设置春节等假期5纲刺t度计划网络图布局美观性可以导出在A3或者A4纸上,按照横纵比例铺满纸张;多级计划,理应设置多级分区,层次结构要清

2、晰;标题、工作名称、任务工期等信息清晰可见,字体不大不小刚好合适,没有重叠任务之间尽量避免了交叉线(过桥),每条关键线路和非关键线路以及非关键线路上的绿色波浪时差线排布井然有序5辅助说明利用了插入文字批注功能,对特殊区域或者任务进行说明;利用了插入图片功能,将平面图、立面图或者现场图片插入,对计划进行辅助说明;图注属性中,预警提示和图例要调出来。以及有对本项目和本计划的说明文字、项目基本信息。5提交成果提交进度计划文件5BIM施工进度模拟导模型导入工程模型5模型整合场布和实体模型整合10划分流水段划分2个流水段,关联模型10进度与模型关联进度计划与模型正确关联映射10提交成果提交动态模拟文件输出施工动态模拟视频10合计100

展开阅读全文
相关资源
猜你喜欢
相关搜索

当前位置:首页 > 管理/人力资源 > 商务礼仪

copyright@ 2008-2023 1wenmi网站版权所有

经营许可证编号:宁ICP备2022001189号-1

本站为文档C2C交易模式,即用户上传的文档直接被用户下载,本站只是中间服务平台,本站所有文档下载所得的收益归上传人(含作者)所有。第壹文秘仅提供信息存储空间,仅对用户上传内容的表现方式做保护处理,对上载内容本身不做任何修改或编辑。若文档所含内容侵犯了您的版权或隐私,请立即通知第壹文秘网,我们立即给予删除!