7桥梁工程工程文档范本.docx

上传人:p** 文档编号:604096 上传时间:2023-12-01 格式:DOCX 页数:30 大小:173.81KB
下载 相关 举报
7桥梁工程工程文档范本.docx_第1页
第1页 / 共30页
7桥梁工程工程文档范本.docx_第2页
第2页 / 共30页
7桥梁工程工程文档范本.docx_第3页
第3页 / 共30页
7桥梁工程工程文档范本.docx_第4页
第4页 / 共30页
7桥梁工程工程文档范本.docx_第5页
第5页 / 共30页
7桥梁工程工程文档范本.docx_第6页
第6页 / 共30页
7桥梁工程工程文档范本.docx_第7页
第7页 / 共30页
7桥梁工程工程文档范本.docx_第8页
第8页 / 共30页
7桥梁工程工程文档范本.docx_第9页
第9页 / 共30页
7桥梁工程工程文档范本.docx_第10页
第10页 / 共30页
亲,该文档总共30页,到这儿已超出免费预览范围,如果喜欢就下载吧!
资源描述

《7桥梁工程工程文档范本.docx》由会员分享,可在线阅读,更多相关《7桥梁工程工程文档范本.docx(30页珍藏版)》请在第壹文秘上搜索。

1、6桥梁工程6.1 一般规定6.1.1 互通立交的桥梁部分、分离式立交、高架桥应按本章有关节的标准进行评定.6.1.2 跨径或全长符合小桥标准的通道,应按本章有关节的标准进行评定.6.1.3 3拱桥组合桥台的各个组成部分,应按木章有关节的标准进行评定;其组合作用则按本章6.11节的标准进行评定.6.1.4 对本章6.11节包括的砌体工程项目,应按4.6节砌石工程的标准进行评定.6.1.5 本章中未列出的施工过程应用设施(如模板、支架、拱架、顶推台座、导梁、转动设施、锚道等)的质量标准,应根据施工技术规范严格掌握,以确保工程质量.6.1.6 斜拉桥仅列出悬臂施工的标准,如采用支架现场浇筑时,可参照

2、悬臂浇筑的标准进行评定.6.1.7 7对工厂制造的钢梁,施工单位应参加厂内钢梁的试装及验收,按施工技术规范的标准进行评定.6.1.8 桥上如采用波形梁护栏及缆索护栏时,应按照9.5节、9.7节的标准进行评定.6.1.9 基础及下部构造可为一个或几个分部工程.当分部工程有几个墩台,评定时以每墩、台为一个统计单元(下有若干个分项工程),采用附录J中附表5-5工程汇总表,将各墩、台的得分汇总,计算平均分值,作为基础及下部构造分部工程的得分值,并据此评定质量等级.但只有各墩、台均合格时,该分部工程才能评为合格;只有各墩、台均优良时,该分部工程才能评为优良.6.1.10 大桥每座为一个单位工程,当有若干

3、座中桥时,可合并为一个单位工程,先对每座中桥进行评定,然后用附录J中表5-5的工程汇总表将各中桥的得分汇总,计算平均分值,作为该单位工程的得分值,并据此评定质量等级.但只有各中桥均合格时,该单位工程才能评为合格;只有各中桥均优良时,该单位工程才能评为优良.6.1.11 特大桥的单位工程、分部工程,可根据具体情况另行划分.6.2 桥梁总体6.2.1基本要求6.2.1.1桥梁施工应严格按照设计图纸、施工规范和有关技术操作规程要求进行.6.2.1.2中、下承式桥净空,不得小于设计要求.6.2.2实测项目见表6.2.2.表6.2.2桥梁总体实测项目项次检查项目规定值或允许偏差检查方法和频率规定分1桥面

4、中线偏位(mm)10用经伟仪检查38处202桥宽(mm)车行道10用钢尺量每孔35处25人行道103桥长(mm)+300,-100用测距仪检查154引道中心线与桥梁中心线的衔接(mm)20分别将引道中心线和桥梁中心线延长至两岸桥长端部,比较其平面位置205桥头高程衔接(mm)3用水准仪测量206.2.3外观鉴定1.1.1.1 2.3.1车辆通过桥头搭板时不存在跳车现象.不符合要求时减35分.1.1.1.2 踏步顺直,与边坡一致.不符合要求时减12分.1.1.1.3 桥梁的内外轮廓线条应顺滑清晰.不符合要求时减13分.6.3钻孔灌注桩6.3.1基本要求6.3.1.1孔径和孔深必须符合设计要求.6

5、.3.1.2成孔后必须清孔,测量孔径、孔深、孔位和沉淀层厚度,确认满足设计要求后,再灌注水下混凝土.6.3.1.3水下混凝土应连续灌注,严禁有夹层和断桩.6.3.1.4钢筋笼不得上浮.嵌入承台的锚固钢筋长度不得低于规范规定的最小锚固长度要求.6.3.1.5按施工规范的要求,对有代表性的桩、对质量有怀疑以及因灌注故隙处理过的桩,应采用无破损法检测桩的质量.重要工程或重要部位的桩应逐根进行无破损检测或钻取芯样.6.3.1.6桩的无破损检测结果须经设计单位确认.6.3,1.7凿除桩头混凝土后,无残余的松散混凝土.6.3.2实测项目.见表6.3.2.表6.3.2钻孔灌注桩实测项目项次检查项目规定值或允

6、许偏差检查方法和频率规定分1混凝土强度(PMa)在合格标准内按附录D检查352桩位(mm)群桩100用经纬仪检查纵、横方向15排架桩503钻孔倾斜度1%查灌注前记录204沉淀厚度(mm)摩擦桩符合设计要求20支承桩不大于设计规定5钢筋骨架底面高程50106.3.3外观鉴定6.3.3.1需嵌入承台内的混凝土桩头及锚固钢筋长度应符合设计要求,不符合时减13分.6.3.3.2无破损检测桩的质量有缺陷,但经设计单位确认仍可用时,应减3分.6.4挖孔桩6. 4.1基本要求6.1.1.1 孔径、孔深必须符合要求.6.1.1.2 挖孔达到设计深度后,应及时进行孔底处理,必须做到无松渣、淤泥等扰动软土层,使孔

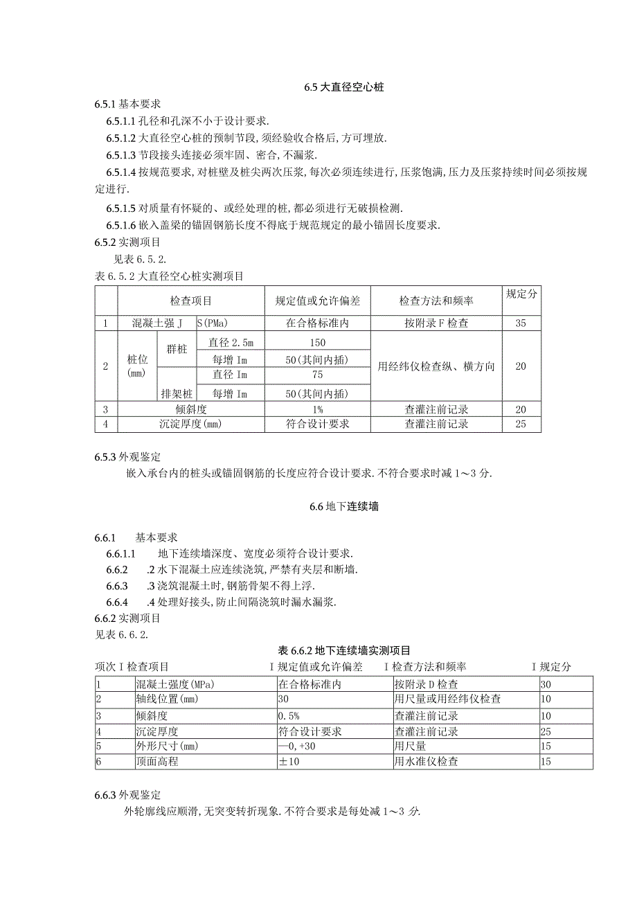
7、底情况满足设计要求.6.4.1.3嵌入承台的锚固钢筋长度不得低于规范规定的最小锚固长度要求.6.4.2实测项目.见表6.4.2.表6.4.2挖孔桩实测项目项次I检查项目I规定值或允许偏差I检查方法和频率I规定分1混凝土强度(PMa)在合格标准内按附录D检查352桩位(mm)群桩100用经纬仪检查纵、横方向25排架桩503钻孔倾斜度0.5%查灌注前记录254钢筋骨架底面高程(mm)查灌注前记录156.4.3外观鉴定嵌入承台内的桩及锚固钢筋的长度应符合设计要求,不符合要求时减13分.6.5大直径空心桩6.5.1基本要求6.5.1.1孔径和孔深不小于设计要求.6.5.1.2大直径空心桩的预制节段,须

8、经验收合格后,方可埋放.6.5.1.3节段接头连接必须牢固、密合,不漏浆.6.5.1.4按规范要求,对桩壁及桩尖两次压浆,每次必须连续进行,压浆饱满,压力及压浆持续时间必须按规定进行.6.5.1.5对质量有怀疑的、或经处理的桩,都必须进行无破损检测.6.5.1.6嵌入盖梁的锚固钢筋长度不得底于规范规定的最小锚固长度要求.6.5.2实测项目见表6.5.2.表6.5.2大直径空心桩实测项目检查项目规定值或允许偏差检查方法和频率规定分1混凝土强JS(PMa)在合格标准内按附录F检查352桩位(mm)群桩直径2.5m150用经纬仪检查纵、横方向20每增Im50(其间内插)排架桩直径Im75每增Im50

9、(其间内插)3倾斜度1%查灌注前记录204沉淀厚度(mm)符合设计要求查灌注前记录256.5.3外观鉴定嵌入承台内的桩头或锚固钢筋的长度应符合设计要求.不符合要求时减13分.6.6地下连续墙6.6.1 基本要求6.6.1.1 地下连续墙深度、宽度必须符合设计要求.6.6.2 .2水下混凝土应连续浇筑,严禁有夹层和断墙.6.6.3 .3浇筑混凝土时,钢筋骨架不得上浮.6.6.4 .4处理好接头,防止间隔浇筑时漏水漏浆.6.6.2实测项目见表6.6.2.表6.6.2地下连续墙实测项目项次I检查项目I规定值或允许偏差I检查方法和频率I规定分1混凝土强度(MPa)在合格标准内按附录D检查302轴线位置

10、(mm)30用尺量或用经纬仪检查103倾斜度0.5%查灌注前记录104沉淀厚度符合设计要求查灌注前记录255外形尺寸(mm)0,+30用尺量156顶面高程10用水准仪检查156.6.3外观鉴定外轮廓线应顺滑,无突变转折现象.不符合要求是每处减13分.6.7沉桩6.7.1基本要求6.7.1.1混凝土桩必须按表6.13.2-2检查合格后,才可沉桩.6.7.1.2钢管桩的材料规格、外形尺寸和防护应符合设计和施工规范的要求.6.7.1.3用射水法沉桩,当桩尖接近标高时,应停止射水,用锤击或振动达到设计标高.6.7.1.4桩的接头严格按照规范要求,确保质量.6.7.1.5应按设计要求抽取一定比例进行无破

11、损检测.6.7.2实测项目见表6.7.2.6.7.3外观鉴定桩头无劈裂,如有劈裂时应进行处理,并减13分.表6.7.2沉桩实测项目项次检查项目规定值或允许偏差检查方法和频率规定分1桩位(mm)群桩中间桩D/2且不大于250用经纬仪检查20%30外缘桩D/4排架桩顺桥方向40垂直桥轴方向502桩尖高程(mm)不高于设计规定查沉桩记录40贯入度(mm)小于设计规定3倾斜度直桩1%查沉桩记录30斜桩+15%tgO注:D为桩径或短边;6为斜桩轴线与垂线间的夹角.6.8管柱6.8.1 基本要求6.8.1.1 管柱的直径和强度必须满足设计要求,并有成品出厂含格证.6.8.1.2 管柱两端接头法兰盘端面应平

12、整并与柱面轴线垂直,连接的管柱应与原管柱保持同一轴线.6.8.1.3 钢管柱连接施焊应对称进行.接头均需进行防护处理.6.8.1.4应按设计要求抽取一定比例钻取芯样,钻深到柱底O.5m以下.6.8.2实测项目见表6.8.2.6.8.3外观鉴定6.8.3.1法兰盘和连接螺栓突出管柱外壁时减13分.6.8.3.2 混凝土管柱外壁光滑密实,柱头不得出现裂纹.不符合要求时减13分.6.8.3.3 需嵌入承台内的桩头及锚固钢筋长度应符合设计要求,不符合要求时减13分.锚固长度低于规范规定的最小锚固长度要求时,必须返工处理.表6.8.2管柱实测项目项次检查项目规定值或允许偏差检查方法和频率规定分1管柱内芯

13、混凝土强度(MPa)在合格标准内按附录D检查302管柱顶面中心偏位(mm)管柱群250用经纬仪抽查30%15单排柱顺桥向150,横桥向2503倾斜度不钻岩2%检查记录20单排顺桥向1%4管柱J底高程(mm)符合设计规定检查记录255钢筋骨架底面高程(Inm)+50检查记录106.9沉井1.1.1 基本要求1.1.1.1 沉井下沉应在井壁混凝土达到规定强度后进行.浮式沉井在下水、浮运前,应进行水密性试验.1.1.1.2 沉井接高时,各节的竖向中轴线应与第一节竖向中轴线相重合.接高前应纠正沉井的倾料.1.1.1.3 沉井下沉到设计高程时,应检查基底,确认符合设计要求后方可封底.1.1.1.4 沉井下沉中出现开裂,必须查明原因.进行处理后,才可继续下沉.1.1.1.5 下沉记录应填写正确,不得在原记录上涂改.1.1.2 实测项目见表6.9.2.表6.9.2沉井实测项目项次检查项目规定值或允许偏差检查方法和频率规定分1各节沉井混凝土强度(MPa)在合格标准内按附录D检查302沉井平面尺寸(mm)长、宽0.5%,大于24m时土1203m直尺:每200m2处X4尺10半径0.5%,大于12m时土1203井壁厚度(mm)混凝土+40,30沿周边量4点10钢壳和钢筋混凝土154沉井刃脚高程(Inm)符合设计规定用水准仪检查105顶、底面中心偏位(纵横向)(mm)一般1/50井高用经纬仪检查15

展开阅读全文
相关资源
猜你喜欢
相关搜索

当前位置:首页 > 建筑/环境 > 公路与桥梁

copyright@ 2008-2023 1wenmi网站版权所有

经营许可证编号:宁ICP备2022001189号-1

本站为文档C2C交易模式,即用户上传的文档直接被用户下载,本站只是中间服务平台,本站所有文档下载所得的收益归上传人(含作者)所有。第壹文秘仅提供信息存储空间,仅对用户上传内容的表现方式做保护处理,对上载内容本身不做任何修改或编辑。若文档所含内容侵犯了您的版权或隐私,请立即通知第壹文秘网,我们立即给予删除!