地面板块工程施工工艺标准.docx

上传人:p** 文档编号:605166 上传时间:2023-12-01 格式:DOCX 页数:4 大小:22.95KB
下载 相关 举报
地面板块工程施工工艺标准.docx_第1页
第1页 / 共4页
地面板块工程施工工艺标准.docx_第2页
第2页 / 共4页
地面板块工程施工工艺标准.docx_第3页
第3页 / 共4页
地面板块工程施工工艺标准.docx_第4页
第4页 / 共4页
亲,该文档总共4页,全部预览完了,如果喜欢就下载吧!
资源描述

《地面板块工程施工工艺标准.docx》由会员分享,可在线阅读,更多相关《地面板块工程施工工艺标准.docx(4页珍藏版)》请在第壹文秘上搜索。

1、第三章地面板块工程第一节材料质量要求一、材料的品牌和使用位置所有室内门槛均采用冠珠的GW15600(100mm宽);客厅地面采用尺寸为600mm600mm冠珠抛光砖GW15601,踢脚线为80mm宽的冠珠抛光砖,波打线是15Omm宽的GW15600;客厅走道中间是斜铺15601,外围贴一圈60mm宽的浅啡网大理石波打线,再贴一圈15Omm宽的冠珠GW15600波打线。厨房地面均铺贴30OmmX30Omm冠珠防滑砖R33612,卫生间地面均铺贴300mm300mm欧雅防滑砖7419,公卫淋浴挡水条为帕莱米黄石。所有窗台石用米黄石,所有阳台及入户花园地面均铺300mm300mm冠珠防滑砖。二、板块

2、面层铺设材料质量要求见下表。板块面层铺设材料质量要求项目说明砖面层1.水泥:宜采用硅酸盐水泥或普通硅酸盐水泥,其强度等级应在325以上,不同品种。不同强度等级的水泥严禁混用;2.砂:应选用中砂,含泥量应不大于3%;3.破:均有出厂合格证及检测报告,抗压、抗折及规格品种均符合设计要求,外观颜色一致、表面平整,图案花纹正确,边角齐整,无翘曲、裂纹等缺陷;4.如采用胶粘剂,其技术指标应符合设计要求,有出厂合格证和进场友试报告,并通过试验确定其使用性和使用要求。大理石和花岗石1.水泥:宜采用硅酸盐水泥或普通硅酸盐水泥,其强度等级应在325以上,不同品种。不同强度等级的水泥严禁混用;2.砂:应选用中砂,

3、含泥量应不大于3%;3.大理石和花岗石:规格品种均符合设计要求,外观颜色一致、表面平整,图案花纹正确,边角齐整,无翘曲、裂纹等缺陷。第二节施工过程质量监控一、地砖粘贴工程施工1 .各楼层地砖铺贴施工前,要求对地砖预选预排,选出色差较大或有瑕疵的不用。每户墙面弹好水平控制线,地面基层清扫干净,无杂物无浮灰,挂好十字水平控制线。在基层上刷一道素水泥浆,再铺一层35cm1:2.5的干硬性水泥砂浆。2 .按图纸设计位置开始铺贴,在砖背面满批素水泥湿灰逐块铺贴,用橡皮锤拍实拍平。3 .铺贴完客厅地砖后再铺贴卫生间厨房阳台的地砖。每一处铺贴完后应及时清理工作面,保护好成品,24小时内不得踩踏和行走。4 .

4、对于卫生间厨房阳台所覆盖的隐蔽工程要有可靠保护措施,对排水管口包扎好,防止砂浆进入造成堵塞。地漏部位的砖采用套割,地漏应为地前面最低处,且地漏上表面比最低处的砖面低1一2的。5 .大理石的镶贴:在铺贴之前要采取防护措施,防止出现污损泛碱现象,不得雨林水泡长期日晒。浅色大理石应及时涂刷封闭剂,并用白水泥或专用粘贴剂铺贴。铺贴完后做好保护,防止硬伤碰伤。6 .地砖铺贴的空鼓面积每一处小于20cm2,平整度不大于2毫米,用靠尺和塞尺检查,相邻破边高低差不大于0.5毫米,砖缝宽不大于1毫米。卫生间和阳台的地面排水坡度为1%,不得倒泛水。第三节质量通病防治板块面层施工质量通病防治见下表。板块面层施工质量

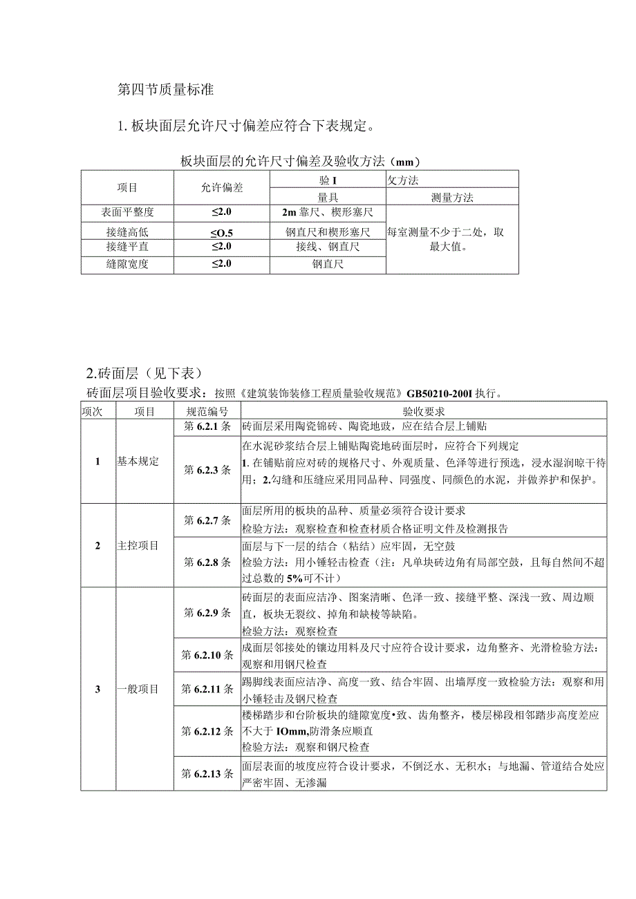
5、通病防治项目说明板块面层接缝不平、不直、缝隙不均1 .原因分析面板本身不规则,厚薄、宽窄不均;水平标高线看着我不准确,造成房间与楼道相接的门口处出现地面高差;地面铺设后。上人过早。2 .防治措施板块铺设前应由专人负责从楼道统一向各房间引进标高线,找准房间中心点,按操作规程线铺设标准块;铺设前应对板块套尺检查,对有缺陷的应挑出。第四节质量标准1.板块面层允许尺寸偏差应符合下表规定。板块面层的允许尺寸偏差及验收方法(mm)项目允许偏差验I攵方法量具测量方法表面平整度2.02m靠尺、楔形塞尺接缝高低O.5钢直尺和楔形塞尺每室测量不少于二处,取接缝平直2.0接线、钢直尺最大值。缝隙宽度2.0钢直尺2.

6、砖面层(见下表)砖面层项目验收要求:按照建筑装饰装修工程质量验收规范GB50210-200I执行。项次项目规范编号验收要求1基本规定第6.2.1条砖面层采用陶瓷锦砖、陶瓷地豉,应在结合层上铺贴第6.2.3条在水泥砂浆结合层上铺贴陶瓷地砖面层时,应符合下列规定1.在铺贴前应对砖的规格尺寸、外观质量、色泽等进行预选,浸水湿润晾干待用;2.勾缝和压缝应采用同品种、同强度、同颜色的水泥,并做养护和保护。2主控项目第6.2.7条面层所用的板块的品种、质量必须符合设计要求检验方法:观察检查和检查材质合格证明文件及检测报告第6.2.8条面层与下一层的结合(粘结)应牢固,无空鼓检验方法:用小锤轻击检查(注:凡

7、单块砖边角有局部空鼓,且每自然间不超过总数的5%可不计)3一般项目第6.2.9条砖面层的表面应洁净、图案清晰、色泽一致、接缝平整、深浅一致、周边顺直,板块无裂纹、掉角和缺棱等缺陷。检验方法:观察检查第6.2.10条成面层邻接处的镶边用料及尺寸应符合设计要求,边角整齐、光滑检验方法:观察和用钢尺检查第6.2.11条踢脚线表面应洁净、高度一致、结合牢固、出墙厚度一致检验方法:观察和用小锤轻击及钢尺检查第6.2.12条楼梯踏步和台阶板块的缝隙宽度致、齿角整齐,楼层梯段相邻踏步高度差应不大于IOmm,防滑条应顺直检验方法:观察和钢尺检查第6.2.13条面层表面的坡度应符合设计要求,不倒泛水、无积水;与地漏、管道结合处应严密牢固、无渗漏检验方法:观察、泼水或坡度尺及蓄水检查第五节质量记录板块面层各分部工程施工质量记录见下表。板块面层各分部工程施工质量记录项目说明砖面层材质合格证明文件、检测报告及水泥复检记录;砖面层分项工程质量验收评定记录;各构造层的验收记录;隐蔽工程验收记录。大理石材质合格证明文件、性能检测报告及水泥复检记录;大理石面层分项工程面层质量验收评定记录;基层、各构造层的验收记录;隐蔽工程验收记录。

展开阅读全文
相关资源
猜你喜欢
相关搜索

当前位置:首页 > 建筑/环境 > 施工组织

copyright@ 2008-2023 1wenmi网站版权所有

经营许可证编号:宁ICP备2022001189号-1

本站为文档C2C交易模式,即用户上传的文档直接被用户下载,本站只是中间服务平台,本站所有文档下载所得的收益归上传人(含作者)所有。第壹文秘仅提供信息存储空间,仅对用户上传内容的表现方式做保护处理,对上载内容本身不做任何修改或编辑。若文档所含内容侵犯了您的版权或隐私,请立即通知第壹文秘网,我们立即给予删除!