基坑土方开挖及支撑施工方案.docx

上传人:p** 文档编号:605221 上传时间:2023-12-01 格式:DOCX 页数:9 大小:28.61KB
下载 相关 举报
基坑土方开挖及支撑施工方案.docx_第1页
第1页 / 共9页
基坑土方开挖及支撑施工方案.docx_第2页
第2页 / 共9页
基坑土方开挖及支撑施工方案.docx_第3页
第3页 / 共9页
基坑土方开挖及支撑施工方案.docx_第4页
第4页 / 共9页
基坑土方开挖及支撑施工方案.docx_第5页
第5页 / 共9页
基坑土方开挖及支撑施工方案.docx_第6页
第6页 / 共9页
基坑土方开挖及支撑施工方案.docx_第7页
第7页 / 共9页
基坑土方开挖及支撑施工方案.docx_第8页
第8页 / 共9页
基坑土方开挖及支撑施工方案.docx_第9页
第9页 / 共9页
亲,该文档总共9页,全部预览完了,如果喜欢就下载吧!
资源描述

《基坑土方开挖及支撑施工方案.docx》由会员分享,可在线阅读,更多相关《基坑土方开挖及支撑施工方案.docx(9页珍藏版)》请在第壹文秘上搜索。

1、基坑土方开挖及支撑施工方案第一节8.1土方工程概述8 .L1土方开挖概述(1)本工程基坑面积为6500仇平面呈D字形。大面积挖深为16.4m;主楼为17.4m,核芯筒处开挖深度为19.1m,局部深坑开挖最深为22.45m;土方总量约116000113,基坑为大型地下结构及深基坑工程。(2)根据围护支撑设计情况,基坑土方分4层开挖,同时为遵循“分层、分块、尽早形成支撑或底板”的原则,按照围护设计要求,将各基坑每层土方分块按次序进行开挖。9 .1.2土方工程特点(1)本工程0.000相当于绝对标高4.6mo场地自然地坪标高约-0.4m,北侧为*路,东侧为*路,西侧为正在建设中的*大厦、南侧为待建富

2、都X3-2地块,周边道路下市政管线众多。(2)为达到保护周边环境的目的,须精心组织流程,做到信息化施工,每层土方的开挖,必须做到合理分区,然后依次限时完成。支撑体系的形成须与挖土搭接施工。挖土和支撑的完成限定在一定时间内完成,从而最大限度地减少土体在无支撑情况下的时间。(3)挖土过程中应及时掌握施工监测的结果,根据实际情况适当调整方案,或者在需要时采取应急措施。(4)本工程基坑面积大、开挖深度深,在进行第二层以下挖土时,大部分挖机及土方车辆全部集中在施工栈桥上。采用加长臂挖机或抓斗挖机取土、装车,大、小挖机下坑开挖和接力翻土的方法进行土方施工。因此须事先周密计划,过程中合理调度车辆,提高运输效

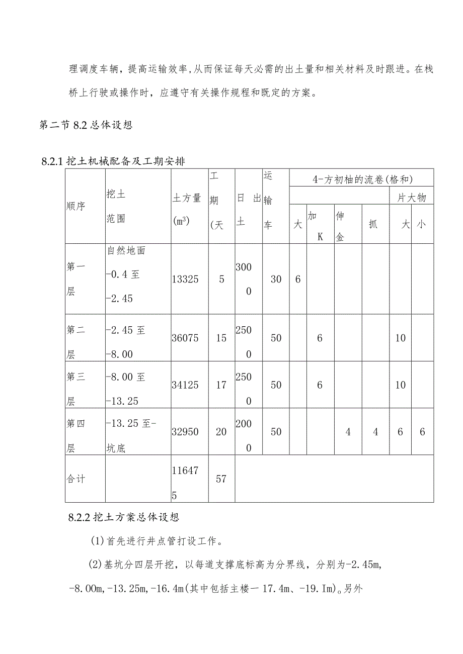
3、率,从而保证每天必需的出土量和相关材料及时跟进。在栈桥上行驶或操作时,应遵守有关操作规程和既定的方案。第二节8.2总体设想8.2.1挖土机械配备及工期安排顺序挖土范围土方量(m3)工期(天日出土运输车4-方初柚的流卷(格和)片大物大加K伸金抓大小第一层自然地面-0.4至-2.451332553000306第二层-2.45至-8.003607515250050610第三层-8.00至-13.253412517250050610第四层-13.25至-坑底32950202000504466合计116475578.2.2挖土方案总体设想(1)首先进行井点管打设工作。(2)基坑分四层开挖,以每道支撑底标

4、高为分界线,分别为-2.45m,-8.OOm,-13.25m,-16.4m(其中包括主楼一17.4m、-19.Im)o另外根据招标文件电梯井深坑最深处为-24.85mo(3)基坑开挖、支撑及垫层施工时应遵循“分层、分块、留土护壁、对称、限时、先撑后挖”的总原则进行,利用时空效应原理,尽量减少基坑无支撑的暴露时间,严格控制基坑变形。(4)每层每块开挖完成,暴露支撑工作面后,及时制作并浇捣支撑混凝土,待上一道支撑形成整体并养护达到围护设计要求强度后,方可进行下一层土方开挖。(5)基坑内局部深坑在大底板底标高挖到后,经定位放线后采用小挖机跟进开挖。(6)挖土流程、顺序和方式应严格按照施工组织设计进行

5、,不得超挖,开挖面的高差应控制在3m之内,并按1:1.5左右放坡;立柱周边必须对称淘空,以防立柱受力不均匀。(7)挖土a第一层土采用中部盆式开挖,将中间栈桥部位土方最先开挖,然后沿中间栈桥分别向基坑边退挖,尽快将栈桥和对撑形成并养护,为第二层土方开挖时栈桥上挖机停靠和车辆行走提供作业面,然后开挖坑边栈桥,最后四周角部三角撑。b对应第二三道支撑的第二四层土方采用盆式开挖(基坑周边留土、中部盆式)结合分块的方式挖至相应的支撑底标高,先施工中部的对撑,再分块依次开挖基坑周边土方,每块土方开挖后及时浇筑支撑,完成与先施工的支撑的对接受力,确保基坑周边每一开挖区域的支撑在土方开挖后48小时之内形成。第三

6、节8.3总体施工流程及工况8.3.1总体施工流程挖土流程:第一层土先开挖中间栈桥部位(开挖至第一道支撑下-2.45米)f沿中间栈桥退挖以便尽快形成栈桥和对撑f然后开挖边上栈桥和开挖角边斜撑下土方f第二层土方开挖顺序同第一层土方,先开挖中间栈桥下土方(开挖至第二道支撑底-8.OO米)一沿中间对撑开挖并形成第二道对撑再开挖其他区域土方一第三层土方开挖顺序同上(开挖至第三道支撑底T3.25)-沿中间对撑开挖并形成第三道对撑一再开挖其他区域土方一第四层土先开挖中间筒体部位(-19.1m),同时采用小挖机将坑中坑土方(-24.850m)开挖大挖机驳运(开挖时派工人进行截桩处理)f在坑中坑开挖同时其他区域

7、土方继续进行开挖一开挖形成工作面后浇垫层f桩顶处理f桩基验收一底板施工并养护。具体见挖土工况图2.8-1-2.8-9o8.3.2施工准备做好基坑开挖的准备,完成降水施工。在开挖前须提14天预降水,降水后基坑内水位应低于开挖面下1m。第四节8.4方施工机械布置及交通组织(1)第一层土方分3块开挖,先开挖基坑中部的栈桥,再沿栈桥向坑边推进,尽快形成栈桥,使栈桥充分养护,以便第二层土方开挖时利用栈桥取土和车辆行走,最后开挖角部斜撑下和中间没有支撑区域土方,土方车直接开出场内,从*路1#门、*路2#门进出。(2)第二三层土方开挖时都是由中心向四周栈桥方向挖,先形成对撑后开始向四角开挖,开挖时在栈桥上设

8、若干取土点,采用加长臂挖机取土装车外运,同时可采用吊车配合加快出土速度。土方车的行驶路线主要在栈桥上,从1#、2#门进出。(3)第四层土方开挖中间筒体部位和坑中坑土方开挖,挖至坑底后马上做垫层和底板下防水,同时挖机向四周推进开挖,采用在栈桥上设置加长臂、克令吊进行取土,同时可采用吊车配合取土外运,加快出土速度。土方车的行驶路线主要在栈桥上,从1#、2#门进出。具体见挖土平面布置图2.8T02.8-15o第五节8.5挖土方法8.5.1压顶圈梁处开挖在开挖第一道支撑、栈桥前先将四周围护圈梁顶土方刨槽开挖,进行人工凿除围护桩顶返浆,以便使四周压顶圈梁同栈桥、第一道支撑一同分块浇筑碎。8.5.2第一层

9、土开挖第一层挖土分3块开挖,先从中间向东西、南北栈桥区域开挖,以便尽快形成对撑及栈桥。然后同时开挖其余栈桥处土方,再开挖四角角撑部分,土方开挖后及时浇筑支撑,对于栈桥、对撑主桁架和坑边支撑要求在48小时内完成与先前施工支撑的对接受力。采用6台现代200挖机停在自然地坪上挖土。8.5.3第二、三层土开挖第二、三层挖土采用盆式开挖,先开挖中间支撑下土方,先形成对撑,然后开挖中间土方同时向四个角撑部位推进挖土,形成角撑。土方开挖后及时浇筑支撑,对于对撑主桁架和坑边支撑要求在48小时内完成与先前施工支撑的对接受力。采用6台加长臂挖机在栈桥上取土和10台大挖机(基坑内)挖土、驳运土方。8.5.4第四层土

10、开挖第四层土方在栈桥上布置4台伸缩壁挖机和4台抓斗式挖土机(WHO).塔吊配合取土,坑内布置6台现代200大挖机、6台住友100挖机,由大小挖机挖土、翻土至栈桥下方附近的取土点,由栈桥上的伸缩臂挖机和抓斗式挖土机(WllO)装车。8.5.5坑中坑挖土电梯井和集水井深坑开挖在中间土方开挖后采用挖机先行挖至垫层底,尽快形成垫层和底板下防水工作,考虑到深坑部位底板较厚且主楼筒体部位底板厚度为4.2m,因此分两次浇捣,第一次浇捣核心筒4.2m厚底板以下的深坑内舲,第二次浇捣核心筒4.2m厚底板连同主楼2.5m和裙楼1.5m厚舲。第六节8.6主要技术措施及工艺(1)严格按设计图纸和经审定的施工方案和规定

11、的标高施工,不随意更改施工方案,在开挖时应注意保护测量定位桩、轴线桩、水准基桩,防止被挖土和运土机械碰撞破坏,挖土前先行较核。(2)在每层土方开挖时,必须按支撑的布置形式和土方开挖的速度,将基坑合理分块,事先计算好各施工块的土方量及出土需要时间,并限定时限要求。在施工过程中严格按时间要求控制进程。土方运输车辆配备和调度应保证能满足运土不间断的要求,场内车辆行驶应有统一规划和指挥。(3)挖土施工中,安排专人现场巡视,接收信息,指导施工。(4)挖土前必须保证已完成的支撑柱强度达到80%设计强度以上,栈桥舲强度应达到100%。开挖前降水必须达到开挖要求,开挖过程中基坑内设置排水沟和集水井。(5)挖土

12、前先复核现场的定位控制线(桩)、标高控制桩,放出各分块的灰线,经复核合格后再进行挖土。(6)基坑内挖土按施工规范要求进行放坡,避免坍方或机械下滑。在开挖过程中,随时检查边坡的状态。使用时间较长的临时性挖土边坡坡度,应根据工程地质和边坡高度,结合本地同类土体的稳定坡度值确定。(7)在距每层土开挖面标高300mm时,采取人工修土至设计标高的方式。在机械施工无法作业的部位和在修整边坡坡度时,均应配备人工进行。人工挖掘出的士用手推车运到基坑中心部位,或运到机械可挖到的地方,由机械接力驳土至停机码头下,最终由抓斗运出基坑。(8)钻机凿除高压旋喷加固部分时,地下连续墙边500mm范围内需人工采用空压机进行

13、凿除,避免损坏连续墙。(9)测量人员在挖土施工过程中及时配合做好水平控制桩,防止超挖。(10)土方开挖时,基坑边不得堆重物,荷载控制在20kN112以内。(11)挖土至基坑底部时,垫层随挖随浇。(12)雨季施工:应注意边坡稳定。必要时可适当放缓边坡坡度,或浇筑素聆垫层。同时在基坑边上围以挡水堤,防止地面水流入;并在基坑内增加排水沟,配足抽水泵。经常对边坡、支撑、土堤进行检查,发现问题要及时处理。(13)挖土机的工作范围内,不得有人进行其他工作,多台机械开挖,挖土间距应大于IOnb挖土要自上而下,逐层进行,严禁先挖坡脚等危险作业。第七节8.7支撑施工8.7.1校支撑、栈桥模板工程(1)挖土至於支

14、撑底标高后,按设计图尺寸现场定位放样,放出支撑的灰线。(2)在硅支撑位置底部铺设70厚道渣、上铺纤维板作为底模。底模宽度须大于支撑截面宽每边150200mm,表面平整,下方土层密实,中间起拱0.5%。(3)舲支撑侧模用组合钢模,外加48钢管围楝,并在支撑高度1/2处穿中16对拉螺栓固定,支撑交接处用木模拼配上铺塑料薄膜纸。(4)栈桥位置底部铺设70厚道渣、上面设置500木方,木方上铺九夹板纤维板作为底模。8.7.2柱支撑钢筋工程(1)主筋连接采用机械连接,接头在同一断面处数量不超过50%,并错开40d。钢筋伸入支座的锚固长度不小于40d。钢筋接头留置在受力较小处,或进支座,或在1/3跨处(施工

15、缝留设处)。(2)钢筋遇钢立柱时,应尽量穿过去,这就要求支撑立柱(包括栈桥)施工时尽量保证立面与支撑(或底板钢筋)平齐;如无法穿过,需同设计协商加以解决。8.7.3校支撑浇筑(1)浇筑硅根据开挖顺序分块浇捣,每次浇捣拟布置23台汽车泵在道路及栈桥进行浇捣。(2)开挖因采用分区开挖、待中间对撑形成后再进行周边的挖土、随挖随做支撑的方式施工,对撑、边桁架、主撑一般需分段施工,施工缝设置在1/3跨内,施工缝为垂直缝,不得留斜缝。后一段浇硅前,应凿掉施工缝接口处的水泥浮浆和松动的石子并冲洗干净,铺一层与舲砂浆成份相同的水泥砂浆。(3)每浇筑一批支撑和围楝时,必须按1组/IO。/标准做试块,以掌握28天抗压强度;另增加二组试块,进行3d、7d强度试验,在试验结果显示舲强度达到80%设计强度后,方可进行下层土方开挖。第八节8.8底板垫层施工(1)基础底板垫层主要采用15Onnn厚C20素於。(2)垫层施工紧跟挖土,垫层、桩顶处理结束及底板防水完成后进行桩

展开阅读全文
相关资源
猜你喜欢
相关搜索

当前位置:首页 > 建筑/环境 > 设计及方案

copyright@ 2008-2023 1wenmi网站版权所有

经营许可证编号:宁ICP备2022001189号-1

本站为文档C2C交易模式,即用户上传的文档直接被用户下载,本站只是中间服务平台,本站所有文档下载所得的收益归上传人(含作者)所有。第壹文秘仅提供信息存储空间,仅对用户上传内容的表现方式做保护处理,对上载内容本身不做任何修改或编辑。若文档所含内容侵犯了您的版权或隐私,请立即通知第壹文秘网,我们立即给予删除!