射线作业许可证.docx

上传人:p** 文档编号:605505 上传时间:2023-12-01 格式:DOCX 页数:2 大小:16.79KB
下载 相关 举报
射线作业许可证.docx_第1页
第1页 / 共2页
射线作业许可证.docx_第2页
第2页 / 共2页
亲,该文档总共2页,全部预览完了,如果喜欢就下载吧!
资源描述

《射线作业许可证.docx》由会员分享,可在线阅读,更多相关《射线作业许可证.docx(2页珍藏版)》请在第壹文秘上搜索。

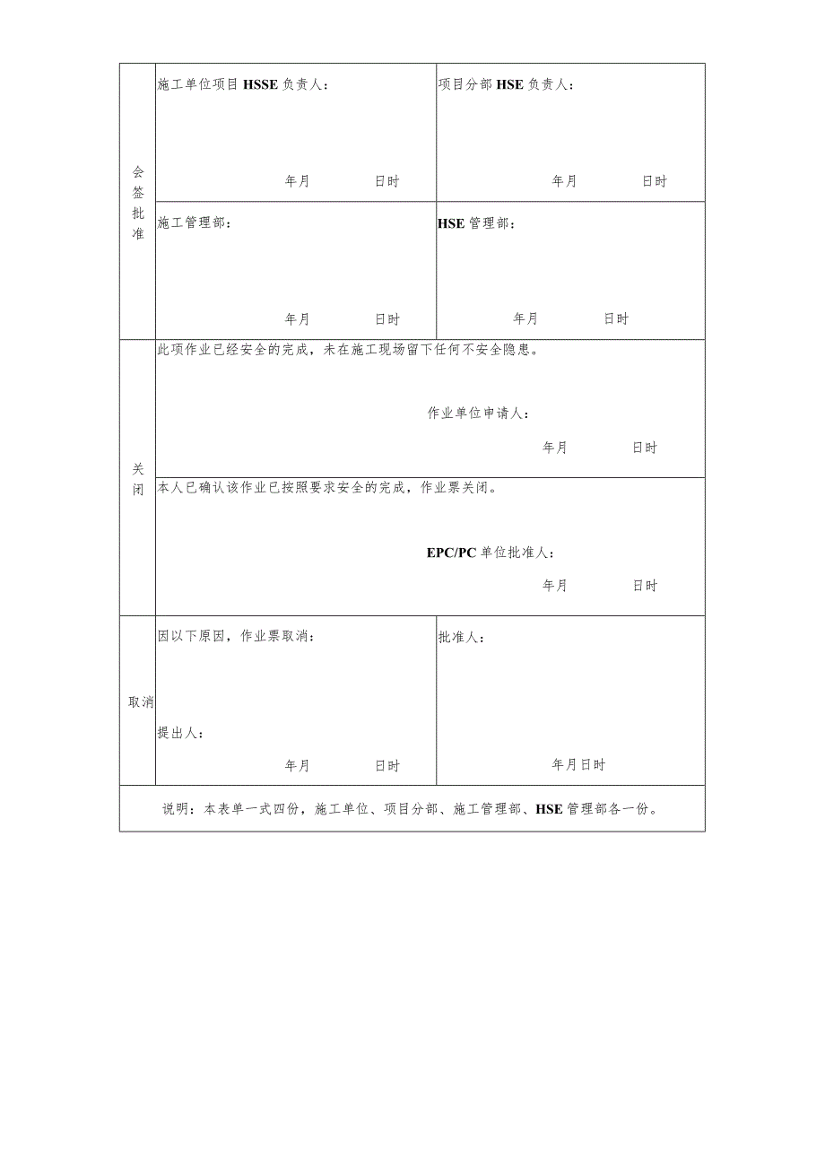
管理表格射线作业许可证表格编号申请作业单位现场负责人联系电话作业地点作业内容描述:射源种类射源编号射源活度:KV/ci安全防护距离:米作业时间:从年月0时一分至一年月日时分射线作业人员姓名:有效证号:姓名:有效证号:姓名:有效证号:我保证我及我的下属,阅读理解并遵照执行安全方案和此许可证,并在作业过程中负责落实各项安全措施。作业单位现场负责人:年月日时安全措施是否附专项安全方案:口是口否其他附件(危害识别等):是否附图纸:口是口否图纸说明:口此次作业已发布了公告已告知受影响的区域和单位口采取了警戒维护措施口有充足的夜间照明口高处作业有防坠落措施现场用电设备经检验合格口作业人员持证上岗对作业人员进行了安全交底口其它安全措施本人已阅读许可并且确信所有条件都满足,并承诺坚守现场。现场作业监护人员:年月日时会签批准施工单位项目HSSE负责人:年月日时项目分部HSE负责人:年月日时施工管理部:年月日时HSE管理部:年月日时关闭此项作业已经安全的完成,未在施工现场留下任何不安全隐患。作业单位申请人:年月日时本人已确认该作业已按照要求安全的完成,作业票关闭。EPC/PC单位批准人:年月日时取消因以下原因,作业票取消:提出人:年月日时批准人:年月日时说明:本表单一式四份,施工单位、项目分部、施工管理部、HSE管理部各一份。

展开阅读全文
相关资源
猜你喜欢
相关搜索

当前位置:首页 > 行业资料 > 国内外标准规范

copyright@ 2008-2023 1wenmi网站版权所有

经营许可证编号:宁ICP备2022001189号-1

本站为文档C2C交易模式,即用户上传的文档直接被用户下载,本站只是中间服务平台,本站所有文档下载所得的收益归上传人(含作者)所有。第壹文秘仅提供信息存储空间,仅对用户上传内容的表现方式做保护处理,对上载内容本身不做任何修改或编辑。若文档所含内容侵犯了您的版权或隐私,请立即通知第壹文秘网,我们立即给予删除!