建筑起重机械实体检查用表.docx

上传人:p** 文档编号:606113 上传时间:2023-12-01 格式:DOCX 页数:6 大小:25.56KB
下载 相关 举报
建筑起重机械实体检查用表.docx_第1页
第1页 / 共6页
建筑起重机械实体检查用表.docx_第2页
第2页 / 共6页
建筑起重机械实体检查用表.docx_第3页
第3页 / 共6页
建筑起重机械实体检查用表.docx_第4页
第4页 / 共6页
建筑起重机械实体检查用表.docx_第5页
第5页 / 共6页
建筑起重机械实体检查用表.docx_第6页
第6页 / 共6页
亲,该文档总共6页,全部预览完了,如果喜欢就下载吧!
资源描述

《建筑起重机械实体检查用表.docx》由会员分享,可在线阅读,更多相关《建筑起重机械实体检查用表.docx(6页珍藏版)》请在第壹文秘上搜索。

1、建筑起重机械实体检查用表工程名称工程地址抽查设备名称制造厂家备案编号建设单位项目负责人总包单位项目负责人监理单位项目总监安装单位检验单位维保单位租赁单位序号检查项目检查内容检查结果1塔机塔机基础专项施工方案及隐蔽工程验收情况2塔式起重机基础(轨道)承载力是否满足要求,排水是否通畅,螺栓有无松动3避雷接地装置是否牢固可靠,符合规定4连墙杆是否采用标准产品,设计计算是否满足要求5塔机(升降机)安装、加节、加附墙件后安装单位自检情况6塔式起重机吊钩、滑轮、卷筒、钢丝绳是否符合要求,安装钢丝绳有无防脱装置7标准节连接螺栓是否安装齐全或紧固8荷载限制装置、行程限位装置、保护装置是否灵敏有效9主要结构构件

2、是否变形,锈蚀,连接螺栓有无松动10平台、走道、梯子、护栏的设置是否规范11吊钩、滑轮、卷筒与钢丝绳有无磨损、变形、锈蚀12电气设备设置是否安全13多塔作业时,有无组织制定并实施防止塔式起重机相互碰撞的安全措施14安拆、使用人员是否持证上岗15施工升降机(物料提升基础设置不规范或未设置排水措施16标准节连接螺栓是否松动或不符合规范要求17导轨架垂直度是否规范要求18安全限位装置和防护设施是否灵敏有效19附墙架是否为标准配套产品,连接方式和角度是否符合说明书要求20电气设备设置是否安全21机)安拆、使用人员是否持证上岗22监管情况质量安全监督巡查制度建立落实情况23房屋市政工程安全生产治理行动开

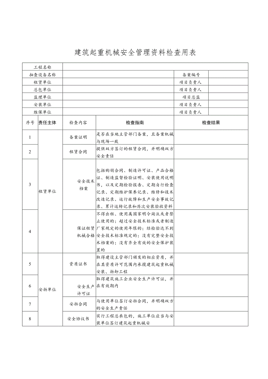
3、展情况24重大事故隐患专项排查整治行动开展情况25起重机械实名制管理开展情况26在线监测系统建设推进情况27违法违规行为整治查处情况28其他处理建议检查人:年月日被检查单位(各方):负责人签字:年月日注:建筑机械安全管理的现场实体和资料等检查按照相关规范标准执行。建筑起重机械安全管理资料检查用表工程名称抽查设备名称备案编号租赁单位项目负责人总包单位项目负责人监理单位项目总监安装单位项目负责人维保单位项目负责人序号责任主体检查内容检查指南检查结果1租赁单位备案证明是否在当地主管部门备案,且备案机械与现场一致2租赁合同提供双方签订的租赁合同,并明确双方安全责任3安全技术档案包括购销合同、制造许可证

4、、产品合格证、制造监督检验证明、安装使用说明书,以及定期检验报告、定期自行检查记录、定期维护保养记录、维修和技术改造记录、运行故障和生产安全事故记录、累计运转记录和历次安装验收资料4保证租赁机械合格不得出租、使用属国家明令淘汰或者禁止使用的;超过安全技术标准或者制造厂家规定的使用年限的;经检验达不到安全技术标准规定的;没有完整安全技术档案的;没有齐全有效的安全保护装置的5安拆单位资质证书取得建设主管部门颁发的相应资质,并在其资质许可范围内承揽建筑起重机械安装、拆卸工程6安全生产许可证取得建筑施工企业安全生产许可证,并在有效期内7安拆合同与使用单位签订安拆合同,并明确双方的安全生产责任8安全协议

5、书实行工程总承包的,施工单位应当与安装单位签订建筑起重机械安装、拆卸工程安全协议书9专项施X方案起重机械安拆纳入危大工程,专项施工方案应由施工单位技术负责人审核签字,总监理工程师审查签字,超过一定规模的起重机械安拆工程应由施工单位组织专家论证10技术交底及持证上岗组织安全技术交底,并签字确认,特种人员配备、持证上岗及教育培训11应急救援预案应制定建筑起重机械安装、拆卸工程生产安全事故应急救援预案12安拆告知应提供主管部门出具的安拆告知办理证明13自检合格证明安装完毕后,应进行自检、调试和试运转,并出具自检合格证明14使用单位联合验收起重机械安装完毕后,使用单位应组织出租、安装、监理等有关单位进

6、行验收,或者委托相应资质的检验机构验收15使用登记应提供主管部门出具的使用登记证明16应急救援预案应制定起重机械生产安全事故应急救援预案17定期检查、维保应提供对起重机械及其安全保护装置、吊具、锁具等定期检查、维护和保养记录18多塔作业方案施工现场有多台塔式起重机作业时,应组织制定多塔作业防碰撞措施19审核安拆、租赁单位的安全管理资料施工总承包单位对安拆、租赁单位的安全管理资料负有审核责任20安全管理机构及机械安管人员、特种人员设置设备管理机构和配备专职设备管理人员,指定专职安全生产管理人员监督检查建筑起重机械安拆、使用情况,特种人员持证上岗及教育情况管理21监理单位审核安拆、租赁单位的安全管

7、理资料监理单位对安拆、租赁单位的安全管理资料负有审核责任22监理实施细则应针对起重机械安拆工程,编制监理专项实施细则,并进行专项巡视检查23检验机构机构资质检验机构是否具有起重机械检验资质24人员注册公示检验报告中的检验、审核、批准人员是否在中国特种设备检验协会进行公示25执业注册已注册公示的检验人员及数量是否持续满足许可条件26检验报告检验结果(数据)或结论是否存在与设备(现场)实际不符的情况27其他处理意见检查人:年月日被检查单位负责人(各方):年月日注:检查结果应注明未编制、未记录、拒不提供资料、违反标准规定等情况租赁、安装、使用、检测、维保单位注册信息汇总表单位名称(全称)统一社会信用代码/注册号备注

展开阅读全文
相关资源
猜你喜欢
相关搜索

当前位置:首页 > 办公文档 > 统计图表

copyright@ 2008-2023 1wenmi网站版权所有

经营许可证编号:宁ICP备2022001189号-1

本站为文档C2C交易模式,即用户上传的文档直接被用户下载,本站只是中间服务平台,本站所有文档下载所得的收益归上传人(含作者)所有。第壹文秘仅提供信息存储空间,仅对用户上传内容的表现方式做保护处理,对上载内容本身不做任何修改或编辑。若文档所含内容侵犯了您的版权或隐私,请立即通知第壹文秘网,我们立即给予删除!