施工进度计划和进度措施.docx

上传人:p** 文档编号:606406 上传时间:2023-12-01 格式:DOCX 页数:30 大小:65.35KB
下载 相关 举报
施工进度计划和进度措施.docx_第1页
第1页 / 共30页
施工进度计划和进度措施.docx_第2页
第2页 / 共30页
施工进度计划和进度措施.docx_第3页
第3页 / 共30页
施工进度计划和进度措施.docx_第4页
第4页 / 共30页
施工进度计划和进度措施.docx_第5页
第5页 / 共30页
施工进度计划和进度措施.docx_第6页
第6页 / 共30页
施工进度计划和进度措施.docx_第7页
第7页 / 共30页
施工进度计划和进度措施.docx_第8页
第8页 / 共30页
施工进度计划和进度措施.docx_第9页
第9页 / 共30页
施工进度计划和进度措施.docx_第10页
第10页 / 共30页
亲,该文档总共30页,到这儿已超出免费预览范围,如果喜欢就下载吧!
资源描述

《施工进度计划和进度措施.docx》由会员分享,可在线阅读,更多相关《施工进度计划和进度措施.docx(30页珍藏版)》请在第壹文秘上搜索。

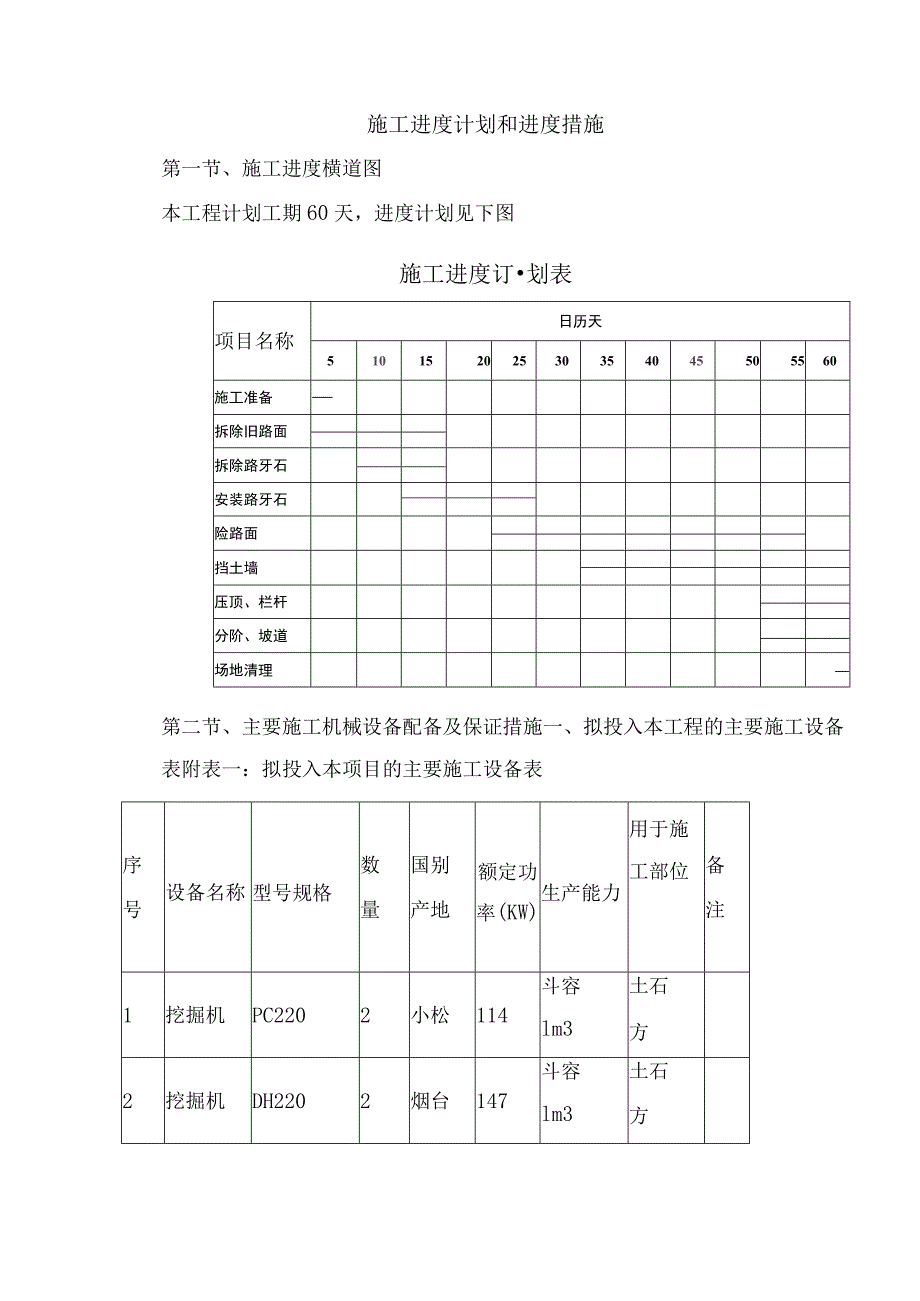
1、施工进度计划和进度措施第一节、施工进度横道图本工程计划工期60天,进度计划见下图施工进度订划表项目名称日历天51015202530354045505560施工准备拆除旧路面拆除路牙石安装路牙石险路面挡土墙压顶、栏杆分阶、坡道场地清理第二节、主要施工机械设备配备及保证措施一、拟投入本工程的主要施工设备表附表一:拟投入本项目的主要施工设备表序号设备名称型号规格数量国别产地额定功率(KW)生产能力用于施工部位备注1挖掘机PC2202小松114斗容lm3土石方2挖掘机DH2202烟台147斗容lm3土石方3液压破碎锤V12002英国12810m3h旧路拆除4推土机TY1802山推184147KN路基5

2、平地机PY1652山东125109KN路基6装载机ZL302临沂85斗容4m3场内运输7装载机ZL40F2临沂128斗容3m3场内运输8空压机AW-I.6-876潍坊186m3min石方9风镐B87C6山东lm3min石方10自卸车BM38112西安21315T运输11洒水车8000L2北京9915Ls洒水12平板拖车HY9622武汉12450t机械运输1汽车式起重机QY25E1长沙192起吊25T材料吊运2碎搅拌运输车PY5300GJB74长沙1918m3碎运输3汽车输送泵THB601十堰232603/min碎浇筑4插入式振捣棒CR-506宁波2.218KN硅振捣5电焊机BX1-3151上海

3、4060-315A钢筋6钢筋弯曲机GW-301济南46-30钢筋7钢筋切断机GQ-401济南5.56-40钢筋8钢筋调直机TZH-41青岛46-40钢筋9木工圆锯450mm1济南2.2450mm模板10木工平刨床300mm1济南2.2300mm模板11木工压刨床MB104A1济南34mm模板1三辐轴整平机50011西安886in混凝土浇筑2振动压路机YJ18JC2徐州115330KN道路基层3振动压路机YZB82徐州14120KN道路基层4割缝机4004靖江7.515cm路面切缝5手持式切割机MIY-SDOl6南京0.68cm侧石、花砖6蛙式夯实机HW14012天津2.26-8mmin沟槽回填

4、7平板式振动器ZW-504宁波2.23-5mmin管道基础1污水泵3寸6无锡2.89m抽水2潜水泵HZ-00510上海2.212m抽水二、机械设备保证措施1、机械设备管理措施1.1 由技术负责人和物资部根据施工机具的配置计划合理安排进退场时间,并呈报公司总部,以便公司落实性能良好、满足施工要求的机械设备和工具,按时进场,使用完毕后由物资部组织及时退场。物资部全面负责现场机械设备检查维护、保养、管理。1.3物资部下设设备管理员和机械维修班,设备管理员负责编制负责各类机械设备的安全操作规程,并做好各类设备的技术并底工作,确保设备的安全操作、正常使用和文明施工。对每台进场设备建立设备台帐,对设备落实

5、专人进行保管,保管人员在项目设备管理员的领导下进行设备日常的安全检查、维护保养工作,定期对设备进行检查、盘点,掌握现场使用设备的完好情况,保证不因设备原因影响工程施工。1.4 为避免用电荷载过于集中,造成用电分布不均衡,施工机械的布置尽量做到均匀,同时为便于对加工场地施工机具的管理,加工场地布置相对集中,但是其用电负荷必须小于设计负荷。1.5配备的机械操作人员技术水平必须与其担任的工作相适应,且须严格遵守持证操作的规定,做到定人定机定岗位。1.6操作人员必须对机械设备进行日常保养,保养基本内容为“十字操作法”:清洁、润滑、紧固、调整、防腐,保证设备性能正常。1.7 实行单机或机组核算,根据考核

6、的成绩实行奖惩。1.8 合理组织机械设备施工,必须加强维修管理,提高机械设备的的完好率和单机效率,并合理的组织机械的调配,搞好施工的计划工作。1.9 要努力组织好机械设备的流水施工。当施工的推进主要靠机械而不是人力的时候,划分施工段的大小必修考虑机械的服务能力,把机段作为分段的决定因素。要使机械连续作业不停歇,必要时使机械三班作业。1.10 机械设备的安全施工。项目经理部在机械作业前前应向操作人员进行安全技术交底,操作人员要对施工要求、场地环境、气候等安全生产要素有清楚的了解。项目经理按机械设备的安全操作要求安排工作和进行指挥,不得要求操作人员违章作业,更不得指挥和允许操作人员野蛮施工。1.1

7、1 为机械设备的施工创造良好条件,现场环境、施工平面图布置应适合机械作业要求,交通道路畅通无障碍,夜间安排好照明。1.12 物资部每周对机械设备进行检查,公司材料设备处每月组织一次设备检查,发现问题及时处理。项目部对机械设备进行挂牌标况,确保机械设备完好。1.13 做好所辖设备的巡检、周检工作;按照合同规定、甲方合理要求和检查发现的问题认真整改和完善设备;具体负责设备日常维护保养及设备资料的填写记录工作;提前制定易损件及耗料的采购计划。1.14 机修人员每天进行三次巡回检查,即早、中、晚各一次,要按照公司巡回检查制度规定的检查路线和项点进行仔细检查,及时发现问题,及时处理,保证设备良好状态。1

8、.15 坚持强制保养:油品使用要严格遵循设备说明书规定的用油品牌、用油等级和换(注)油周期;油滤器根据说明书规定的更换周期强制更换,杜绝清洗再用,空滤器根据说明书规定清洁或更换。1.16 易损件要采取预防性更换的办法,即根据具体工况和部件的预期寿命,在部件即将失效前合理安排时间提前更换,变被动应付为主动预防,减少日费损失。1. 17项目部设备管理人员应熟悉当地物料供应、加工、修理网络,对各个厂家情况进行登记,包括厂址、联系人、服务范围等,以便在急需物料或服务时,可以快速联系获得。2、机械设备的使用管理1.1 施工设备的运行条件物资部组织施工设备进场,监督施工设备运行环境的适宜性和安全性,对发现

9、的不符合运行条件反馈到技术部解决。对进行联合施工的多种机械设备,技术部将根据具体的技术要求制定安全经济的运行方案。项目部对主要施工设备,实行“定人、定级、定岗位”的三定管理。1.2 施工设备的使用设备操作人员按操作规程使用设备。新购设备.在投入使用时,应按有关技术要求进行磨合期运行。施工设备进行多班作业时,严格执行交接班制度。操作人员必须按要求填写单机台班运转记录和交接班记录。1.3 机械设备的保养机械设备保养目的是为了保持设备的良好技术状态,提高设备运转的可靠性和安全性,减少零件的磨损,延长使用寿命,降低消耗,提高机械施工的经济效益。保养分为例行保养和强制保养。例行保养属于正常使用管理工作,

10、它不占用机械设备的运转时间,由操作人员在机械运转间隙进行。其主要内容是保持机械的清洁,检查运转情况,防止机械腐蚀,按技术要求润滑等等。强制保养是隔一定周期,需要占用机械设备的运转时间而停工进行的保养。强制保养是按照一定周期和内容分级进行的。保养周期根据各类型机械设备的磨损规律、作业条件、操作维护水平及经济性四个主要因素确定。1.4 机械设备的修理机械设备的修理,是对机械设备的自然损耗进行修复,排除机械运行的故障,对损坏的零部件进行更换、修复。对机械设备的预检和修理,可以保证机械的使用效率,延长使用寿命。机械设备的修理可分为大修、中修和零星小修。大修是对机械设备进行全面的解体检查修理,保证各零部

11、件质量和配合要求,使其达到良好的技术状态,恢复可靠性和精度等工作性能以延长机械的使用寿命。中修是大修间隔期间对少数总成进行大修的一次性平衡修理,对其他不进行大修的总成只执行检查保养。中修的目的是对不能继续使用的部分总成进行大修,使用整机状态达到平衡,以延长机械设备的大修间隔。零星小修一般是临时安排的修理,其目的是消除操作人员无力排除的突然故障、个别零件损坏,或一般事故性损坏等问题,一般都是和保养相结合,不列入修理计划之中。而大修、中修需要列入修理计划,并按计划预检修制度执行。大修和中修由企业进行管理,小修和保养由项目经理部负责管理。2. 5施工设备的能力检验物资部定期对施工设备的技术状况进行检

12、查和检验,做好检查记录。当施工设备发生故障时,物资部应组织检查修理。物资部负责对在“保修”期内的新购设备进行监控,负责设备的“保修”和索赔工作。2.6施工设备的事故处理施工过程中发生的纯机械事故,按施工机械设备管理实施细则规定处理。施工设备发生事故而造成人身伤亡时,由物资部、以及公司相关部门共同分析,以公司为主共同处理。2. 7施工设备的运行记录施工设备操作人员应严格按施工机械设备管理实施细则的要求进行。安全部应建立主要施工设备技术档案,包括:随机技术资料、机械履历书、单机台班运转记录、交接班记录、维护保养记录、大中修记录、事故记录等。2.8施工设备的退场物资部根据现场施工的安排,对施工过程结束后的退场设备组织检查、检验和退场,并对其进行维修、保养和保管工作。第三节、保证进度计划的劳动力需求计划及保证措施一、劳动力需求计划根据本工程工作内容及工期要求初步估算,本工程用工3960工日,计划平均每天安排劳动力66人,最高峰时计划投入74人。附表:劳动力计划表劳动力计划表单位:人工种按工程施工阶段投入劳动力情况1-15天16-30天31-45天46-60天模板工3442钢筋工4662碎工4662道路工412128

展开阅读全文
相关资源
猜你喜欢
相关搜索

当前位置:首页 > 建筑/环境 > 施工组织

copyright@ 2008-2023 1wenmi网站版权所有

经营许可证编号:宁ICP备2022001189号-1

本站为文档C2C交易模式,即用户上传的文档直接被用户下载,本站只是中间服务平台,本站所有文档下载所得的收益归上传人(含作者)所有。第壹文秘仅提供信息存储空间,仅对用户上传内容的表现方式做保护处理,对上载内容本身不做任何修改或编辑。若文档所含内容侵犯了您的版权或隐私,请立即通知第壹文秘网,我们立即给予删除!