机械设备投入计划及检测设备.docx

上传人:p** 文档编号:606549 上传时间:2023-12-01 格式:DOCX 页数:3 大小:21.97KB
下载 相关 举报
机械设备投入计划及检测设备.docx_第1页
第1页 / 共3页
机械设备投入计划及检测设备.docx_第2页
第2页 / 共3页
机械设备投入计划及检测设备.docx_第3页
第3页 / 共3页
亲,该文档总共3页,全部预览完了,如果喜欢就下载吧!
资源描述

《机械设备投入计划及检测设备.docx》由会员分享,可在线阅读,更多相关《机械设备投入计划及检测设备.docx(3页珍藏版)》请在第壹文秘上搜索。

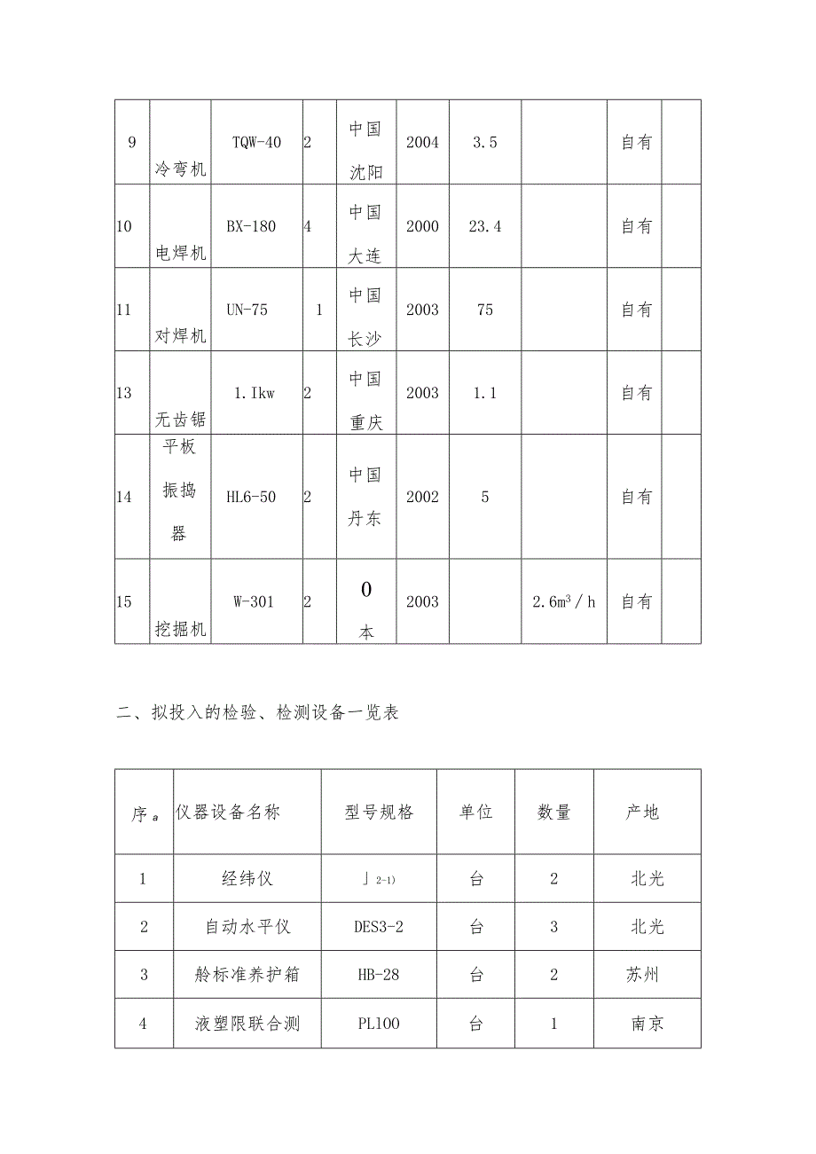
1、机械设备投入计划及检测设备一、拟投入的主要机械设备一览表序号机械或设备名称型号规格数量产地制造年份额定功率(KW)生产能力自有或租借备注1塔吊QT45082中国辽源20036480120吊次自有2施工电梯SCDlOO1中国南京7.5自有3混凝土泵HBT601H本20039020m7h自有4汽车泵DC-S115B10本200375m3h自有5砂浆机350L2中国沈阳200258m3h自有6卷扬机JT-Il.41中国沈阳200111.435t台班自有7振捣棒6025中国大连20041.1自有8切断机GJ402中国威海20021自有9冷弯机TQW-402中国沈阳20043.5自有10电焊机BX-18

2、04中国大连200023.4自有11对焊机UN-751中国长沙200375自有13无齿锯1.Ikw2中国重庆20031.1自有14平板振捣器HL6-502中国丹东20025自有15挖掘机W-30120本20032.6m3h自有二、拟投入的检验、检测设备一览表序a仪器设备名称型号规格单位数量产地1经纬仪2-1)台2北光2自动水平仪DES3-2台3北光3舲标准养护箱HB-28台2苏州4液塑限联合测PLlOO台1南京定仪5重型实仪DJ20台1南京6含水量快速测仪HKC-200台1天津7土壤比重仪F1680台1南京8土壤筛10-0.074台1浙江9跄回弹仪HJ225台1天津10坍落度筒个6天津11硅试模抗压、抗折组40河北12天平50g,500g台3上海13灌砂筒200套1南京

展开阅读全文
相关资源
猜你喜欢
相关搜索

当前位置:首页 > 建筑/环境 > 环保行业

copyright@ 2008-2023 1wenmi网站版权所有

经营许可证编号:宁ICP备2022001189号-1

本站为文档C2C交易模式,即用户上传的文档直接被用户下载,本站只是中间服务平台,本站所有文档下载所得的收益归上传人(含作者)所有。第壹文秘仅提供信息存储空间,仅对用户上传内容的表现方式做保护处理,对上载内容本身不做任何修改或编辑。若文档所含内容侵犯了您的版权或隐私,请立即通知第壹文秘网,我们立即给予删除!