某办公楼工程分包计划和对分包队伍的管理措施.docx

上传人:p** 文档编号:606665 上传时间:2023-12-01 格式:DOCX 页数:7 大小:34.65KB
下载 相关 举报
某办公楼工程分包计划和对分包队伍的管理措施.docx_第1页
第1页 / 共7页
某办公楼工程分包计划和对分包队伍的管理措施.docx_第2页
第2页 / 共7页
某办公楼工程分包计划和对分包队伍的管理措施.docx_第3页
第3页 / 共7页
某办公楼工程分包计划和对分包队伍的管理措施.docx_第4页
第4页 / 共7页
某办公楼工程分包计划和对分包队伍的管理措施.docx_第5页
第5页 / 共7页
某办公楼工程分包计划和对分包队伍的管理措施.docx_第6页
第6页 / 共7页
某办公楼工程分包计划和对分包队伍的管理措施.docx_第7页
第7页 / 共7页
亲,该文档总共7页,全部预览完了,如果喜欢就下载吧!
资源描述

《某办公楼工程分包计划和对分包队伍的管理措施.docx》由会员分享,可在线阅读,更多相关《某办公楼工程分包计划和对分包队伍的管理措施.docx(7页珍藏版)》请在第壹文秘上搜索。

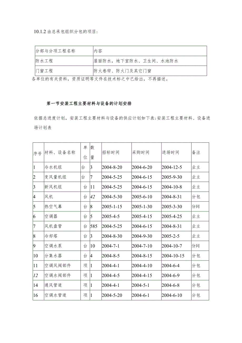
1、某办公楼工程分包计划和对分包队伍的管理措施分包计划与分包队伍的管理原则:各分包工程均纳入总包管理体系中,依据招标文件和施工现场策划,结合本工程总进度计划,制定各分包计划和对分队伍的总承包管理措施。第一节分包范围的界定10.1.1.业主指定分包的内容如下:分部分项工程名称内容土建幕墙全部室内精装修地下部分:餐厅、厨房、卫生间、浴室及电梯间部分等;高层办公楼地上部分的内装饰装修工程室外工程全部水暖工程热力站全部中水系统全部厨具安装全部消防工程(水喷淋)全部电气工程通信工程除配管以外的全部工程消防工程除配管以外的全部工程车库管理系统全部弱电工程除配管以外的全部工程电梯工程各类电梯及其配套设施的供应和

2、安装室外工程全部10.1.2由总承包组织分包的项目:分部与分项工程名称内容防水工程屋面防水,地下室防水、卫生间、水池防水门窗工程防火卷帘、防火门及其它门窗各单位的有关资料,资质证明等文件在技术标之中已给出,不再描述。笫一节安装工程主要材料与设备的计划安排依据总进度计划,安装工程主要材料与设备的供应计划如下表:安装工程主要材料、设备进场计划表序号材料、设备名称单位数量招标时间采购时间进场时间备注1冷水机组台32004-8-202004-6-202004-12-5业主2变风量机组台72004-5-252004-6-152005-9-30业主3新风机组台112004-5-252004-6-15200

3、4-10-8业主4风机台422004-5-302005-6-102004-8-31分包5热空气幕台82005-1-152005-1-302005-3-30分同6空调器台52005-4-52005-4-152005-4-25业主7风机盘管台5852004-5-252004-6-152004-8-31业主8冷却塔台32004-8-302004-9-302005-2-5业主9空调水泵台102004-7-12004-7-102004-10-7分同10分集水器台42004-8-52004-8-152004-10-15分包11空调风阀部件项12004-4-12004-4-102004-6-4分包12空调水

4、阀部件项12004-4-52004-4-152004-6-9分包14通风管道项12004-4-12004-5-12004-6-8分包16空调水管道项12004-5-202004-6-12004-6-10分包17保温材料项12004-7-12004-7-102004-8-10分包18电梯部72004-4-272004-5-82004-8-2业主19厨房设备套12004-12-252005-1-52005-3-30分包20消防管材项12004-5-152004-5-242004-6-4分包21中央监控设备套12004-12-102004-12-302005-3-20分包22消防栓箱套1042004

5、-4-152004-4-302004-6-30分包23消防水泵台62004-9-102004-9-302004-12-30分包24热力站设备套22004-5-52004-6-52004-9-3分包25中水处理设备套12004-12-202005-1-22005-2-10分包26直饮水处理设备套12004-12-202005-1-102005-3-14分包27给水管材项12004-4-302004-5-102004-6-1总包27排水管材项12004-3-52004-3-202004-5-19总包28水箱座32004-7-302004-8-102004-9-20总包29变频供水设备套32004-

6、10-202004-11-12004-12-8总包30潜污水泵套282004-7-12004-7-202004-10-10总包31卫生设备套1752005-1-22005-1-202005-3-24分包32淋浴设备套302005-1-22005-1-202005-3-24分包33保温材料立12004-12-202005-1-32005-2-8总包笫一节主要分包商及劳务分包进场计划根据总进度计划与各专业分包商进场计划要求,确定各分包形式,考察时间,进场与退场时,并以此为依据分配施工场地,提供必须的总包配合措施。主要分包商进退场计划时间表如下:表:10-3序号内容分包性质考察时间进场时间退场时间1

7、主体结构劳务分包已完成2004/02/012004/10/10工程2玻璃幕墙指定分包2004/03/202004/07/152005/01/103防水施工自行分包已完成2004/02/052004/11/204门窗安装自行分包已完成2004/07/012004/12/305屋顶装饰架安装自行分包2004/03/202004/07/152005/01/106室内精装修指定分包2004/10/012005/12/012005/07/017室外工程指定分包2004/09/202005/03/012005/06/208中水机房指定分包2004/05/102004/07/052005/06/019热力站

8、指定分包2004/05/52004/06/052004/09/010冷水机组指定分包2004/05/102004/09/32004/11/1011通风空调工程自行分包已完成2004/05/102005/07/0112消防和报警系统指定分包2004/05/102004/07/202005/07/0113智能化指定分包2004/05/102004/07/202005/07/0114变配电指定分包2004/05/102004/07/102005/07/0115油机工程指定分包2004/05/102004/07/102005/07/0116电梯工程指定分包2004/05/102004/07/10200

9、5/07/01机电系统调试计划机电系统单项调试开始时间表序号调试项目调试时间参加单位负责方备注1给水系统2004-10-20总包总包2热水系统2004-10-30总包总包3直饮水系统2005-4-20总包总包、分包4排水系统2004-11-5总包总包5给水设备2005-1-15总包总包6排水设备2004-10-20总包总包7采暖系统2005-4-5分包分包8照明系统2005-4-20总包总包9动力系统2005-5-25总包总包10采暖设备2005-4-5分包分包11中水系统2005-4-25总包总包、分包12卫生设备2005-3-30分包分包13消防给水系统2005-3-1分包分包14火灾报警

10、系统2005-5-20分包分包15空调水系统2004-11-10分包分包16空调风系统2004-11-10分包分包17冷水机组2004-3-25分包业主、分包18空调设备2004-11-5分包业主、分包19防排烟系统2005-4-20分包业主、分包20电梯工程2005-3-5分包业主、分包21弱电系统2005-4-30分包业主、分包22燃气工程2005-5-20分包业主、分包23给排水综合调试2005-5-15总包、分包总包、分包24消防系统调试验收2005-6-6总包、分包业主、总、分包25电梯工程验收2005-6-10分包业主、分包26通风空调综合调试2005-6-6分包业主、分包笫一节分

11、包队伍选择的工作程序按照公司制定的质量管理程序文件中分包商管理程序,在公司合格分包商名册中,选择有类似工程施工经验的优秀分包队伍一至三家,报业主与监理,经业主、监理单位考察审核通过后,参与本工程的施工投标工作,择优录用;在施工过程中,该队伍如果不能满足业主、监理、总包的有关要求,由总包立即清退,按上述程序重新选择队伍。对于业主指定的分包单位,积极协助业主和监理,做好分包单位的选拔和招标工作,并对业主选定的分包队伍的工程施工质量、进度、文明安全等方面实行全过程管理。第一节对分包管理的管理本工程实施总承包管理管理原则与管理方法详见(第十一章,总承包管理),根据工程进度计划要求,具体分如下几个阶段对

12、分进行协调配合。10.5.1.分包施工前的协调配合分包单位迸场前,向分包单位提供分包单位入场须知,该分包须知是为了加强总分包间密切配合,保证在工程施工中总包便于协调,能有效统一管理各分包单位。分包须知主要内容包括:进场程序、入场安全管理程序、物资和机械管理程序等、质量管理程序、现场管理程序,技术与资料管理程序等。同时,为保证分包单位能顺利展开施工,在分包单位进场后,及时为其提供足够的和无障碍的工作面,并提供临时水、电,现有的机械设备及脚手架和办公、仓储用地等。10.5.2.主体结构阶段的协调配合在结构施工阶段的配合主要是安装预留预埋,土建施工应为预留预埋创造条件,作好专业会签工作;对于隐蔽工程须经专业会签后方可施工。对于需要土建预埋的埋件或预留孔洞,由项目部统一协调,在施工前土建应与机电专业核对,在土建图上明确标明,并在施工现场检查核对,做好会签确认工作,杜绝漏埋和误埋,以保证混凝土面层的施工质量。对于专业自己预埋的部分,土建应提供预留预埋施工所需的基准线,捉醒专业及时插入施工。并为专业预留预埋留出施工时间。10.5.3.粗装修阶段的协调配合

展开阅读全文
相关资源
猜你喜欢
相关搜索

当前位置:首页 > 办公文档 > 工作计划

copyright@ 2008-2023 1wenmi网站版权所有

经营许可证编号:宁ICP备2022001189号-1

本站为文档C2C交易模式,即用户上传的文档直接被用户下载,本站只是中间服务平台,本站所有文档下载所得的收益归上传人(含作者)所有。第壹文秘仅提供信息存储空间,仅对用户上传内容的表现方式做保护处理,对上载内容本身不做任何修改或编辑。若文档所含内容侵犯了您的版权或隐私,请立即通知第壹文秘网,我们立即给予删除!