通风与空调设备安装(通风系统)质量标准及检验方法.docx

上传人:p** 文档编号:608386 上传时间:2023-12-01 格式:DOCX 页数:3 大小:21.55KB
下载 相关 举报
通风与空调设备安装(通风系统)质量标准及检验方法.docx_第1页
第1页 / 共3页
通风与空调设备安装(通风系统)质量标准及检验方法.docx_第2页
第2页 / 共3页
通风与空调设备安装(通风系统)质量标准及检验方法.docx_第3页
第3页 / 共3页
亲,该文档总共3页,全部预览完了,如果喜欢就下载吧!
资源描述

《通风与空调设备安装(通风系统)质量标准及检验方法.docx》由会员分享,可在线阅读,更多相关《通风与空调设备安装(通风系统)质量标准及检验方法.docx(3页珍藏版)》请在第壹文秘上搜索。

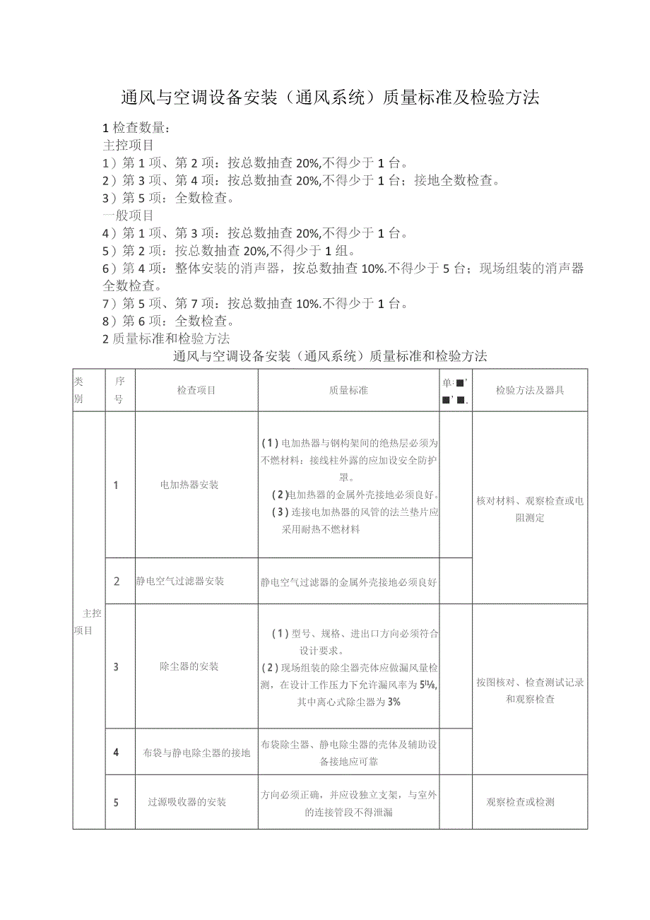
1、通风与空调设备安装(通风系统)质量标准及检验方法1检查数量:主控项目1)第1项、第2项:按总数抽查20%,不得少于1台。2)第3项、第4项:按总数抽查20%,不得少于1台;接地全数检查。3)第5项:全数检查。一般项目4)第1项、第3项:按总数抽查20%,不得少于1台。5)第2项:按总数抽查20%,不得少于1组。6)第4项:整体安装的消声器,按总数抽查10%.不得少于5台;现场组装的消声器全数检查。7)第5项、第7项:按总数抽查10%.不得少于1台。8)第6项:全数检查。2质量标准和检验方法通风与空调设备安装(通风系统)质量标准和检验方法类别序号检查项目质量标准单;.检验方法及器具主控项目1电加

2、热器安装(1)电加热器与钢构架间的绝热层必须为不燃材料:接线柱外露的应加设安全防护罩。(2)电加热器的金属外壳接地必须良好。(3)连接电加热器的风管的法兰垫片应采用耐热不燃材料核对材料、观察检查或电阻测定2静电空气过滤器安装静电空气过滤器的金属外壳接地必须良好3除尘器的安装(1)型号、规格、进出口方向必须符合设计要求。(2)现场组装的除尘器壳体应做漏风量检测,在设计工作压力下允许漏风率为5l,其中离心式除尘器为3%按图核对、检查测试记录和观察检查4布袋与静电除尘器的接地布袋除尘器、静电除尘器的壳体及辅助设备接地应可靠5过源吸收器的安装方向必须正确,并应设独立支架,与室外的连接管段不得泄漏观察检

3、查或检测般项目1除尘器部件及阀安装活动或转动部件动作应灵活、可靠,并应符合设计要求观察、钢尺检查及检查施工记录排灰阀、卸料阀、排泥阀安装应严密,并便于操作与维护、修理除生设备安装允许偏差平面位移10nun经纬仪或拉线、钢尺检杳标IgJ+10mm水准仪、直尺、拉线和钢尺检查垂直度每米W2mm吊线和钢尺检查总偏差10mm2现场组装静电除尘器安装(1)阳极板组合后的阳极排平面度允许偏差为5mm,其对角线允许偏差为IOmmo(2)阴极小框架组合后主平面的平面度允许偏差为5mm,其对角线允许偏差为IOmm。(3)阴极大框架的整体平面度允许偏差为15mm,整体对角线允许偏差为IOmm0(4)阳极板高度不大

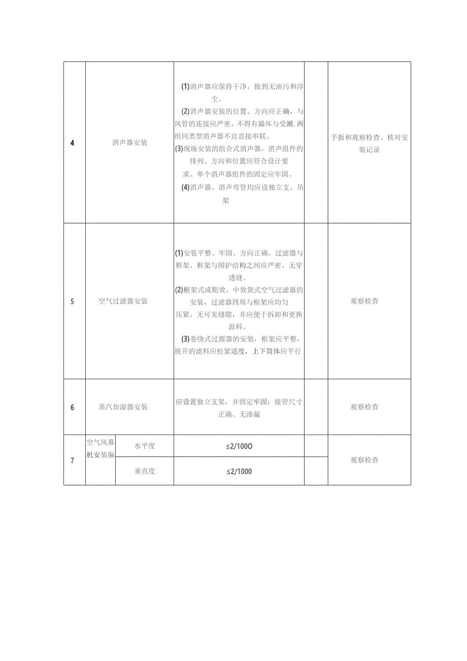
4、于7m的静电除尘器,阴、阳极间距允许偏差为5mm;阳极板高度大于7m的静电除尘器,阴、阳极间距允许偏为10mm。钢尺、观察检杳及检查施工记录般项目3现场组装布袋除尘器安装外壳应严密、不漏,布袋接口应牢固钢尺、观察检查及检查施工记录分室反吹袋式除尘器的滤袋必须平直:每条滤袋的拉紧力应保持在25N/m35N/m;与滤袋连接接触的短管和袋帽应无毛刺脉冲袋式除尘器喷吹孔同心度2mm4消声器安装(1)消声器应保持干净,做到无油污和浮尘。(2)消声器安装的位置、方向应正确,与风管的连接应严密,不得有撮坏与受潮.两组同类型消声器不宜直接串联。(3)现场安装的组合式消声器,消声组件的排列、方向和位置应符合设计要求。单个消声器组件的固定应牢固。(4)消声器、消声弯管均应设独立支、吊架手扳和观察检查、核对安装记录5空气过滤器安装(1)安装平整、牢固、方向正确。过滤器与框架、框架与围护结构之间应严密、无穿透缝。(2)框架式或粗效、中效袋式空气过滤器的安装,过滤器四周与框架应均匀压紧,无可见缝隙,并应便于拆卸和更换涯料。(3)卷绕式过源器的安装,框架应平整,展开的滤料应松紧适度,上下筒体应平行观察检查6蒸汽加湿器安装应设置独立支架,并固定牢固;接管尺寸正确、无渗漏观察检查7空气风幕机安装偏水平度2/100O观察检查垂直度2/1000

展开阅读全文
相关资源
猜你喜欢
相关搜索

当前位置:首页 > 建筑/环境 > 给排水/暖通与智能化

copyright@ 2008-2023 1wenmi网站版权所有

经营许可证编号:宁ICP备2022001189号-1

本站为文档C2C交易模式,即用户上传的文档直接被用户下载,本站只是中间服务平台,本站所有文档下载所得的收益归上传人(含作者)所有。第壹文秘仅提供信息存储空间,仅对用户上传内容的表现方式做保护处理,对上载内容本身不做任何修改或编辑。若文档所含内容侵犯了您的版权或隐私,请立即通知第壹文秘网,我们立即给予删除!