长垣县2017年普通国省干线公路养护机械设备采购项目扫路车技术参数.docx

上传人:p** 文档编号:608635 上传时间:2023-12-01 格式:DOCX 页数:1 大小:15.88KB
下载 相关 举报
长垣县2017年普通国省干线公路养护机械设备采购项目扫路车技术参数.docx_第1页
第1页 / 共1页
亲,该文档总共1页,全部预览完了,如果喜欢就下载吧!
资源描述

《长垣县2017年普通国省干线公路养护机械设备采购项目扫路车技术参数.docx》由会员分享,可在线阅读,更多相关《长垣县2017年普通国省干线公路养护机械设备采购项目扫路车技术参数.docx(1页珍藏版)》请在第壹文秘上搜索。

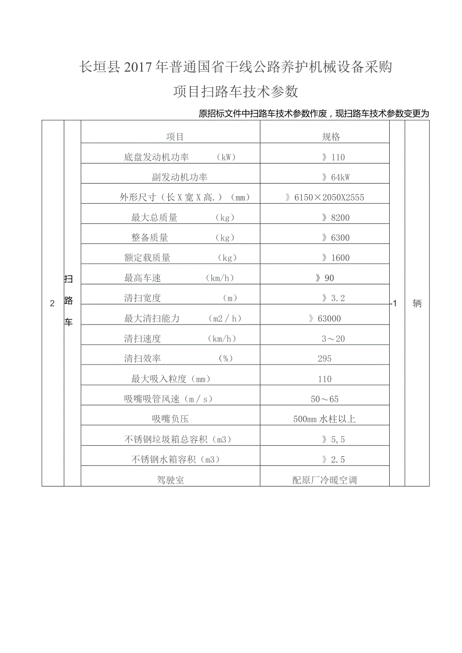
长垣县2017年普通国省干线公路养护机械设备采购项目扫路车技术参数原招标文件中扫路车技术参数作废,现扫路车技术参数变更为2扫路车项目规格-1辆底盘发动机功率(kW)110副发动机功率64kW外形尺寸(长X宽X高.)(mm)61502050X2555最大总质量(kg)8200整备质量(kg)6300额定载质量(kg)1600最高车速(km/h)90清扫宽度(m)3.2最大清扫能力(m2h)63000清扫速度(km/h)320清扫效率(%)295最大吸入粒度(mm)110吸嘴吸管风速(ms)5065吸嘴负压500mm水柱以上不锈钢垃圾箱总容积(m3)5,5不锈钢水箱容积(m3)2.5驾驶室配原厂冷暖空调

展开阅读全文
相关资源
猜你喜欢
相关搜索

当前位置:首页 > 办公文档 > 招标投标

copyright@ 2008-2023 1wenmi网站版权所有

经营许可证编号:宁ICP备2022001189号-1

本站为文档C2C交易模式,即用户上传的文档直接被用户下载,本站只是中间服务平台,本站所有文档下载所得的收益归上传人(含作者)所有。第壹文秘仅提供信息存储空间,仅对用户上传内容的表现方式做保护处理,对上载内容本身不做任何修改或编辑。若文档所含内容侵犯了您的版权或隐私,请立即通知第壹文秘网,我们立即给予删除!