通风、空调工程施工方案.docx

上传人:p** 文档编号:608976 上传时间:2023-12-01 格式:DOCX 页数:7 大小:26.70KB
下载 相关 举报
通风、空调工程施工方案.docx_第1页
第1页 / 共7页
通风、空调工程施工方案.docx_第2页
第2页 / 共7页
通风、空调工程施工方案.docx_第3页
第3页 / 共7页
通风、空调工程施工方案.docx_第4页
第4页 / 共7页
通风、空调工程施工方案.docx_第5页
第5页 / 共7页
通风、空调工程施工方案.docx_第6页
第6页 / 共7页
通风、空调工程施工方案.docx_第7页
第7页 / 共7页
亲,该文档总共7页,全部预览完了,如果喜欢就下载吧!
资源描述

《通风、空调工程施工方案.docx》由会员分享,可在线阅读,更多相关《通风、空调工程施工方案.docx(7页珍藏版)》请在第壹文秘上搜索。

1、通风、空调工程施工方案一、分部分项施工方法:1 .配合预留预埋阶段:该工程配合施建结构施工量较大,配合时应仔细核对图纸,作好预留、预埋的技术交底工作,标好孔洞的位置,大小和尺寸,并埋入预制好的套管、模盒及吊托架预埋件。2 .施工准备阶段:(1)计划好风管制做场、材料、机具和劳动力准备。并及时解决,设备及部配件堆放的材料库房。各分项工程具体施工方法及要求事项:1)水管安装要求:(八)DNIOmm采用无缝钢管,DN32mm采用镀锌钢管。(B)空调水管坡度、标高,凝结水管坡度、标高,必须符合设计图纸中的要求,管道最低点设疏水阀,最高点设排汽阀。(C)管架做法详见图标T616及R402,相邻管架间距见

2、表5-2.表5-2相邻管架间距(D)管道安装完毕再试压冲洗,合格后方可保温。(E)阀门安装前清洗干净,检查开闭是否严实灵活,安装在易操作处。(F)立管管卡设置:层高小于5m时,每层设一个;层高大于或等于5m时,每层不应小于二个。(G)回水系统水压试验压力应为160MPa,在5min内压力降WO.02MPa为合格。(三)未端设备在试水后应放尽存水,以免(在冬期)冻裂铜管。2)玻璃风管系统安装要求:(八)玻璃钢风管制作A)玻璃布应保持干燥、清洁,不得含蜡且铺置接缝应错开,无重叠现象。B)所采用合成树脂原料必须防腐、耐酸侵蚀。C)内表面应光滑平整,外表面应整齐美观,厚度均匀,边缘无毛刺,不公称直径(

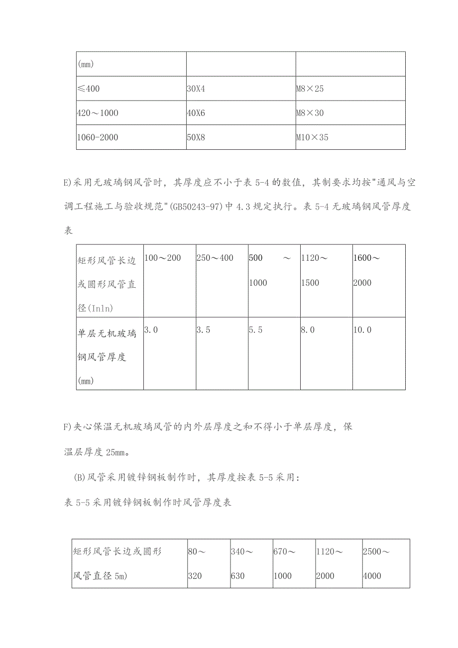
3、mm)1520253240507080100125150200250300支吊架最大间距(Dl)1.5222.533444.556788.5得有气泡、分层现象。树脂固化度应达到90%以上。D)法兰与风管配件应成一整体,并与风管轴线成直角。法兰平面的不平度允许偏差2mm,法兰规格及螺栓规格应符合表5-3规定:表5-3法兰规格及螺栓规格表风管外径或大边长规格(宽X厚)(mm)螺栓规格(mm)40030X4M825420100O40X6M8301060-200050X8M1035E)采用无玻璃钢风管时,其厚度应不小于表5-4的数值,其制要求均按通风与空调工程施工与验收规范(GB50243-97)中4

4、.3规定执行。表5-4无玻璃钢风管厚度表矩形风管长边或圆形风管直径(Inln)10020025040050010001120150016002000单层无机玻璃钢风管厚度(mm)3.03.55.58.010.0F)夹心保温无机玻璃风管的内外层厚度之和不得小于单层厚度,保温层厚度25mm。(B)风管采用镀锌钢板制作时,其厚度按表5-5采用:表5-5采用镀锌钢板制作时风管厚度表矩形风管长边或圆形8034067011202500风管直径5m)320630100020004000镀锌钢板厚度(mm)0.500.600.801.001.20A)运输到现场搬运时注意保护风管免受破损。B)法兰冲眼应迅速,不

5、得有破损现象:螺栓应在法兰同侧十字交叉拧紧。C)风管支吊架的间距,当图纸无明确交待时,应符合下列规定:风管直径或长边小于40Omm时,间距不超过物4m,大于40Omm时,不超过3m,垂直风管安装时,间距不大于物,每根垂直风管的固定卡架不应少于二个。D)吊架不得直接设在法兰上,圆形风管托架应垫圆弧木托座。E)安装支管时必须待工艺设备到位后才能进行,顺序按先主干管后支立管最后装设备。F)风管安装时随时注意端头封口,以防物品误入风管。3)设备安装及试运转。(八)通风机安装A)安装前开箱检查,核对规格、型号、零配件是否齐全,质量是否合格,作好设备开箱记录。B)安装前检查设备基础尺寸是否准确,表面是否光

6、滑平整,承重强度是否满足要求等,作好基础验收记录。C)通机搬动和吊装符合下列规定:(a)整体吊装风机,搬运和吊装的绳索不得捆缚在转子、机壳、轴承盖的吊环上。(b)现场组装的风机,绳索的捆缚不得损伤机件的表面,转子、轴颈和轴封等处均作为捆缚部位。(c)输送特殊介质的风机转子和机壳内如涂有保护层,必须严加保护,不得损伤。D)通风机的进风管、出风管应有单独支撑装置,并与基础或其他建筑物连接牢固,风管法兰与风机严禁强行扭曲连接,机壳不得承受其他机件重量。E)通风机传动装置外露部分应设防护罩。F)固定通风机的地脚螺栓带有垫圈外,还应有防松装置。G)减速震装置压缩量均匀,不得偏心。H)通风机安装尺寸的允许

7、偏差见表5-6:表5-6通风机安装尺寸的允许偏差中心线平标高皮带轮宽度传动轴联轴器同心度面位移中央平面位置不水平度径向位移轴向倾斜IOmmIOmmImm0.2/10000.05mm0.2/1000(B)风机盘管与管道应在管道清洗排污验收合格后连接,安装前检验电机转向。(C)消声器在运输和安装过程中不得损坏和受潮,所填充消声材料不得有明显下凹。安装单设吊架,其重量不得由风管承受。(D)风管盘管进出水管阀门采用铜闸阀;阀和风机盘管接口之间采用不锈钢金属软管连接。(E)立式、卧式空调器及新风机组等由底部接出的凝结水管应做存水弯,存水弯高度不小于80mm。(F)空调通风用风机与风管连接的进出口须加装1

8、50mm晴纶帆布软接头并应浸防火涂料。(G)所何风机未接管的进出风口及敞开的风管口均设置钢丝防护网。(三)各类风口,散流器安装应平整,位置正确,阀门及转动部分应灵活,但不能抖动而产生噪音。(I)各类防火阀应单独设置支吊架。4)系统调试(八)通风系统:启动风机,检测系统排风量、除尘效率、排尘浓度、风机噪声。(B)空调风、水系统联合调试:A)系统单体循环合格,检测流量、水泵压头、流速、制冷效果。B)风系统风口风量平衡,风机转速与送风量测试。(C)启动水泵、风机、水系统与风系统进行联合调试,测定房间温度湿度、洁净度、室内正压值、气流组织及设备噪声。二、通风空调质量保证措施通信指挥中心项目为安装公司重

9、点项目,确保获得国家鲁班奖工程。在质量方面,严格按照IS09000国际质量体系标准,建立项目质量管理体制,从材料采购、运输、进场,施工队伍选择到各工序控制都把好质量关。在施工技术处理方面,工长首先必须详细熟悉图纸,紧密联系设计院做好图纸会审,充分预见施工过程中可能出现的技术问题。在施工队伍进场时技术交底具体、仔细、全面。在施工过程中质量管理小组定期进行自检,对不合格品及时进行整改纠正。具体保证措施如下:1 .材料采购、进场、验收质量保证:由工长、质安员、材料员三方会同,按国标和设计要求进行验收,质量不合格品严禁使用。若发现施工过程中出现质量问题属材料质量不过关造成,追究相关人员责任。2.施工队伍选择采取招标竟标制,在分公司领导下项目参加对施工队伍进行综合考评,择优录用。3 .施工工序控制:在某一工序施工过程中进行自检,促成该工序如期完成,上一工序没有达到施工技术交底质量要求,不得进入下一道工序。

展开阅读全文
相关资源
猜你喜欢
相关搜索

当前位置:首页 > 建筑/环境 > 给排水/暖通与智能化

copyright@ 2008-2023 1wenmi网站版权所有

经营许可证编号:宁ICP备2022001189号-1

本站为文档C2C交易模式,即用户上传的文档直接被用户下载,本站只是中间服务平台,本站所有文档下载所得的收益归上传人(含作者)所有。第壹文秘仅提供信息存储空间,仅对用户上传内容的表现方式做保护处理,对上载内容本身不做任何修改或编辑。若文档所含内容侵犯了您的版权或隐私,请立即通知第壹文秘网,我们立即给予删除!